INFINITI M35 2006 Factory Service Manual
M35 2006
INFINITI
INFINITI
https://www.carmanualsonline.info/img/42/57023/w960_57023-0.png
INFINITI M35 2006 Factory Service Manual
Trending: traction control, check engine, sunroof, fuse box location, engine cooling, navigation, wheel bolt torque
Page 4701 of 5621
LT-274
INTERIOR ROOM LAMP
Revision: 2006 January2006 M35/M45
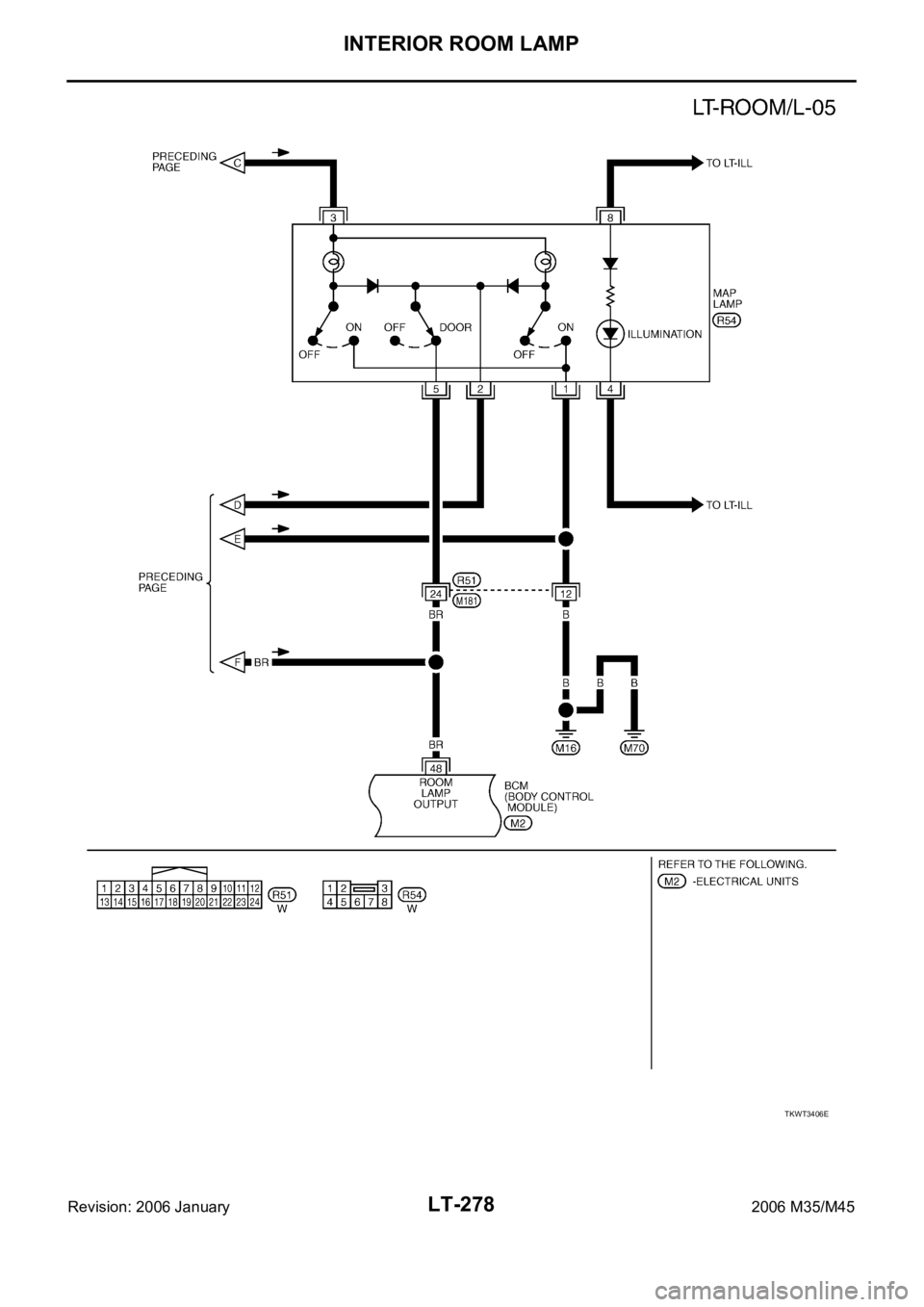
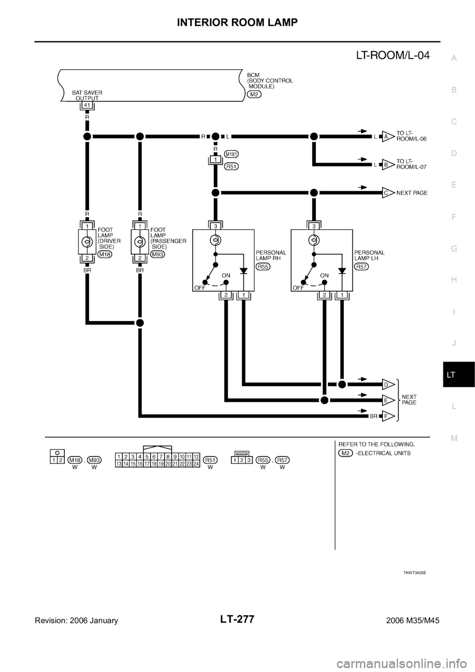
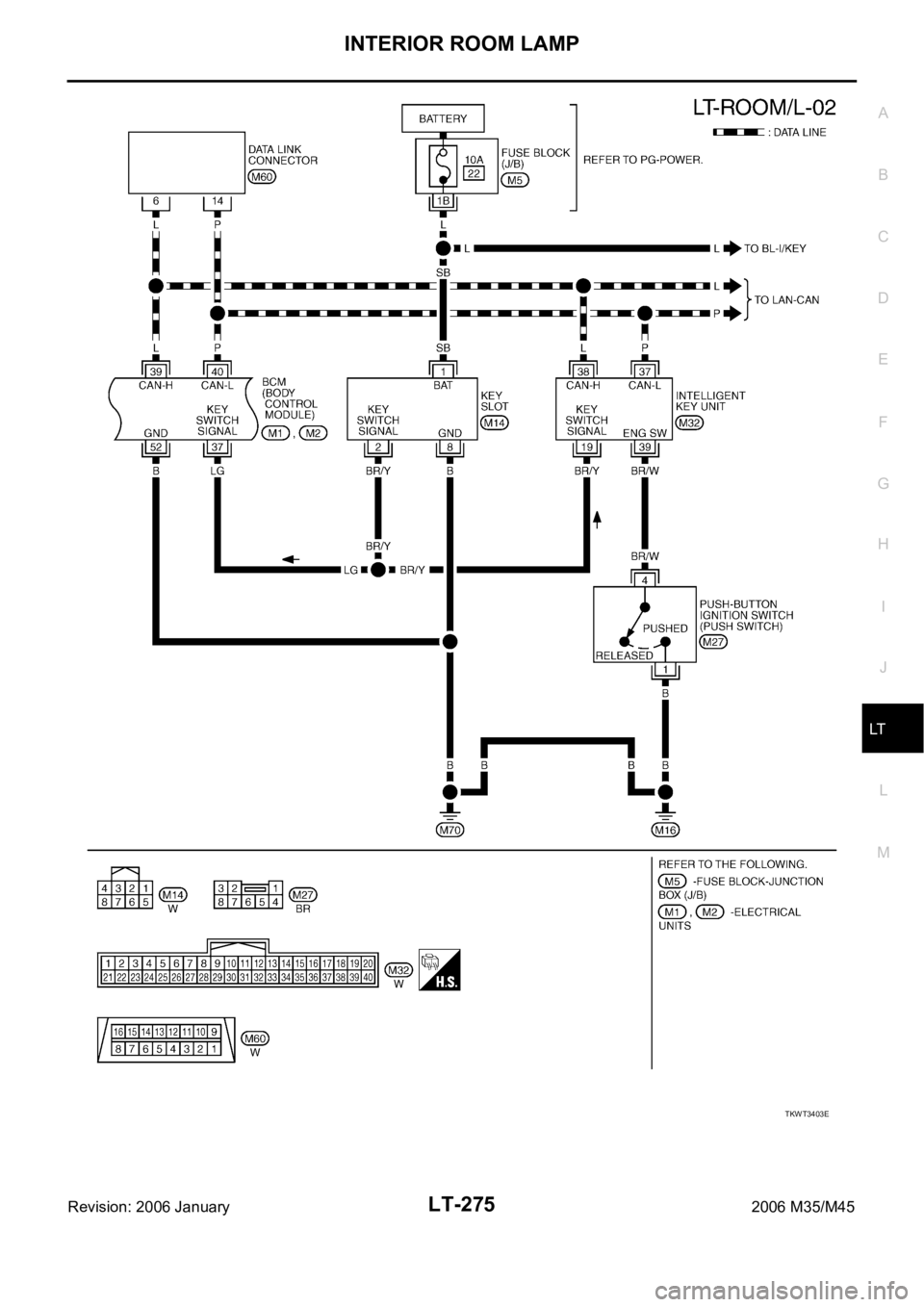
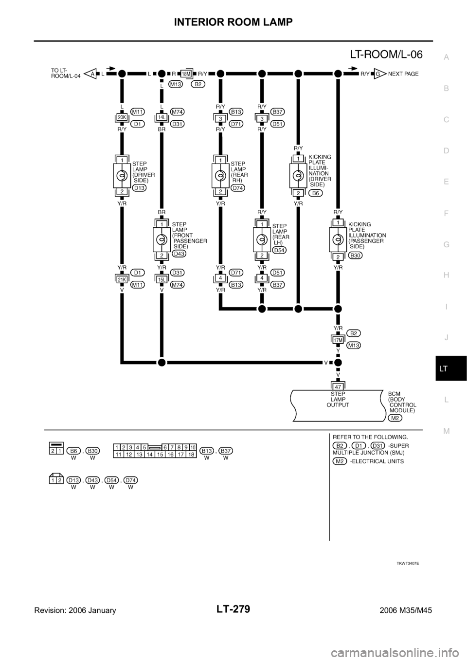
Wiring Diagram — ROOM/L —NKS003T3
TKWT3402E
Page 4702 of 5621
INTERIOR ROOM LAMP
LT-275
C
D
E
F
G
H
I
J
L
MA
B
LT
Revision: 2006 January2006 M35/M45
TKWT3403E
Page 4703 of 5621
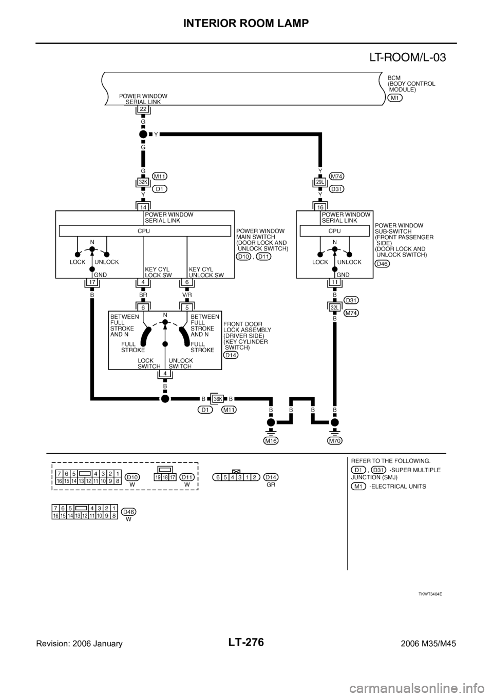
LT-276
INTERIOR ROOM LAMP
Revision: 2006 January2006 M35/M45
TKWT3404E
Page 4704 of 5621
INTERIOR ROOM LAMP
LT-277
C
D
E
F
G
H
I
J
L
MA
B
LT
Revision: 2006 January2006 M35/M45
TKWT3405E
Page 4705 of 5621
LT-278
INTERIOR ROOM LAMP
Revision: 2006 January2006 M35/M45
TKWT3406E
Page 4706 of 5621
INTERIOR ROOM LAMP
LT-279
C
D
E
F
G
H
I
J
L
MA
B
LT
Revision: 2006 January2006 M35/M45
TKWT3407E
Page 4707 of 5621
LT-280
INTERIOR ROOM LAMP
Revision: 2006 January2006 M35/M45
TKWT3408E
Page 4708 of 5621

INTERIOR ROOM LAMP
LT-281
C
D
E
F
G
H
I
J
L
MA
B
LT
Revision: 2006 January2006 M35/M45
Terminals and Reference Values for BCMNKS003T4
Terminal
No.Wire
colorSignal nameMeasuring condition
Reference value
Ignition
switchOperation or condition
11 VIgnition switch
(ACC)ACC — Battery voltage
12 PFront door switch
passenger side
signalOFFFront door switch
passenger sideON (open) Approx. 0V
OFF (closed)
Approx. 8.0 - 8.5V
13 O/LRear door switch
RH signalOFF Rear door switch RHON (open) Approx. 0V
OFF (closed)
Approx. 8.5 - 9.0V
22 GPower window
serial linkOFFPower window main
switch (door lock and
unlock switch) and
power window sub-
switch (front passenger
side) (door lock and
unlock switch)Lock or unlock switch
ON
NOTE:
10 seconds just after
door lock and unlock
switch (driver side and
passenger side) is
turned “LOCK” or
“UNLOCK”.
OFF Battery voltage
37 LG Key switch signal OFFIntelligent Key is inserted into key slot. Battery voltage
Intelligent Key is removed from key slot. Approx. 0V
38 WIgnition power
supplyON — Battery voltage
39 L CAN
H — — —
40 P CAN
L — — —
41 RBAT saver out-
put signalOFF — Battery voltage
42 PBattery power
supplyOFF — Battery voltage
47 VStep lamp output
signalOFF Any door switchON (open) Approx. 0V
OFF (close) Battery voltage
48 BRRoom lamp
output signalON Any door switchON (open) Approx. 0V
OFF (close) Battery voltage
— All doors are closedTurn ignition switch ON
OFFApprox. 0V
(When room lamp timer
is operating)
Turn ignition switch ON Battery voltage
SKIB3419J
SKIB4865E
PKIC0930E
Page 4709 of 5621

LT-282
INTERIOR ROOM LAMP
Revision: 2006 January2006 M35/M45
How to Perform Trouble DiagnosesNKS003T5
1. Confirm the symptom or customer complaint.
2. Understand operation description and function description. Refer to LT- 2 6 7 , "
System Description" .
3. Perform the Preliminary Check. Refer to LT-283, "
Preliminary Check" .
4. Check symptom and repair or replace the cause of malfunction.
5. Does the interior room lamp operate normally? If YES, GO TO 6. If NO, GO TO 4.
6. INSPECTION END
52 B Ground ON — Approx. 0V
55 WBattery power
supplyOFF — Battery voltage
57 SBTrunk switch
signalOFFTrunk room lamp
switchON (open) Approx. 0V
OFF (close) Battery voltage
62 VFront door switch
driver side signalOFFFront door switch
driver sideON (open) Approx. 0V
OFF (closed)
Approx. 7.5 - 8.0V
63 R/GRear door switch
LH signalOFF Rear door switch LHON (open) Approx. 0V
OFF (closed)
Approx. 7.5 - 8.0V Terminal
No.Wire
colorSignal nameMeasuring condition
Reference value
Ignition
switchOperation or condition
PKIB4960J
PKIB4960J
Page 4710 of 5621

INTERIOR ROOM LAMP
LT-283
C
D
E
F
G
H
I
J
L
MA
B
LT
Revision: 2006 January2006 M35/M45
Preliminary CheckNKS003T6
CHECK POWER SUPPLY AND GROUND CIRCUIT
1. CHECK FUSE
Check for blown fuses.
Refer to LT-274, "Wiring Diagram — ROOM/L —" .
OK or NG
OK >> GO TO 2.
NG >> If fuse or fusible link is blown, be sure to eliminate cause of malfunction before installing new fuse
or fusible link. Refer to PG-3, "
POWER SUPPLY ROUTING CIRCUIT" .
2. CHECK POWER SUPPLY CIRCUIT
1. Turn ignition switch OFF.
2. Disconnect BCM connector.
3. Check voltage between BCM harness connector and ground.
OK or NG
OK >> GO TO 3.
NG >> Check harness for open or short between BCM and
fuse.
3. CHECK GROUND CIRCUIT
Check continuity between BCM harness connector and ground.
OK or NG
OK >> INSPECTION END
NG >> Check harness ground circuit.
Unit Power source Fuse or fusible link No.
BCMBatteryF
21
Ignition switch ON or START position 1
Ignition switch ACC or ON position 6
Key slot Battery 22
Terminal Ignition switch position
(+)
(
)OFFACCON
BCM
connectorTerminal
M111
GroundApprox. 0VBattery
voltageBattery
voltage
38 Approx. 0V Approx. 0VBattery
voltage
M242Battery
voltageBattery
voltageBattery
voltage
55Battery
voltageBattery
voltageBattery
voltage
PKIA5204E
BCM connector Terminal
GroundContinuity
M2 52 Yes
SKIB5125E
Trending: center console, Crankshaft Position Sensor A, open hood, air bleeding, Intake Manifold, oil viscosity, rear entertainment