LAND ROVER DISCOVERY 2002 Workshop Manual
DISCOVERY 2002
LAND ROVER
LAND ROVER
https://www.carmanualsonline.info/img/64/57246/w960_57246-0.png
LAND ROVER DISCOVERY 2002 Workshop Manual
Trending: hood open, length, turn signal bulb, alternator belt, navigation update, automatic transmission fluid, brake
Page 141 of 1672
ENGINE - TD5
12-1-2 DESCRIPTION AND OPERATION
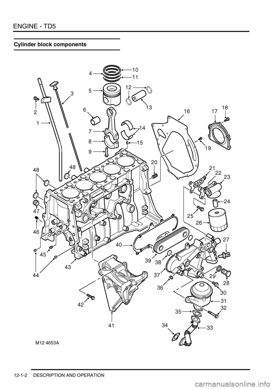
Cylinder block components
Page 142 of 1672

ENGINE - TD5
DESCRIPTION AND OPERATION 12-1-3
1Oil dipstick tube
2Screw – oil dipstick tube to camshaft carrier
3Oil dipstick
42nd piston ring
5Piston
6Small-end bush
7Connecting rod
8Big-end bearing cap
9Connecting rod bolt (2 off per connecting rod)
10Top piston ring
11Oil control ring
12Circlips (2 off per gudgeon pin)
13Gudgeon pin
14Big-end bearing shells
15Dowels – cylinder head (2 off)
16Clutch housing shim plate
17 Crankshaft rear oil seal and housing
18Screws – crankshaft seal housing to engine
block (5 off)
19Bolts – clutch housing shim plate to engine
block (2 off)
20Main oil gallery plug (rear)
21Oil filter adaptor gasket
22Oil filter adaptor thermostat
23Oil filter adaptor assembly
24Oil filter adaptor insert25Oil filter adaptor to cylinder block bolts (3 off)
26Oil filter
27Oil pressure switch
28Oil cooler banjo bolts (2 off)
29O-rings – oil cooler banjo bolts (2 off)
30Oil cooler to cylinder block bolts (7 off)
31Centrifuge assembly
32Centrifuge to cylinder block bolts (3 off)
33Centrifuge oil drain pipe
34Oil drain pipe to sump gasket
35Centrifuge to oil drain pipe gasket
36Oil cooler plugs (3 off)
37Oil cooler assembly
38Oil cooler matrix 'O-rings' (2 off)
39Oil cooler matrix
40Oil cooler gasket
41Coolant and PAS pump assembly bracket
42Bracket bolts (5 off + 1 stud/nut)
43Cylinder block
44Dowels to timing block cover (2 off)
45Oil gallery delivery plug
46Cross drilling plug
47Coolant jacket plug
48Core plugs (3 off)
Page 143 of 1672
ENGINE - TD5
12-1-4 DESCRIPTION AND OPERATION
Crankshaft, sump and oil pump
Page 144 of 1672

ENGINE - TD5
DESCRIPTION AND OPERATION 12-1-5
1Crankshaft pulley bolt
2TV Damper to crankshaft pulley bolts (3 off)
3TV Damper
4Crankshaft pulley
5Woodruff key
6Crankshaft
7Crankshaft to flywheel dowel
8Spigot bush
9Flywheel to crankshaft bolts (8 off)
10Flywheel assembly (Manual shown)
11Main bearing shells (6 pairs)
12Main bearing caps (6 off)
13Main bearing cap bolts (12 off)
14Thrust washer (2 off at No. 3 Main bearing)
15Piston lubrication jets (5 off)
16Piston lubrication jet cap head screw (5 off)
17Stiffener plate (oil pump integral)18Stiffener plate / oil pump assembly to cylinder
block bolts (22 off)
19Oil pick-up pipe O-ring
20Oil pick-up pipe inserts (2 x 6mm; 1 x 10mm)
21Upper oil pick-up pipe
22Oil pick-up pipe gauze
23Lower oil pick-up pipe
24Sump
25Oil drain plug seal
26Oil drain plug
27Sump to cylinder block bolts (20 off)
28Sump gasket
29Oil pick-up pipe bolts (3 off)
30Oil pump
31Chain lubrication jet
32Chain lubrication jet screw
33Stiffener to cylinder block dowel (2 off)
Page 145 of 1672
ENGINE - TD5
12-1-6 DESCRIPTION AND OPERATION
Cylinder head components
Page 146 of 1672

ENGINE - TD5
DESCRIPTION AND OPERATION 12-1-7
1Camshaft carrier
2Dowel – rocker shaft to camshaft carrier (1 off)
3Cylinder head bolts (12 off)
4Rocker shaft to camshaft carrier bolts (6 off)
5Rocker shaft
6Circlips (10 off)
7EUI Rocker arms (5 off)
8Camshaft carrier to cylinder head screws (13
off)
9Finger follower (10 off)
10Valve spring collets (20 off)
11Lash adjuster (10 off)
12Valve spring retainer (10 off)
13Valve spring (10 off)
14Valve stem seal (10 off)
15Valve guide (10 off)
16Valve seat insert (10 off)
17Inlet valve (5 off)
18Exhaust valve (5 off)
19Camshaft
20Camshaft bore seal (rear)21Coolant jacket core plug
22Cylinder head block
23Water jacket threaded plug
24Engine lifting bracket (LH)
25Engine lifting bracket bolts (2 off)
26Coolant outlet elbow to cylinder head bolts (3
off)
27Coolant outlet elbow
28Coolant outlet elbow gasket
29Cylinder head gasket
30Non-return valve (not removable, integral in
cylinder head)
31Camshaft bore end cap (front)
32End cap seal
33Cylinder head to cam carrier dowel (2 off)
34Engine lifting bracket (RH)
35Engine lifting bracket bolts (2 off)
Page 147 of 1672
ENGINE - TD5
12-1-8 DESCRIPTION AND OPERATION
Camshaft cover and engine cover
Page 148 of 1672
ENGINE - TD5
DESCRIPTION AND OPERATION 12-1-9
1Acoustic cover
2Oil filler flap
3Rear acoustic cover
4Rear acoustic cover inserts (2 off)
5Rear acoustic cover grommets (2 off)
6Rear acoustic cover screws (2 off)
7Acoustic cover grommets (3 off)
8Acoustic cover bolts (3 off)
9Camshaft cover isolators (13 off)
10Camshaft cover flange screws (13 off)
11Breather hose clip
12Breather hose
13Breather hose to breather valve clip
14Breather valve
15Camshaft cover seal
16Oil separator plate
17Oil separator plate gasket
18Camshaft cover
19Acoustic cover to camshaft cover seal
20Oil filler cap and seal
Page 149 of 1672
ENGINE - TD5
12-1-10 DESCRIPTION AND OPERATION
Camshaft timing chain components
Page 150 of 1672
ENGINE - TD5
DESCRIPTION AND OPERATION 12-1-11
1Vacuum pump stub pipe
2Cylinder head to timing chain cover bolt
3Cylinder head to timing chain cover nut
4Cylinder head to timing chain cover stud
5Tensioner assembly pivot screw
6Tensioner adjuster
7Tensioner arm assembly
8Duplex timing chain – crankshaft to camshaft
sprocket
9Camshaft sprocket bolts (3 off)
10Camshaft sprocket
11Fixed chain guide
12Fixed guide pin
13Fixed chain guide to cylinder block screws
14Oil pump drive chain
15Oil pump sprocket
16Oil pump sprocket screw
17Crankshaft sprockets
18Bearing to viscous fan shaft
19Viscous fan to cover bearing
20Circlip
21Hub – viscous fan to bearing flange
22Timing chain cover
23Timing chain cover to crankshaft seal
24Timing cover to cylinder head screws (8 off)
Trending: ignition, charging, low oil pressure, coolant reservoir, cooling system, fuse diagram, engine overheat