MITSUBISHI MONTERO 1987 1.G Workshop Manual
Manufacturer: MITSUBISHI, Model Year: 1987, Model line: MONTERO, Model: MITSUBISHI MONTERO 1987 1.GPages: 284, PDF Size: 14.74 MB
Page 211 of 284

ACCESSORY - Clock 8-191
CLOCK
REMOVAL AND INSTALLATION NOBMKAD
Removal steps
1. Knob
2. Plug
3. Center panel
4. Clock
16W1558
NOTE
Reverse the removal procedures to reinstall 1 STB Revision
Page 212 of 284

8-192 AUDIO SYSTEM - Specifications
AUDIO SYSTEM I
/
SPECIFICATIONS
GENERAL SPECIFICATIONS NOENB-
Items
Radio
Model
Receiving band
Tape player
Model
Speaker
Instrument panel
Model
Rated input power
Center pillar trim
Model.
Reted input power
Antenna
Type Spe,cifications
AR-7 127PY AR-7 177PY
AM/ FM AMI FM
-
CX-25Y
-_-
-
SR-28A4-Y K-2
5W (Max. 7W)
SG-13SL4-G2 (GRAY) or SG-13SL4-G2 (GRAY) or
SG-13SL4-BE87 (BEIGE) SG-13SL4-BE87 (BEIGE)
15W (Max. 30W) 15W (Max. 3OW)
Pole antenna Pole antenna
TROUBLESHOOTING
Symptom
NOTE
Number in circle indicates inspection sequence
( STB Revision
Page 213 of 284

AUDIO SYSTEM - Specifications 8-193
NOISE SOURCES
Source of Electrical System Noise
Ignition system
(1) Spark plug
(2) High tension cable
(3) Distributor Power generation system
(1) Ripple at contact between alternator
armature and carbon brush
(2) Spark from voltage regulator contact
!
Other electrical device
(1) Armature of wiper, blower and other
motors.
(2) Starter and switch when starting engine
(3) Spark from changeover switch
(4) Horn
(5) Contact of turn signal
(6) Loose contact of wiring harness
(7) Static electricity generated by tire or
generator drive-belt
(8) Voltage stability unit for instrument
Noise Sourse of Vehicle Equipment
Kind of noise
Whistling sound Equipment
Alternator Symptom of noise generation
Noise increases when accelerator pedal is
depressed and it subsides soon after engine
is stopped.
Scratching sound
Water temperature gauge unit Noise is produced while engine is running
and it persists for a while after engine
shutdown.
Fuel gauge unit Noise is produced at sudden acceleration,
driving on rough road or when ignition key is
placed to ON.
Jarring
Wish-wash,
wish-wash
Buzz, click Oil pressure switch
Flasher relay
Horn
Wiper motor
Washer motor Noise is produced with engine operation
and no noise is made when engine is idling.
Noise is produced with operation of turn
signal light
Noise is made when horn button is pressed
or released.
Whinning Noise is generated with the wiper speed.
Noise is made when washer is operated.
STB Revision
Page 214 of 284

8-194 AUDIO SYSTEM - Circuit Diagram
CIRCUIT DIAGRAM
I
RADIO/CASSETTE DECK CIRC,UIT
LW
033 w
Ignition switch
Battery A-02 IL-
Sub fusible link
0 1.25-B A-23 0.5-G 2 w
1 5-w 5-w ll5-w m -
u
Main fusible
link
N To light control
relav Z-RW 3 4
[Refer to P.8-461
Z-RW,,:
To air conditioner,LW
[Refer to P.8-561
To combination
By meter 4
[Refer to P.8-521
DIN Cable
I
/
J
I Y
=z
I
c- 45 -
It, /II
1 L
Radio Tape player
[ STB Revision
Page 215 of 284

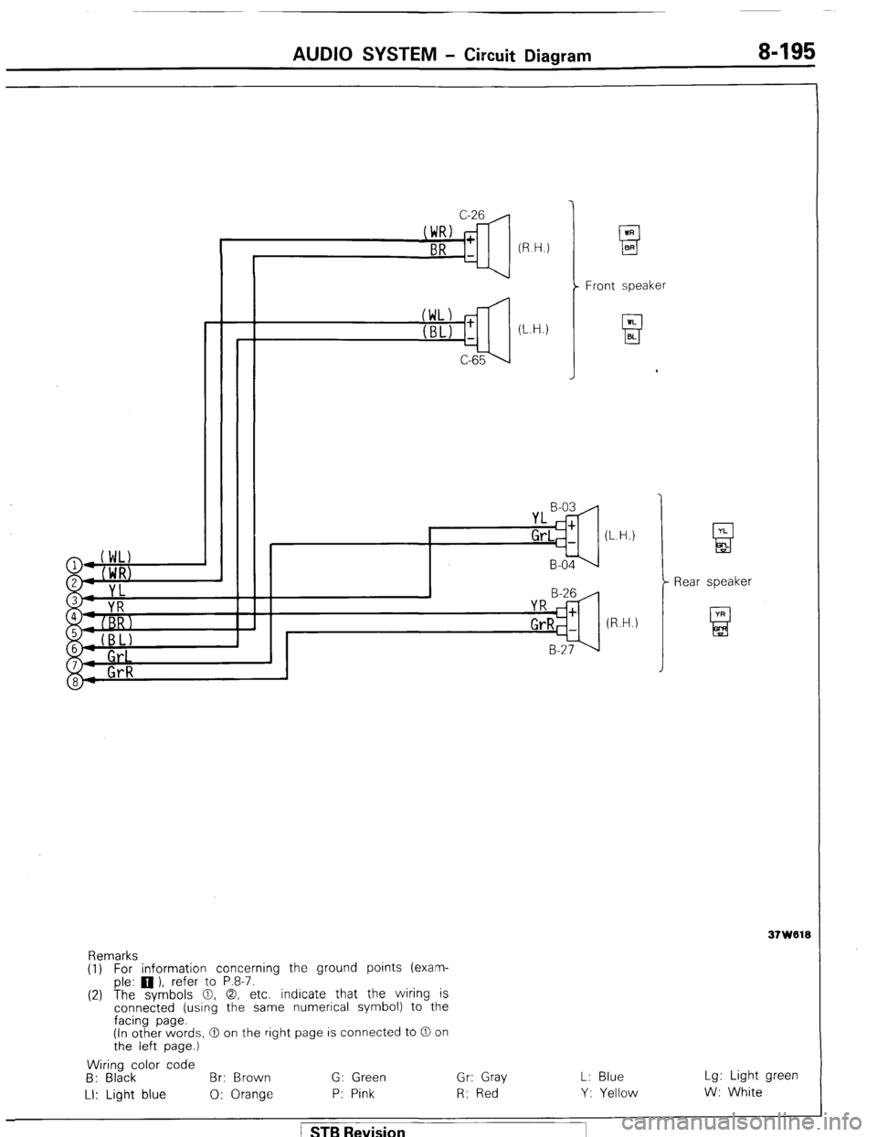
AUDIO SYSTEM - Circuit Diagram 8-195
(L.H.)
C-65 Front speaker
YL B-03
Gr,=: (L.H.)
B-04
B-29
YR c
GrRC+
(R.H.)
B-2?’
Remarks
(1) For information concerning the ground points (exam-
ple: 0 ), refer to P.8-7.
(2) The symbols 0, 0, etc. indicate that the wiring is
connected (using the same numerical symbol) to the
facing page.
(in other words, 0 on the right page is connected to 0 on
the left page.)
Wiring color code
B: Black Br: Brown G: Green Gr: Gray L: Blue
LI: Light blue 0: Orange P: Pink R: Red Y: Yellow Rear speaker
Lg: Light green
W: White
/ STB Revision
Page 216 of 284

8-196 AUDIO SYSTEM - Service Adjustment Procedures
SERVICE ADJUSTMENT PROCEDURES
ANTkNNA TRUMMER NOBNIAA
70R0351
1.
2.
3.
1.
2.
3.
4.
5. The antenna trimmer is essential for matching the antenna
with the radio in order to obtain the maximum sensitivity of
the radio.
It must be adjusted with the antenna actually mounted on
the vehicle. If the trimmer is not adjusted properly, the
radio suffers from not only low sensitivity but also noises,
su’ch as external noise and noise from passing vehicles.
In the following cases, therefore, adjust it as described
below.
(1) When radio is installed.
(2) If antenna is replaced.
(3) If radio has low sensitivity.
(4) If radio is noisy.
AkTENNA TRIMMER ADJUSTMENT
Mgke the following preparations for adjustment:
(1)’ Turn the ignition key to the “ACC” position.
(2) Extend the antenna all the way.
(3) Tune accurately to a station near 1,400 kHz in order to
receive a broadcast in as weak an electric field as can
be barely received. If there is no station near 1,400 kHz,
tune to any high-frequency station (above 1,000 kHz)
available. If there are two or more stations near 1,400
kHz, choose the louder one.
(4) Set the volume control to the proper volume.
(5) Set the tone ccontrol to treble position.
Be sure that preparations 1 through 5 have been correctly
made.
Insert a screwdriver into the trimmer adjusting hole.
Tumrn the screwdriver clockwise or counterclockwise for
maximum sensitivity (maximum broadcast wave sound).
If the optimum sensitivity point cannot be found, check for
an antenna malfunction or a broken wire.
NOTE
The antenna trimmer of an electronic tuning radio does not
require adjustment.
/ STB Revision
Page 217 of 284

AUDIO SYSTEM - Radio and Tape Player e-197
RADIO AND TAPE PLAYER
REMOVAL AND INSTALLATION NOINJAF
16W1519
Post-installation Operation l Adjustment of Antenna Trimmer
(Refer to P.8-196.) Removal steps
1. Knob
2. Plug
3. Center console
4. Connection of center panel wiring har-
ness to front wiring harness connector 7. Radio
8. Tape player
9. Box (Vehicles without tape player)
5. Radio panel
6. Radio bracket NOTE
Reverse the removal procedures to reinstall. 1 STB Revision
Page 218 of 284

8-198 AUDIO SYSTEM - Front Speaker / Rear Speaker
FRONT SPEAKER
REMOVAL AND INSTALLATION NOONMAE
Removal steps
1. Mounting screws
2. Front speaker
NOTE
Reverse the removal procedures to reinstall. 16W1520
REAR SPEAKER
REMOVAL AND INSTALLATION
16Wl570
Removal steps
1. Mounting screws
2. Rear speaker
NOTE
Reverse the removal procedures to reinstal
1 STB Revision
Page 219 of 284

AUDIO SYSTEM - Antenna 8-199
ANTENNA
REMOVAL AND INSTALLATION NOSNPAC
Removal steps
4* 1. Mounting nut
2. Antenna mast
+e w+ 3. Front fender panel
4. Ground base
5. Antenna base
NOTE
(1) Reverse the removal procedures to reinstall.
(2) +* : Refer to “Service Points of Removal”.
(3) l
* : Refer to “Service Points of Installation”
16W1579
SERVICE POINTS OF REMOVAL
1. REMOVAL OF MOUNTING NUT
Hold the antenna
mast, and then remove the mounting
Page 220 of 284

8-200 AUDIO SYSTEM - Antenna/Noise Suppression
3. REMOVAL OF FRONT FENDER PANEL
Refer to GROUP 23 Body-Front Fender
SEFiVlCE ff OINTS OF INSTALLATION
3. IbSTALLATION OF FRONT FENDER PANEL
Refer to GROUP 23 Body-Front Fender.
NOISE SWPRESSION N08NOAA
I. Noise interfering with radio reception may be roughly
classified as follows:
(1) Noise produced by the vehicle itself
Noise from the ignition circuit, alternator circuit, etc
(2) Noise generated in the radio itself
Thermal noise from transistors, IC, resistor, etc.
(3) Atmospheric noise
Noise from other cars, neon signs, etc.
2. The radio has devices to suppress noise of the radio itsel f
3. and atmospheric noise, but it is difficult to eliminate them
completely. Noise produced by the vehicle includes whin-
ing from the alternator system, and a strong, impulsive,
fast popping noise from the ignition system.
Before performing any checking or adjustments, first
confirm the following points.
Adjust the antenna trimmer completely.
Set the push buttons (tuning) properly.
Extend the antenna all the way.
PREVENTION OF IGNITION CIRCUIT NOISE
A resistance-equipped cable is used for the high-tension cable
in order to prevent noise; however, if any noise from the
ignition circuit does occur, check the tightness and ground
connection of the positive (+) terminal of the noise filter, and,
if necessary, check the noise filter.
Caution
Be careful not to connect the noise filter to the hightension
cable; doing so could damage the noise filter.
PREVENTION OF OTHER CIRCUIT NOISE
1. For other noises, take necessary corrective actions in
accordance with the following items and the NOISE
SUPPRESSION CHART.
2. Polish the grounding cable terminal, and connect it proper-
ly.
3. Polish the pillar antenna ground terminal, and connect it
properly.
4. Ground electric parts completely.
5. Keep the antenna cable and speaker lead wire away from
other electric wiring.
STB Revision