NISSAN X-TRAIL 2003 Electronic Repair Manual
Manufacturer: NISSAN, Model Year: 2003, Model line: X-TRAIL, Model: NISSAN X-TRAIL 2003Pages: 3066, PDF Size: 51.47 MB
Page 1311 of 3066
![NISSAN X-TRAIL 2003 Electronic Repair Manual DTC P0171 FUEL INJECTION SYSTEM FUNCTION
EC-197
[QR (WITH EURO-OBD)]
C
D
E
F
G
H
I
J
K
L
MA
EC
Diagnostic ProcedureEBS00B5D
1.CHECK EXHAUST AIR LEAK
1. Start engine and run it at idle.
2. Listen for a NISSAN X-TRAIL 2003 Electronic Repair Manual DTC P0171 FUEL INJECTION SYSTEM FUNCTION
EC-197
[QR (WITH EURO-OBD)]
C
D
E
F
G
H
I
J
K
L
MA
EC
Diagnostic ProcedureEBS00B5D
1.CHECK EXHAUST AIR LEAK
1. Start engine and run it at idle.
2. Listen for a](/img/5/57402/w960_57402-1310.png)
DTC P0171 FUEL INJECTION SYSTEM FUNCTION
EC-197
[QR (WITH EURO-OBD)]
C
D
E
F
G
H
I
J
K
L
MA
EC
Diagnostic ProcedureEBS00B5D
1.CHECK EXHAUST AIR LEAK
1. Start engine and run it at idle.
2. Listen for an exhaust air leak before three way catalyst.
OK or NG
OK >> GO TO 2.
NG >> Repair or replace.
2.CHECK FOR INTAKE AIR LEAK AND PCV HOSE
1. Listen for an intake air leak after the mass air flow sensor.
2. Check PCV hose connection.
OK or NG
OK >> GO TO 3.
NG >> Repair or replace.
3.CHECK HEATED OXYGEN SENSOR 1 CIRCUIT FOR OPEN AND SHORT
1. Turn ignition switch “OFF”.
2. Disconnect corresponding heated oxygen sensor 1 (HO2S1) harness connector.
3. Disconnect ECM harness connector.
4. Check harness continuity between ECM terminal 92 and HO2S1 terminal 2.
Refer to Wiring Diagram.
5. Check harness continuity between ECM terminal 92 or HO2S1 terminal 2 and ground.
Refer to Wiring Diagram.
6. Also check harness for short to power.
OK or NG
OK >> GO TO 4.
NG >> Repair open circuit or short to ground or short to power in harness or connectors.
4.CHECK FUEL PRESSURE
1. Release fuel pressure to zero. Refer toEC-34, "
FUEL PRESSURE RELEASE".
2. Install fuel pressure gauge and check fuel pressure. Refer toEC-34, "
FUEL PRESSURE CHECK".
OK or NG
OK >> GO TO 5.
NG >> Follow the construction of "FUEL PRESSURE CHECK".
SEF099P
Continuity should exist.
Continuity should not exist.
At idling: Approximately 350 kPa (3.5 bar, 3.7 kg/cm
2,51psi)
Page 1312 of 3066
![NISSAN X-TRAIL 2003 Electronic Repair Manual EC-198
[QR (WITH EURO-OBD)]
DTC P0171 FUEL INJECTION SYSTEM FUNCTION
5.CHECK MASS AIR FLOW SENSOR
With CONSULT-II
1. Install all removed parts.
2. Check “MASS AIR FLOW” in “DATA MONITOR” mode NISSAN X-TRAIL 2003 Electronic Repair Manual EC-198
[QR (WITH EURO-OBD)]
DTC P0171 FUEL INJECTION SYSTEM FUNCTION
5.CHECK MASS AIR FLOW SENSOR
With CONSULT-II
1. Install all removed parts.
2. Check “MASS AIR FLOW” in “DATA MONITOR” mode](/img/5/57402/w960_57402-1311.png)
EC-198
[QR (WITH EURO-OBD)]
DTC P0171 FUEL INJECTION SYSTEM FUNCTION
5.CHECK MASS AIR FLOW SENSOR
With CONSULT-II
1. Install all removed parts.
2. Check “MASS AIR FLOW” in “DATA MONITOR” mode with CONSULT-II.
With GST
1. Install all removed parts.
2. Check mass air flow sensor signal in MODE 1 with GST.
OK or NG
OK >> GO TO 6.
NG >> Check connectors for rusted terminals or loose connections in the mass air flow sensor circuit or
engine grounds. Refer toEC-130, "
DTC P0102, P0103 MAF SENSOR".
6.CHECK FUNCTION OF INJECTORS
With CONSULT-II
1. Start engine.
2. Perform “POWER BALANCE” in “ACTIVE TEST” mode with
CONSULT-II.
3. Make sure that each circuit produces a momentary engine
speed drop.
Without CONSULT-II
1. Start engine.
2. Listen to each injector operating sound.
OK or NG
OK >> GO TO 7.
NG >> Perform trouble diagnosis for “INJECTORS”,EC-343
. 1.0 - 4.0 g·m/sec: at idling
4.0 - 10 g·m/sec: at 2,500 rpm
1.0 - 4.0 g·m/sec: at idling
4.0 - 10 g·m/sec: at 2,500 rpm
PBIB0133E
Clicking noise should be heard.
MEC703B
Page 1313 of 3066
![NISSAN X-TRAIL 2003 Electronic Repair Manual DTC P0171 FUEL INJECTION SYSTEM FUNCTION
EC-199
[QR (WITH EURO-OBD)]
C
D
E
F
G
H
I
J
K
L
MA
EC
7.CHECK INJECTOR
1. Confirm that the engine is cooled down and there are no fire hazards near the vehicle NISSAN X-TRAIL 2003 Electronic Repair Manual DTC P0171 FUEL INJECTION SYSTEM FUNCTION
EC-199
[QR (WITH EURO-OBD)]
C
D
E
F
G
H
I
J
K
L
MA
EC
7.CHECK INJECTOR
1. Confirm that the engine is cooled down and there are no fire hazards near the vehicle](/img/5/57402/w960_57402-1312.png)
DTC P0171 FUEL INJECTION SYSTEM FUNCTION
EC-199
[QR (WITH EURO-OBD)]
C
D
E
F
G
H
I
J
K
L
MA
EC
7.CHECK INJECTOR
1. Confirm that the engine is cooled down and there are no fire hazards near the vehicle.
2. Turn ignition switch “OFF”.
3. Disconnect injector harness connectors.
4. Remove injector gallery assembly. Refer toEM-29, "
FUEL INJECTOR AND FUEL TUBE".
Keep fuel hose and all injectors connected to injector gallery.
The injector harness connectors should remain connected.
5. Disconnect all ignition coil harness connectors.
6. Prepare pans or saucers under each injector.
7. Crank engine for about 3 seconds. Make sure that fuel sprays
out from injectors.
OK or NG
OK >> GO TO 8.
NG >> Replace injectors from which fuel does not spray out.
Always replace O-ring with new ones.
8.CHECK INTERMITTENT INCIDENT
Refer toEC-107, "
TROUBLE DIAGNOSIS FOR INTERMITTENT INCIDENT".
>>INSPECTION END Fuel should be sprayed evenly for each injector.
SEF595Q
Page 1314 of 3066
![NISSAN X-TRAIL 2003 Electronic Repair Manual EC-200
[QR (WITH EURO-OBD)]
DTC P0172 FUEL INJECTION SYSTEM FUNCTION
DTC P0172 FUEL INJECTION SYSTEM FUNCTION
PFP:16600
On Board Diagnosis LogicEBS00B5E
With the Air/Fuel Mixture Ratio Self-Learning C NISSAN X-TRAIL 2003 Electronic Repair Manual EC-200
[QR (WITH EURO-OBD)]
DTC P0172 FUEL INJECTION SYSTEM FUNCTION
DTC P0172 FUEL INJECTION SYSTEM FUNCTION
PFP:16600
On Board Diagnosis LogicEBS00B5E
With the Air/Fuel Mixture Ratio Self-Learning C](/img/5/57402/w960_57402-1313.png)
EC-200
[QR (WITH EURO-OBD)]
DTC P0172 FUEL INJECTION SYSTEM FUNCTION
DTC P0172 FUEL INJECTION SYSTEM FUNCTION
PFP:16600
On Board Diagnosis LogicEBS00B5E
With the Air/Fuel Mixture Ratio Self-Learning Control, the actual mixture ratio can be brought closely to the
theoretical mixture ratio based on the mixture ratio feedback signal from the heated oxygen sensors 1. The
ECM calculates the necessary compensation to correct the offset between the actual and the theoretical
ratios.
In case the amount of the compensation value is extremely large (The actual mixture ratio is too rich.), the
ECM judges the condition as the fuel injection system malfunction and light up the MI (2 trip detection logic).
DTC Confirmation ProcedureEBS00B5F
NOTE:
If “DTC Confirmation Procedure” has been previously conducted, always turn ignition switch “OFF” and wait at
least 10 seconds before conducting the next test.
WITH CONSULT-II
1. Start engine and warm it up to normal operating temperature.
2. Turn ignition switch “OFF” and wait at least 10 seconds.
3. Turn ignition switch “ON” and select “SELF-LEARNING CONT” in “WORK SUPPORT” mode with CON-
SULT-II.
4. Clear the self-learning control coefficient by touching “CLEAR”.
5. Select “DATA MONITOR” mode with CONSULT-II.
6. Start engine again and let it idle for at least 10 minutes.
The 1st trip DTC P0172 should be detected at this stage, if a
malfunction exists. If so, go toEC-203, "
Diagnostic Procedure".
7. If it is difficult to start engine at step 6, the fuel injection system
has a malfunction, too.
8. Crank engine while depressing accelerator pedal.
If engine starts, go toEC-203, "
Diagnostic Procedure". If engine
does not start, remove ignition plugs and check for fouling, etc.
WITH GST
1. Start engine and warm it up to normal operating temperature.
2. Turn ignition switch “OFF” and wait at least 10 seconds.
Sensor Input Signal to ECMECM
functionActuator
Heated oxygen sensors 1Density of oxygen in exhaust gas
(Mixture ratio feedback signal)Fuel injec-
tion controlFuel injectors
DTC No.Trouble diagnosis
nameDTC detecting condition Possible cause
P0172
0172Fuel injection system
too rich
lFuel injection system does not operate properly.
lThe amount of mixture ratio compensation is too
large.
(The mixture ratio is too rich.)
lHeated oxygen sensor 1
lInjectors
lExhaust gas leaks
lIncorrect fuel pressure
lMass air flow sensor
SEF215Z
Page 1315 of 3066
![NISSAN X-TRAIL 2003 Electronic Repair Manual DTC P0172 FUEL INJECTION SYSTEM FUNCTION
EC-201
[QR (WITH EURO-OBD)]
C
D
E
F
G
H
I
J
K
L
MA
EC
3. Disconnect mass air flow sensor harness connector. Then
restart and run engine for at least 5 seconds NISSAN X-TRAIL 2003 Electronic Repair Manual DTC P0172 FUEL INJECTION SYSTEM FUNCTION
EC-201
[QR (WITH EURO-OBD)]
C
D
E
F
G
H
I
J
K
L
MA
EC
3. Disconnect mass air flow sensor harness connector. Then
restart and run engine for at least 5 seconds](/img/5/57402/w960_57402-1314.png)
DTC P0172 FUEL INJECTION SYSTEM FUNCTION
EC-201
[QR (WITH EURO-OBD)]
C
D
E
F
G
H
I
J
K
L
MA
EC
3. Disconnect mass air flow sensor harness connector. Then
restart and run engine for at least 5 seconds at idle speed.
4. Stop engine and reconnect mass air flow sensor harness con-
nector.
5. Select “MODE 7” with GST. Make sure 1st trip DTC P0102 is
detected.
6. Select “MODE 4” with GST and erase the 1st trip DTC P0102.
7. Start engine again and let it idle for at least 10 minutes.
8. Select “MODE 7” with GST. The 1st trip DTC P0172 should be
detected at this stage, if a malfunction exists. If so, go toEC-
203, "Diagnostic Procedure".
9. If it is difficult to start engine at step 7, the fuel injection system has a malfunction.
10. Crank engine while depressing accelerator pedal.
If engine starts, go toEC-203, "
Diagnostic Procedure". If engine does not start, check exhaust and intake
air leak visually.
PBIB0495E
Page 1316 of 3066
![NISSAN X-TRAIL 2003 Electronic Repair Manual EC-202
[QR (WITH EURO-OBD)]
DTC P0172 FUEL INJECTION SYSTEM FUNCTION
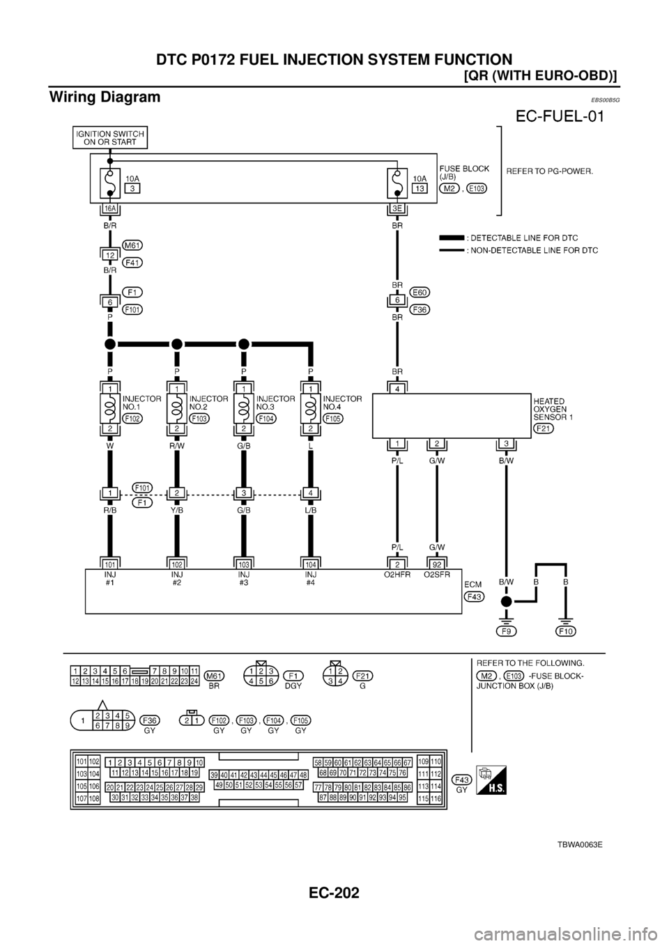
Wiring Diagram
EBS00B5G
TBWA0063E NISSAN X-TRAIL 2003 Electronic Repair Manual EC-202
[QR (WITH EURO-OBD)]
DTC P0172 FUEL INJECTION SYSTEM FUNCTION
Wiring Diagram
EBS00B5G
TBWA0063E](/img/5/57402/w960_57402-1315.png)
EC-202
[QR (WITH EURO-OBD)]
DTC P0172 FUEL INJECTION SYSTEM FUNCTION
Wiring Diagram
EBS00B5G
TBWA0063E
Page 1317 of 3066
![NISSAN X-TRAIL 2003 Electronic Repair Manual DTC P0172 FUEL INJECTION SYSTEM FUNCTION
EC-203
[QR (WITH EURO-OBD)]
C
D
E
F
G
H
I
J
K
L
MA
EC
Diagnostic ProcedureEBS00B5H
1.CHECK EXHAUST AIR LEAK
1. Start engine and run it at idle.
2. Listen for a NISSAN X-TRAIL 2003 Electronic Repair Manual DTC P0172 FUEL INJECTION SYSTEM FUNCTION
EC-203
[QR (WITH EURO-OBD)]
C
D
E
F
G
H
I
J
K
L
MA
EC
Diagnostic ProcedureEBS00B5H
1.CHECK EXHAUST AIR LEAK
1. Start engine and run it at idle.
2. Listen for a](/img/5/57402/w960_57402-1316.png)
DTC P0172 FUEL INJECTION SYSTEM FUNCTION
EC-203
[QR (WITH EURO-OBD)]
C
D
E
F
G
H
I
J
K
L
MA
EC
Diagnostic ProcedureEBS00B5H
1.CHECK EXHAUST AIR LEAK
1. Start engine and run it at idle.
2. Listen for an exhaust air leak before three way catalyst.
OK or NG
OK >> GO TO 2.
NG >> Repair or replace.
2.CHECK FOR INTAKE AIR LEAK
Listen for an intake air leak after the mass air flow sensor.
OK or NG
OK >> GO TO 3.
NG >> Repair or replace.
3.CHECK HEATED OXYGEN SENSOR 1 CIRCUIT FOR OPEN AND SHORT
1. Turn ignition switch “OFF”.
2. Disconnect corresponding heated oxygen sensor 1 (HO2S1) harness connector.
3. Disconnect ECM harness connector.
4. Check harness continuity between ECM terminal 92 and HO2S1 terminal 2.
Refer to Wiring Diagram.
5. Check harness continuity between ECM terminal 92 or HO2S1 terminal 2 and ground.
Refer to Wiring Diagram.
6. Also check harness for short to power.
OK or NG
OK >> GO TO 4.
NG >> Repair open circuit or short to ground or short to power in harness or connectors.
4.CHECK FUEL PRESSURE
1. Release fuel pressure to zero. Refer toEC-34, "
FUEL PRESSURE RELEASE".
2. Install fuel pressure gauge and check fuel pressure. Refer toEC-34, "
FUEL PRESSURE CHECK".
OK or NG
OK >> GO TO 5.
NG >> Follow the construction of "FUEL PRESSURE CHECK".
SEF099P
Continuity should exist.
Continuity should not exist.
At idling: 350 kPa (3.5 bar, 3.7 kg/cm2, 51 psi)
Page 1318 of 3066
![NISSAN X-TRAIL 2003 Electronic Repair Manual EC-204
[QR (WITH EURO-OBD)]
DTC P0172 FUEL INJECTION SYSTEM FUNCTION
5.CHECK MASS AIR FLOW SENSOR
With CONSULT-II
1. Install all removed parts.
2. Check “MASS AIR FLOW” in “DATA MONITOR” mode NISSAN X-TRAIL 2003 Electronic Repair Manual EC-204
[QR (WITH EURO-OBD)]
DTC P0172 FUEL INJECTION SYSTEM FUNCTION
5.CHECK MASS AIR FLOW SENSOR
With CONSULT-II
1. Install all removed parts.
2. Check “MASS AIR FLOW” in “DATA MONITOR” mode](/img/5/57402/w960_57402-1317.png)
EC-204
[QR (WITH EURO-OBD)]
DTC P0172 FUEL INJECTION SYSTEM FUNCTION
5.CHECK MASS AIR FLOW SENSOR
With CONSULT-II
1. Install all removed parts.
2. Check “MASS AIR FLOW” in “DATA MONITOR” mode with CONSULT-II.
With GST
1. Install all removed parts.
2. Check mass air flow sensor signal in MODE 1 with GST.
OK or NG
OK >> GO TO 6.
NG >> Check connectors for rusted terminals or loose connections in the mass air flow sensor circuit or
engine grounds. Refer toEC-130, "
DTC P0102, P0103 MAF SENSOR".
6.CHECK FUNCTION OF INJECTORS
With CONSULT-II
1. Start engine.
2. Perform “POWER BALANCE” in “ACTIVE TEST” mode with
CONSULT-II.
3. Make sure that each circuit produces a momentary engine
speed drop.
Without CONSULT-II
1. Start engine.
2. Listen to each injector operating sound.
OK or NG
OK >> GO TO 7.
NG >> Perform trouble diagnosis for “INJECTORS”,EC-343
. 1.0 - 4.0 g·m/sec: at idling
4.0 - 10 g·m/sec: at 2,500 rpm
1.0 - 4.0 g·m/sec: at idling
4.0 - 10 g·m/sec: at 2,500 rpm
PBIB0133E
Clicking noise should be heard.
MEC703B
Page 1319 of 3066
![NISSAN X-TRAIL 2003 Electronic Repair Manual DTC P0172 FUEL INJECTION SYSTEM FUNCTION
EC-205
[QR (WITH EURO-OBD)]
C
D
E
F
G
H
I
J
K
L
MA
EC
7.CHECK INJECTOR
1. Remove injector assembly. Refer toEM-29, "
FUEL INJECTOR AND FUEL TUBE".
Keep fuel ho NISSAN X-TRAIL 2003 Electronic Repair Manual DTC P0172 FUEL INJECTION SYSTEM FUNCTION
EC-205
[QR (WITH EURO-OBD)]
C
D
E
F
G
H
I
J
K
L
MA
EC
7.CHECK INJECTOR
1. Remove injector assembly. Refer toEM-29, "
FUEL INJECTOR AND FUEL TUBE".
Keep fuel ho](/img/5/57402/w960_57402-1318.png)
DTC P0172 FUEL INJECTION SYSTEM FUNCTION
EC-205
[QR (WITH EURO-OBD)]
C
D
E
F
G
H
I
J
K
L
MA
EC
7.CHECK INJECTOR
1. Remove injector assembly. Refer toEM-29, "
FUEL INJECTOR AND FUEL TUBE".
Keep fuel hose and all injectors connected to injector gallery.
2. Confirm that the engine is cooled down and there are no fire hazards near the vehicle.
3. Disconnect injector harness connectors.
The injector harness connectors should remain connected.
4. Disconnect all ignition coil harness connectors.
5. Prepare pans or saucers under each injectors.
6. Crank engine for about 3 seconds.
Make sure fuel does not drip from injector.
OK or NG
OK (Does not drip.)>>GO TO 8.
NG (Drips.)>>Replace the injectors from which fuel is dripping. Always replace O-ring with new one.
8.CHECK INTERMITTENT INCIDENT
Refer toEC-107, "
TROUBLE DIAGNOSIS FOR INTERMITTENT INCIDENT".
>>INSPECTION END
Page 1320 of 3066
![NISSAN X-TRAIL 2003 Electronic Repair Manual EC-206
[QR (WITH EURO-OBD)]
DTC P0300 - P0304 MULTIPLE CYLINDER MISFIRE, NO. 1 - 4 CYLINDER MIS-
FIRE
DTC P0300 - P0304 MULTIPLE CYLINDER MISFIRE, NO. 1 - 4 CYLINDER MIS-
FIRE
PFP:00000
On Board Diagn NISSAN X-TRAIL 2003 Electronic Repair Manual EC-206
[QR (WITH EURO-OBD)]
DTC P0300 - P0304 MULTIPLE CYLINDER MISFIRE, NO. 1 - 4 CYLINDER MIS-
FIRE
DTC P0300 - P0304 MULTIPLE CYLINDER MISFIRE, NO. 1 - 4 CYLINDER MIS-
FIRE
PFP:00000
On Board Diagn](/img/5/57402/w960_57402-1319.png)
EC-206
[QR (WITH EURO-OBD)]
DTC P0300 - P0304 MULTIPLE CYLINDER MISFIRE, NO. 1 - 4 CYLINDER MIS-
FIRE
DTC P0300 - P0304 MULTIPLE CYLINDER MISFIRE, NO. 1 - 4 CYLINDER MIS-
FIRE
PFP:00000
On Board Diagnosis LogicEBS00B5I
When a misfire occurs, engine speed will fluctuate. If the engine speed fluctuates enough to cause the crank-
shaft position (CKP) sensor (POS) signal to vary, ECM can determine that a misfire is occurring.
The misfire detection logic consists of the following two conditions.
1. One Trip Detection Logic (Three Way Catalyst Damage)
On the first trip that a misfire condition occurs that can damage the three way catalyst (TWC) due to over-
heating, the MI will blink.
When a misfire condition occurs, the ECM monitors the CKP sensor (POS) signal every 200 engine revo-
lutions for a change.
When the misfire condition decreases to a level that will not damage the TWC, the MI will turn off.
If another misfire condition occurs that can damage the TWC on a second trip, the MI will blink.
When the misfire condition decreases to a level that will not damage the TWC, the MI will remain on.
If another misfire condition occurs that can damage the TWC, the MI will begin to blink again.
2. Two Trip Detection Logic (Exhaust quality deterioration)
For misfire conditions that will not damage the TWC (but will affect vehicle emissions), the MI will only light
when the misfire is detected on a second trip. During this condition, the ECM monitors the CKP sensor
signal every 1,000 engine revolutions.
A misfire malfunction can be detected on any one cylinder or on multiple cylinders.
DTC Confirmation ProcedureEBS00B5J
CAUTION:
Always drive vehicle at a safe speed.
NOTE:
If “DTC Confirmation Procedure” has been previously conducted, always turn ignition switch “OFF” and wait at
least 10 seconds before conducting the next test.
WITH CONSULT-II
1. Turn ignition switch “ON”, and select “DATA MONITOR” mode with CONSULT-II.
2. Start engine and warm it up to normal operating temperature.
3. Turn ignition switch “OFF” and wait at least 10 seconds.
Sensor Input Signal to ECM ECM function
Crankshaft position sensor (POS) Engine speed On board diagnosis of misfire
DTC No. Trouble diagnosis name DTC detecting condition Possible cause
P0300
0300Multiple cylinder misfire
detectedMultiple cylinder misfire.
lImproper spark plug
lInsufficient compression
lIncorrect fuel pressure
lThe injector circuit is open or shorted
lFuel injectors
lIntake air leak
lThe ignition signal circuit is open or
shorted
lLack of fuel
lDrive plate or flywheel
lHeated oxygen sensor 1 P0301
0301No.1 cylinder misfire
detectedNo. 1 cylinder misfires.
P0302
0302No. 2 cylinder misfire
detectedNo. 2 cylinder misfires.
P0303
0303No. 3 cylinder misfire
detectedNo. 3 cylinder misfires.
P0304
0304No. 4 cylinder misfire
detectedNo. 4 cylinder misfires.