NISSAN X-TRAIL 2003 Electronic Repair Manual
Manufacturer: NISSAN, Model Year: 2003, Model line: X-TRAIL, Model: NISSAN X-TRAIL 2003Pages: 3066, PDF Size: 51.47 MB
Page 1301 of 3066
![NISSAN X-TRAIL 2003 Electronic Repair Manual DTC P0139 HO2S2
EC-187
[QR (WITH EURO-OBD)]
C
D
E
F
G
H
I
J
K
L
MA
EC
DTC P0139 HO2S2PFP:226A0
Component DescriptionEBS00B50
The heated oxygen sensor 2, after three way catalyst, monitors the
oxygen l NISSAN X-TRAIL 2003 Electronic Repair Manual DTC P0139 HO2S2
EC-187
[QR (WITH EURO-OBD)]
C
D
E
F
G
H
I
J
K
L
MA
EC
DTC P0139 HO2S2PFP:226A0
Component DescriptionEBS00B50
The heated oxygen sensor 2, after three way catalyst, monitors the
oxygen l](/img/5/57402/w960_57402-1300.png)
DTC P0139 HO2S2
EC-187
[QR (WITH EURO-OBD)]
C
D
E
F
G
H
I
J
K
L
MA
EC
DTC P0139 HO2S2PFP:226A0
Component DescriptionEBS00B50
The heated oxygen sensor 2, after three way catalyst, monitors the
oxygen level in the exhaust gas on each bank.
Evenifswitchingcharacteristicsoftheheatedoxygensensor1are
shifted, the air fuel ratio is controlled to stoichiometric, by the signal
from the heated oxygen sensor 2.
This sensor is made of ceramic zirconia. The zirconia generates volt-
age from approximately 1V in richer conditions to 0V in leaner condi-
tions.
Under normal conditions the heated oxygen sensor 2 is not used for
engine control operation.
CONSULT-II Reference Value in Data Monitor ModeEBS00B51
Specification data are reference values.
ECM Terminals and Reference ValueEBS00B52
Specification data are reference values and are measured between each terminal and body ground.
CAUTION:
Do not use ECM ground terminals when measuring input/output voltage. Doing so may result in dam-
age to the ECM's transistor. Use a ground other than ECM terminals, such as the ground.
On Board Diagnosis LogicEBS00B53
The heated oxygen sensor 2 has a much longer switching time
between rich and lean than the heated oxygen sensor 1. The oxygen
storage capacity before the three way catalyst causes the longer
switching time. To judge the malfunctions of heated oxygen sensor
2, ECM monitors whether the switching response of the sensor's
voltage is faster than specified during the various driving condition
such as fuel-cut.
SEF327R
MONITOR ITEM CONDITION SPECIFICATION
HO2S2 (B1)
lEngine: After warming upRevvingenginefromidleto3,000
rpm quickly.0-0.3V¨Approx. 0.6 - 1.0V
HO2S2 MNTR (B1)
lEngine: After warming upRevvingenginefromidleto3,000
rpm quickly.LEAN¨RICH
TER-
MINAL
NO.WIRE
COLORITEM CONDITION DATA (DC Voltage)
95 OR/BHeated oxygen sen-
sor 2[Engineisrunning]
lWarm-up condition
lEngine speed is 2,000 rpm.0 - Approximately 1.0V
SEF302U
Page 1302 of 3066
![NISSAN X-TRAIL 2003 Electronic Repair Manual EC-188
[QR (WITH EURO-OBD)]
DTC P0139 HO2S2
DTC Confirmation Procedure
EBS00B54
CAUTION:
Always drive vehicle at a safe speed.
NOTE:
l“COMPLETED” will appear on CONSULT-II screen when all tests NISSAN X-TRAIL 2003 Electronic Repair Manual EC-188
[QR (WITH EURO-OBD)]
DTC P0139 HO2S2
DTC Confirmation Procedure
EBS00B54
CAUTION:
Always drive vehicle at a safe speed.
NOTE:
l“COMPLETED” will appear on CONSULT-II screen when all tests](/img/5/57402/w960_57402-1301.png)
EC-188
[QR (WITH EURO-OBD)]
DTC P0139 HO2S2
DTC Confirmation Procedure
EBS00B54
CAUTION:
Always drive vehicle at a safe speed.
NOTE:
l“COMPLETED” will appear on CONSULT-II screen when all tests “COND1”, “COND2” and
“COND3” are completed.
lIf “DTC Confirmation Procedure” has been previously conducted, always turn ignition switch “OFF” and
wait at least 10 seconds before conducting the next test.
TESTING CONDITION:
Never stop engine during this procedure. If the engine is stopped, retry this procedure from step 2 in
“Procedure for COND1”.
WITH CONSULT-II
Procedure for COND1
1. Start engine and warm it up to normal operating temperature.
2. Turn ignition switch “OFF” and wait at least 10 seconds.
3. Turn ignition switch “ON” and select “HO2S2 (B1) P0139” of “HO2S2” in “DTC WORK SUPPORT” mode
with CONSULT-II.
4. Touch “START”.
5. Start engine and let it idle for at least 30 seconds.
6. Rev engine up to 2,000 rpm 2 or 3 times quickly under no load.
If “COMPLETED” appears on CONSULT-II screen, go to step 2 in “Procedure for COND3”.
If “COMPLETED” does not appear on CONSULT-II screen, go to the following step.
7. Drive vehicle at a speed of more than 70km/h (43 MPH) for 2 consecutive minutes.
8. When the following conditions are met, “TESTING” will be displayed at “COND1” on the CONSULT-II
screen. Maintain the conditions continuously until “TESTING” changes to “COMPLETED”. (It will take
approximately 60 seconds.)
NOTE:
lIf “TESTING” is not displayed after 5 minutes, retry from step 2 in “Procedure for COND1”.
DTC No. Trouble diagnosis name DTC detecting condition Possible cause
P0139
0139Heated oxygen sensor
2 circuit slow responseIt takes more time for the sensor to respond
between rich and lean than the specified time.
lHarness or connectors
(The sensor circuit is open or shorted)
lHeated oxygen sensor 2
lFuel pressure
lInjectors
lIntake air leaks
ENG SPEED More than 1,000 rpm
B/FUEL SCHDL More than 1.0 msec
COOLANT TEMP/S 70 - 105°C
Selector level Suitable position
PBIB0552E
Page 1303 of 3066
![NISSAN X-TRAIL 2003 Electronic Repair Manual DTC P0139 HO2S2
EC-189
[QR (WITH EURO-OBD)]
C
D
E
F
G
H
I
J
K
L
MA
EC
lIf “COMPLETED” already appears at “COND2” on CONSULT-II screen before “Procedure for
COND2” is conducted, it is unnec NISSAN X-TRAIL 2003 Electronic Repair Manual DTC P0139 HO2S2
EC-189
[QR (WITH EURO-OBD)]
C
D
E
F
G
H
I
J
K
L
MA
EC
lIf “COMPLETED” already appears at “COND2” on CONSULT-II screen before “Procedure for
COND2” is conducted, it is unnec](/img/5/57402/w960_57402-1302.png)
DTC P0139 HO2S2
EC-189
[QR (WITH EURO-OBD)]
C
D
E
F
G
H
I
J
K
L
MA
EC
lIf “COMPLETED” already appears at “COND2” on CONSULT-II screen before “Procedure for
COND2” is conducted, it is unnecessary to conduct step 1 in “Procedure for COND2”.
Procedure for COND2
1. While driving, release accelerator pedal completely with “OD”
OFF (A/T models only) from the above condition [step 8] until
“INCOMPLETE” at “COND2” on CONSULT-II screen has turned
to “COMPLETED”. (It will take approximately 4 seconds.)
NOTE:
If “COMPLETED” already appears at “COND3” on CONSULT-II
screen before “Procedure for COND3” is conducted, it is unnec-
essary to conduct step 1 in “Procedure for COND3”.
Procedure for COND3
1. Stop vehicle and let it idle until “INCOMPLETE” of “COND3” on
CONSULT-II screen has turned to “COMPLETED”. (It will take a
maximum of approximately 6 minutes.)
2. Make sure that “OK” is displayed after touching “SELF-DIAG
RESULTS”.
If "NG" is displayed, refer toEC-191, "
Diagnostic Procedure".
Overall Function CheckEBS00B55
Use this procedure to check the overall function of the heated oxygen sensor 2 circuit. During this check, a 1st
trip DTC might not be confirmed.
WITH GST
1. Start engine and drive vehicle at a speed of more than 70 km/h (43 MPH) for 2 consecutive minutes.
2. Stop vehicle with engine running.
3. Set voltmeter probes between ECM terminal 95 [HO2S2 (B1) signal] and engine ground.
4. Check the voltage when revving up to 4,000 rpm under no load
at least 10 times.
(Depress and release accelerator pedal as soon as possible.)
The voltage should change at more than 0.06V for 1 second
during this procedure.
If the voltage can be confirmed in step 4, step 5 is not nec-
essary.
5. Keep vehicle at idling for 10 minutes, then check the voltage. Or
check the voltage when coasting from 80 km/h (50 MPH) in “D”
position with “OD” OFF (A/T), 3rd gear position (M/T).
The voltage should change at more than 0.06V for 1 second
during this procedure.
6. If NG, go toEC-191, "
Diagnostic Procedure".
PBIB0553E
SEF668Y
PBIB0550E
Page 1304 of 3066
![NISSAN X-TRAIL 2003 Electronic Repair Manual EC-190
[QR (WITH EURO-OBD)]
DTC P0139 HO2S2
Wiring Diagram
EBS00B56
TBWA0061E NISSAN X-TRAIL 2003 Electronic Repair Manual EC-190
[QR (WITH EURO-OBD)]
DTC P0139 HO2S2
Wiring Diagram
EBS00B56
TBWA0061E](/img/5/57402/w960_57402-1303.png)
EC-190
[QR (WITH EURO-OBD)]
DTC P0139 HO2S2
Wiring Diagram
EBS00B56
TBWA0061E
Page 1305 of 3066
![NISSAN X-TRAIL 2003 Electronic Repair Manual DTC P0139 HO2S2
EC-191
[QR (WITH EURO-OBD)]
C
D
E
F
G
H
I
J
K
L
MA
EC
Diagnostic ProcedureEBS00B57
1.RETIGHTEN GROUND SCREWS
1. Turn ignition switch “OFF”.
2. Loosen and retighten engine ground sc NISSAN X-TRAIL 2003 Electronic Repair Manual DTC P0139 HO2S2
EC-191
[QR (WITH EURO-OBD)]
C
D
E
F
G
H
I
J
K
L
MA
EC
Diagnostic ProcedureEBS00B57
1.RETIGHTEN GROUND SCREWS
1. Turn ignition switch “OFF”.
2. Loosen and retighten engine ground sc](/img/5/57402/w960_57402-1304.png)
DTC P0139 HO2S2
EC-191
[QR (WITH EURO-OBD)]
C
D
E
F
G
H
I
J
K
L
MA
EC
Diagnostic ProcedureEBS00B57
1.RETIGHTEN GROUND SCREWS
1. Turn ignition switch “OFF”.
2. Loosen and retighten engine ground screws.
>> GO TO 2.
2.CLEAR THE SELF-LEARNING DATA
With CONSULT-II
1. Start engine and warm it up to normal operating temperature.
2. Select “SELF-LEARNING CONT” in “WORK SUPPORT” mode
with CONSULT-II.
3. Clear the self-learning control coefficient by touching “CLEAR”.
4. Run engine for at least 10 minutes at idle speed.
Is the 1st trip DTC P0171 or P0172 detected?
Is it difficult to start engine?
Wi t h ou t C O N S U LT-I I
1. Start engine and warm it up to normal operating temperature.
2. Turn ignition switch “OFF”.
3. Disconnect mass air flow sensor harness connector, and restart
and run engine for at least 5 seconds at idle speed.
4. Stop engine and reconnect mass air flow sensor harness con-
nector.
5. Make sure 1st trip DTC P0102 is displayed.
6. Erase the 1st trip DTC memory. Refer toEC-402, "
HOW TO
ERASE EMISSION-RELATED DIAGNOSTIC INFORMATION".
7. Make sure DTC P0000 is displayed.
8. Run engine for at least 10 minutes at idle speed.
Is the 1st trip DTC P0171 or P0172 detected?
Is it difficult to start engine?
Ye s o r N o
Yes >> Perform trouble diagnosis for DTC P0171 or P0172. Refer toEC-194orEC-200.
No >> GO TO 3.
PBIB0494E
SEF215Z
PBIB0495E
Page 1306 of 3066
![NISSAN X-TRAIL 2003 Electronic Repair Manual EC-192
[QR (WITH EURO-OBD)]
DTC P0139 HO2S2
3.CHECK HO2S2 GROUND CIRCUIT FOR OPEN AND SHORT
1. Turn ignition switch “OFF”.
2. Disconnect heated oxygen sensor 2 harness connector.
3. Check harness NISSAN X-TRAIL 2003 Electronic Repair Manual EC-192
[QR (WITH EURO-OBD)]
DTC P0139 HO2S2
3.CHECK HO2S2 GROUND CIRCUIT FOR OPEN AND SHORT
1. Turn ignition switch “OFF”.
2. Disconnect heated oxygen sensor 2 harness connector.
3. Check harness](/img/5/57402/w960_57402-1305.png)
EC-192
[QR (WITH EURO-OBD)]
DTC P0139 HO2S2
3.CHECK HO2S2 GROUND CIRCUIT FOR OPEN AND SHORT
1. Turn ignition switch “OFF”.
2. Disconnect heated oxygen sensor 2 harness connector.
3. Check harness continuity between HO2S2 terminal 3 and
engine ground.
Refer to Wiring Diagram.
4. Also check harness for short to power.
OK or NG
OK >> GO TO 4.
NG >> Repair open circuit or short to power in harness or con-
nectors.
4.CHECK HO2S2 INPUT SIGNAL CIRCUIT FOR OPEN AND SHORT
1. Disconnect ECM harness connector.
2. Check harness continuity between ECM terminal 95 and HO2S2 terminal 2.
Refer to Wiring Diagram.
3. Check harness continuity between ECM terminal 95 or HO2S2 terminal 2 and ground.
Refer to Wiring Diagram.
4. Also check harness for short to ground or short to power.
OK or NG
OK >> GO TO 5.
NG >> Repair open circuit or short to ground or short to power in harness or connectors.
5.CHECK HEATED OXYGEN SENSOR 2
Refer toEC-192, "
Component Inspection".
OK or NG
OK >> GO TO 6.
NG >> Replace heated oxygen sensor 2.
6.CHECK INTERMITTENT INCIDENT
Refer toEC-107, "
TROUBLE DIAGNOSIS FOR INTERMITTENT INCIDENT".
>>INSPECTION END
Component InspectionEBS00B58
HEATED OXYGEN SENSOR 2
With CONSULT-II
1. Start engine and drive vehicle at a speed of more than 70 km/h (43 MPH) for 2 consecutive minutes.
2. Stop vehicle with engine running.Continuity should exist.
PBIB0500E
Continuity should exist.
Continuity should not exist.
Page 1307 of 3066
![NISSAN X-TRAIL 2003 Electronic Repair Manual DTC P0139 HO2S2
EC-193
[QR (WITH EURO-OBD)]
C
D
E
F
G
H
I
J
K
L
MA
EC
3. Select “FUEL INJECTION” in “ACTIVE TEST” mode, and select
“HO2S2 (B1)” as the monitor item with CONSULT-II.
4. Chec NISSAN X-TRAIL 2003 Electronic Repair Manual DTC P0139 HO2S2
EC-193
[QR (WITH EURO-OBD)]
C
D
E
F
G
H
I
J
K
L
MA
EC
3. Select “FUEL INJECTION” in “ACTIVE TEST” mode, and select
“HO2S2 (B1)” as the monitor item with CONSULT-II.
4. Chec](/img/5/57402/w960_57402-1306.png)
DTC P0139 HO2S2
EC-193
[QR (WITH EURO-OBD)]
C
D
E
F
G
H
I
J
K
L
MA
EC
3. Select “FUEL INJECTION” in “ACTIVE TEST” mode, and select
“HO2S2 (B1)” as the monitor item with CONSULT-II.
4. Check “HO2S2 (B1)” at idle speed when adjusting “FUEL INJECTION” to±25%.
“HO2S2 (B1)” should be above 0.68V at least once when the “FUEL INJECTION” is +25%.
“HO2S2 (B1)” should be below 0.50V at least once when the “FUEL INJECTION” is-25%.
CAUTION:
Discard any heated oxygen sensor which has been dropped from a height of more than 0.5 m (19.7
in) onto a hard surface such as a concrete floor; use a new one.
Without CONSULT-II
1. Start engine and drive vehicle at a speed of more than 70 km/h (43 MPH) for 2 consecutive minutes.
2. Stop vehicle with engine running.
3. Set voltmeter probes between ECM terminal 95 [HO2S2 (B1) signal] and engine ground.
4. Check the voltage when revving up to 4,000 rpm under no load
at least 10 times.
(Depress and release accelerator pedal as soon as possible.)
The voltage should be above 0.68V at least once during this
procedure.
If the voltage is above 0.68V at step 4, step 5 is not neces-
sary.
5. Keep vehicle idling for 10 minutes, then check voltage. Or check
the voltage when coasting from 80 km/h (50 MPH) in “D” posi-
tion with “OD” OFF (A/T), 3rd gear position (M/T).
The voltage should be below 0.50V at least once during this
procedure.
6. If NG, replace heated oxygen sensor 2.
CAUTION:
Discard any heated oxygen sensor which has been dropped from a height of more than 0.5 m (19.7 in)
onto a hard surface such as a concrete floor; use a new one.
Removal and InstallationEBS00B59
HEATED OXYGEN SENSOR 2
Refer toEX-2, "EXHAUST SYSTEM".
SEF662Y
PBIB0551E
PBIB0550E
Page 1308 of 3066
![NISSAN X-TRAIL 2003 Electronic Repair Manual EC-194
[QR (WITH EURO-OBD)]
DTC P0171 FUEL INJECTION SYSTEM FUNCTION
DTC P0171 FUEL INJECTION SYSTEM FUNCTION
PFP:16600
On Board Diagnosis LogicEBS00B5A
With the Air/Fuel Mixture Ratio Self-Learning C NISSAN X-TRAIL 2003 Electronic Repair Manual EC-194
[QR (WITH EURO-OBD)]
DTC P0171 FUEL INJECTION SYSTEM FUNCTION
DTC P0171 FUEL INJECTION SYSTEM FUNCTION
PFP:16600
On Board Diagnosis LogicEBS00B5A
With the Air/Fuel Mixture Ratio Self-Learning C](/img/5/57402/w960_57402-1307.png)
EC-194
[QR (WITH EURO-OBD)]
DTC P0171 FUEL INJECTION SYSTEM FUNCTION
DTC P0171 FUEL INJECTION SYSTEM FUNCTION
PFP:16600
On Board Diagnosis LogicEBS00B5A
With the Air/Fuel Mixture Ratio Self-Learning Control, the actual mixture ratio can be brought closely to the
theoretical mixture ratio based on the mixture ratio feedback signal from the heated oxygen sensor 1. The
ECM calculates the necessary compensation to correct the offset between the actual and the theoretical
ratios.
In case the amount of the compensation value is extremely large (The actual mixture ratio is too lean.), the
ECM judges the condition as the fuel injection system malfunction and light up the MI (2 trip detection logic).
DTC Confirmation ProcedureEBS00B5B
NOTE:
If “DTC Confirmation Procedure” has been previously conducted, always turn ignition switch “OFF” and wait at
least 10 seconds before conducting the next test.
WITH CONSUTL-II
1. Start engine and warm it up to normal operating temperature.
2. Turn ignition switch “OFF” and wait at least 10 seconds.
3. Turn ignition switch “ON” and select “SELF-LEARNING CONT” in “WORK SUPPORT” mode with CON-
SULT-II.
4. Clear the self-learning control coefficient by touching “CLEAR”.
5. Select “DATA MONITOR” mode with CONSULT-II.
6. Start engine again and let it idle for at least 10 minutes.
The 1st trip DTC P0171 should be detected at this stage, if a
malfunction exists. If so, go toEC-197, "
Diagnostic Procedure".
7. If it is difficult to start engine at step 6, the fuel injection system
has a malfunction, too.
8. Crank engine while depressing accelerator pedal. If engine
starts, go toEC-197, "
Diagnostic Procedure". If engine does not
start, check exhaust and intake air leak visually.
WITH GST
1. Start engine and warm it up to normal operating temperature.
2. Turn ignition switch “OFF” and wait at least 10 seconds.
Sensor Input Signal to ECMECM
functionActuator
Heated oxygen sensors 1Density of oxygen in exhaust gas
(Mixture ratio feedback signal)Fuel injec-
tion controlFuel injectors
DTC No.Trouble diagnosis
nameDTC detecting condition Possible cause
P0171
0171Fuel injection system
too lean
lFuel injection system does not operate properly.
lThe amount of mixture ratio compensation is too
large.
(The mixture ratio is too lean.)
lIntake air leaks
lHeated oxygen sensor 1
lInjectors
lExhaust gas leaks
lIncorrect fuel pressure
lLack of fuel
lMass air flow sensor
lIncorrect PCV hose connection
SEF215Z
Page 1309 of 3066
![NISSAN X-TRAIL 2003 Electronic Repair Manual DTC P0171 FUEL INJECTION SYSTEM FUNCTION
EC-195
[QR (WITH EURO-OBD)]
C
D
E
F
G
H
I
J
K
L
MA
EC
3. Disconnect mass air flow sensor harness connector. Then
restart and run engine for at least 5 seconds NISSAN X-TRAIL 2003 Electronic Repair Manual DTC P0171 FUEL INJECTION SYSTEM FUNCTION
EC-195
[QR (WITH EURO-OBD)]
C
D
E
F
G
H
I
J
K
L
MA
EC
3. Disconnect mass air flow sensor harness connector. Then
restart and run engine for at least 5 seconds](/img/5/57402/w960_57402-1308.png)
DTC P0171 FUEL INJECTION SYSTEM FUNCTION
EC-195
[QR (WITH EURO-OBD)]
C
D
E
F
G
H
I
J
K
L
MA
EC
3. Disconnect mass air flow sensor harness connector. Then
restart and run engine for at least 5 seconds at idle speed.
4. Stop engine and reconnect mass air flow sensor harness con-
nector.
5. Select “MODE 7” with GST. Make sure 1st trip DTC P0102 is
detected.
6. Select “MODE 4” with GST and erase the 1st trip DTC P0102.
7. Start engine again and let it idle for at least 10 minutes.
8. Select “MODE 7” with GST. The 1st trip DTC P0171 should be
detected at this stage, if a malfunction exists. If so, go toEC-
197, "Diagnostic Procedure".
9. If it is difficult to start engine at step 7, the fuel injection system has a malfunction.
10. Crank engine while depressing accelerator pedal. If engine starts, go toEC-197, "
Diagnostic Procedure".
If engine does not start, check exhaust and intake air leak visually.
PBIB0495E
Page 1310 of 3066
![NISSAN X-TRAIL 2003 Electronic Repair Manual EC-196
[QR (WITH EURO-OBD)]
DTC P0171 FUEL INJECTION SYSTEM FUNCTION
Wiring Diagram
EBS00B5C
TBWA0063E NISSAN X-TRAIL 2003 Electronic Repair Manual EC-196
[QR (WITH EURO-OBD)]
DTC P0171 FUEL INJECTION SYSTEM FUNCTION
Wiring Diagram
EBS00B5C
TBWA0063E](/img/5/57402/w960_57402-1309.png)
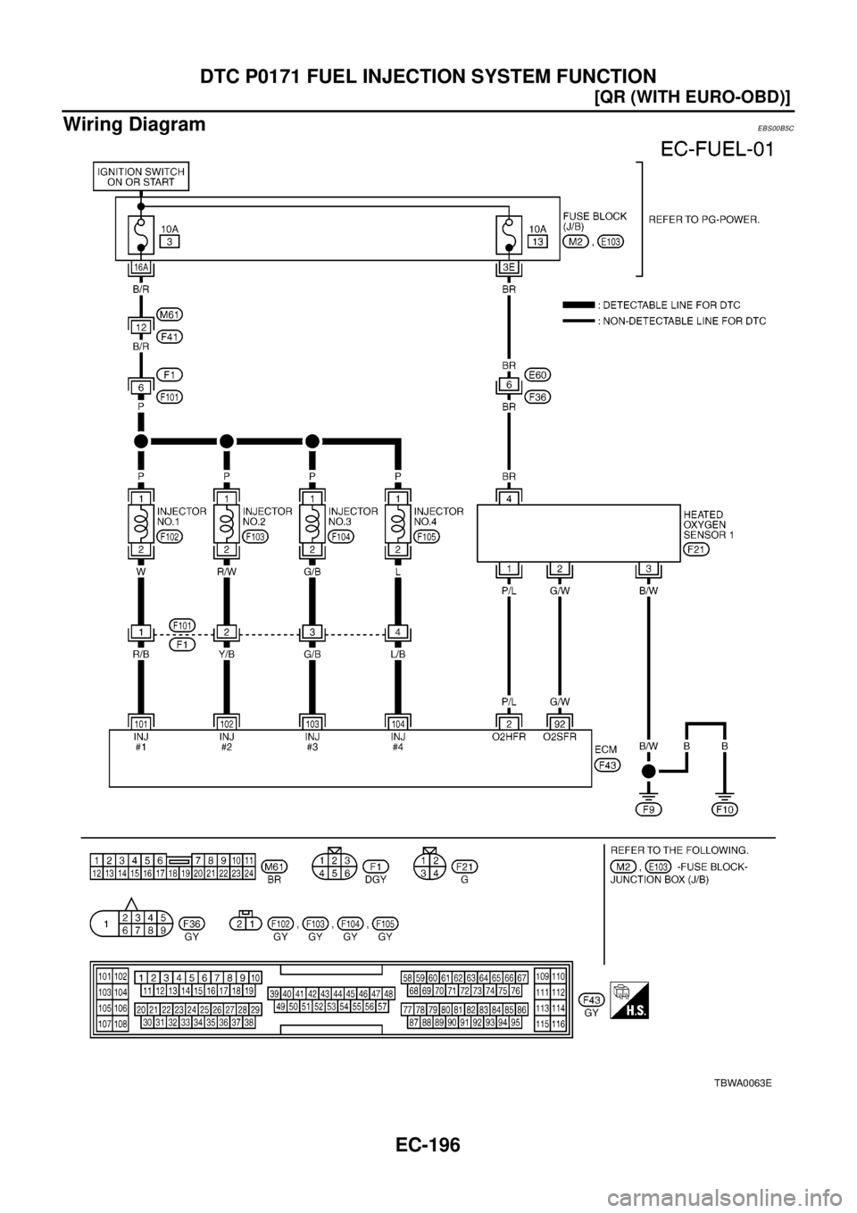
EC-196
[QR (WITH EURO-OBD)]
DTC P0171 FUEL INJECTION SYSTEM FUNCTION
Wiring Diagram
EBS00B5C
TBWA0063E