NISSAN X-TRAIL 2003 Electronic Repair Manual
Manufacturer: NISSAN, Model Year: 2003, Model line: X-TRAIL, Model: NISSAN X-TRAIL 2003Pages: 3066, PDF Size: 51.47 MB
Page 1331 of 3066
![NISSAN X-TRAIL 2003 Electronic Repair Manual DTC P0335 CKP SENSOR (POS)
EC-217
[QR (WITH EURO-OBD)]
C
D
E
F
G
H
I
J
K
L
MA
EC
DTC P0335 CKP SENSOR (POS)PFP:23731
Component DescriptionEBS00B5T
The crankshaft position sensor (POS) is located on th NISSAN X-TRAIL 2003 Electronic Repair Manual DTC P0335 CKP SENSOR (POS)
EC-217
[QR (WITH EURO-OBD)]
C
D
E
F
G
H
I
J
K
L
MA
EC
DTC P0335 CKP SENSOR (POS)PFP:23731
Component DescriptionEBS00B5T
The crankshaft position sensor (POS) is located on th](/img/5/57402/w960_57402-1330.png)
DTC P0335 CKP SENSOR (POS)
EC-217
[QR (WITH EURO-OBD)]
C
D
E
F
G
H
I
J
K
L
MA
EC
DTC P0335 CKP SENSOR (POS)PFP:23731
Component DescriptionEBS00B5T
The crankshaft position sensor (POS) is located on the cylinder
block rear housing facing the gear teeth (cogs) of the signal plate at
the end of the crankshaft. It detects the fluctuation of the engine rev-
olution.
The sensor consists of a permanent magnet and Hall IC.
When the engine is running, the high and low parts of the teeth
cause the gap with the sensor change.
The changing gap causes the magnetic field near the sensor to
change.
Due to the changing magnetic field, the voltage from the sensor
changes.
The ECM receives the voltage signal and detects the fluctuation of
the engine revolution.
CONSULT-II Reference Value in Data Monitor ModeEBS00B5U
Specification data are reference values.
ECM Terminals and Reference ValueEBS00B5V
Specification data are reference values and are measured between each terminal and body ground.
CAUTION:
Do not use ECM ground terminals when measuring input/output voltage. Doing so may result in dam-
age to the ECM's transistor. Use a ground other than ECM terminals, such as the ground.
: Average voltage for pulse signal (Actual pulse signal can be confirmed by oscilloscope.)
PBIB0562E
MONITOR ITEM CONDITION SPECIFICATION
ENG SPEED·
lTachometer: Connect
lRun engine and compare tachometer indication with the CONSULT-II
value.Almost the same speed as the
CONSULT-II value.
TER-
MINAL
NO.WIRE
COLORITEM CONDITION DATA (DC Voltage)
71 PU/RCrankshaft position
sensor (POS)[Engineisrunning]
lWarm-up condition
lIdle speedApproximately 3V
[Engineisrunning]
lEngine speed is 2,000 rpmApproximately 3V
PBIB0527E
PBIB0528E
Page 1332 of 3066
![NISSAN X-TRAIL 2003 Electronic Repair Manual EC-218
[QR (WITH EURO-OBD)]
DTC P0335 CKP SENSOR (POS)
On Board Diagnosis Logic
EBS00B5W
DTC Confirmation ProcedureEBS00B5X
NOTE:
If “DTC Confirmation Procedure” has been previously conducted, alw NISSAN X-TRAIL 2003 Electronic Repair Manual EC-218
[QR (WITH EURO-OBD)]
DTC P0335 CKP SENSOR (POS)
On Board Diagnosis Logic
EBS00B5W
DTC Confirmation ProcedureEBS00B5X
NOTE:
If “DTC Confirmation Procedure” has been previously conducted, alw](/img/5/57402/w960_57402-1331.png)
EC-218
[QR (WITH EURO-OBD)]
DTC P0335 CKP SENSOR (POS)
On Board Diagnosis Logic
EBS00B5W
DTC Confirmation ProcedureEBS00B5X
NOTE:
If “DTC Confirmation Procedure” has been previously conducted, always turn ignition switch “OFF” and wait at
least 10 seconds before conducting the next test.
TESTING CONDITION:
Before performing the following procedure, confirm that battery voltage is more than 10.5V with igni-
tion switch "ON".
WITH CONSULT-II
1. Turn ignition switch “ON” and select “DATA MONITOR” mode
with CONSULT-II.
2. Crank engine for at least 2 seconds and run it for at least 5 sec-
onds at idle speed.
3. If 1st trip DTC is detected, go toEC-220, "
Diagnostic Procedure"
.
WITH GST
Follow the procedure “WITH CONSULT-II” above.
DTC No. Trouble diagnosis name DTC detecting condition Possible cause
P0335
0335Crankshaft position
sensor (POS) circuit
lThe crankshaft position sensor (POS) signal
is not detected by the ECM during the first
few seconds of engine cranking.
lThe proper pulse signal from the crankshaft
position sensor (POS) is not sent to ECM
while the engine is running.
lThe crankshaft position sensor (POS) signal
is not in the normal pattern during engine
running.
lHarness or connectors
(The sensor circuit is open or shorted)
lCrankshaft position sensor (POS)
lSignal plate
SEF058Y
Page 1333 of 3066
![NISSAN X-TRAIL 2003 Electronic Repair Manual DTC P0335 CKP SENSOR (POS)
EC-219
[QR (WITH EURO-OBD)]
C
D
E
F
G
H
I
J
K
L
MA
EC
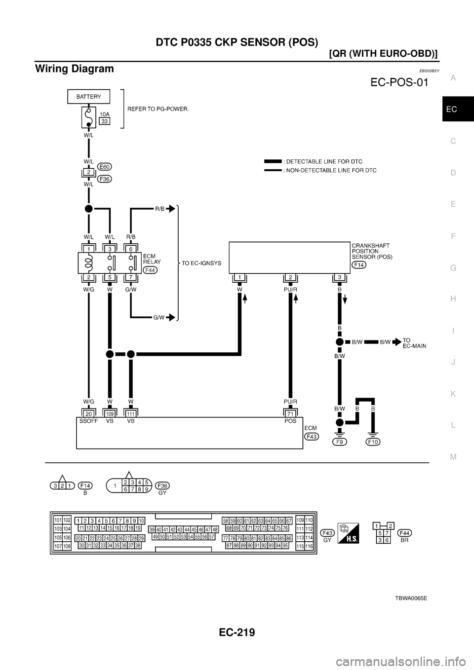
Wiring DiagramEBS00B5Y
TBWA0065E NISSAN X-TRAIL 2003 Electronic Repair Manual DTC P0335 CKP SENSOR (POS)
EC-219
[QR (WITH EURO-OBD)]
C
D
E
F
G
H
I
J
K
L
MA
EC
Wiring DiagramEBS00B5Y
TBWA0065E](/img/5/57402/w960_57402-1332.png)
DTC P0335 CKP SENSOR (POS)
EC-219
[QR (WITH EURO-OBD)]
C
D
E
F
G
H
I
J
K
L
MA
EC
Wiring DiagramEBS00B5Y
TBWA0065E
Page 1334 of 3066
![NISSAN X-TRAIL 2003 Electronic Repair Manual EC-220
[QR (WITH EURO-OBD)]
DTC P0335 CKP SENSOR (POS)
Diagnostic Procedure
EBS00B5Z
1.RETIGHTEN GROUND SCREWS
1. Turn ignition switch “OFF”.
2. Loosen and retighten engine ground screws.
>> GO TO NISSAN X-TRAIL 2003 Electronic Repair Manual EC-220
[QR (WITH EURO-OBD)]
DTC P0335 CKP SENSOR (POS)
Diagnostic Procedure
EBS00B5Z
1.RETIGHTEN GROUND SCREWS
1. Turn ignition switch “OFF”.
2. Loosen and retighten engine ground screws.
>> GO TO](/img/5/57402/w960_57402-1333.png)
EC-220
[QR (WITH EURO-OBD)]
DTC P0335 CKP SENSOR (POS)
Diagnostic Procedure
EBS00B5Z
1.RETIGHTEN GROUND SCREWS
1. Turn ignition switch “OFF”.
2. Loosen and retighten engine ground screws.
>> GO TO 2.
2.CHECK CRANKSHAFT POSITION (CKP) SENSOR (POS) POWER SUPPLY CIRCUIT
1. Disconnect crankshaft position (CKP) sensor (POS) harness connector.
2. Turn ignition switch "ON".
3. Check voltage between CKP sensor (POS) terminal 1 and
ground with CONSULT-II or tester.
4. Also check harness for short to ground and short to power.
OK or NG
OK >> GO TO 4.
NG >> GO TO 3.
3.DETECT MALFUNCTIONING PART
Check the following.
lHarness for open or short between ECM and crankshaft position sensor (POS)
lHarness for open or short between ECM relay and crankshaft position sensor (POS)
>> Repair open circuit or short to ground or short to power in harness or connectors.
PBIB0494E
Voltage: Battery voltage
PBIB0512E
PBIB0664E
Page 1335 of 3066
![NISSAN X-TRAIL 2003 Electronic Repair Manual DTC P0335 CKP SENSOR (POS)
EC-221
[QR (WITH EURO-OBD)]
C
D
E
F
G
H
I
J
K
L
MA
EC
4.CHECK CKP (POS) GROUND CIRCUIT FOR OPEN AND SHORT
1. Turn ignition switch "OFF".
2. Check harness continuity between NISSAN X-TRAIL 2003 Electronic Repair Manual DTC P0335 CKP SENSOR (POS)
EC-221
[QR (WITH EURO-OBD)]
C
D
E
F
G
H
I
J
K
L
MA
EC
4.CHECK CKP (POS) GROUND CIRCUIT FOR OPEN AND SHORT
1. Turn ignition switch "OFF".
2. Check harness continuity between](/img/5/57402/w960_57402-1334.png)
DTC P0335 CKP SENSOR (POS)
EC-221
[QR (WITH EURO-OBD)]
C
D
E
F
G
H
I
J
K
L
MA
EC
4.CHECK CKP (POS) GROUND CIRCUIT FOR OPEN AND SHORT
1. Turn ignition switch "OFF".
2. Check harness continuity between CKP sensor (POS) terminal 3 and engine ground.
Refer to Wiring Diagram.
3. Also check harness for short to ground and short to power.
OK or NG
OK >> GO TO 5.
NG >> Repair open circuit or short to ground or short to power in harness or connectors.
5.CHECK CKP SENSOR (POS) INPUT SIGNAL CIRCUIT FOR OPEN AND SHORT
1. Disconnect ECM harness connector.
2. Check harness continuity between ECM terminal 71 and CKP sensor (POS) terminal 2.
Refer to Wiring Diagram.
3. Also check harness for short to ground and short to power.
OK or NG
OK >> GO TO 6.
NG >> Repair open circuit or short to ground or short to power in harness or connectors.
6.CHECK CRANKSHAFT POSITION SENSOR (POS)
Refer toEC-221, "
Component Inspection".
OK or NG
OK >> GO TO 7.
NG >> Replace crankshaft position sensor (POS).
7.CHECK GEAR TOOTH
Visually check for chipping signal plate gear tooth.
OK or NG
OK >> GO TO 8.
NG >> Replace the signal plate.
8.CHECK INTERMITTENT INCIDENT
Refer toEC-107, "
TROUBLE DIAGNOSIS FOR INTERMITTENT INCIDENT".
>>INSPECTION END
Component InspectionEBS00B60
CRANKSHAFT POSITION SENSOR (POS)
1. Loosen the fixing bolt of the sensor.Continuity should exist.
Continuity should exist.
Page 1336 of 3066
![NISSAN X-TRAIL 2003 Electronic Repair Manual EC-222
[QR (WITH EURO-OBD)]
DTC P0335 CKP SENSOR (POS)
2. Disconnect crankshaft position sensor (POS) harness connec-
tor.
3. Remove the sensor.
4. Visually check the sensor for chipping.
5. Check res NISSAN X-TRAIL 2003 Electronic Repair Manual EC-222
[QR (WITH EURO-OBD)]
DTC P0335 CKP SENSOR (POS)
2. Disconnect crankshaft position sensor (POS) harness connec-
tor.
3. Remove the sensor.
4. Visually check the sensor for chipping.
5. Check res](/img/5/57402/w960_57402-1335.png)
EC-222
[QR (WITH EURO-OBD)]
DTC P0335 CKP SENSOR (POS)
2. Disconnect crankshaft position sensor (POS) harness connec-
tor.
3. Remove the sensor.
4. Visually check the sensor for chipping.
5. Check resistance as shown in the figure.
Removal and InstallationEBS00B61
CRANKSHAFT POSITION SENSOR (POS)
Refer toEM-64, "CYLINDER BLOCK".
PBIB0563E
Terminal No. (Polarity) ResistanceW[at 25°C(77°F)]
1(+)-2(-)
Except 0 or¥ 1(+)-3(-)
2(+)-3(-)
PBIB0564E
Page 1337 of 3066
![NISSAN X-TRAIL 2003 Electronic Repair Manual DTC P0340 CMP SENSOR (PHASE)
EC-223
[QR (WITH EURO-OBD)]
C
D
E
F
G
H
I
J
K
L
MA
EC
DTC P0340 CMP SENSOR (PHASE)PFP:23731
Component DescriptionEBS00B62
The camshaft position sensor (PHASE) senses the r NISSAN X-TRAIL 2003 Electronic Repair Manual DTC P0340 CMP SENSOR (PHASE)
EC-223
[QR (WITH EURO-OBD)]
C
D
E
F
G
H
I
J
K
L
MA
EC
DTC P0340 CMP SENSOR (PHASE)PFP:23731
Component DescriptionEBS00B62
The camshaft position sensor (PHASE) senses the r](/img/5/57402/w960_57402-1336.png)
DTC P0340 CMP SENSOR (PHASE)
EC-223
[QR (WITH EURO-OBD)]
C
D
E
F
G
H
I
J
K
L
MA
EC
DTC P0340 CMP SENSOR (PHASE)PFP:23731
Component DescriptionEBS00B62
The camshaft position sensor (PHASE) senses the retraction with
intake valve camshaft to identify a particular cylinder. The crankshaft
position sensor (POS) senses the piston position.
When the crankshaft position sensor (POS) system becomes inoper-
ative, the camshaft position sensor (PHASE) provides various con-
trols of engine parts instead, utilizing timing of cylinder identification
signals.
The sensor consists of a permanent magnet and Hall IC.
When engine is running, the high and low parts of the teeth cause
thegapwiththesensortochange.
The changing gap causes the magnetic field near the sensor to
change.
Due to the changing magnetic field, the voltage from the sensor changes.
ECM Terminals and Reference ValueEBS00B63
Specification data are reference values and are measured between each terminal and body ground.
CAUTION:
Do not use ECM ground terminals when measuring input/output voltage. Doing so may result in dam-
age to the ECM's transistor. Use a ground other than ECM terminals, such as the ground.
: Average voltage for pulse signal (Actual pulse signal can be confirmed by oscilloscope.)
On Board Diagnosis LogicEBS00B64
PBIB0562E
TER-
MINAL
NO.WIRE
COLORITEM CONDITION DATA (DC Voltage)
63 L/WCamshaft position
sensor (PHASE)[Engineisrunning]
lWarm-up condition
lIdle speed1.0 - 4.0V
[Engineisrunning]
lEngine speed is 2,000 rpm.1.0 - 4.0V
PBIB0525E
PBIB0526E
DTC No. Trouble diagnosis name DTC detecting condition Possible cause
P0340
0340Camshaft position sen-
sor (PHASE) circuit
lThe cylinder No. signal is not sent to ECM
for the first few seconds during engine
cranking.
lThe cylinder No. signal is not set to ECM
during engine running.
lThe cylinder No. signal is not in the normal
pattern during engine running.
lHarness or connectors
(The sensor circuit is open or shorted)
lCamshaft position sensor (PHASE)
lCamshaft (Intake)
lStarter motor (Refer toSC-21.)
lStarting system circuit (Refer toSC-21.)
lDead (Weak) battery
Page 1338 of 3066
![NISSAN X-TRAIL 2003 Electronic Repair Manual EC-224
[QR (WITH EURO-OBD)]
DTC P0340 CMP SENSOR (PHASE)
DTC Confirmation Procedure
EBS00B65
NOTE:
If “DTC Confirmation Procedure” has been previously conducted, always turn ignition switch “OFF NISSAN X-TRAIL 2003 Electronic Repair Manual EC-224
[QR (WITH EURO-OBD)]
DTC P0340 CMP SENSOR (PHASE)
DTC Confirmation Procedure
EBS00B65
NOTE:
If “DTC Confirmation Procedure” has been previously conducted, always turn ignition switch “OFF](/img/5/57402/w960_57402-1337.png)
EC-224
[QR (WITH EURO-OBD)]
DTC P0340 CMP SENSOR (PHASE)
DTC Confirmation Procedure
EBS00B65
NOTE:
If “DTC Confirmation Procedure” has been previously conducted, always turn ignition switch “OFF” and wait at
least 10 seconds before conducting the next test.
TESTING CONDITION:
Before performing the following procedure, confirm that battery voltage is more than 10.5V with igni-
tion switch "ON".
WITH CONSULT-II
1. Turn ignition switch “ON”.
2. Select “DATA MONITOR” mode with CONSULT-II.
3. Crank engine for at least 2 seconds and run it for at least 5 sec-
onds at idle speed.
4. If 1st trip DTC is detected, go toEC-226, "
Diagnostic Procedure"
.
If 1st trip DTC is not detected, go to next step.
5. Maintaining engine speed at more than 800 rpm for at least 5
seconds.
6. If 1st trip DTC is detected, go toEC-226, "
Diagnostic Procedure"
.
WITH GST
Follow the procedure “WITH CONSULT-II” above.
SEF013Y
Page 1339 of 3066
![NISSAN X-TRAIL 2003 Electronic Repair Manual DTC P0340 CMP SENSOR (PHASE)
EC-225
[QR (WITH EURO-OBD)]
C
D
E
F
G
H
I
J
K
L
MA
EC
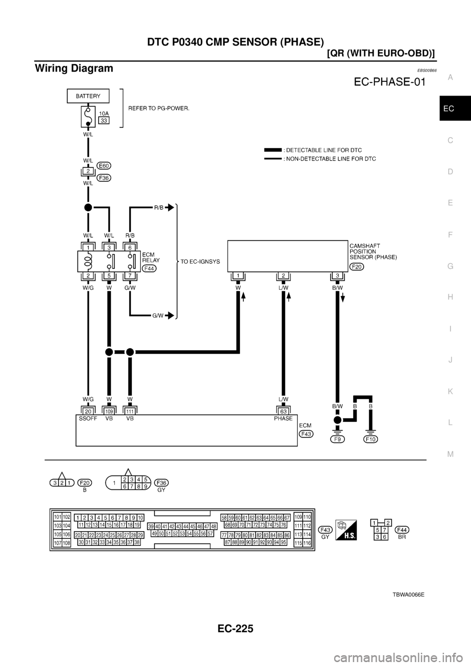
Wiring DiagramEBS00B66
TBWA0066E NISSAN X-TRAIL 2003 Electronic Repair Manual DTC P0340 CMP SENSOR (PHASE)
EC-225
[QR (WITH EURO-OBD)]
C
D
E
F
G
H
I
J
K
L
MA
EC
Wiring DiagramEBS00B66
TBWA0066E](/img/5/57402/w960_57402-1338.png)
DTC P0340 CMP SENSOR (PHASE)
EC-225
[QR (WITH EURO-OBD)]
C
D
E
F
G
H
I
J
K
L
MA
EC
Wiring DiagramEBS00B66
TBWA0066E
Page 1340 of 3066
![NISSAN X-TRAIL 2003 Electronic Repair Manual EC-226
[QR (WITH EURO-OBD)]
DTC P0340 CMP SENSOR (PHASE)
Diagnostic Procedure
EBS00B67
1.CHECK STARTING SYSTEM
Turn ignition switch to “START” position.
Ye s o r N o
Yes >>GOTO2.
No >> Check start NISSAN X-TRAIL 2003 Electronic Repair Manual EC-226
[QR (WITH EURO-OBD)]
DTC P0340 CMP SENSOR (PHASE)
Diagnostic Procedure
EBS00B67
1.CHECK STARTING SYSTEM
Turn ignition switch to “START” position.
Ye s o r N o
Yes >>GOTO2.
No >> Check start](/img/5/57402/w960_57402-1339.png)
EC-226
[QR (WITH EURO-OBD)]
DTC P0340 CMP SENSOR (PHASE)
Diagnostic Procedure
EBS00B67
1.CHECK STARTING SYSTEM
Turn ignition switch to “START” position.
Ye s o r N o
Yes >>GOTO2.
No >> Check starting system. (Refer toSC-21, "
STARTING SYSTEM".)
2.RETIGHTEN GROUND SCREWS
1. Turn ignition switch “OFF”.
2. Loosen and retighten engine ground screws.
>> GO TO 3.
3.CHECK CAMSHAFT POSITION (CMP) SENSOR (PHASE) POWER SUPPLY CIRCUIT
1. Disconnect camshaft position (CMP) sensor (PHASE) harness
connector.
2. Turn ignition switch "ON".
3. Check voltage between CMP sensor (PHASE) terminal 1 and
ground with CONSULT-II or tester.
4. Also check harness for short to ground and short to power.
OK or NG
OK >> GO TO 5.
NG >> GO TO 4.Does the engine turn over?
Does the starter motor operate?
PBIB0494E
PBIB0496E
Voltage: Battery voltage
PBIB0664E