NISSAN X-TRAIL 2003 Electronic Repair Manual
Page 931 of 3066
![NISSAN X-TRAIL 2003 Electronic Repair Manual TROUBLE DIAGNOSIS
BRC-63
[ESP/TCS/ABS]
C
D
E
G
H
I
J
K
L
MA
B
BRC
Component Parts and Harness Connector LocationEFS001A3
SFIA0338E NISSAN X-TRAIL 2003 Electronic Repair Manual TROUBLE DIAGNOSIS
BRC-63
[ESP/TCS/ABS]
C
D
E
G
H
I
J
K
L
MA
B
BRC
Component Parts and Harness Connector LocationEFS001A3
SFIA0338E](/img/5/57402/w960_57402-930.png)
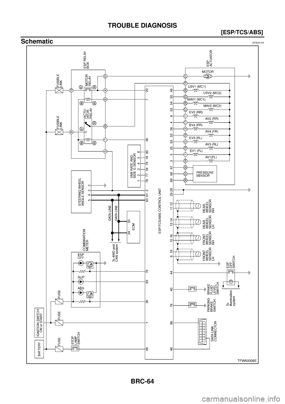
Page 932 of 3066
![NISSAN X-TRAIL 2003 Electronic Repair Manual BRC-64
[ESP/TCS/ABS]
TROUBLE DIAGNOSIS
Schematic
EFS001A4
TFWA0008E NISSAN X-TRAIL 2003 Electronic Repair Manual BRC-64
[ESP/TCS/ABS]
TROUBLE DIAGNOSIS
Schematic
EFS001A4
TFWA0008E](/img/5/57402/w960_57402-931.png)
Page 933 of 3066
![NISSAN X-TRAIL 2003 Electronic Repair Manual TROUBLE DIAGNOSIS
BRC-65
[ESP/TCS/ABS]
C
D
E
G
H
I
J
K
L
MA
B
BRC
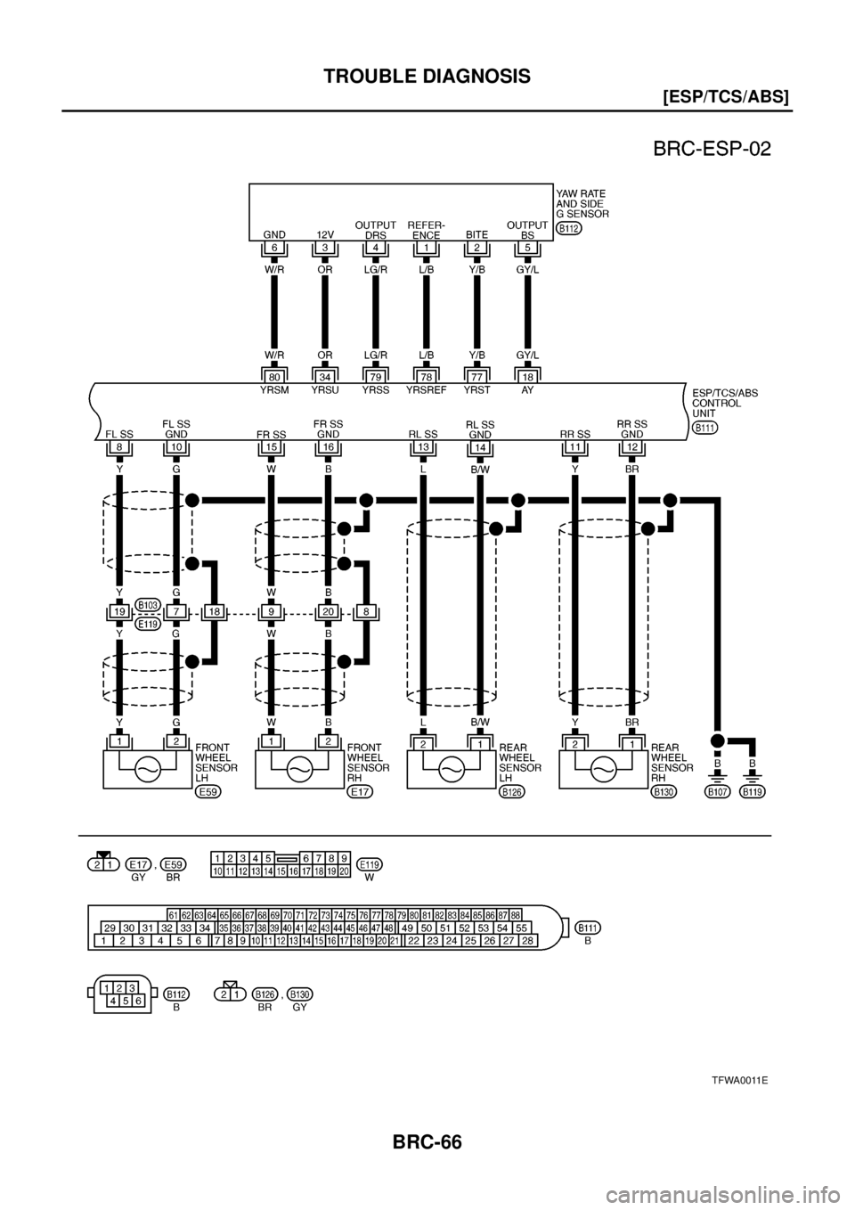
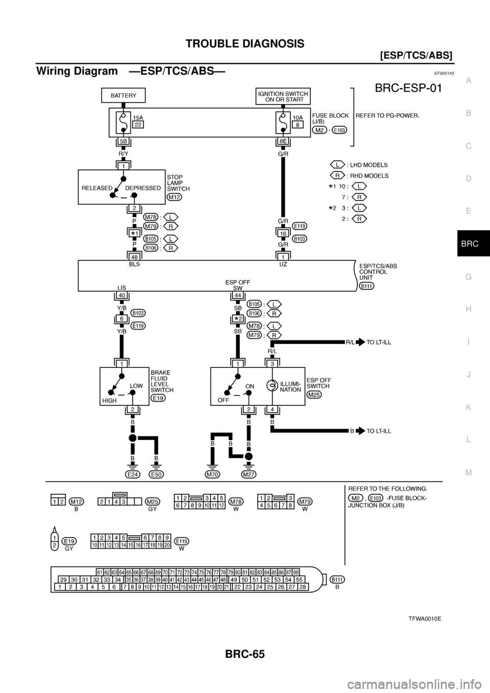
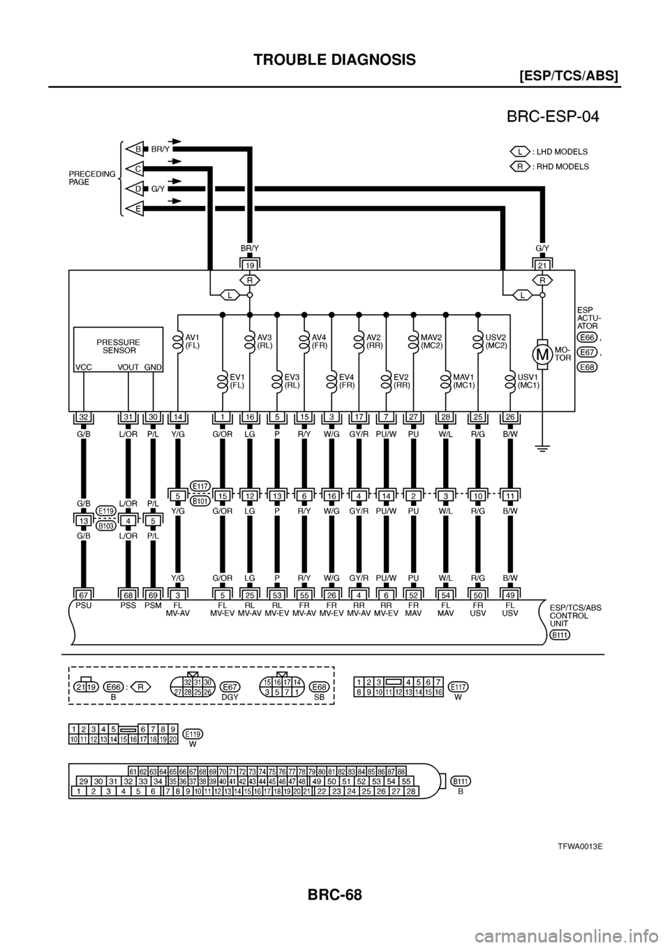
Wiring Diagram —ESP/TCS/ABS—EFS001A5
TFWA0010E NISSAN X-TRAIL 2003 Electronic Repair Manual TROUBLE DIAGNOSIS
BRC-65
[ESP/TCS/ABS]
C
D
E
G
H
I
J
K
L
MA
B
BRC
Wiring Diagram —ESP/TCS/ABS—EFS001A5
TFWA0010E](/img/5/57402/w960_57402-932.png)
Page 934 of 3066
![NISSAN X-TRAIL 2003 Electronic Repair Manual BRC-66
[ESP/TCS/ABS]
TROUBLE DIAGNOSIS
TFWA0011E NISSAN X-TRAIL 2003 Electronic Repair Manual BRC-66
[ESP/TCS/ABS]
TROUBLE DIAGNOSIS
TFWA0011E](/img/5/57402/w960_57402-933.png)
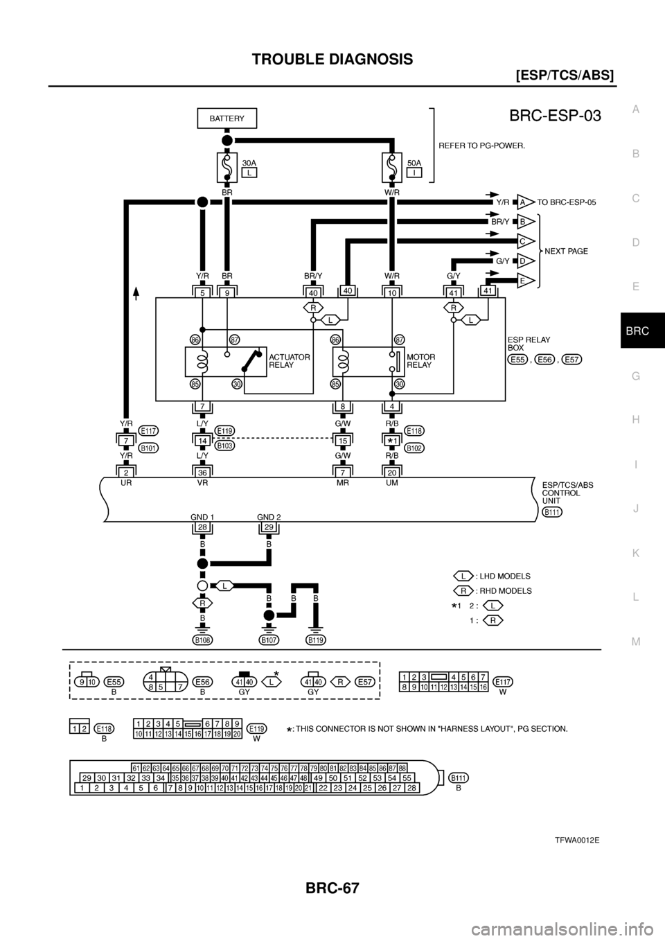
Page 935 of 3066
![NISSAN X-TRAIL 2003 Electronic Repair Manual TROUBLE DIAGNOSIS
BRC-67
[ESP/TCS/ABS]
C
D
E
G
H
I
J
K
L
MA
B
BRC
TFWA0012E NISSAN X-TRAIL 2003 Electronic Repair Manual TROUBLE DIAGNOSIS
BRC-67
[ESP/TCS/ABS]
C
D
E
G
H
I
J
K
L
MA
B
BRC
TFWA0012E](/img/5/57402/w960_57402-934.png)
Page 936 of 3066
![NISSAN X-TRAIL 2003 Electronic Repair Manual BRC-68
[ESP/TCS/ABS]
TROUBLE DIAGNOSIS
TFWA0013E NISSAN X-TRAIL 2003 Electronic Repair Manual BRC-68
[ESP/TCS/ABS]
TROUBLE DIAGNOSIS
TFWA0013E](/img/5/57402/w960_57402-935.png)
Page 937 of 3066
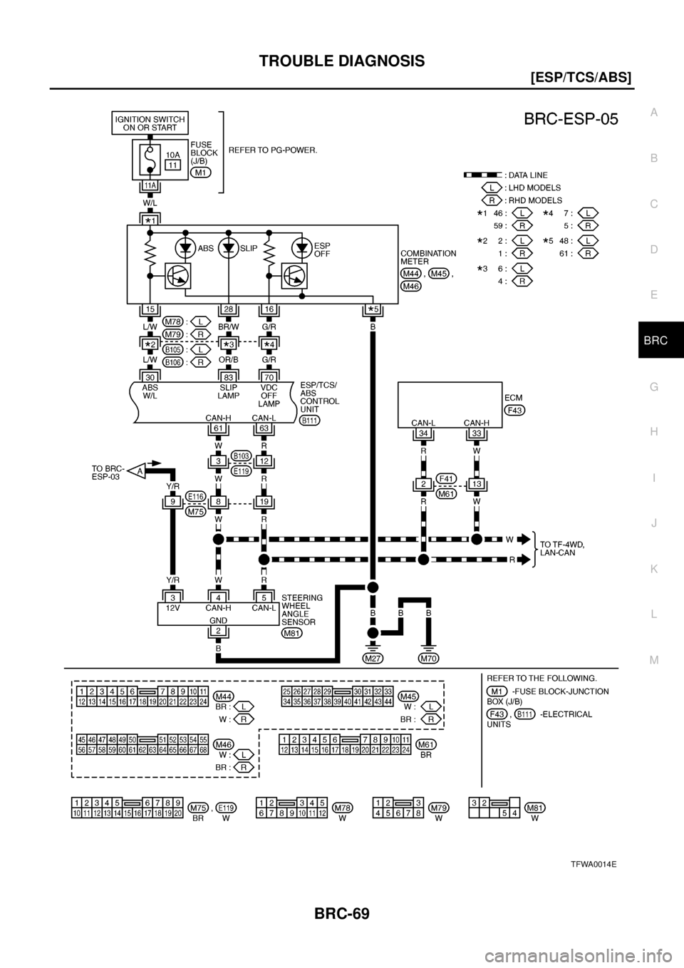
![NISSAN X-TRAIL 2003 Electronic Repair Manual TROUBLE DIAGNOSIS
BRC-69
[ESP/TCS/ABS]
C
D
E
G
H
I
J
K
L
MA
B
BRC
TFWA0014E NISSAN X-TRAIL 2003 Electronic Repair Manual TROUBLE DIAGNOSIS
BRC-69
[ESP/TCS/ABS]
C
D
E
G
H
I
J
K
L
MA
B
BRC
TFWA0014E](/img/5/57402/w960_57402-936.png)
Page 938 of 3066
![NISSAN X-TRAIL 2003 Electronic Repair Manual BRC-70
[ESP/TCS/ABS]
TROUBLE DIAGNOSIS
TFWA0015E NISSAN X-TRAIL 2003 Electronic Repair Manual BRC-70
[ESP/TCS/ABS]
TROUBLE DIAGNOSIS
TFWA0015E](/img/5/57402/w960_57402-937.png)
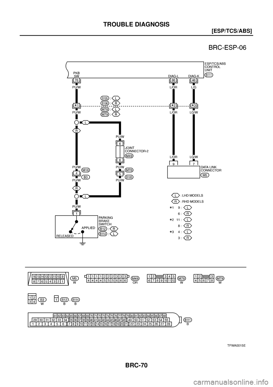
Page 939 of 3066
![NISSAN X-TRAIL 2003 Electronic Repair Manual TROUBLE DIAGNOSIS
BRC-71
[ESP/TCS/ABS]
C
D
E
G
H
I
J
K
L
MA
B
BRC
Control Unit Input/Output Signal StandardEFS001A6
STANDARDS USING A CIRCUIT TESTER AND OSCILLOSCOPE
CAUTION:
Connect the connectors fo NISSAN X-TRAIL 2003 Electronic Repair Manual TROUBLE DIAGNOSIS
BRC-71
[ESP/TCS/ABS]
C
D
E
G
H
I
J
K
L
MA
B
BRC
Control Unit Input/Output Signal StandardEFS001A6
STANDARDS USING A CIRCUIT TESTER AND OSCILLOSCOPE
CAUTION:
Connect the connectors fo](/img/5/57402/w960_57402-938.png)
Page 940 of 3066
![NISSAN X-TRAIL 2003 Electronic Repair Manual BRC-72
[ESP/TCS/ABS]
TROUBLE DIAGNOSIS
3
Body
groundFront LH wheel outlet
solenoid valve
Solenoid valve activated
(In “active test” mode of CON-
SULT-II) or actuator relay inac-
tive (in fail-safe NISSAN X-TRAIL 2003 Electronic Repair Manual BRC-72
[ESP/TCS/ABS]
TROUBLE DIAGNOSIS
3
Body
groundFront LH wheel outlet
solenoid valve
Solenoid valve activated
(In “active test” mode of CON-
SULT-II) or actuator relay inac-
tive (in fail-safe](/img/5/57402/w960_57402-939.png)
Page:
< prev 1-10 ... 891-900 901-910 911-920 921-930 931-940 941-950 951-960 961-970 971-980 ... 3070 next >
Trending: radio controls, battery location, ESP inoperative, reset, fuel cap release, oil temperature, dimensions