INFINITI M35 2006 Factory Service Manual
Manufacturer: INFINITI, Model Year: 2006, Model line: M35, Model: INFINITI M35 2006Pages: 5621, PDF Size: 65.56 MB
Page 3001 of 5621
![INFINITI M35 2006 Factory Service Manual EC-1458
[VK45DE]
ASCD INDICATOR
Revision: 2006 January2006 M35/M45
Diagnostic ProcedureNBS005QR
1. CHECK OVERALL FUNCTION
Check ASCD indicator under the following conditions.
OK or NG
OK >>INSPECTION INFINITI M35 2006 Factory Service Manual EC-1458
[VK45DE]
ASCD INDICATOR
Revision: 2006 January2006 M35/M45
Diagnostic ProcedureNBS005QR
1. CHECK OVERALL FUNCTION
Check ASCD indicator under the following conditions.
OK or NG
OK >>INSPECTION](/img/42/57023/w960_57023-3000.png)
EC-1458
[VK45DE]
ASCD INDICATOR
Revision: 2006 January2006 M35/M45
Diagnostic ProcedureNBS005QR
1. CHECK OVERALL FUNCTION
Check ASCD indicator under the following conditions.
OK or NG
OK >>INSPECTION END
NG >> GO TO 2.
2. CHECK DTC
Check that DTC U1000 or U1001 is not displayed.
OK or NG
OK >> GO TO 3.
NG >> Perform trouble diagnosis for DTC U1000, U1001. Refer to EC-886, "
DTC U1000, U1001 CAN
COMMUNICATION LINE" .
3. CHECK DTC WITH “UNIFIED METER AND A/C AMP.”
Refer to DI-32, "
SELF-DIAG RESULTS" .
OK or NG
OK >> GO TO 4.
NG >> Go to DI-36, "
DTC [B2202] Meter Communication Circuit" .
4. CHECK INTERMITTENT INCIDENT
Refer to EC-878, "
TROUBLE DIAGNOSIS FOR INTERMITTENT INCIDENT" .
>>INSPECTION END
ASCD INDICATOR CONDITION SPECIFICATION
CRUISE LAMP
Ignition switch: ON
MAIN switch: Pressed at the
1st time
at the 2nd timeON OFF
SET LAMP
MAIN switch: ON
When vehicle speed is
between 40 km/h (25 MPH)
and 144 km/h (89 MPH)
ASCD: Operating ON
ASCD: Not operating OFF
Page 3002 of 5621
![INFINITI M35 2006 Factory Service Manual MIL AND DATA LINK CONNECTOR
EC-1459
[VK45DE]
C
D
E
F
G
H
I
J
K
L
MA
EC
Revision: 2006 January2006 M35/M45
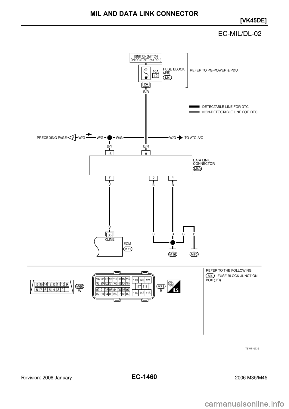
MIL AND DATA LINK CONNECTORPFP:24814
Wiring DiagramNBS005QS
TBWT1072E INFINITI M35 2006 Factory Service Manual MIL AND DATA LINK CONNECTOR
EC-1459
[VK45DE]
C
D
E
F
G
H
I
J
K
L
MA
EC
Revision: 2006 January2006 M35/M45
MIL AND DATA LINK CONNECTORPFP:24814
Wiring DiagramNBS005QS
TBWT1072E](/img/42/57023/w960_57023-3001.png)
MIL AND DATA LINK CONNECTOR
EC-1459
[VK45DE]
C
D
E
F
G
H
I
J
K
L
MA
EC
Revision: 2006 January2006 M35/M45
MIL AND DATA LINK CONNECTORPFP:24814
Wiring DiagramNBS005QS
TBWT1072E
Page 3003 of 5621
![INFINITI M35 2006 Factory Service Manual EC-1460
[VK45DE]
MIL AND DATA LINK CONNECTOR
Revision: 2006 January2006 M35/M45
TBWT1073E INFINITI M35 2006 Factory Service Manual EC-1460
[VK45DE]
MIL AND DATA LINK CONNECTOR
Revision: 2006 January2006 M35/M45
TBWT1073E](/img/42/57023/w960_57023-3002.png)
EC-1460
[VK45DE]
MIL AND DATA LINK CONNECTOR
Revision: 2006 January2006 M35/M45
TBWT1073E
Page 3004 of 5621
![INFINITI M35 2006 Factory Service Manual SERVICE DATA AND SPECIFICATIONS (SDS)
EC-1461
[VK45DE]
C
D
E
F
G
H
I
J
K
L
MA
EC
Revision: 2006 January2006 M35/M45
SERVICE DATA AND SPECIFICATIONS (SDS)PFP:00030
Fuel PressureNBS005QT
Idle Speed and INFINITI M35 2006 Factory Service Manual SERVICE DATA AND SPECIFICATIONS (SDS)
EC-1461
[VK45DE]
C
D
E
F
G
H
I
J
K
L
MA
EC
Revision: 2006 January2006 M35/M45
SERVICE DATA AND SPECIFICATIONS (SDS)PFP:00030
Fuel PressureNBS005QT
Idle Speed and](/img/42/57023/w960_57023-3003.png)
SERVICE DATA AND SPECIFICATIONS (SDS)
EC-1461
[VK45DE]
C
D
E
F
G
H
I
J
K
L
MA
EC
Revision: 2006 January2006 M35/M45
SERVICE DATA AND SPECIFICATIONS (SDS)PFP:00030
Fuel PressureNBS005QT
Idle Speed and Ignition TimingNBS005QU
*: Under the following conditions:
Air conditioner switch: OFF
Electric load: OFF (Lights, heater fan & rear window defogger)
Steering wheel: Kept in straight-ahead position
Calculated Load ValueNBS005QV
Mass Air Flow SensorNBS005QW
*: Engine is warmed up to normal operating temperature and running under no load.
Intake Air Temperature SensorNBS005QX
Engine Coolant Temperature SensorNBS005QY
Fuel Tank Temperature SensorNBS005QZ
Crankshaft Position Sensor (POS)NBS005R0
Refer to EC-1105, "Component Inspection" .
Camshaft Position Sensor (PHASE)NBS005R1
Refer to EC-1112, "Component Inspection" .
A/F Sensor 1 HeaterNBS005R2
Fuel pressure at idling kPa (kg/cm2 , psi)Approximately 350 (3.57, 51)
Target idle speed No load* (in P or N position) 65050 rpm
Air conditioner: ON In P or N position 650 rpm or more
Ignition timing In P or N position 12
5 BTDC
Condition Calculated load value% (Using CONSULT-II or GST)
At idle14 - 33
At 2,500 rpm12 - 25
Supply voltageBattery voltage (11 - 14V)
Output voltage at idle0.9 - 1.2V*
Mass air flow (Using CONSULT-II or GST)2.0 - 6.0 gꞏm/sec at idle*
7.0 - 20.0 gꞏm/sec at 2,500 rpm*
Temperature C (F) Resistance k
25 (77)1.800 - 2.200
Temperature C (F) Resistance k
20 (68)2.1 - 2.9
50 (122)0.68 - 1.00
90 (194)0.236 - 0.260
Temperature C (F) Resistance k
20 (68)2.3 - 2.7
50 (122)0.79 - 0.90
Resistance [at 25C (77F)] 2.3 - 4.3
Page 3005 of 5621
![INFINITI M35 2006 Factory Service Manual EC-1462
[VK45DE]
SERVICE DATA AND SPECIFICATIONS (SDS)
Revision: 2006 January2006 M35/M45
Heated Oxygen Sensor 2 HeaterNBS005R3
Throttle Control MotorNBS005R4
Fuel InjectorNBS005R5
Fuel PumpNBS005R6
R INFINITI M35 2006 Factory Service Manual EC-1462
[VK45DE]
SERVICE DATA AND SPECIFICATIONS (SDS)
Revision: 2006 January2006 M35/M45
Heated Oxygen Sensor 2 HeaterNBS005R3
Throttle Control MotorNBS005R4
Fuel InjectorNBS005R5
Fuel PumpNBS005R6
R](/img/42/57023/w960_57023-3004.png)
EC-1462
[VK45DE]
SERVICE DATA AND SPECIFICATIONS (SDS)
Revision: 2006 January2006 M35/M45
Heated Oxygen Sensor 2 HeaterNBS005R3
Throttle Control MotorNBS005R4
Fuel InjectorNBS005R5
Fuel PumpNBS005R6
Resistance [at 25C (77F)] 5.0 - 7.0
Resistance [at 25C (77F)] Approximately 1 - 15
Resistance [at 10 - 60C (50 - 140F)] 13.5 - 17.5
Resistance [at 25C (77F)] 0.2 - 5.0
Page 3006 of 5621

EI-1
EXTERIOR & INTERIOR
I BODY
CONTENTS
C
D
E
F
G
H
J
K
L
M
SECTION EI
A
B
EI
Revision: 2006 January2006 M35/M45
EXTERIOR & INTERIOR
PRECAUTIONS .......................................................... 3
Precautions for Supplemental Restraint System
(SRS) “AIR BAG” and “SEAT BELT PRE-TEN-
SIONER” .................................................................. 3
Precautions for Procedures without Cowl Top Cover ..... 3
Precautions for Work ...........................................
..... 3
PREPARATION ........................................................... 4
Special Service Tools ............................................... 4
Commercial Service Tools ........................................ 4
SQUEAK AND RATTLE TROUBLE DIAGNOSES ..... 5
Work Flow ................................................................ 5
CUSTOMER INTERVIEW ..................................... 5
DUPLICATE THE NOISE AND TEST DRIVE ....... 6
CHECK RELATED SERVICE BULLETINS ........... 6
LOCATE THE NOISE AND IDENTIFY THE
ROOT CAUSE ...................................................... 6
REPAIR THE CAUSE ........................................... 6
CONFIRM THE REPAIR ....................................... 7
Generic Squeak and Rattle Troubleshooting ........... 7
INSTRUMENT PANEL .......................................... 7
CENTER CONSOLE ............................................. 7
DOORS ................................................................. 7
TRUNK .................................................................. 8
SUNROOF/HEADLINING ..................................... 8
SEATS ................................................................... 8
UNDERHOOD ....................................................... 8
Diagnostic Worksheet .............................................. 9
FRONT BUMPER ......................................................11
Removal and Installation ......................................... 11
REMOVAL ........................................................
... 12
INSTALLATION ................................................... 12
Removal and Installation of Front Bumper Grille ... 13
REMOVAL ........................................................
... 13
INSTALLATION ................................................... 13
REAR BUMPER ....................................................
... 14
Removal and Installation ........................................ 14
REMOVAL ........................................................
... 15
INSTALLATION ................................................... 15FRONT GRILLE ........................................................ 16
Removal and Installation ........................................ 16
REMOVAL ........................................................
... 16
INSTALLATION ................................................... 16
HOOD ........................................................................ 17
Removal and Installation ........................................ 17
HOOD TOP MOLDING ........................................ 17
COWL TOP ............................................................... 18
Removal and Installation ........................................ 18
REMOVAL ........................................................
... 18
INSTALLATION ................................................
... 18
FENDER PROTECTOR ............................................ 20
Removal and Installation ........................................ 20
REMOVAL ........................................................
... 20
INSTALLATION ................................................... 20
Rear Wheel House Protector .................................. 21
REMOVAL AND INSTALLATION ........................ 21
REMOVAL ........................................................
... 21
INSTALLATION ................................................... 21
CENTER MUD GUARD ............................................ 22
Removal and Installation ........................................ 22
REMOVAL ........................................................
... 22
INSTALLATION ................................................... 22
FLOOR SIDE FAIRING ............................................. 23
Removal and Installation of Under Cover (for V6
Engine Models) ....................................................... 23
Removal and Installation of Under Cover (for V8
Engine Models) ....................................................... 23
FRONT UNDER COVER .................................... 23
FRONT UNDER COVER (REAR) ....................... 24
FLOOR UNDER COVER .................................... 24
REAR UNDER COVER ....................................... 24
REAR DIFFUSER ............................................... 24
ROOF SIDE MOLDING ............................................. 25
Removal and Installation ........................................ 25
REMOVAL ........................................................
... 25
INSTALLATION ................................................... 26
Page 3007 of 5621

EI-2Revision: 2006 January2006 M35/M45 DOOR SASH MOLDING ........................................... 27
Removal and Installation ........................................ 27
FRONT DOOR SASH MOLDING ........................ 27
REAR DOOR SUSH MOLDING .......................... 27
DOOR SASH OUTER COVER ............................ 28
REAR DOOR CORNER COVER ........................ 28
DOOR OUTSIDE MOLDING ..................................... 29
Removal and Installation ........................................ 29
FRONT DOOR OUTSIDE MOLDING .................. 29
REAR DOOR OUTSIDE MOLDING .................... 30
SIDE GUARD MOLDING .......................................... 31
Removal and Installation ........................................ 31
REMOVAL ........................................................
... 31
INSTALLATION .................................................... 31
DOOR PARTING SEAL ............................................ 32
Removal and Installation ........................................ 32
FRONT DOOR PARTING SEAL .......................... 32
REAR DOOR PARTING SEAL ............................ 32
TRUNK LID FINISHER .............................................. 33
Removal and Installation ........................................ 33
REMOVAL ........................................................
... 33
INSTALLATION .................................................... 33
DOOR FINISHER ...................................................... 34
Removal and Installation ........................................ 34
FRONT AND REAR DOOR FINISHER ............... 34
FRONT DOOR SASH COVER INNER ................ 36
REAR DOOR SASH COVER INNER .................. 36BODY SIDE TRIM ..................................................... 37
Removal and Installation ......................................... 37
FRONT PILLAR GARNISH .................................. 38
FRONT KICKING PLATE OUTER ....................... 38
FRONT KICKING PLATE INNER ........................ 38
FRONT BODY SIDE WELT ................................. 39
CENTER PILLAR LOWER GARNISH ................. 39
CENTER PILLAR UPPER GARNISH .................. 39
REAR KICKING PLATE OUTER ......................... 40
REAR KICKING PLATE INNER ........................... 40
REAR BODY SIDE WELT .................................... 40
REAR WHEEL HOUSE GARNISH ...................... 41
REAR PILLAR FINISHER .................................... 41
REAR PARCEL SHELF FINISHER ........................... 42
Removal and Installation ......................................... 42
REMOVAL ............................................................ 42
INSTALLATION .................................................... 43
Rear Window Sunshade ......................................... 43
REMOVAL AND INSTALLATION ......................... 43
SUNSHADE ............................................................... 44
Component Parts and Harness Connector Location ... 44
Schematic ............................................................... 45
Wiring Diagram—SHADE— .................................... 46
Terminals and Reference Values for Rear Sun-
shade Unit ............................................................... 49
FLOOR TRIM ............................................................. 50
Removal and Installation ......................................... 50
REMOVAL ............................................................ 50
INSTALLATION .................................................... 51
HEADLINING ............................................................. 52
Removal and Installation ......................................... 52
REMOVAL ............................................................ 53
INSTALLATION .................................................... 55
TRUNK ROOM TRIM & TRUNK LID FINISHER ....... 56
Removal and Installation for Trunk Room Trim ....... 56
REMOVAL ............................................................ 57
INSTALLATION .................................................... 57
REMOVAL AND INSTALLATION OF TRUNK LID
FINISHER INNER ................................................ 57
Page 3008 of 5621

PRECAUTIONS
EI-3
C
D
E
F
G
H
J
K
L
MA
B
EI
Revision: 2006 January2006 M35/M45
PRECAUTIONSPFP:00001
Precautions for Supplemental Restraint System (SRS) “AIR BAG” and “SEAT
BELT PRE-TENSIONER”
NIS00245
The Supplemental Restraint System such as “AIR BAG” and “SEAT BELT PRE-TENSIONER”, used along
with a front seat belt, helps to reduce the risk or severity of injury to the driver and front passenger for certain
types of collision. This system includes seat belt switch inputs and dual stage front air bag modules. The SRS
system uses the seat belt switches to determine the front air bag deployment, and may only deploy one front
air bag, depending on the severity of a collision and whether the front occupants are belted or unbelted.
Information necessary to service the system safely is included in the SRS and SB section of this Service Man-
ual.
WAR NING :
To avoid rendering the SRS inoperative, which could increase the risk of personal injury or death
in the event of a collision which would result in air bag inflation, all maintenance must be per-
formed by an authorized NISSAN/INFINITI dealer.
Improper maintenance, including incorrect removal and installation of the SRS, can lead to per-
sonal injury caused by unintentional activation of the system. For removal of Spiral Cable and Air
Bag Module, see the SRS section.
Do not use electrical test equipment on any circuit related to the SRS unless instructed to in this
Service Manual. SRS wiring harnesses can be identified by yellow and/or orange harnesses or
harness connectors.
Precautions for Procedures without Cowl Top CoverNIS00246
When performing the procedure after removing cowl top cover, cover
the lower end of windshield with urethane, etc.
Precautions for WorkNIS00247
After removing and installing the opening/closing parts, be sure to carry out fitting adjustments to check
their operation.
Check the lubrication level, damage, and wear of each part. If necessary, grease or replace it.
PIIB3706J
Page 3009 of 5621

EI-4
PREPARATION
Revision: 2006 January2006 M35/M45
PREPARATIONPFP:00002
Special Service ToolsNIS00248
The actual shapes of Kent-Moore tools may differ from those of special service tools illustrated here.
Commercial Service ToolsNIS00249
Tool number
(Kent-Moore No.)
Tool nameDescription
(J-39570)
Chassis earLocation the noise
(J-43980)
NISSAN Squeak and Rattle
KitRepairing the cause of noise
SIIA0993E
SIIA0994E
Tool nameDescription
Engine earLocation the noise
Power tool
SIIA0995E
PIIB1407E
Page 3010 of 5621

SQUEAK AND RATTLE TROUBLE DIAGNOSES
EI-5
C
D
E
F
G
H
J
K
L
MA
B
EI
Revision: 2006 January2006 M35/M45
SQUEAK AND RATTLE TROUBLE DIAGNOSESPFP:00000
Work FlowNIS0024A
CUSTOMER INTERVIEW
Interview the customer if possible, to determine the conditions that exist when the noise occurs. Use the Diag-
nostic Worksheet during the interview to document the facts and conditions when the noise occurs and any
customer's comments; refer to EI-9, "
Diagnostic Worksheet" . This information is necessary to duplicate the
conditions that exist when the noise occurs.
The customer may not be able to provide a detailed description or the location of the noise. Attempt to
obtain all the facts and conditions that exist when the noise occurs (or does not occur).
If there is more than one noise in the vehicle, be sure to diagnose and repair the noise that the customer
is concerned about. This can be accomplished by test driving the vehicle with the customer.
After identifying the type of noise, isolate the noise in terms of its characteristics. The noise characteristics
are provided so the customer, service adviser and technician are all speaking the same language when
defining the noise.
Squeak —(Like tennis shoes on a clean floor)
Squeak characteristics include the light contact/fast movement/brought on by road conditions/hard sur-
faces=higher pitch noise/softer surfaces=lower pitch noises/edge to surface=chirping
Creak—(Like walking on an old wooden floor)
Creak characteristics include firm contact/slow movement/twisting with a rotational movement/pitch
dependent on materials/often brought on by activity.
Rattle—(Like shaking a baby rattle)
Rattle characteristics include the fast repeated contact/vibration or similar movement/loose parts/missing
clip or fastener/incorrect clearance.
Knock —(Like a knock on a door)
Knock characteristics include hollow sounding/sometimes repeating/often brought on by driver action.
Tick—(Like a clock second hand)
Tick characteristics include gentle contacting of light materials/loose components/can be caused by driver
action or road conditions.
Thump—(Heavy, muffled knock noise)
Thump characteristics include softer knock/dead sound often brought on by activity.
Buzz—(Like a bumble bee)
Buzz characteristics include high frequency rattle/firm contact.
Often the degree of acceptable noise level will vary depending upon the person. A noise that you may
judge as acceptable may be very irritating to the customer.
Weather conditions, especially humidity and temperature, may have a great effect on noise level.
SBT842