NISSAN X-TRAIL 2003 Electronic Repair Manual
Manufacturer: NISSAN, Model Year: 2003, Model line: X-TRAIL, Model: NISSAN X-TRAIL 2003Pages: 3066, PDF Size: 51.47 MB
Page 401 of 3066
![NISSAN X-TRAIL 2003 Electronic Repair Manual VEHICLE SPEED SENSOR·A/T (REVOLUTION SENSOR)
AT-395
[ALL]
D
E
F
G
H
I
J
K
L
MA
B
AT
Diagnostic ProcedureECS004TL
1.CHECK INPUT SIGNAL (WITH CONSULT-II)
With CONSULT-II
1. Start engine.
2. Select “T NISSAN X-TRAIL 2003 Electronic Repair Manual VEHICLE SPEED SENSOR·A/T (REVOLUTION SENSOR)
AT-395
[ALL]
D
E
F
G
H
I
J
K
L
MA
B
AT
Diagnostic ProcedureECS004TL
1.CHECK INPUT SIGNAL (WITH CONSULT-II)
With CONSULT-II
1. Start engine.
2. Select “T](/img/5/57402/w960_57402-400.png)
VEHICLE SPEED SENSOR·A/T (REVOLUTION SENSOR)
AT-395
[ALL]
D
E
F
G
H
I
J
K
L
MA
B
AT
Diagnostic ProcedureECS004TL
1.CHECK INPUT SIGNAL (WITH CONSULT-II)
With CONSULT-II
1. Start engine.
2. Select “TCM INPUT SIGNALS” in “DATA MONITOR” mode for
“A/T” with CONSULT-II.
3. Read out the value of “VHCL/S SE·A/T” while driving.
Check the value changes according to driving speed.
OK or NG
OK >> GO TO 3
NG >> GO TO 2
2.CHECK REVOLUTION SENSOR (WITH CONSULT-II)
With CONSULT-II
1. Start engine.
Harness for short or open between TCM, ECM and revolution sensor (Main harness)
OK or NG
OK >> GO TO 3
NG >> Repair or replace damaged parts.
SAT014K
SAT614J
MTBL0575
Page 402 of 3066
![NISSAN X-TRAIL 2003 Electronic Repair Manual AT-396
[ALL]
VEHICLE SPEED SENSOR·A/T (REVOLUTION SENSOR)
3.CHECK DTC
Perform Self-diagnosis Code confirmation procedure,AT-393, "
SELF-DIAGNOSIS CODE CONFIRMATION
PROCEDURE".
OK or NG
OK >>INSPECTIO NISSAN X-TRAIL 2003 Electronic Repair Manual AT-396
[ALL]
VEHICLE SPEED SENSOR·A/T (REVOLUTION SENSOR)
3.CHECK DTC
Perform Self-diagnosis Code confirmation procedure,AT-393, "
SELF-DIAGNOSIS CODE CONFIRMATION
PROCEDURE".
OK or NG
OK >>INSPECTIO](/img/5/57402/w960_57402-401.png)
AT-396
[ALL]
VEHICLE SPEED SENSOR·A/T (REVOLUTION SENSOR)
3.CHECK DTC
Perform Self-diagnosis Code confirmation procedure,AT-393, "
SELF-DIAGNOSIS CODE CONFIRMATION
PROCEDURE".
OK or NG
OK >>INSPECTION END
NG >> GO TO 4
4.CHECK TCM INSPECTION
1. Perform TCM input/output signal inspection.
2. If NG, recheck TCM pin terminals for damage or loose connection with harness connector.
OK or NG
OK >>INSPECTION END
NG >> Repair or replace damaged parts.
Page 403 of 3066
![NISSAN X-TRAIL 2003 Electronic Repair Manual DTC VEHICLE SPEED SENSOR MTR
AT-397
[ALL]
D
E
F
G
H
I
J
K
L
MA
B
AT
DTC VEHICLE SPEED SENSOR MTRPFP:24814
DescriptionECS004TM
The vehicle speed sensor·MTR is built into the speedometer assem-
bly. Th NISSAN X-TRAIL 2003 Electronic Repair Manual DTC VEHICLE SPEED SENSOR MTR
AT-397
[ALL]
D
E
F
G
H
I
J
K
L
MA
B
AT
DTC VEHICLE SPEED SENSOR MTRPFP:24814
DescriptionECS004TM
The vehicle speed sensor·MTR is built into the speedometer assem-
bly. Th](/img/5/57402/w960_57402-402.png)
DTC VEHICLE SPEED SENSOR MTR
AT-397
[ALL]
D
E
F
G
H
I
J
K
L
MA
B
AT
DTC VEHICLE SPEED SENSOR MTRPFP:24814
DescriptionECS004TM
The vehicle speed sensor·MTR is built into the speedometer assem-
bly. The sensor functions as an auxiliary device to the revolution sen-
sor when it is malfunctioning. The TCM will then use a signal sent
from the vehicle speed sensor·MTR.
TCM TERMINALS AND REFERENCE VALUE
Remarks: Specification data are reference values.
ON BOARD DIAGNOSIS LOGIC
SELF-DIAGNOSIS CODE CONFIRMATION PROCEDURE
After the repair, perform the following procedure to confirm the malfunction is eliminated.
With CONSULT-II
1. Start engine.
2. Select “SELF-DIAG RESULTS” mode for A/T with CONSULT-II.
3. Drive vehicle under the following conditions:
Selector lever in “D” position and vehicle speed higher than 20
km/h (12 MPH).
SCIA0716E
Te r m i -
nal No.Wire color Item ConditionJudgement stan-
dard
(Approx.)
40 L/BVehicle speed
sensorWhen moving vehicle at 2 to 3 km/h
(1to2MPH)for1m(3ft)ormore.Voltage varies
between less
than 0V and
more than 4.5V
Diagnostic trouble code Malfunction is detected when ... Check items (Possible cause)
: VHCL SPEED SEN·MTR
TCM does not receive the proper voltage
signal from the sensor.
lHarness or connectors
(The sensor circuit is open or shorted.)
lVehicle speed sensor
: 2nd judgement flicker
SAT014K
Page 404 of 3066
![NISSAN X-TRAIL 2003 Electronic Repair Manual AT-398
[ALL]
DTC VEHICLE SPEED SENSOR MTR
Without CONSULT-II
1. Start engine.
2. Drive vehicle under the following conditions:
Selector lever in “D” position and vehicle speed higher than 20
km/h NISSAN X-TRAIL 2003 Electronic Repair Manual AT-398
[ALL]
DTC VEHICLE SPEED SENSOR MTR
Without CONSULT-II
1. Start engine.
2. Drive vehicle under the following conditions:
Selector lever in “D” position and vehicle speed higher than 20
km/h](/img/5/57402/w960_57402-403.png)
AT-398
[ALL]
DTC VEHICLE SPEED SENSOR MTR
Without CONSULT-II
1. Start engine.
2. Drive vehicle under the following conditions:
Selector lever in “D” position and vehicle speed higher than 20
km/h (12 MPH).
3. Perform self-diagnosis.
Refer to “SELF-DIAGNOSTIC PROCEDURE (Without CON-
SULT-II)”,AT-397, "
SELF-DIAGNOSIS CODE CONFIRMATION
PROCEDURE".
SCIA0696E
Page 405 of 3066
![NISSAN X-TRAIL 2003 Electronic Repair Manual DTC VEHICLE SPEED SENSOR MTR
AT-399
[ALL]
D
E
F
G
H
I
J
K
L
MA
B
AT
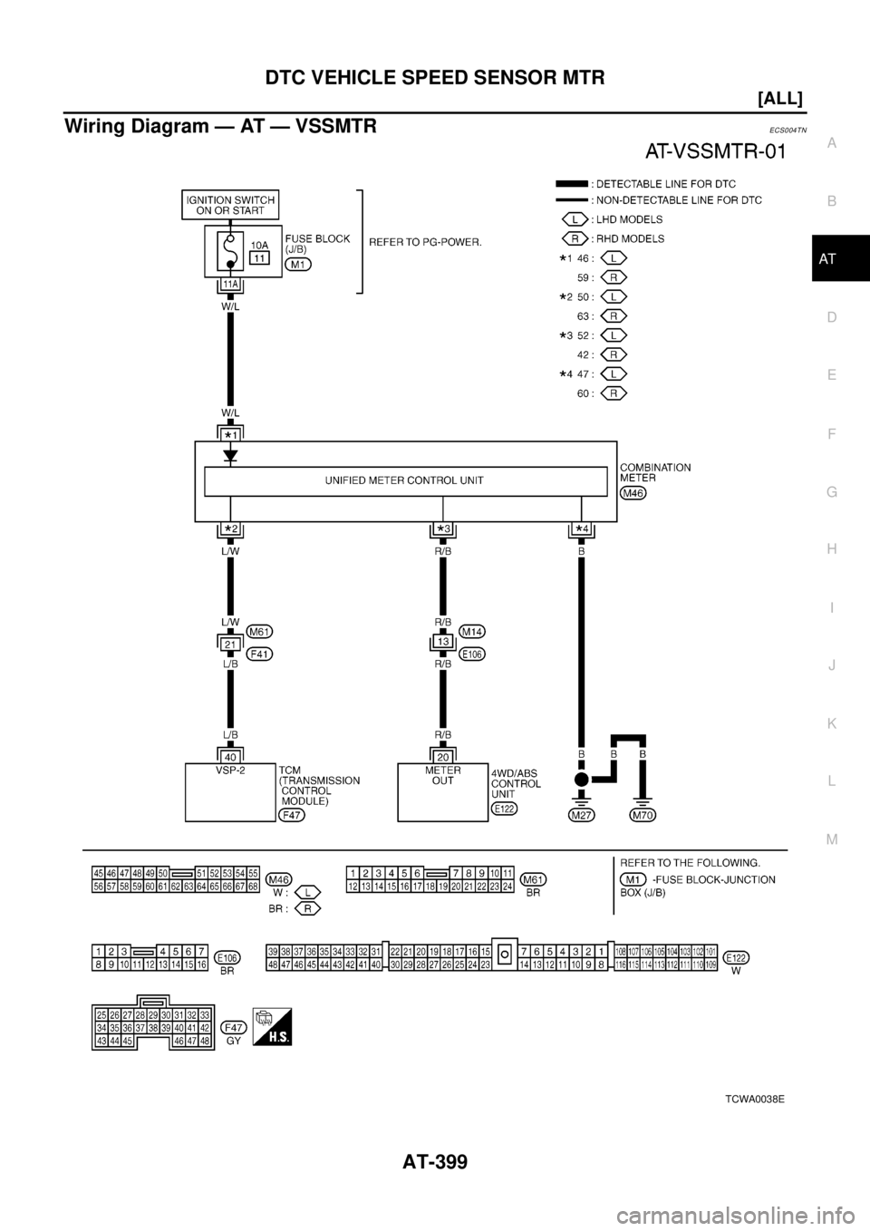
Wiring Diagram — AT — VSSMTRECS004TN
TCWA0038E NISSAN X-TRAIL 2003 Electronic Repair Manual DTC VEHICLE SPEED SENSOR MTR
AT-399
[ALL]
D
E
F
G
H
I
J
K
L
MA
B
AT
Wiring Diagram — AT — VSSMTRECS004TN
TCWA0038E](/img/5/57402/w960_57402-404.png)
DTC VEHICLE SPEED SENSOR MTR
AT-399
[ALL]
D
E
F
G
H
I
J
K
L
MA
B
AT
Wiring Diagram — AT — VSSMTRECS004TN
TCWA0038E
Page 406 of 3066
![NISSAN X-TRAIL 2003 Electronic Repair Manual AT-400
[ALL]
DTC VEHICLE SPEED SENSOR MTR
Diagnostic Procedure
ECS004TO
1.CHECK INPUT SIGNAL
With CONSULT-II
1. Start engine.
2. Select “TCM INPUT SIGNALS” in “DATA MONITOR” mode for “A/T” NISSAN X-TRAIL 2003 Electronic Repair Manual AT-400
[ALL]
DTC VEHICLE SPEED SENSOR MTR
Diagnostic Procedure
ECS004TO
1.CHECK INPUT SIGNAL
With CONSULT-II
1. Start engine.
2. Select “TCM INPUT SIGNALS” in “DATA MONITOR” mode for “A/T”](/img/5/57402/w960_57402-405.png)
AT-400
[ALL]
DTC VEHICLE SPEED SENSOR MTR
Diagnostic Procedure
ECS004TO
1.CHECK INPUT SIGNAL
With CONSULT-II
1. Start engine.
2. Select “TCM INPUT SIGNALS” in “DATA MONITOR” mode for “A/T” with CONSULT-II.
3. Read out the value of “VHCL/S SE·MTR” while driving.
Check the value changes according to driving speed.
Without CONSULT-II
1. Start engine.
2. Check voltage between TCM terminal 40 and ground while driv-
ing at 2 to 3 km/h (1 to 2 MPH) for 1 m (3 ft) or more.
OK or NG
OK >> GO TO 2
NG >> Check the following items:
lVehicle speed sensor and ground circuit for vehicle speed sensor
Refer toDI-10, "
Meter/Gauge Operation and Odo/Trip Meter Segment Check in Diagnosis
Mode", “METERS AND GAUGES”.
lHarness for short or open between TCM and vehicle speed sensor (Main harness)
2.CHECK DTC
Perform Self-diagnosis Code confirmation procedure,AT-397, "
SELF-DIAGNOSIS CODE CONFIRMATION
PROCEDURE".
OK or NG
OK >>INSPECTION END
NG >> 1. Perform TCM input/output signal inspection.
2. If NG, recheck TCM pin terminals for damage or loose connection with harness connector. Voltage: Voltage varies between less than 1V and
more than 4.5V.
SAT614J
SCIA0717E
Page 407 of 3066
![NISSAN X-TRAIL 2003 Electronic Repair Manual ACCELE RATOR PEDAL POSITION (APP) SENSOR
AT-401
[ALL]
D
E
F
G
H
I
J
K
L
MA
B
AT
ACCELE RATOR PEDAL POSITION (APP) SENSORPFP:22620
DescriptionECS0 04 T P
lAccelerator pedal position (APP) sensor (Throt NISSAN X-TRAIL 2003 Electronic Repair Manual ACCELE RATOR PEDAL POSITION (APP) SENSOR
AT-401
[ALL]
D
E
F
G
H
I
J
K
L
MA
B
AT
ACCELE RATOR PEDAL POSITION (APP) SENSORPFP:22620
DescriptionECS0 04 T P
lAccelerator pedal position (APP) sensor (Throt](/img/5/57402/w960_57402-406.png)
ACCELE RATOR PEDAL POSITION (APP) SENSOR
AT-401
[ALL]
D
E
F
G
H
I
J
K
L
MA
B
AT
ACCELE RATOR PEDAL POSITION (APP) SENSORPFP:22620
DescriptionECS0 04 T P
lAccelerator pedal position (APP) sensor (Throttle position sen-
sor)
Electric throttle contral actuator consists of throttle control motor,
accelration pedal position sensor, throttle position sensor, etc.
The actuator sends a signal to the TCM.
CONSULT-II REFERENCE VALUE IN DATA MONITOR MODE
Remarks: Specification data are reference values.
TCM TERMINALS AND REFERENCE VALUE
Remarks: Specification data are reference values.
ON BOARD DIAGNOSIS LOGIC
*:This code means Accelerator pedal position (APP) sensor in reality.
PBIB0498E
Monitor item Condition Specification
Accelerator pedal position (APP) sensor
(Throttle position sensor)Fully-closed throttle Approximately 0.5V
Fully-open throttle Approximately 4V
Te r m i -
nal No.Wire color Item ConditionJudgement stan-
dard
(Approx.)
32 RThrottle position
sensor
(Power source)
orWhen turning ignition switch "ON". 4.5 - 5.5V
When turning ignition switch "OFF". 0V
41 W/RThrottle position
sensorWhen depressing accelerator pedal
slowly after warming up engine.
(Voltage rises gradually in response
to throttle position.)Fully-closed throttle:
0.5V
Fully-open throttle:
4V
42 BGround
(Throttle position
sensor)———
Diagnostic trouble code Malfunction is detected when ... Check items (Possible cause)
: THROTTLE POSI SEN*
TCM receives an excessively low or high
voltage from the sensor.
lHarness or connectors
(The sensor circuit is open or shorted.)
lAccelerator pedal position (APP) sensor
(Throttle position sensor) : 3rd judgement flicker
Page 408 of 3066
![NISSAN X-TRAIL 2003 Electronic Repair Manual AT-402
[ALL]
ACCELE RATOR PEDAL POSITION (APP) SENSOR
SELF-DIAGNOSIS CODE CONFIRMATION PROCEDURE
After the repair, perform the following procedure to confirm the malfunction is eliminated.
With CONSUL NISSAN X-TRAIL 2003 Electronic Repair Manual AT-402
[ALL]
ACCELE RATOR PEDAL POSITION (APP) SENSOR
SELF-DIAGNOSIS CODE CONFIRMATION PROCEDURE
After the repair, perform the following procedure to confirm the malfunction is eliminated.
With CONSUL](/img/5/57402/w960_57402-407.png)
AT-402
[ALL]
ACCELE RATOR PEDAL POSITION (APP) SENSOR
SELF-DIAGNOSIS CODE CONFIRMATION PROCEDURE
After the repair, perform the following procedure to confirm the malfunction is eliminated.
With CONSULT-II
1. Start engine.
2. Select “SELF-DIAG RESULTS” mode for A/T with CONSULT-II.
3. Drive vehicle under the following conditions:
Selector lever in “D” position, vehicle speed higher than 10 km/h
(6 MPH), throttle opening greater than 1/2 of the full throttle
position and driving for more than 3 seconds.
Without CONSULT-II
1. Start engine.
2. Drive vehicle under the following conditions:
Selector lever in “D” position, vehicle speed higher than 10 km/h
(6 MPH), throttle opening greater than 1/2 of the full throttle
position and driving for more than 3 seconds.
3. Perform self-diagnosis.
Refer to “SELF-DIAGNOSTIC PROCEDURE (Without CON-
SULT-II)”,AT-407, "
Without CONSULT-II".
SAT014K
SCIA0697E
Page 409 of 3066
![NISSAN X-TRAIL 2003 Electronic Repair Manual ACCELE RATOR PEDAL POSITION (APP) SENSOR
AT-403
[ALL]
D
E
F
G
H
I
J
K
L
MA
B
AT
Wiring Diagram — AT — TPSECS004TQ
TCWA0039E NISSAN X-TRAIL 2003 Electronic Repair Manual ACCELE RATOR PEDAL POSITION (APP) SENSOR
AT-403
[ALL]
D
E
F
G
H
I
J
K
L
MA
B
AT
Wiring Diagram — AT — TPSECS004TQ
TCWA0039E](/img/5/57402/w960_57402-408.png)
ACCELE RATOR PEDAL POSITION (APP) SENSOR
AT-403
[ALL]
D
E
F
G
H
I
J
K
L
MA
B
AT
Wiring Diagram — AT — TPSECS004TQ
TCWA0039E
Page 410 of 3066
![NISSAN X-TRAIL 2003 Electronic Repair Manual AT-404
[ALL]
ACCELE RATOR PEDAL POSITION (APP) SENSOR
Diagnostic Procedure
ECS004TR
1.CHECK DTC WITH ECM
lCheck P code with CONSULT-II “ENGINE”.
Turn ignition switch ON and select “SELF DIAGNOST NISSAN X-TRAIL 2003 Electronic Repair Manual AT-404
[ALL]
ACCELE RATOR PEDAL POSITION (APP) SENSOR
Diagnostic Procedure
ECS004TR
1.CHECK DTC WITH ECM
lCheck P code with CONSULT-II “ENGINE”.
Turn ignition switch ON and select “SELF DIAGNOST](/img/5/57402/w960_57402-409.png)
AT-404
[ALL]
ACCELE RATOR PEDAL POSITION (APP) SENSOR
Diagnostic Procedure
ECS004TR
1.CHECK DTC WITH ECM
lCheck P code with CONSULT-II “ENGINE”.
Turn ignition switch ON and select “SELF DIAGNOSTIC RESULTS” mode for “ENGINE” with CONSULT-II.
Refer to "EC-48, "
Malfunction Indicator (MI)"", “Malfunction Indicator Lamp (MIL)”.
OK or NG
OK (With CONSULT-II)>>GOTO2
OK (Without CONSULT-II)>>GOTO3
NG >> Check throttle position sensor circuit for engine control. Refer to "EC-154, "
DTC P0121 APP SEN-
SOR"", “DTC P0121 Accelerator pedal position (APP) sensor”.
2.CHECK INPUT SIGNAL (WITH CONSULT-II)
With CONSULT-II
1. Turn ignition switch to “ON” position.
(Do not start engine.)
2. Select “TCM INPUT SIGNALS” in “DATA MONITOR” mode for
“A/T” with CONSULT-II.
3. Read out the value of “THRTL POS SEN”.
OK or NG
OK >> GO TO 4
NG >> Check harness for short or open between ECM and
TCM regarding throttle position sensor circuit. (Main
harness)
SAT014K
Vo l ta g e :
Fully-closed throttle :Approximately 0.5V
Fully-open throttle :Approximately 4V
SAT614J