NISSAN X-TRAIL 2003 Electronic Repair Manual
Manufacturer: NISSAN, Model Year: 2003, Model line: X-TRAIL, Model: NISSAN X-TRAIL 2003Pages: 3066, PDF Size: 51.47 MB
Page 431 of 3066
![NISSAN X-TRAIL 2003 Electronic Repair Manual TORQUE CONVERTER CLUTCH SOLENOID VALVE
AT-425
[ALL]
D
E
F
G
H
I
J
K
L
MA
B
AT
Component InspectionECS0 04 U7
TORQUE CONVERTER CLUTCH SOLENOID VALVE
lFor removal, refer toAT-453, "Installation".
Resist NISSAN X-TRAIL 2003 Electronic Repair Manual TORQUE CONVERTER CLUTCH SOLENOID VALVE
AT-425
[ALL]
D
E
F
G
H
I
J
K
L
MA
B
AT
Component InspectionECS0 04 U7
TORQUE CONVERTER CLUTCH SOLENOID VALVE
lFor removal, refer toAT-453, "Installation".
Resist](/img/5/57402/w960_57402-430.png)
TORQUE CONVERTER CLUTCH SOLENOID VALVE
AT-425
[ALL]
D
E
F
G
H
I
J
K
L
MA
B
AT
Component InspectionECS0 04 U7
TORQUE CONVERTER CLUTCH SOLENOID VALVE
lFor removal, refer toAT-453, "Installation".
Resistance Check
lCheck resistance between two terminals.
Operation Check
lCheck solenoid valve by listening for its operating sound while
applying battery voltage to the terminal and ground.
SCIA0733E
Solenoid valve Terminal No.Resistance
(Approx.)
Torque converter
clutch solenoid
valve5Ground5-20W
SCIA0734E
Page 432 of 3066
![NISSAN X-TRAIL 2003 Electronic Repair Manual AT-426
[ALL]
BATT/FLUID TEMP SEN (A/T FLUID TEMP SENSOR CIRCUIT AND TCM POW-
ER SOURCE)
BATT/FLUID TEMP SEN (A/T FLUID TEMP SENSOR CIRCUIT AND TCM POWER
SOURCE)
PFP:31940
DescriptionECS004U8
The A/T f NISSAN X-TRAIL 2003 Electronic Repair Manual AT-426
[ALL]
BATT/FLUID TEMP SEN (A/T FLUID TEMP SENSOR CIRCUIT AND TCM POW-
ER SOURCE)
BATT/FLUID TEMP SEN (A/T FLUID TEMP SENSOR CIRCUIT AND TCM POWER
SOURCE)
PFP:31940
DescriptionECS004U8
The A/T f](/img/5/57402/w960_57402-431.png)
AT-426
[ALL]
BATT/FLUID TEMP SEN (A/T FLUID TEMP SENSOR CIRCUIT AND TCM POW-
ER SOURCE)
BATT/FLUID TEMP SEN (A/T FLUID TEMP SENSOR CIRCUIT AND TCM POWER
SOURCE)
PFP:31940
DescriptionECS004U8
The A/T fluid temperature sensor detects the A/T fluid temperature
and sends a signal to the TCM.
CONSULT-II REFERENCE VALUE IN DATA MONITOR MODE
Remarks: Specification data are reference values.
TCM TERMINALS AND REFERENCE VALUE
Remarks: Specification data are reference values.
SCIA0735E
SAT021J
Monitor item Condition Specification (Approximately)
A/T fluid temperature sensorCold [20°C(68°F)]
¯
Hot [80°C(176°F)]1.5V
¯
0.5V2.5 kW
¯
0.3 kW
Te r m i -
nal No.Wire color Item ConditionJudgement stan-
dard
(Approx.)
10 BR/W Power source
orWhen turning ignition switch to “ON”. Battery voltage
When turning ignition switch to
“OFF”.0V
19 BR/W Power source Same as No. 10
28 R/BPower source
(Memory back-up)
orWhen turning ignition switch to
“OFF”.Battery voltage
When turning ignition switch to “ON”. Battery voltage
42 BGround
(A/T fluid tempera-
ture sensor)———
47 BRA/T fluid tempera-
ture sensorWhen ATF temperature is 20°C
(68°F).1.5V
When ATF temperature is 80°C
(176°F).0.5V
Page 433 of 3066
![NISSAN X-TRAIL 2003 Electronic Repair Manual BATT/FLUID TEMP SEN (A/T FLUID TEMP SENSOR CIRCUIT AND TCM POW-
ER SOURCE)
AT-427
[ALL]
D
E
F
G
H
I
J
K
L
MA
B
AT
ON BOARD DIAGNOSIS LOGIC
SELF-DIAGNOSIS CODE CONFIRMATION PROCEDURE
After the repair, NISSAN X-TRAIL 2003 Electronic Repair Manual BATT/FLUID TEMP SEN (A/T FLUID TEMP SENSOR CIRCUIT AND TCM POW-
ER SOURCE)
AT-427
[ALL]
D
E
F
G
H
I
J
K
L
MA
B
AT
ON BOARD DIAGNOSIS LOGIC
SELF-DIAGNOSIS CODE CONFIRMATION PROCEDURE
After the repair,](/img/5/57402/w960_57402-432.png)
BATT/FLUID TEMP SEN (A/T FLUID TEMP SENSOR CIRCUIT AND TCM POW-
ER SOURCE)
AT-427
[ALL]
D
E
F
G
H
I
J
K
L
MA
B
AT
ON BOARD DIAGNOSIS LOGIC
SELF-DIAGNOSIS CODE CONFIRMATION PROCEDURE
After the repair, perform the following procedure to confirm the malfunction is eliminated.
With CONSULT-II
1. Start engine.
2. Select “SELF-DIAG RESULTS” mode for A/T with CONSULT-II.
3. Drive vehicle under the following conditions:
Selector lever in “D” position, vehicle speed higher than 10 km/h
(6 MPH), throttle opening greater than 1/8 of the full open posi-
tion, engine speed higher than 450 rpm and driving for more
than 10 minutes.
Without CONSULT-II
1. Start engine.
2. Drive vehicle under the following conditions:
Selector lever in “D” position, vehicle speed higher than 10 km/h
(6 MPH), throttle opening greater than 1/8 of the full open posi-
tion, engine speed higher than 450 rpm and driving for more
than 10 minutes.
3. Perform self-diagnosis.
Refer to “SELF-DIAGNOSTIC PROCEDURE (Without CON-
SULT-II)”,AT- 4 2 7 , "
SELF-DIAGNOSIS CODE CONFIRMATION
PROCEDURE".
Diagnostic trouble code Malfunction is detected when... Check items (Possible cause)
: BATT/FLUID TEMP SEN
TCM receives an excessively low or high
voltage from the sensor.
lHarness or connectors
(The sensor circuit is open or shorted.)
lA/T fluid temperature sensor
: 8th judgement flicker
SAT014K
SCIA0702E
Page 434 of 3066
![NISSAN X-TRAIL 2003 Electronic Repair Manual AT-428
[ALL]
BATT/FLUID TEMP SEN (A/T FLUID TEMP SENSOR CIRCUIT AND TCM POW-
ER SOURCE)
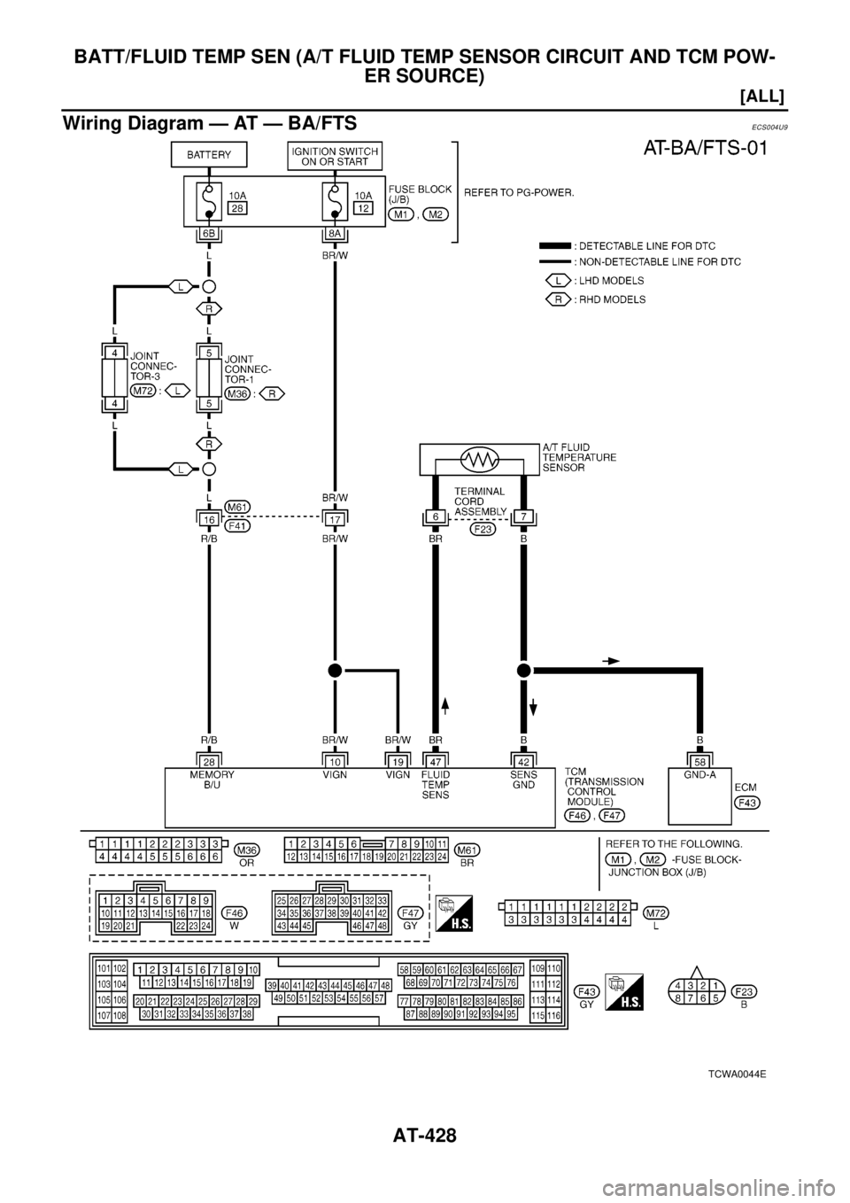
Wiring Diagram — AT — BA/FTS
ECS004U9
TCWA0044E NISSAN X-TRAIL 2003 Electronic Repair Manual AT-428
[ALL]
BATT/FLUID TEMP SEN (A/T FLUID TEMP SENSOR CIRCUIT AND TCM POW-
ER SOURCE)
Wiring Diagram — AT — BA/FTS
ECS004U9
TCWA0044E](/img/5/57402/w960_57402-433.png)
AT-428
[ALL]
BATT/FLUID TEMP SEN (A/T FLUID TEMP SENSOR CIRCUIT AND TCM POW-
ER SOURCE)
Wiring Diagram — AT — BA/FTS
ECS004U9
TCWA0044E
Page 435 of 3066
![NISSAN X-TRAIL 2003 Electronic Repair Manual BATT/FLUID TEMP SEN (A/T FLUID TEMP SENSOR CIRCUIT AND TCM POW-
ER SOURCE)
AT-429
[ALL]
D
E
F
G
H
I
J
K
L
MA
B
AT
Diagnostic ProcedureECS004UA
1.CHECK TCM POWER SOURCE
1. Turn ignition switch to “ON NISSAN X-TRAIL 2003 Electronic Repair Manual BATT/FLUID TEMP SEN (A/T FLUID TEMP SENSOR CIRCUIT AND TCM POW-
ER SOURCE)
AT-429
[ALL]
D
E
F
G
H
I
J
K
L
MA
B
AT
Diagnostic ProcedureECS004UA
1.CHECK TCM POWER SOURCE
1. Turn ignition switch to “ON](/img/5/57402/w960_57402-434.png)
BATT/FLUID TEMP SEN (A/T FLUID TEMP SENSOR CIRCUIT AND TCM POW-
ER SOURCE)
AT-429
[ALL]
D
E
F
G
H
I
J
K
L
MA
B
AT
Diagnostic ProcedureECS004UA
1.CHECK TCM POWER SOURCE
1. Turn ignition switch to “ON” position.
(Do not start engine.)
2. Check voltage between TCM terminals 10, 19, 28 and ground.
3. Turn ignition switch to “OFF” position.
4. Check voltage between TCM terminal 28 and ground.
OK or NG
OK >> GO TO 2
NG >> Check the following items:
lHarness for short or open between ignition switch and
TCM (Main harness)
lIgnition switch and fuse
Refer to “PG-2, "
POWER SUPPLY ROUTING"”,
“POWER SUPPLY ROUTING”.
2.CHECK A/T FLUID TEMPERATURE SENSOR WITH TERMINAL CORD ASSEMBLY
1. Turn ignition switch to “OFF” position.
2. Disconnect terminal cord assembly connector in engine compartment.
3. Check resistance between terminals 6 and 7 when A/T is cold.
4. Reinstall any part removed.
OK or NG
OK (With CONSULT-II)>>GO TO 3
OK (Without CONSULT-II)>>GO TO 4
NG >> 1. Remove oil pan.
2. Check the following items:
A/T fluid temperature sensor
Refer to “Component Inspection”,AT-431, "
Compo-
nent Inspection".
Harness of terminal cord assembly for short or open Voltage:Batteryvoltage
Voltage:Batteryvoltage
SCIA0736E
Resistance Cold[20°C(68°F)]
: Approximately 2.5 kW
SCIA0737E
Page 436 of 3066
![NISSAN X-TRAIL 2003 Electronic Repair Manual AT-430
[ALL]
BATT/FLUID TEMP SEN (A/T FLUID TEMP SENSOR CIRCUIT AND TCM POW-
ER SOURCE)
3.CHECK INPUT SIGNAL OF A/T FLUID TEMPERATURE SENSOR (WITH CONSULT-II)
With CONSULT-II
1. Start engine.
2. Selec NISSAN X-TRAIL 2003 Electronic Repair Manual AT-430
[ALL]
BATT/FLUID TEMP SEN (A/T FLUID TEMP SENSOR CIRCUIT AND TCM POW-
ER SOURCE)
3.CHECK INPUT SIGNAL OF A/T FLUID TEMPERATURE SENSOR (WITH CONSULT-II)
With CONSULT-II
1. Start engine.
2. Selec](/img/5/57402/w960_57402-435.png)
AT-430
[ALL]
BATT/FLUID TEMP SEN (A/T FLUID TEMP SENSOR CIRCUIT AND TCM POW-
ER SOURCE)
3.CHECK INPUT SIGNAL OF A/T FLUID TEMPERATURE SENSOR (WITH CONSULT-II)
With CONSULT-II
1. Start engine.
2. Select “TCM INPUT SIGNALS” in “DATA MONITOR” mode for “A/T” with CONSULT-II.
3. Read out the value of “FLUID TEMP SE”.
OK or NG
OK >> GO TO 5
NG >> Check the following item:
lHarness for short or open between TCM, ECM and
terminal cord assembly (Main harness)
lGround circuit for ECM
Refer to “”, “TROUBLE DIAGNOSIS FOR POWER
SUPPLY”.
4.CHECK INPUT SIGNAL OF A/T FLUID TEMPERATURE SENSOR (WITHOUT CONSULT-II)
Without CONSULT-II
1. Start engine.
2. Check voltage between TCM terminal 47 and ground while warming up A/T.
3. Turn ignition switch to “OFF” position.
4. Disconnect TCM harness connector.
5. Check resistance between terminal 42 and ground.
OK or NG
OK >> GO TO 5
NG >> Check the following item:
lHarness for short or open between TCM, ECM and
terminal cord assembly (Main harness)
lGround circuit for ECM
Refer to “”, “TROUBLE DIAGNOSIS FOR POWER
SUPPLY”. Vo l ta g e
Cold [20°C(68°F)]®Hot [80°C(176°F)] :
Approximately 1.5V®0.5V
SAT614J
Vo l ta g e
Cold [20°C(68°F)]®Hot [80°C(176°F)] :
Approximately 1.5V®0.5V
SCIA0738E
Continuity should exist.
SCIA0739E
Page 437 of 3066
![NISSAN X-TRAIL 2003 Electronic Repair Manual BATT/FLUID TEMP SEN (A/T FLUID TEMP SENSOR CIRCUIT AND TCM POW-
ER SOURCE)
AT-431
[ALL]
D
E
F
G
H
I
J
K
L
MA
B
AT
5.CHECK DTC
Perform Self-diagnosis Code confirmation procedure,AT-427, "
SELF-DIAGNOSI NISSAN X-TRAIL 2003 Electronic Repair Manual BATT/FLUID TEMP SEN (A/T FLUID TEMP SENSOR CIRCUIT AND TCM POW-
ER SOURCE)
AT-431
[ALL]
D
E
F
G
H
I
J
K
L
MA
B
AT
5.CHECK DTC
Perform Self-diagnosis Code confirmation procedure,AT-427, "
SELF-DIAGNOSI](/img/5/57402/w960_57402-436.png)
BATT/FLUID TEMP SEN (A/T FLUID TEMP SENSOR CIRCUIT AND TCM POW-
ER SOURCE)
AT-431
[ALL]
D
E
F
G
H
I
J
K
L
MA
B
AT
5.CHECK DTC
Perform Self-diagnosis Code confirmation procedure,AT-427, "
SELF-DIAGNOSIS CODE CONFIRMATION
PROCEDURE".
OK or NG
OK >>INSPECTION END
NG >> 1. Perform TCM input/output signal inspection.
2. If NG, recheck TCM pin terminals for damage or loose connection with harness connector.
Component InspectionECS004UB
A/T FLUID TEMPERATURE SENSOR
lFor removal, refer toAT-453, "Installation".
lCheck resistance between two terminals while changing temper-
ature as shown at left.
Temperature°C(°F) Resistance
20 (68) Approximately 2.5 kW
80 (176) Approximately 0.3 kW
SAT298F
Page 438 of 3066
![NISSAN X-TRAIL 2003 Electronic Repair Manual AT-432
[ALL]
ENGINE SPEED SIGNAL
ENGINE SPEED SIGNAL
PFP:24825
DescriptionECS004UC
The engine speed signal is sent from the ECM to the TCM.
TCM TERMINALS AND REFERENCE VALUE
Remarks: Specification dat NISSAN X-TRAIL 2003 Electronic Repair Manual AT-432
[ALL]
ENGINE SPEED SIGNAL
ENGINE SPEED SIGNAL
PFP:24825
DescriptionECS004UC
The engine speed signal is sent from the ECM to the TCM.
TCM TERMINALS AND REFERENCE VALUE
Remarks: Specification dat](/img/5/57402/w960_57402-437.png)
AT-432
[ALL]
ENGINE SPEED SIGNAL
ENGINE SPEED SIGNAL
PFP:24825
DescriptionECS004UC
The engine speed signal is sent from the ECM to the TCM.
TCM TERMINALS AND REFERENCE VALUE
Remarks: Specification data are reference values.
ON BOARD DIAGNOSIS LOGIC
SELF-DIAGNOSIS CODE CONFIRMATION PROCEDURE
After the repair, perform the following procedure to confirm the malfunction is eliminated.
With CONSULT-II
1. Start engine.
2. Select “SELF-DIAG RESULTS” mode for A/T with CONSULT-II.
3. Drive vehicle under the following conditions:
Selector lever in “D” position, vehicle speed higher than 10 km/h
(6 MPH), throttle opening greater than 1/8 of the full throttle
position and driving for more than 10 seconds.
Without CONSULT-II
1. Start engine.
2. Drive vehicle under the following conditions:
Selector lever in “D” position, vehicle speed higher than 10 km/h
(6 MPH), throttle opening greater than 1/8 of the full throttle
position and driving for more than 10 seconds.
3. Perform self-diagnosis.
Refer to “SELF-DIAGNOSTIC PROCEDURE (Without CON-
SULT-II)”,AT-432, "
ENGINE SPEED SIGNAL".
Te r m i -
nal No.Wire color Item ConditionJudgement stan-
dard
(Approx.)
39 L/OREngine speed
signalandRefer toEC-79, "
ECM INSPECTION TABLE"
“ECM INSPECTION TABLE”.—
Diagnostic trouble code Malfunction is detected when... Check item (Possible cause)
: ENGINE SPEED SIG
TCM does not receive the proper voltage
signal from ECM.
lHarness or connectors
(The sensor circuit is open or shorted.)
: 9th judgement flicker
SAT014K
SCIA0703E
Page 439 of 3066
![NISSAN X-TRAIL 2003 Electronic Repair Manual ENGINE SPEED SIGNAL
AT-433
[ALL]
D
E
F
G
H
I
J
K
L
MA
B
AT
Wiring Diagram — AT — ENGSSECS004UD
TCWA0045E NISSAN X-TRAIL 2003 Electronic Repair Manual ENGINE SPEED SIGNAL
AT-433
[ALL]
D
E
F
G
H
I
J
K
L
MA
B
AT
Wiring Diagram — AT — ENGSSECS004UD
TCWA0045E](/img/5/57402/w960_57402-438.png)
ENGINE SPEED SIGNAL
AT-433
[ALL]
D
E
F
G
H
I
J
K
L
MA
B
AT
Wiring Diagram — AT — ENGSSECS004UD
TCWA0045E
Page 440 of 3066
![NISSAN X-TRAIL 2003 Electronic Repair Manual AT-434
[ALL]
ENGINE SPEED SIGNAL
Diagnostic Procedure
ECS004UE
1.CHECK DTC WITH ECM
Perform diagnostic test mode II (self-diagnostic results) for engine control. Check ignition signal circuit condi-
t NISSAN X-TRAIL 2003 Electronic Repair Manual AT-434
[ALL]
ENGINE SPEED SIGNAL
Diagnostic Procedure
ECS004UE
1.CHECK DTC WITH ECM
Perform diagnostic test mode II (self-diagnostic results) for engine control. Check ignition signal circuit condi-
t](/img/5/57402/w960_57402-439.png)
AT-434
[ALL]
ENGINE SPEED SIGNAL
Diagnostic Procedure
ECS004UE
1.CHECK DTC WITH ECM
Perform diagnostic test mode II (self-diagnostic results) for engine control. Check ignition signal circuit condi-
tion.
OK or NG
OK (With CONSULT-II)>>GO TO 2
OK (Without CONSULT-II)>>GO TO 3
NG >> Check ignition signal circuit for engine control. Refer to “”, “DTC P1320 IGNITION SIGNAL”.
2.CHECK INPUT SIGNAL (WITH CONSULT-II)
With CONSULT-II
1. Start engine.
2. Select “TCM INPUT SIGNALS” in “DATA MONITOR” mode for
“A/T” with CONSULT-II.
3. Read out the value of “ENGINE SPEED”.
Check engine speed changes according to throttle position.
OK or NG
OK >> GO TO 4
NG >> Check the following items:
lHarness for short or open between TCM and ECM
lResistor and ignition coil
Refer to “”, “DTC P1320 IGNITION SIGNAL”.
3.CHECK INPUT SIGNAL (WITHOUT CONSULT-II)
Without CONSULT-II
1. Start engine.
2. Check voltage between TCM terminal 39 and ground.
OK or NG
OK >> GO TO 4
NG >> Check the following items:
lHarness for short or open between TCM and ECM
lResistor and ignition coil
Refer to “”, “DTC P1320 IGNITION SIGNAL”.
SAT014K
SAT645J
Voltage (Idle speed):
Refer to “”, “DTC P1320 IGNITION SIGNAL”.
SCIA0740E