NISSAN X-TRAIL 2003 Electronic Repair Manual
Manufacturer: NISSAN, Model Year: 2003, Model line: X-TRAIL, Model: NISSAN X-TRAIL 2003Pages: 3066, PDF Size: 51.47 MB
Page 391 of 3066
![NISSAN X-TRAIL 2003 Electronic Repair Manual TROUBLE DIAGNOSES FOR SYMPTOMS
AT-385
[EXC.F/EURO-OBD]
D
E
F
G
H
I
J
K
L
MA
B
AT
4.CHECK OVERDRIVE CONTROL SWITCH CIRCUIT (WITHOUT CONSULT-II)
Without CONSULT-II
1. Turn ignition switch to “ON” po NISSAN X-TRAIL 2003 Electronic Repair Manual TROUBLE DIAGNOSES FOR SYMPTOMS
AT-385
[EXC.F/EURO-OBD]
D
E
F
G
H
I
J
K
L
MA
B
AT
4.CHECK OVERDRIVE CONTROL SWITCH CIRCUIT (WITHOUT CONSULT-II)
Without CONSULT-II
1. Turn ignition switch to “ON” po](/img/5/57402/w960_57402-390.png)
TROUBLE DIAGNOSES FOR SYMPTOMS
AT-385
[EXC.F/EURO-OBD]
D
E
F
G
H
I
J
K
L
MA
B
AT
4.CHECK OVERDRIVE CONTROL SWITCH CIRCUIT (WITHOUT CONSULT-II)
Without CONSULT-II
1. Turn ignition switch to “ON” position.
(Do not start engine.)
2. Check voltage between TCM terminal 22 and ground when overdrive control switch is “ON” and “OFF”.
OK or NG
OK >> GOTO6
NG >> Check the following items:
lOverdrive control switch (Refer to “Component Inspection”,AT-387, "COMPONENT INSPEC-
TION".)
lHarness for short or open between TCM and overdrive control switch (Main harness)
lHarness of ground circuit for overdrive control switch (Main harness) for short or open Vo l ta g e :
Switch position “ON” :
Battery voltage
Switch position “OFF” :
1V or less
SCIA0778E
Page 392 of 3066
![NISSAN X-TRAIL 2003 Electronic Repair Manual AT-386
[EXC.F/EURO-OBD]
TROUBLE DIAGNOSES FOR SYMPTOMS
5.CHECK THROTTLE POSITION SENSOR* CIRCUIT (WITH CONSULT-II)
*:This sensor meaus accelerator pedal position (app) sensor.
With CONSULT-II
1. Refer NISSAN X-TRAIL 2003 Electronic Repair Manual AT-386
[EXC.F/EURO-OBD]
TROUBLE DIAGNOSES FOR SYMPTOMS
5.CHECK THROTTLE POSITION SENSOR* CIRCUIT (WITH CONSULT-II)
*:This sensor meaus accelerator pedal position (app) sensor.
With CONSULT-II
1. Refer](/img/5/57402/w960_57402-391.png)
AT-386
[EXC.F/EURO-OBD]
TROUBLE DIAGNOSES FOR SYMPTOMS
5.CHECK THROTTLE POSITION SENSOR* CIRCUIT (WITH CONSULT-II)
*:This sensor meaus accelerator pedal position (app) sensor.
With CONSULT-II
1. Refer to "SELF-DIAGNOSTIC PROCEDURE (With CONSULT-II)",AT-273, "
Diagnostic Procedure Without
CONSULT-II".—Except for Euro-OBD/Refer to "TCM SELF-DIAGNOSTIC PROCEDURE (With CON-
SULT-II)",AT - 5 1 , "
TCM SELF-DIAGNOSTIC PROCEDURE (NO TOOLS)"—Euro-OBD
2. Turn ignition switch to "ON" position.
(Do not start engine.)
3. Select "TCM INPUT SIGNALS" in "DATA MONITOR "mode for "A/T with CONSULT-II.
4. Read out "THRTL POS SEN" sensor" depressing and releasing acclerator pedal.
Check the signal of throttle position sensor is indicated properly.
OK or NG
OK >> GOTO7
NG >> Check the following items:
lThrottle position sensor — Refer to “Component Inspection”,AT-453, "Installation".
lHarness for short or open between ignition switch and throttle position sensor (Main harness)
lHarness for short or open between throttle position sensor and TCM (Main harness)
SAT014K
SAT614J
Page 393 of 3066
![NISSAN X-TRAIL 2003 Electronic Repair Manual TROUBLE DIAGNOSES FOR SYMPTOMS
AT-387
[EXC.F/EURO-OBD]
D
E
F
G
H
I
J
K
L
MA
B
AT
6.CHECK THROTTLE POSITION SENSOR CIRCUIT (WITHOUT CONSULT-II)
Without CONSULT-II
1. Pefer to "SELF-DIAGNOSTIC PROCEDURE NISSAN X-TRAIL 2003 Electronic Repair Manual TROUBLE DIAGNOSES FOR SYMPTOMS
AT-387
[EXC.F/EURO-OBD]
D
E
F
G
H
I
J
K
L
MA
B
AT
6.CHECK THROTTLE POSITION SENSOR CIRCUIT (WITHOUT CONSULT-II)
Without CONSULT-II
1. Pefer to "SELF-DIAGNOSTIC PROCEDURE](/img/5/57402/w960_57402-392.png)
TROUBLE DIAGNOSES FOR SYMPTOMS
AT-387
[EXC.F/EURO-OBD]
D
E
F
G
H
I
J
K
L
MA
B
AT
6.CHECK THROTTLE POSITION SENSOR CIRCUIT (WITHOUT CONSULT-II)
Without CONSULT-II
1. Pefer to "SELF-DIAGNOSTIC PROCEDURE (Without CONSULT-II)",AT-273, "
Diagnostic Procedure
Without CONSULT-II"—Except for Euro-OBD/Refer to "TCM SELF-DIAGNOSTIC PROCEDURE (NO
TOOLS)",AT-51, "
TCM SELF-DIAGNOSTIC PROCEDURE (NO TOOLS)"—Euro-OBD
2. Turn ignition switch to "ON" position.
(Do not start engine.)
3. Check voltage between TCM terminals 41 and ground while
depressing, and releasing accelerator pedal slowly. (After warm-
ingupengine)
OK or NG
OK >> GOTO7
NG >> Check the following items:
lThrottle position sensor — Refer to “Component Inspection”,AT-387, "COMPONENT INSPEC-
TION".
lHarness for short or open between ignition switch and throttle position sensor (Main harness)
lHarness for short or open between throttle position sensor and TCM (Main harness)
7.CHECK DTC
Perform “DIAGNOSTIC PROCEDURE”,AT-383, "
DIAGNOSTIC PROCEDURE".
OK or NG
OK >>INSPECTION END
NG >>
lPerform TCM input/output signal inspection.
lIf NG, recheck TCM pin terminals for damage or loose connection with harness connector.
COMPONENT INSPECTION
Overdrive Control Switch
lCheck continuity between two terminals 7 and 8.
SCIA0710E
Switch position Continuity
ON No
OFF Yes
SCIA0779E
Page 394 of 3066
![NISSAN X-TRAIL 2003 Electronic Repair Manual AT-388
[EXC.F/EURO-OBD]
TROUBLE DIAGNOSES FOR SYMPTOMS
PNP Switch
1. Check continuity between terminals 1 and 3 and between termi-
nals 2 and 4, 5, 6, 7, 8, 9 while moving manual shaft through
each po NISSAN X-TRAIL 2003 Electronic Repair Manual AT-388
[EXC.F/EURO-OBD]
TROUBLE DIAGNOSES FOR SYMPTOMS
PNP Switch
1. Check continuity between terminals 1 and 3 and between termi-
nals 2 and 4, 5, 6, 7, 8, 9 while moving manual shaft through
each po](/img/5/57402/w960_57402-393.png)
AT-388
[EXC.F/EURO-OBD]
TROUBLE DIAGNOSES FOR SYMPTOMS
PNP Switch
1. Check continuity between terminals 1 and 3 and between termi-
nals 2 and 4, 5, 6, 7, 8, 9 while moving manual shaft through
each position.
2. If NG, check again with manual control cable disconnected from
manual shaft of A/T assembly. Refer to step 1.
3. If OK on step 2, adjust manual control cable. Refer toAT-456,
"Control Cable Adjustment".
4. If NG on step 2, remove PNP switch from A/T and check conti-
nuity of PNP switch terminals. Refer to step 1.
5. If OK on step 4, adjust PNP switch. Refer toAT- 4 5 6 , "
Control
Cable Adjustment".
6. If NG on step 4, replace PNP switch.
Throttle Position Sensor*
*: This sensor means accelerator pedal position (APP) senror.
Refer to AT—AT - 4 0 1 , "
ACCELE RATOR PEDAL POSITION (APP) SENSOR", "ACCELERATOR PEDAL
POSITION (APP) SENSOR"—Except for Euro-OBD/AT-203, "
DTC P1705 ACCELERATOR PEDAL POSI-
TION (APP) SENSOR","ACCELERATOR PEDAL POSITION (APP) SENSOR"—EURO-OBD.
Lever position Terminal No.
P3—71—2
R3—8
N3—91—2
D3—6
23—5
13—4
SCIA0754E
SAT089JA
Page 395 of 3066
![NISSAN X-TRAIL 2003 Electronic Repair Manual MAIN POWER SUPPLY AND GROUND CIRCUIT
AT-389
[ALL]
D
E
F
G
H
I
J
K
L
MA
B
AT
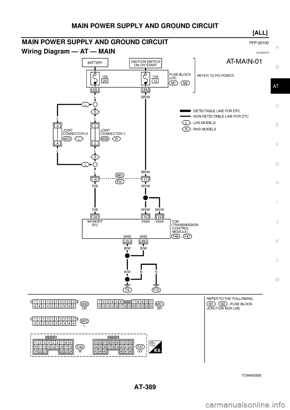
[ALL]MAIN POWER SUPPLY AND GROUND CIRCUITPFP:00100
Wiring Diagram — AT — MAINECS004TH
TCWA0036E NISSAN X-TRAIL 2003 Electronic Repair Manual MAIN POWER SUPPLY AND GROUND CIRCUIT
AT-389
[ALL]
D
E
F
G
H
I
J
K
L
MA
B
AT
[ALL]MAIN POWER SUPPLY AND GROUND CIRCUITPFP:00100
Wiring Diagram — AT — MAINECS004TH
TCWA0036E](/img/5/57402/w960_57402-394.png)
MAIN POWER SUPPLY AND GROUND CIRCUIT
AT-389
[ALL]
D
E
F
G
H
I
J
K
L
MA
B
AT
[ALL]MAIN POWER SUPPLY AND GROUND CIRCUITPFP:00100
Wiring Diagram — AT — MAINECS004TH
TCWA0036E
Page 396 of 3066
![NISSAN X-TRAIL 2003 Electronic Repair Manual AT-390
[ALL]
MAIN POWER SUPPLY AND GROUND CIRCUIT
TCM TERMINALS AND REFERENCE VALUE
Remarks: Specification data are reference values.
Diagnostic ProcedureECS004TI
1.CHECK TCM POWER SOURCE STEP 1
1. Tu NISSAN X-TRAIL 2003 Electronic Repair Manual AT-390
[ALL]
MAIN POWER SUPPLY AND GROUND CIRCUIT
TCM TERMINALS AND REFERENCE VALUE
Remarks: Specification data are reference values.
Diagnostic ProcedureECS004TI
1.CHECK TCM POWER SOURCE STEP 1
1. Tu](/img/5/57402/w960_57402-395.png)
AT-390
[ALL]
MAIN POWER SUPPLY AND GROUND CIRCUIT
TCM TERMINALS AND REFERENCE VALUE
Remarks: Specification data are reference values.
Diagnostic ProcedureECS004TI
1.CHECK TCM POWER SOURCE STEP 1
1. Turn ignition switch to ON position.
(Do not start engine.)
2. Check voltage between TCM terminals 10, 19, 28 and ground.
OK or NG
OK >> GO TO 2
NG >> GO TO 3
2.CHECK TCM POWER SOURCE STEP 2
1. Turn ignition switch to OFF position.
2. Check voltage between TCM terminal 28 and ground.
OK or NG
OK >> GO TO 4
NG >> GO TO 3
Te r m i -
nal No.Wire color Item ConditionJudgement stan-
dard
(Approx.)
10 BR/W Power source
orWhen turning ignition switch to “ON”. Battery voltage
When turning ignition switch to
“OFF”.0V
19 BR/W Power source Same as No. 10
25 B/W Ground — — —
28 R/BPower source
(Memory back-up)
orWhen turning ignition switch to
“OFF”.Battery voltage
When turning ignition switch to “ON”. Battery voltage
48 B/W Ground — — —
SCIA0713E
SCIA0714E
Page 397 of 3066
![NISSAN X-TRAIL 2003 Electronic Repair Manual MAIN POWER SUPPLY AND GROUND CIRCUIT
AT-391
[ALL]
D
E
F
G
H
I
J
K
L
MA
B
AT
3.DETECT MALFUNCTIONING ITEM
Check the following items:
lHarness for short or open between ignition switch and TCM terminals NISSAN X-TRAIL 2003 Electronic Repair Manual MAIN POWER SUPPLY AND GROUND CIRCUIT
AT-391
[ALL]
D
E
F
G
H
I
J
K
L
MA
B
AT
3.DETECT MALFUNCTIONING ITEM
Check the following items:
lHarness for short or open between ignition switch and TCM terminals](/img/5/57402/w960_57402-396.png)
MAIN POWER SUPPLY AND GROUND CIRCUIT
AT-391
[ALL]
D
E
F
G
H
I
J
K
L
MA
B
AT
3.DETECT MALFUNCTIONING ITEM
Check the following items:
lHarness for short or open between ignition switch and TCM terminals 10, 19 and 28 (Main harness)
lFuse
lIgnition switch
Refer to "PG-2, "
POWER SUPPLY ROUTING"", “POWER SUPPLY ROUTING”.
OK or NG
OK >> GO TO 4
NG >> Repair or replace damaged parts.
4.CHECK TCM GROUND CIRCUIT
1. Turn ignition switch to OFF position.
2. Disconnect TCM harness connector.
3. Check continuity between TCM terminals 25, 48 and ground. Refer to wiring diagram — AT — MAIN.
If OK, check harness for short to ground and short to power.
OK or NG
OK >>INSPECTION END
NG >> Repair open circuit or short to ground or short to power in harness or connectors.Continuity should exist.
Page 398 of 3066
![NISSAN X-TRAIL 2003 Electronic Repair Manual AT-392
[ALL]
VEHICLE SPEED SENSOR·A/T (REVOLUTION SENSOR)
VEHICLE SPEED SENSOR·A/T (REVOLUTION SENSOR)
PFP:32702
DescriptionECS004TJ
The revolution sensor detects the revolution of the idler gear pa NISSAN X-TRAIL 2003 Electronic Repair Manual AT-392
[ALL]
VEHICLE SPEED SENSOR·A/T (REVOLUTION SENSOR)
VEHICLE SPEED SENSOR·A/T (REVOLUTION SENSOR)
PFP:32702
DescriptionECS004TJ
The revolution sensor detects the revolution of the idler gear pa](/img/5/57402/w960_57402-397.png)
AT-392
[ALL]
VEHICLE SPEED SENSOR·A/T (REVOLUTION SENSOR)
VEHICLE SPEED SENSOR·A/T (REVOLUTION SENSOR)
PFP:32702
DescriptionECS004TJ
The revolution sensor detects the revolution of the idler gear parking
pawl lock gear and emits a pulse signal. The pulse signal is sent to
the TCM which converts it into vehicle speed.
TCM TERMINALS AND REFERENCE VALUE
Remarks: Specification data are reference values.
ON BOARD DIAGNOSIS LOGIC
SCIA0715E
Te r m i -
nal No.Wire color Item ConditionJudgement stan-
dard
(Approx.)
29 W Revolution sensorWhen moving at 20 km/h (12 MPH),
use the CONSULT-II pulse frequency
measuring function.*1
CAUTION:
Connect the diagnosis data link
cable to the vehicle diagnosis con-
nector.
*1: A circuit tester cannot be used to
test this item.450 Hz
When vehicle parks.Under 1.3V or
over 4.5V
42 BThrottle position
sensor
(Ground)———
Diagnostic trouble code Malfunction is detected when ... Check items (Possible cause)
: VHCL SPEED SEN·AT
TCM does not receive the proper voltage
signal from the sensor.
lHarness or connectors
(The sensor circuit is open or shorted.)
lRevolution sensor
: 1st judgement flicker
Page 399 of 3066
![NISSAN X-TRAIL 2003 Electronic Repair Manual VEHICLE SPEED SENSOR·A/T (REVOLUTION SENSOR)
AT-393
[ALL]
D
E
F
G
H
I
J
K
L
MA
B
AT
SELF-DIAGNOSIS CODE CONFIRMATION PROCEDURE
After the repair, perform the following procedure to confirm the malfunc NISSAN X-TRAIL 2003 Electronic Repair Manual VEHICLE SPEED SENSOR·A/T (REVOLUTION SENSOR)
AT-393
[ALL]
D
E
F
G
H
I
J
K
L
MA
B
AT
SELF-DIAGNOSIS CODE CONFIRMATION PROCEDURE
After the repair, perform the following procedure to confirm the malfunc](/img/5/57402/w960_57402-398.png)
VEHICLE SPEED SENSOR·A/T (REVOLUTION SENSOR)
AT-393
[ALL]
D
E
F
G
H
I
J
K
L
MA
B
AT
SELF-DIAGNOSIS CODE CONFIRMATION PROCEDURE
After the repair, perform the following procedure to confirm the malfunction is eliminated.
With CONSULT-II
1. Start engine.
2. Select “SELF-DIAG RESULTS” mode for A/T with CONSULT-II.
3. Drive vehicle under the following conditions:
Selector lever in “D” position, vehicle speed higher than 30 km/h
(19 MPH), throttle opening greater than 1/8 of the full throttle
position and driving for more than 5 seconds.
Without CONSULT-II
1. Start engine.
2. Drive vehicle under the following conditions:
Selector lever in “D” position, vehicle speed higher than 30 km/h
(19 MPH), throttle opening greater than 1/8 of the full throttle
position and driving for more than 5 seconds.
3. Perform self-diagnosis.
Refer to “SELF-DIAGNOSTIC PROCEDURE (Without CON-
SULT-II)”,AT-273, "
Diagnostic Procedure Without CONSULT-II"
.
SAT014K
SCIA0695E
Page 400 of 3066
![NISSAN X-TRAIL 2003 Electronic Repair Manual AT-394
[ALL]
VEHICLE SPEED SENSOR·A/T (REVOLUTION SENSOR)
Wiring Diagram — AT — VSSA/T
ECS004TK
TCWA0037E NISSAN X-TRAIL 2003 Electronic Repair Manual AT-394
[ALL]
VEHICLE SPEED SENSOR·A/T (REVOLUTION SENSOR)
Wiring Diagram — AT — VSSA/T
ECS004TK
TCWA0037E](/img/5/57402/w960_57402-399.png)
AT-394
[ALL]
VEHICLE SPEED SENSOR·A/T (REVOLUTION SENSOR)
Wiring Diagram — AT — VSSA/T
ECS004TK
TCWA0037E