TOYOTA RAV4 PLUG-IN HYBRID 2023 Instrukcja obsługi (in Polish)
RAV4 PLUG-IN HYBRID 2023
TOYOTA
TOYOTA
https://www.carmanualsonline.info/img/14/60694/w960_60694-0.png
TOYOTA RAV4 PLUG-IN HYBRID 2023 Instrukcja obsługi (in Polish)
Trending: oil, isofix, alarm, service, tow, MPG, lock
Page 301 of 718
Jazda
5-1. Przed rozpocz´ciem jazdy299
5
OSTRZE˚ENIE
W razie przekroczenia dopusz-
czalnej masy ca∏kowitej samocho-
du lub dopuszczalnego nacisku
osi jezdnej
Nieprzestrzeganie tych Êrodków ostro˝-
noÊci mo˝e doprowadziç do wypadku,
w wyniku którego mo˝e dojÊç do Êmier-
ci lub powa˝nych obra˝eƒ cia∏a.
Podczas holowania nale˝y zwi´k-
szyç ciÊnienie w ogumieniu o 20,0
kPa (0,2 kG/cm
2lub bara, 3 psi) po-
wy˝ej zalecanej war toÊci. (
S. 590)
Nie przekraczaç pr´dkoÊci 100
km/h lub pr´dkoÊci wynikajàcej
z obowiàzujàcych w danym miejscu
ograniczeƒ – w zale˝noÊci od tego,
która z nich jest ni˝sza.
35 RAV4 Plug In HV OM9A587E 16/11/22 18:27 Page 299
Page 302 of 718
óZ wyjàtkiem wersji GR SPORT
457 mm
461 mm
B
A
3005-1. Przed rozpocz´ciem jazdy
Montowanie haka holowniczego/wspornika oraz kuli zaczepu
35 RAV4 Plug In HV OM9A587E 16/11/22 18:27 Page 300
Page 303 of 718
536 mm
538 mm
538 mm
536 mm
461 mm
457 mm
H
G
F
E
D
C
Jazda
5-1. Przed rozpocz´ciem jazdy301
5
35 RAV4 Plug In HV OM9A587E 16/11/22 18:27 Page 301
Page 304 of 718
óWersje GR SPORT
457 mm
461 mm
536 mm
538 mm
D
C
B
A
3025-1. Przed rozpocz´ciem jazdy
35 RAV4 Plug In HV OM9A587E 16/11/22 18:27 Page 302
Page 305 of 718
538 mm
536 mm
461 mm
457 mm
H
G
F
E
Jazda
5-1. Przed rozpocz´ciem jazdy303
5
35 RAV4 Plug In HV OM9A587E 16/11/22 18:27 Page 303
Page 306 of 718
óZ wyjàtkiem wersji GR SPORT
2 mm
13 mm
B
A
3045-1. Przed rozpocz´ciem jazdy
35 RAV4 Plug In HV OM9A587E 16/11/22 18:27 Page 304
Page 307 of 718
28 mm
34 mm
412 mm
332 mm
370 mm
570 mm
601 mm
1073 mm
J
I
H
G
F
E
D
C
Jazda
5-1. Przed rozpocz´ciem jazdy305
5
35 RAV4 Plug In HV OM9A587E 16/11/22 18:27 Page 305
Page 308 of 718
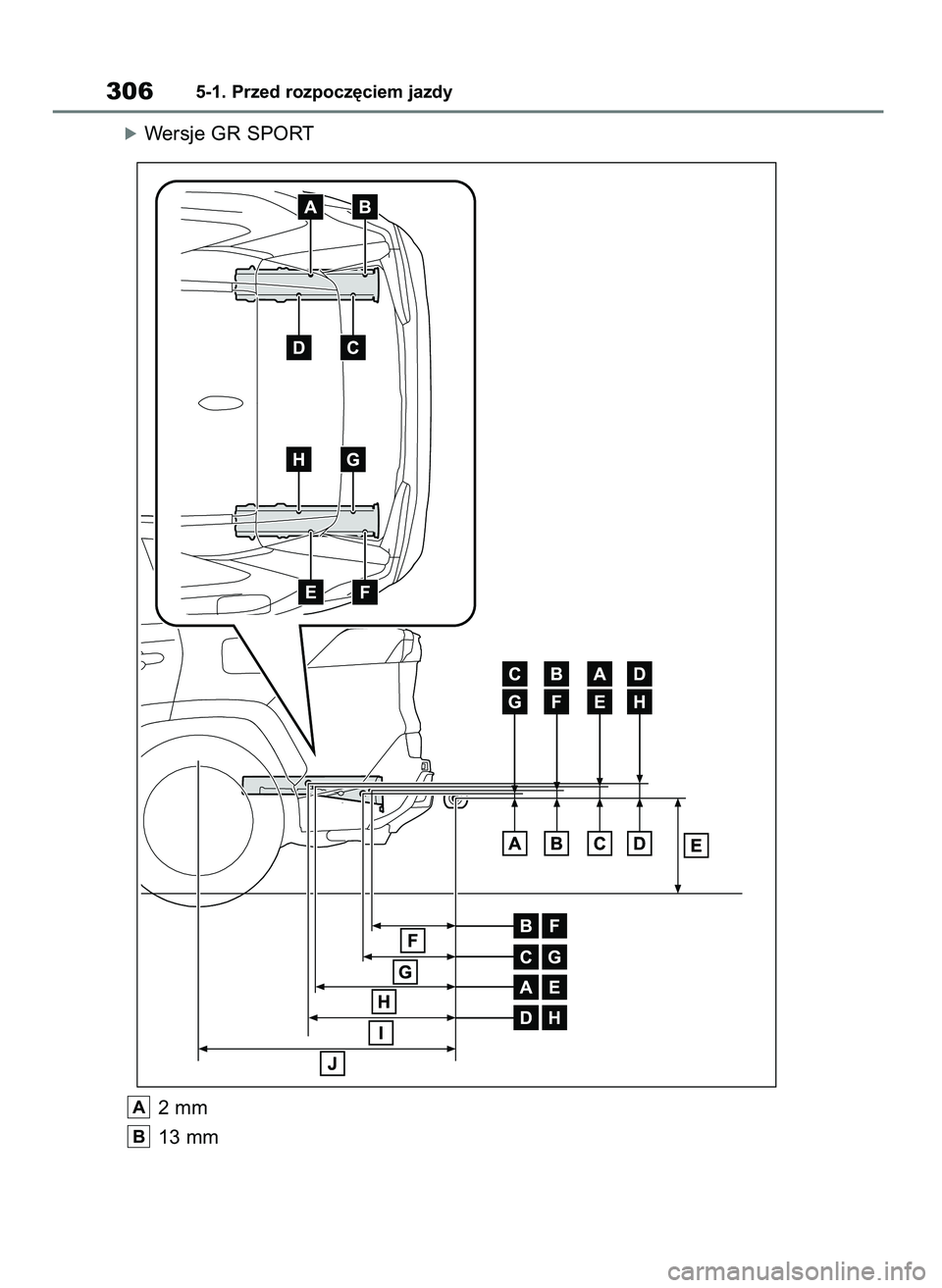
óWersje GR SPORT
2 mm
13 mm
B
A
3065-1. Przed rozpocz´ciem jazdy
35 RAV4 Plug In HV OM9A587E 16/11/22 18:27 Page 306
Page 309 of 718

Samochód z przyczepà prowadzi
si´ nieco inaczej ni˝ samochód bez
przyczepy. Holujàc przyczep´, aby
uniknàç wypadku, Êmierci lub po-
wa˝nych obra˝eƒ cia∏a, nale˝y pa-
mi´taç o nast´pujàcych zasadach:
Sprawdzanie po∏àczeƒ elek-
trycznych Êwiate∏ przyczepy
Przed rozpocz´ciem jazdy nale˝y
sprawdziç wszystkie po∏àczenia sa-
mochodu z przyczepà oraz dzia∏anie
Êwiate∏. Po przejechaniu krótkiego
dystansu nale˝y to powtórzyç.Przeçwiczenie jazdy z przyczepà
Przed przystàpieniem do w∏aÊci-
wego holowania dobrze jest
przeçwiczyç w bezpiecznym
miejscu manewry skr´cania, za-
trzymywania si´ i cofania a˝ do
nabrania wprawy w ich wykony-
waniu.
Podczas cofania samochodu
z przyczepà kierownic´ nale˝y
obracaç w kierunku przeciwnym
do zamierzonego skr´tu przycze-
py. Nale˝y jà obracaç powoli, aby
zminimalizowaç mo˝liwoÊç nie-
prawid∏owego manewru. Dobrze
jest zapewniç sobie pomoc dru-
giej osoby, ograniczajàc w ten
sposób ryzyko kolizji.
Zwi´kszony odst´p od poprze-
dzajàcego pojazdu
Prowadzàc samochód z przyczepà,
nale˝y na ka˝de 10 km/h pr´dkoÊci
jazdy zwi´kszyç odst´p od poprze-
dzajàcego pojazdu przynajmniej
o d∏ugoÊç zespo∏u samochodu
z przyczepà. Unikaç gwa∏townego
hamowania, które mo˝e spowodo-
waç poÊlizg i utrat´ panowania nad
samochodem. Szczególnie dotyczy
to mokrej lub Êliskiej nawierzchni.
Jazda
5-1. Przed rozpocz´ciem jazdy307
5
29 mm
34 mm
412 mm
348 mm
386 mm
586 mm
617 mm
1089 mm
J
I
H
G
F
E
D
C
UWAGA
Je˝eli wzmocnienie tylnego zde-
rzaka wykonane jest ze stopów
lekkich
Nie wolno dopuÊciç, aby wzmocnienie
tylnego zderzaka styka∏o si´ bezpo-
Êrednio ze stalowymi wspornikami
haka holowniczego.
Na styku elementów stalowych i alu-
miniowych nast´puje reakcja che-
miczna (korozja elektrochemiczna),
doprowadzajàc do os∏abienia wytrzy-
ma∏oÊci stykajàcych si´ cz´Êci oraz
ich uszkodzenia. Podczas montowa-
nia stalowego haka holowniczego na-
le˝y powierzchnie styku wsporników
pokryç farbà antykorozyjnà.
Wskazówki
35 RAV4 Plug In HV OM9A587E 16/11/22 18:27 Page 307
Page 310 of 718

Gwa∏towne przyspieszanie,
skr´canie, pokonywanie
zakr´tów
Przy zbyt ciasnym skr´cie przycze-
pa mo˝e uderzyç w samochód.
Przed zakr´tem nale˝y stopniowo
zwolniç, unikajàc nag∏ego hamowa-
nia. Zakr´ty pokonywaç ostro˝nie
i z niewielkà pr´dkoÊcià.
Uwagi dotyczàce skr´cania
Podczas skr´cania ko∏a przyczepy
podà˝ajà po ∏uku po∏o˝onym bli˝ej
Êrodka krzywizny ni˝ ko∏a samocho-
du. W celu skompensowania tego
nale˝y jechaç po ∏uku o wi´kszym
ni˝ normalnie promieniu.
Wa˝ne informacje dotyczàce
stabilnoÊci
Boczny wiatr i wyboista nawierzch-
nia powodujà ko∏ysanie przyczepy,
co znacznie utrudnia prowadzenie
samochodu. Od czasu do czasu
dobrze jest skontrolowaç w lusterku
wstecznym sytuacj´ z ty∏u samo-
chodu, aby móc zawczasu przygo-
towaç si´ na wyprzedzanie przez
du˝e autobusy lub samochody ci´-
˝arowe, który to manewr równie˝
mo˝e wywo∏aç ko∏ysanie przyczepy
i samochodu. W przypadku rozko∏y-
sania przyczepy nale˝y mocno
trzymaç kierownic´ i natychmiast
zaczàç stopniowo redukowaç pr´d-
koÊç. Podczas hamowania utrzymy-
waç prostoliniowy tor jazdy.
Wyprzedzanie innych pojazdów
Nale˝y pami´taç o d∏ugoÊci holo-
wanej przyczepy. Przed zmianà pa-
sa ruchu konieczne jest upewnienie
si´, ˝e odst´py pomi´dzy pojazda-
mi sà wystarczajàco du˝e.Przek∏adnia nap´dowa
W celu zachowania skutecznoÊci
hamowania silnikiem nie nale˝y
przestawiaç dêwigni przek∏adni na-
p´dowej w po∏o˝enie D. (
S. 315)
Gdy hybrydowy uk∏ad nap´do-
wy ulega przegrzaniu
Podczas d∏ugotrwa∏ej jazdy w gór´
d∏ugiego lub stromego wzniesienia,
przy temperaturze otoczenia prze-
kraczajàcej 30°C, hybrydowy uk∏ad
nap´dowy samochodu holujàcego
przyczep´ mo˝e ulegaç przegrza-
niu. Gdy lampka ostrzegawcza wy-
sokiej temperatury p∏ynu w uk∏adzie
ch∏odzenia silnika zacznie sygnali-
zowaç przegrzewanie, nale˝y na-
tychmiast wy∏àczyç klimatyzacj´,
zjechaç na pobocze i zatrzymaç si´
w bezpiecznym miejscu. (
S. 578)
Parkowanie
Na czas postoju pod ko∏a samocho-
du i przyczepy nale˝y zawsze pod-
k∏adaç kliny blokujàce. Uruchomiç
z pe∏nà si∏à hamulec postojowy
i przestawiç dêwigni´ przek∏adni
nap´dowej w po∏o˝enie P.
W okresie docierania samochodu
Toyota zaleca, aby przez pierwsze
800 km przebiegu samochodu fabrycz-
nie nowego lub samochodu z nowymi
podzespo∏ami uk∏adu nap´dowego nie
holowaç przyczepy.
Przeglàdy okresowe
Ze wzgl´du na dodatkowe obcià˝enie
samochód je˝d˝àcy z przyczepà wy-
maga cz´stszych przeglàdów i obs∏ugi
okresowej.
Po przejechaniu oko∏o 1000 km
z przyczepà nale˝y dokr´ciç
wszystkie Êruby mocujàce hak i jego
wsporniki.
Je˝eli pojawi si´ ko∏ysanie przyczepy
Jeden lub wi´cej czynników (boczny
3085-1. Przed rozpocz´ciem jazdy
35 RAV4 Plug In HV OM9A587E 16/11/22 18:27 Page 308
Trending: MPG, tow bar, audio, coolant, ABS, isofix, phone