TOYOTA RAV4 1996 Service Repair Manual

TOYOTA RAV4 1996 Service Repair Manual RAV4 1996 TOYOTA TOYOTA https://www.carmanualsonline.info/img/14/57464/w960_57464-0.png TOYOTA RAV4 1996 Service Repair Manual
Trending: reset, driver seat adjustment, air condition, mileage, Coolant Temperature Sensor, fuse box, service interval

Page 1571 of 1632

TOYOTA RAV4 1996  Service Repair Manual  
1999 Toyota RAV4 
1999 System Wiring Diagrams Toyota - RAV4  
Microsoft  
Sunday, November 22, 2009 10:50:58 AMPage 14 © 2005 Mitchell Repair Information Company, LLC.

Page 1572 of 1632

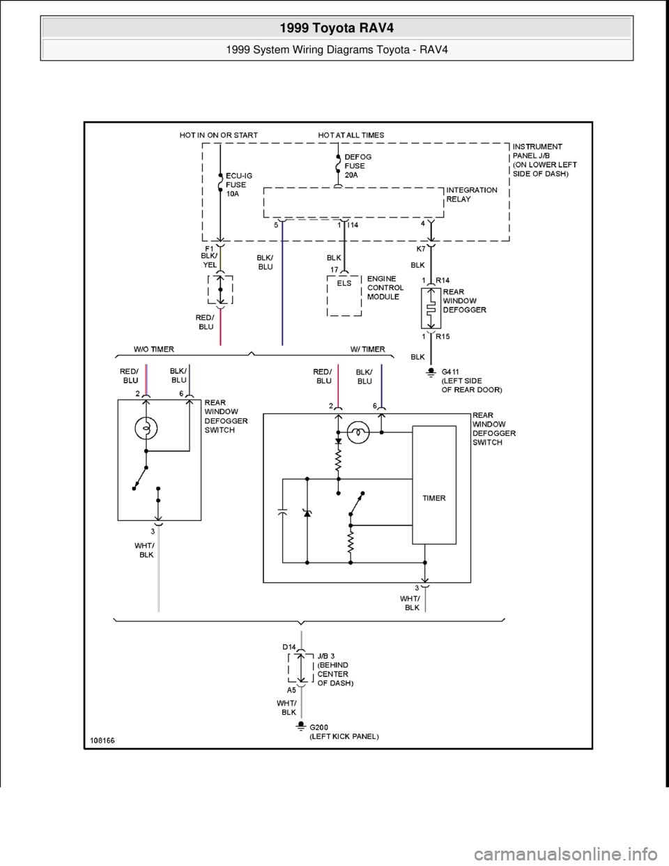
TOYOTA RAV4 1996  Service Repair Manual Fig. 7: Defogger Circuit 
ENGINE PERFORMANCE 
2.0L 
 
1999 Toyota RAV4 
1999 System Wiring Diagrams Toyota - RAV4  
Microsoft  
Sunday, November 22, 2009 10:50:58 AMPage 15 © 2005 Mitchell Repair Inf

Page 1573 of 1632

TOYOTA RAV4 1996  Service Repair Manual  
1999 Toyota RAV4 
1999 System Wiring Diagrams Toyota - RAV4  
Microsoft  
Sunday, November 22, 2009 10:50:58 AMPage 16 © 2005 Mitchell Repair Information Company, LLC.

Page 1574 of 1632

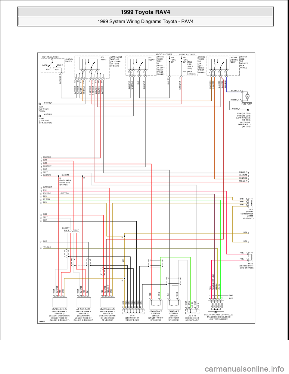
TOYOTA RAV4 1996  Service Repair Manual Fig. 8: 2.0L, Engine Performance Circuits (1 of 3)
 
1999 Toyota RAV4 
1999 System Wiring Diagrams Toyota - RAV4  
Microsoft  
Sunday, November 22, 2009 10:50:58 AMPage 17 © 2005 Mitchell Repair Info

Page 1575 of 1632

TOYOTA RAV4 1996  Service Repair Manual  
1999 Toyota RAV4 
1999 System Wiring Diagrams Toyota - RAV4  
Microsoft  
Sunday, November 22, 2009 10:50:58 AMPage 18 © 2005 Mitchell Repair Information Company, LLC.

Page 1576 of 1632

TOYOTA RAV4 1996  Service Repair Manual Fig. 9: 2.0L, Engine Performance Circuits (2 of 3)
 
1999 Toyota RAV4 
1999 System Wiring Diagrams Toyota - RAV4  
Microsoft  
Sunday, November 22, 2009 10:50:58 AMPage 19 © 2005 Mitchell Repair Info

Page 1577 of 1632

TOYOTA RAV4 1996  Service Repair Manual  
1999 Toyota RAV4 
1999 System Wiring Diagrams Toyota - RAV4  
Microsoft  
Sunday, November 22, 2009 10:50:58 AMPage 20 © 2005 Mitchell Repair Information Company, LLC.

Page 1578 of 1632

TOYOTA RAV4 1996  Service Repair Manual Fig. 10: 2.0L, Engine Performance Circuits (3 of 3)
EXTERIOR LIGHTS 
 
1999 Toyota RAV4 
1999 System Wiring Diagrams Toyota - RAV4  
Microsoft  
Sunday, November 22, 2009 10:50:58 AMPage 21 © 2005 Mi

Page 1579 of 1632

TOYOTA RAV4 1996  Service Repair Manual  
1999 Toyota RAV4 
1999 System Wiring Diagrams Toyota - RAV4  
Microsoft  
Sunday, November 22, 2009 10:50:58 AMPage 22 © 2005 Mitchell Repair Information Company, LLC.

Page 1580 of 1632

TOYOTA RAV4 1996  Service Repair Manual Fig. 11: Back-up Lamps Circuit 
 
1999 Toyota RAV4 
1999 System Wiring Diagrams Toyota - RAV4  
Microsoft  
Sunday, November 22, 2009 10:50:58 AMPage 23 © 2005 Mitchell Repair Information Company, LL
Trending: steering wheel adjustment, driver seat adjustment, fuse box, sensor, height, maf, parking brake