NISSAN X-TRAIL 2003 Electronic Repair Manual
Page 611 of 3066

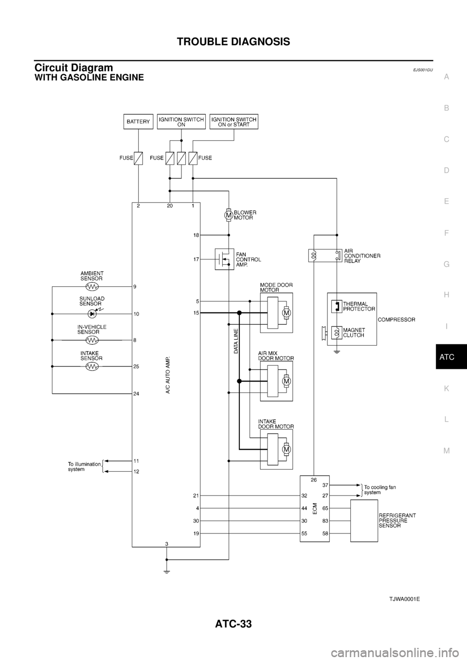
Page 612 of 3066

Page 613 of 3066

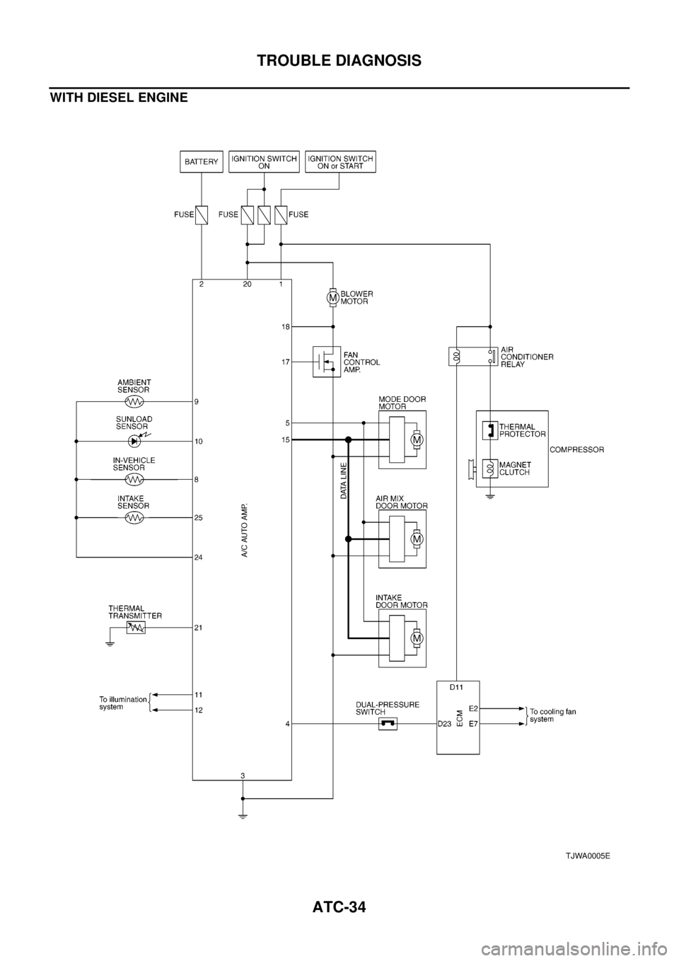
Page 614 of 3066

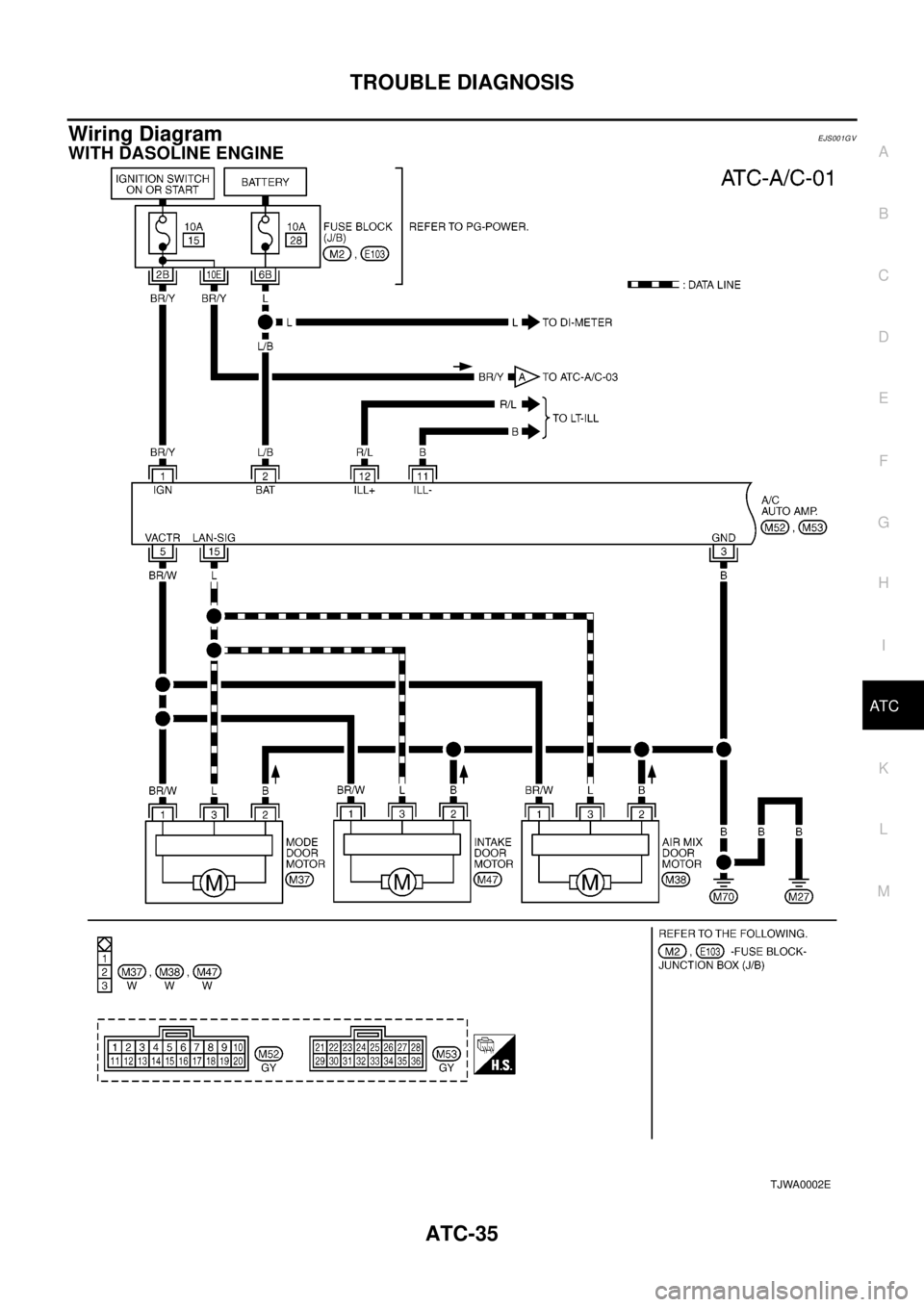
Page 615 of 3066

Page 616 of 3066

Page 617 of 3066

Page 618 of 3066

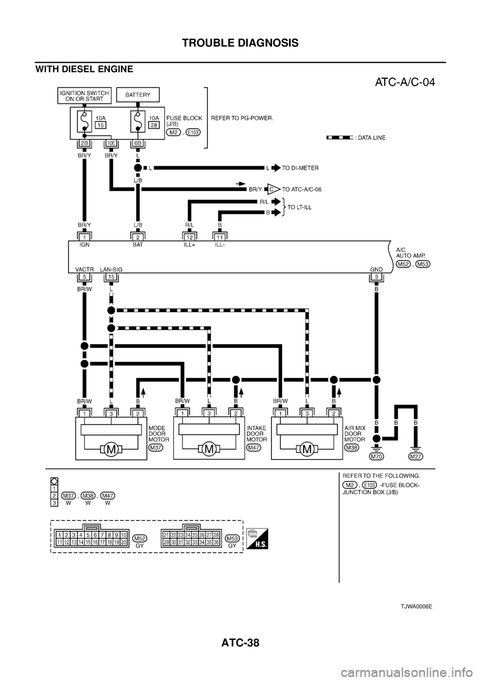
Page 619 of 3066

Page 620 of 3066

Page:
< prev 1-10 ... 571-580 581-590 591-600 601-610 611-620 621-630 631-640 641-650 651-660 ... 3070 next >
Trending: fuse chart, wheel bolts, spark plugs replace, door locks, turn signal bulb, fuel tank capacity, fuse diagram