NISSAN X-TRAIL 2003 Electronic Repair Manual
Manufacturer: NISSAN, Model Year: 2003, Model line: X-TRAIL, Model: NISSAN X-TRAIL 2003Pages: 3066, PDF Size: 51.47 MB
Page 641 of 3066

TROUBLE DIAGNOSIS
ATC-63
C
D
E
F
G
H
I
K
L
MA
B
AT C
lIn-vehicle sensor
lAmbient sensor
lSunload sensor
lIntake sensor
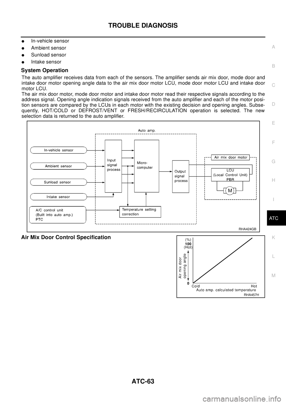
System Operation
The auto amplifier receives data from each of the sensors. The amplifier sends air mix door, mode door and
intake door motor opening angle data to the air mix door motor LCU, mode door motor LCU and intake door
motor LCU.
The air mix door motor, mode door motor and intake door motor read their respective signals according to the
address signal. Opening angle indication signals received from the auto amplifier and each of the motor posi-
tion sensors are compared by the LCUs in each motor with the existing decision and opening angles. Subse-
quently, HOT/COLD or DEFROST/VENT or FRESH/RECIRCULATION operation is selected. The new
selection data is returned to the auto amplifier.
Air Mix Door Control Specification
RHA424GB
RHA457H
Page 642 of 3066

ATC-64
TROUBLE DIAGNOSIS
COMPONENT DESCRIPTION
Air Mix Door Motor
The air mix door motor is attached to the heater & cooling unit. It
rotates so that the air mix door is opened or closed to a position set
by the auto amplifier. The air mix door position is then fed back to the
auto amplifier by PBR built-in air mix door motor.
DIAGNOSTIC PROCEDURE
SYMPTOM: Discharge air temperature does not change.
Perform diagnostic procedure for LAN system circuit. Refer toAT C - 5 6 , "
LAN System Circuit".
Intake Door Motor CircuitEJS001H3
SYMPTOM:
lIntake door does not change.
lIntake door motor does not operate normally.
RJIA0516E
RJIA0517E
Page 643 of 3066

TROUBLE DIAGNOSIS
ATC-65
C
D
E
F
G
H
I
K
L
MA
B
AT C
INSPECTION FLOW
SYSTEM DESCRIPTION
Component Parts
Intake door control system components are:
lAuto amp.
lIntake door motor (LCU)
*1 Self-diagnosisAT C - 4 2, see No.1 *6 Self-diagnosisAT C - 4 2, see No. 14. *11 Operational checkAT C - 5 1
*2 Ambient sensorAT C - 9 3*7 LAN system circuitAT C -5 6*12 Symptom tableAT C - 3 0
*3 In-vehicle sensorAT C - 9 5*8 Component description for intake
door motorAT C - 6 6*13 Intake sensor circuitATC-101, "Intake
Sensor Circuit"
*4 Sunload sensorAT C - 9 8*9 Operational checkAT C - 5 1
*5 Air mix door motor circuitAT C - 6 1*10 Self-diagnosisAT C - 4 2, see No.5 or 7
RJIA0518E
Page 644 of 3066

ATC-66
TROUBLE DIAGNOSIS
lA/C LAN system (PBR built-in air mix door motor, mode door motor and intake door motor)
lIn-vehicle sensor
lAmbient sensor
lSunload sensor
lIntake sensor
System Operation
The auto amplifier receives data from each of the sensors. The amplifier sends air mix door, mode door and
intake door motor opening angle data to the air mix door motor LCU, mode door motor LCU and intake door
motor LCU.
The air mix door motor, mode door motor and intake door motor read their respective signals according to the
address signal. Opening angle indication signals received from the auto amplifier and each of the motor posi-
tion sensors are compared by the LCUs in each motor with the existing decision and opening angles. Subse-
quently, HOT/COLD or DEFROST/VENT or FRESH/RECIRCULATION operation is selected. The new
selection data is returned to the auto amplifier.
COMPONENT DESCRIPTION
Intake door motor
The intake door motor is attached to the intake unit. It rotates so that
air is drawn from inlets set by the auto amplifier. Motor rotation is
conveyed to a lever which activates the intake door.
SHA431F
RJIA0519E
Page 645 of 3066

TROUBLE DIAGNOSIS
ATC-67
C
D
E
F
G
H
I
K
L
MA
B
AT C
DIAGNOSTIC PROCEDURE
SYMPTOM: Intake door motor does not operate normally.
Perform diagnostic procedure for LAN system circuit. Refer toAT C - 5 6
.
Blower Motor CircuitEJS001H4
SYMPTOM:
lBlower motor operation is malfunctioning.
lBlower motor operation is malfunctioning under out of starting fan speed control.
RJIA0520E
Page 646 of 3066

ATC-68
TROUBLE DIAGNOSIS
INSPECTION FLOW
*1 Self-diagnosisAT C -4 2*2 Ambient sensor circuitAT C - 9 3*3 In-vehicle sensor circuitAT C - 9 5
*4 Sunload sensor circuitAT C - 9 8*5 Air mix door motor circuitAT C - 6 1*6 Self-diagnosisAT C - 4 2,see No.13.
*7 Blower motor circuitAT C -6 7
*8 Self-diagnosisAT C -4 2*9 Operational checkAT C -5 1
*10 Symptom tableAT C -3 0*11 Operational checkAT C - 5 1*12 Intake sensor circuitATC-101
*13 With gasoline engine: Water tempera-
ture sensor ,DI-13
(LHD),DI-31
(RHD)
With diesel engine: Thermal transmit-
ter,DI-13
(LHD),DI-31(RHD)
RJIA0521E
Page 647 of 3066

TROUBLE DIAGNOSIS
ATC-69
C
D
E
F
G
H
I
K
L
MA
B
AT C
SYSTEM DESCRIPTION
Component Parts
Fan speed control system components are:
lAuto amp.
lA/C LAN system (PBR built-in air mix door motor, mode door motor and intake door motor)
lFan control amp.
lIn-vehicle sensor
lAmbient sensor
lSunload sensor
lIntake sensor
System Operation
Automatic Mode
In the automatic mode, the blower motor speed is calculated by the automatic amplifier based on input from
the PBR, in-vehicle sensor, sunload sensor, intake sensor and ambient sensor.
The blower motor applied voltage ranges from approximately 4 volts (lowest speed) to 12 volts (highest
speed).
The control blower speed (in the range of 4 to 12V), the automatic amplifier supplies a gate voltage to the fan
control amplifier. Based on this voltage, the fan control amplifier controls the voltage supplied to the blower
motor.
Starting Fan Speed Control
Start Up From COLD SOAK Condition (Automatic mode)
In a cold start up condition where the engine coolant temperature is below 56°C (133°F), the blower will not
operate for a short period of time (up to 150 seconds). The exact start delay time varies depending on the
ambient and engine coolant temperature.
In the most extreme case (very low ambient) the blower starting delay will be 150 seconds as described
above. After this delay, the blower will operate at low speed until the engine coolant temperature rises above
56°C (133°F), at which time the blower speed will increase to the objective speed.
Start Up From Normal or HOT SOAK Condition (Automatic mode)
The blower will begin operation momentarily after the A/C button is pushed. The blower speed will gradually
rise to the objective speed over a time period of 3 seconds or less (actual time depends on the objective
blower speed).
Blower Speed Compensation
Sunload
SHA006FD
Page 648 of 3066

ATC-70
TROUBLE DIAGNOSIS
When the in-vehicle temperature and the set temperature are very close, the blower will be operating at low
speed. The low speed will vary depending on the sunload. During conditions of low or no sunload, the blower
low speed is normal low speed (approx. 4V). During high sunload conditions, the auto amp causes the blower
fan speed to increase.(Approx. 7V)
Fan Speed Control Specification
COMPONENT DESCRIPTION
Fan Control Amplifier
The fan control amplifier is located on the intake unit. The fan control
amp. receives a gate voltage from the auto amp. to steplessly main-
tain the blower fan motor voltage in the 4 to 12 volt range.
DIAGNOSTIC PROCEDURE
SYMPTOM: Blower motor operation is malfunctioning under Starting
Fan Speed Control.
RJIA0522E
RJIA0523E
RHA467GA
Page 649 of 3066

TROUBLE DIAGNOSIS
ATC-71
C
D
E
F
G
H
I
K
L
MA
B
AT C
1.CHECK POWER SUPPLY FOR BLOWER MOTOR
Disconnect blower motor harness connector.
OK or NG
OK >> GO TO 2.
NG >> Check power supply circuit and 15A fuses (Nos. 19 and
24, located in the fuse block). Refer toPG-3, "
BATTERY
POWER SUPPLY—IGNITION SW. IN ANY POSITION".
lIf OK, check for open circuit in wiring harness. Repair or replace as necessary.
lIf NG, replace fuse and check wiring harness for short circuit. Repair or replace as necessary.
2.CHECK FAN FEED BACK CIRCUIT
Disconnect auto amp. harness connector.
OK or NG
OK >> GO TO 3.
NG >> Repair harness or connector.
3.CHECKBLOWERMOTOR
Refer to COMPONENT INSPECTION.
OK or NG
OK >> GO TO 4.
NG >> Replace blower motor.
4.CHECK POWER SUPPLY FOR FAN CONTROL AMP.
1. Reconnect blower motor connector and auto amp. connector.
2. Disconnect fan control amp. harness connector.
OK or NG
OK >> GO TO 5.
NG >> Repair harness or connector.
Te r m i n a l s
Vo l ta g e (+)
(-)
ConnectorTerminal (Wire
color)
M65 1 (L/W) Ground Approx. 12V
RJIA0524E
Te r m i n a l s
Vo l ta g e (+)
(-)
ConnectorTerminal (Wire
color)
M52 20 (L/W) Ground Approx. 12V
RJIA0525E
Terminals
Voltage (+)
(-)
COnnectorTerminal (Wire
color)
M67 3 (R) Ground Approx. 12V
RJIA0526E
Page 650 of 3066

ATC-72
TROUBLE DIAGNOSIS
5.CHECK BODY GROUND CIRCUIT FOR FAN CONTROL AMP.
OK or NG
OK >> GO TO 6.
NG >> Repair harness or connector.
6.CHECK FOR AUTO AMP. OUTPUT
Reconnect the fan control amp. harness connector.
OK or NG
OK >> GO TO 9.
NG >>
lIf the voltage is less than 2.5V: GO TO 7.
lIf the voltage is more than 9.0V: GO TO 8.
7.CHECK CIRCUIT CONTINUITY BETWEEN AUTO AMP. AND FAN CONTROL AMP.
Disconnect the auto amp. harness connector and fan control amp.
harness connector.
OK or NG
OK >> Replace fan control amp.
NG >> Repair harness or connector.
Te r m i n a l s
Continuity (+)
(-)
ConnectorTerminal (Wire
color)
M67 1 (B) Ground Yes
RJIA0527E
Te r m i n a l
Condition Voltage (+)
(-)
ConnectorTerminal
(Wire color)
M67 2 (L/Y) GroundFan speed: 1 -
4Approx. 2.5 -
3.5
Fan speed: 5 Approx. 9.0
RJIA0528E
Te r m i n a l s
Continuity Auto amp. Fan control amp.
ConnectorTerminal
(Wire color)ConnectorTe r m i n a l
(Wire color)
M52 17 (L/Y) M67 2 (L/Y) Yes
RJIA0529E