NISSAN X-TRAIL 2003 Electronic Repair Manual
Manufacturer: NISSAN, Model Year: 2003, Model line: X-TRAIL, Model: NISSAN X-TRAIL 2003Pages: 3066, PDF Size: 51.47 MB
Page 651 of 3066

TROUBLE DIAGNOSIS
ATC-73
C
D
E
F
G
H
I
K
L
MA
B
AT C
8.CHECK FAN CONTROL AMP.
Disconnect the fan control amp. harness connector.
OK or NG
OK >> GO TO 9.
NG >> Replace fan control amp.
9.CHECK CIRCUIT CONTINUITY BETWEEN AUTO AMP. AND FAN CONTROL AMP.
OK or NG
OK >> Replace auto amp.
NG >> Repair harness or connector.
COMPONENT INSPECTION
Blower Motor
Confirm smooth rotation of the blower motor.
lEnsure that there are no foreign particles inside the intake unit.
Magnet Clutch CircuitEJS001H5
SYMPTOM: Magnet clutch does not engage.
Te r m i n a l s
Continuity
Connector Terminal Connector Terminal
M672M671 Yes
RJIA0530E
Te r m i n a l s
Continuity Auto amp. Fan control amp.
ConnectorTerminal
(Wire color)ConnectorTe r m i n a l
(Wire color)
M52 18 (R) M67 3 (R) Yes
RJIA0531E
RJIA0532E
Page 652 of 3066

ATC-74
TROUBLE DIAGNOSIS
INSPECTION FLOW
SYSTEM DESCRIPTION
Auto amplifier controls compressor operation by ambient temperature and signal from ECM.
*1 Self-diagnosisAT C - 4 2, see No.1. *6 Self-diagnosisAT C -4 2, see No. 14. *11 Operational checkAT C -5 1
*2 Ambient sensor circuitAT C - 9 3*7 Magnet clutch circuitAT C -7 3*12 Symptom tableAT C - 3 0
*3 In-vehicle sensor circuitAT C - 9 5*8 Trouble diagnoses for abnormal pres-
sureAT C -8 6*13 Intake sensor circuitATC-101
*4 Sunload sensor circuitAT C - 9 8*9 Operational checkAT C - 5 1
*5 Air mix door motor circuitAT C - 6 1*10 Self-diagnosisAT C -4 2,seeNo.7.
RJIA0533E
Page 653 of 3066

TROUBLE DIAGNOSIS
ATC-75
C
D
E
F
G
H
I
K
L
MA
B
AT C
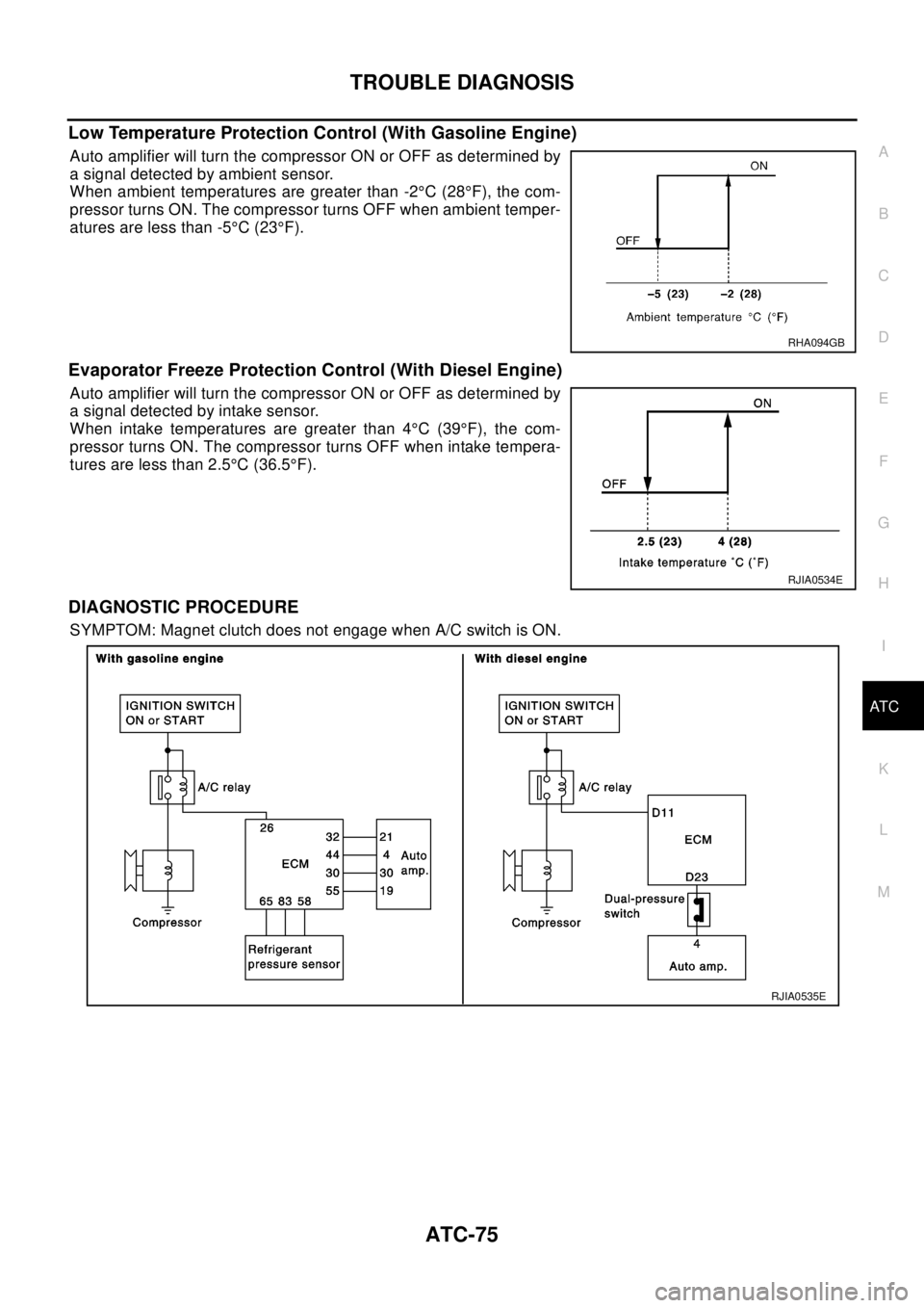
Low Temperature Protection Control (With Gasoline Engine)
Auto amplifier will turn the compressor ON or OFF as determined by
a signal detected by ambient sensor.
When ambient temperatures are greater than -2°C(28°F), the com-
pressor turns ON. The compressor turns OFF when ambient temper-
atures are less than -5°C(23°F).
Evaporator Freeze Protection Control (With Diesel Engine)
Auto amplifier will turn the compressor ON or OFF as determined by
a signal detected by intake sensor.
When intake temperatures are greater than 4°C(39°F), the com-
pressor turns ON. The compressor turns OFF when intake tempera-
tures are less than 2.5°C (36.5°F).
DIAGNOSTIC PROCEDURE
SYMPTOM: Magnet clutch does not engage when A/C switch is ON.
RHA094GB
RJIA0534E
RJIA0535E
Page 654 of 3066

ATC-76
TROUBLE DIAGNOSIS
1.CHECK POWER SUPPLY FOR COMPRESSOR
Disconnect compressor harness connector.
OK or NG
OK >> Check magnet clutch coil.
1. If NG, replace magnet clutch. Refer toATC-129,
"Removal and Installation for Compressor Clutch".
2. Go to self-diagnosis step-by-step procedureAT C - 4 3
and perform self-diagnosis STEP-4.Con-
firm that magnet clutch operation is normal.
NG >>DisconnectA/Crelay.AndGOTO2.
2.CHECK CIRCUIT CONTINUITY BETWEEN A/C RELAY AND COMPRESSOR
OK or NG
OK >> Check harness for short. And GO TO 3.
NG >> Repair harness or connector.
3.CHECK POWER SUPPLY FOR A/C RELAY
Disconnect A/C relay.
OK or NG
OK >> GO TO 4.
NG >> Check power supply circuit and 10A (No.15) fuse at fuse
block. Refer toPG-3, "
BATTERY POWER SUPPLY—IGNITION SW. IN ANY POSITION".
lIf OK, check for open circuit in wiring harness. Repair or replace as necessary.
lIf NG, replace fuse and check wiring harness for short circuit. Repair or replace as necessary.
Te r m i n a l s
Vo l ta g e (+)
(-)
ConnectorTerminal (Wire
color
E34 1 (L/R) Ground Battery voltage
RJIA0295E
Te r m i n a l s
Continuity A/C relay Compressor
ConnectorTe r m i n a l
(Wire color)ConnectorTe r m i n a l
(Wire color)
E5 5 (L/R) E34 1 (L/R) Yes
RJIA0536E
Te r m i n a l s
Vo l ta g e (+)
(-)
ConnectorTerminal (Wire
color)
E5 1 (BR/Y)
Ground Battery voltage
E5 3 (BR/Y)
RJIA0537E
Page 655 of 3066

TROUBLE DIAGNOSIS
ATC-77
C
D
E
F
G
H
I
K
L
MA
B
AT C
4.CHECK A/C RELAY AFTER DISCONNECTING IT
Refer toAT C - 8 0 , "
A/C Relay".
OK or NG
OK >>ReconnectA/Crelay.AndGOTO5.
NG >> 1. replace A/C relay.
2. Go to self-diagnosis step-by-step procedure:ATC-43, "
PROCEDURE"and perform self-diag-
nosis STEP-4.Confirm that magnet clutch operation is normal.
5.CHECK COIL SIDE CIRCUIT OF A/C RELAY
OK or NG
OK >> GO TO 6.
NG >> Repair harness or connector.
6.CHECK AMBIENT SENSOR
Refer toAT C - 9 3 , "
Ambient Sensor Circuit".
OK or NG
OK >>lWith gasoline engine: GO TO 7.
lWith diesel engine: GO TO 14.
NG >> Repair or replace the malfunctioning part(s).
7.CHECK REFRIGERANT PRESSURE SENSOR (QR ENGINE)
Refer toAT C - 8 0 , "
Refrigerant Pressure Sensor (With gasoline engine)".
OK or NG
OK >> GO TO 8.
NG >> Repair or replace the malfunctioning part(s).
8.CHECK VOLTAGE FOR AUTO AMP. (COMPRESSOR ON SIGNAL)
OK or NG
OK >> GO TO 9.
NG >>
lIf the voltage is approx. 4.8V when the A/C switch is
ON: Replace the auto amp.
lIf the voltage is approx. 0V when the A/C switch is OFF: GO TO 12.
Engine modelsTe r m i n a l s
Vo l ta g e (+)
(-)
ConnectorTe r m i n a l
(Wire color)
With gasoline
engineF43 26 (L)
Ground Battery voltage
With diesel
engineF34 D11 (I)
RJIA0538E
Te r m i n a l s
Condition Voltage
(+) (-)
ConnectorTerminal (Wire
color)
GroundA/C SW: ON Approx. 0V
M52 4 (L/R) A/C SW: OFF Approx. 4.8V
RJIA0539E
Page 656 of 3066

ATC-78
TROUBLE DIAGNOSIS
9.CHECK VOLTAGE FOR AUTO AMP. (COMPRESSOR FEED BACK SIGNAL)
OK or NG
OK >> GO TO 10.
NG >> GO TO 13.
10.CHECK VOLTAGE FOR AUTO AMP. (FAN ON SIGNAL)
OK or NG
OK >> Replace auto amp.
NG >>
lIf the voltage is approx. 4.8 V when the blower fan is
ON: Replace the auto amp.
lIf the voltage is approx. 0 V when the blower fan is OFF: GO TO 11.
11 .CHECK CIRCUIT CONTINUITY BETWEEN ECM AND AUTO AMP.
Disconnect ECM connector and auto amp. connector.
OK or NG
OK >> INSPECTION END.
NG >> Repair harness or connector.
Te r m i n a l s
Condition Voltage (+)
(-)
ConnectorTe r m i n a l
(Wire color)
M53 30 (PU) GroundA/C SW: ON Approx. 0V
A/C SW: ON
(Disconnect
refrigerant pres-
sure sensor con-
nector)Approx. 4.8V
RJIA0540E
Te r m i n a l s
Condition Voltage (+)
(-)
ConnectorTe r m i n a l
(Wire color)
M52 19 (LG/B) GroundBlower fan: ON Approx. 0V
Blower fan: OFF Approx. 4.8V
RJIA0541E
terminals
Continuity ECM Auto amp.
ConnectorTerminal (Wire
coor)ConnectorTerminal (Wire
color)
F43 55 (LG/B) M52 19 (LG/B) Yes
RJIA0542E
Page 657 of 3066

TROUBLE DIAGNOSIS
ATC-79
C
D
E
F
G
H
I
K
L
MA
B
AT C
12.CHECK CIRCUIT CONTINUITY BETWEEN ECM AND AUTO AMP. (QR ENGINE)
Disconnect ECM connector and auto amp. connector.
OK or NG
OK >> CheckEC-634, "REFRIGERANT PRESSURE SEN-
SOR"in ECM.
NG >> Repair harness or connector.
13.CHECK CIRCUIT CONTINUITY BETWEEN ECM AND AUTO AMP. (QR ENGINE)
Disconnect ECM connector and auto amp. connector.
OK or NG
OK >> CheckEC-634, "REFRIGERANT PRESSURE SEN-
SOR"in ECM.
NG >> Repair harness or connector.
14.CHECK VOLTAGE FOR AUTO AMP. (COMPRESSOR ON SIGNAL)
OK or NG
OK >> INSPECTION END.
NG >> GO TO 15.
15.CHECK DUAL- PRESSURE SWITCH (YD ENGINE)
Refer toAT C - 8 1 , "
Dual-pressure Switch (With diesel engine)".
OK or NG
OK >> GO TO 16.
NG >> Replace the dual-pressure switch.
Te r m i n a l s
Continuity ECM Auto amp.
ConnectorTerminal (Wire
color)ConnectorTerminal (Wire
color)
F43 44 (L/R) M52 4 (L/R) Yes
RJIA0543E
Te r m i n a l s
Continuity ECM connector Auto amp. connector
ConnectorTerminal (Wire
color)ConnectorTerminal (Wire
color)
F43 30 (PU/W) M53 30 (PU/W) Yes
RJIA0544E
Te r m i n a l s
Condition Voltage (+)
(-)
ConnectorTe r m i n a l
(Wire color)
M52 4 (L/R) GroundA/C SW: ON Approx. 0V
A/C SW: OFFApprox.
4.8V
RJIA0539E
Page 658 of 3066

ATC-80
TROUBLE DIAGNOSIS
16.CHECK CIRCUIT CONTINUITY BETWEEN AUTO AMP. AND DUAL-PRESSURE SWITCH
Disconnect the auto amp. connector.
OK or NG
OK >> GO TO 17.
NG >> Repair harness or connector.
17.CHECK CIRCUIT CONTINUITY BETWEEN DUAL-PRESSURE SWITCH AND ECM
Disconnect the ECM connector.
OK or NG
OK >> CheckEC-824, "AIR CONDITIONER CONTROL"in the
ECM.
NG >> Repair harness or connector.
COMPONENT INSPECTION
A/C Relay
Check continuity between terminal Nos. 3 and 5.
If NG, replace relay.
Refrigerant Pressure Sensor (With gasoline engine)
The refrigerant pressure sensor is attached to the liquid tank (con-
denser).
Te r m i n a l s
Continuity Auto amp. Dual-pressure switch
ConnectorTerminal (Wire
color)ConnectorTerminal (Wire
color)
M52-4 (L/R) 4 (L/R) E40-2 (L/R) 2 (L/R) Yes
RJIA0545E
Te r m i n a l s
Continuity Dual-pressure switch connector ECM connector
ConnectorTerminal (Wire
color)ConnectorTerminal (Wire
color)
E40 1 (PU/W) F34-D 23 (PU/W) Yes
RJIA0546E
Conditions Continuity
12V direct current supply between terminal Nos. 1
and 2Ye s
No current supply No
RHA638H
RJIA0547E
Page 659 of 3066

TROUBLE DIAGNOSIS
ATC-81
C
D
E
F
G
H
I
K
L
MA
B
AT C
Dual-pressure Switch (With diesel engine)
Thermal Protector (With diesel engine)
Check continuity between compressor harness terminal and field
coil.
Insufficient CoolingEJS001H6
SYMPTOM: Insufficient cooling
Compressor: ON
KPa (bar, kg/cm2,psi)Compressor: OFF
KPa (bar, kg/cm2,psi)
Low-pressure side 186 (1.86, 1.9, 27) 177 (1.77, 1.8, 26)
High-pressure side 1,569 (15.7, 16, 228) 2,746 (27.5, 28, 398)
RJIA0548E
RHA671H
Page 660 of 3066

ATC-82
TROUBLE DIAGNOSIS
INSPECTION FLOW
*1 Self-diagnosisAT C - 4 2, see No.1. *2 Air mix door motor circuitAT C - 6 1*3 Test readingAT C - 8 5 , "Te s t R e a d i n g
(QR engine)",AT C - 8 5 , "Test Reading
(YD engine)".
*4 Self-diagnosisAT C - 4 9 , "
AUXILIARY
MECHANISM: TEMPERATURE SET-
TING TRIMMER"STEP6.*5 LAN system circuitAT C -5 6
*6 Blower motor circuitAT C -6 7
*7 Magnet clutch circuitAT C - 7 3*8AT C - 8 3 , "PERFORMANCE TEST
DIAGNOSES"
*9 Operational checkAT C - 5 1
*10 Self-diagnosisAT C - 4 2, see No.5 or
7.*11 Checking drive belts,EM-13QR
engine;EM-110
YD engine*12 Cooling fan motor operation ,CO-7QR engine;CO-28YD engine
RJIA0549E