NISSAN X-TRAIL 2003 Electronic Repair Manual
X-TRAIL 2003
NISSAN
NISSAN
https://www.carmanualsonline.info/img/5/57402/w960_57402-0.png
NISSAN X-TRAIL 2003 Electronic Repair Manual
Trending: reset, horn, alternator, fuse chart, fuel pressure, air bleeding, manual radio set
Page 811 of 3066
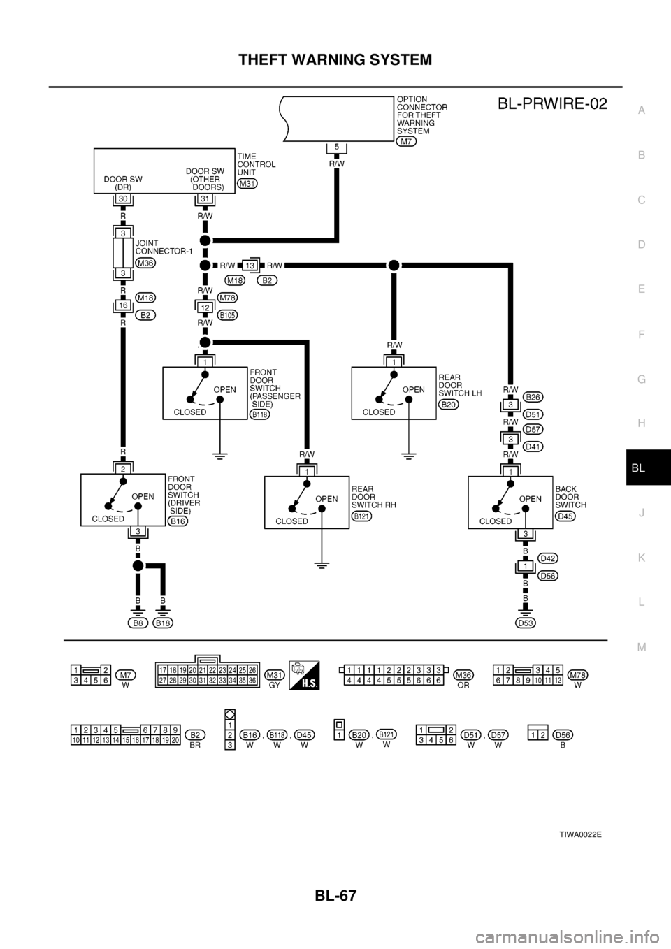
THEFT WARNING SYSTEM
BL-67
C
D
E
F
G
H
J
K
L
MA
B
BL
TIWA0022E
Page 812 of 3066
BL-68
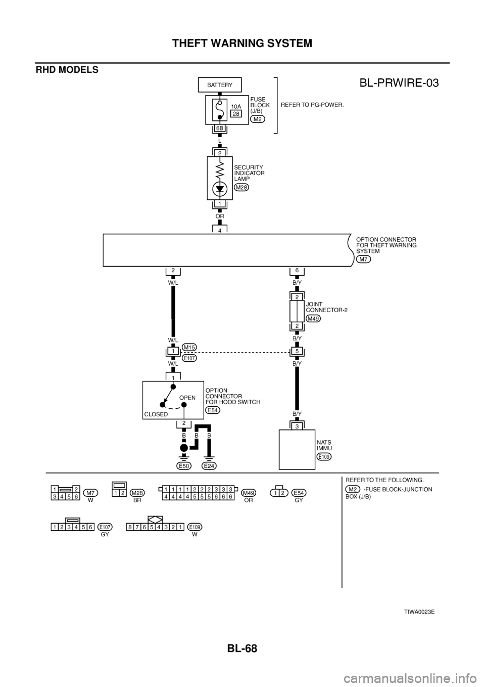
THEFT WARNING SYSTEM
RHD MODELS
TIWA0023E
Page 813 of 3066
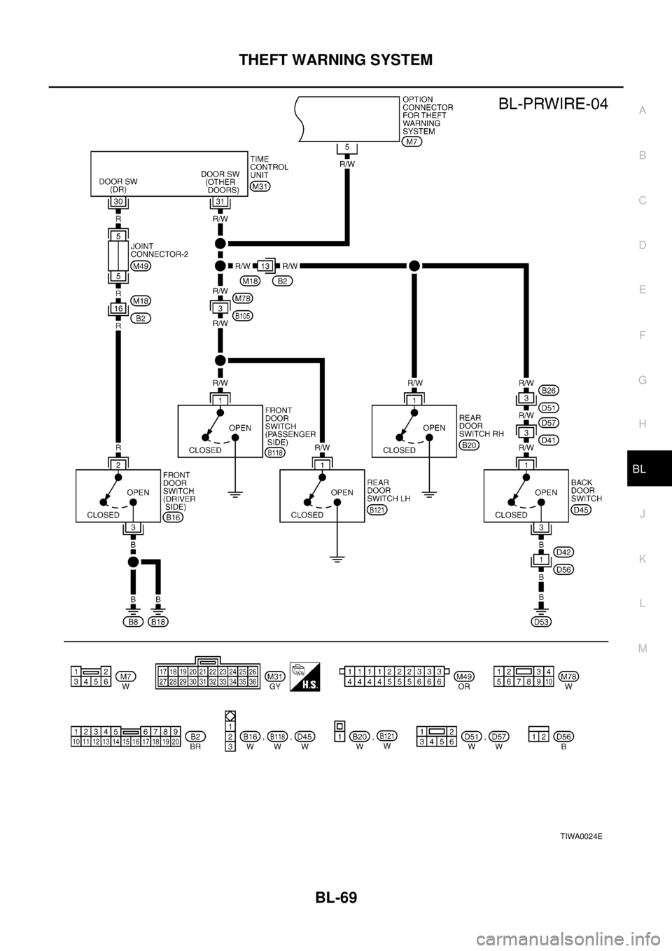
THEFT WARNING SYSTEM
BL-69
C
D
E
F
G
H
J
K
L
MA
B
BL
TIWA0024E
Page 814 of 3066

BL-70
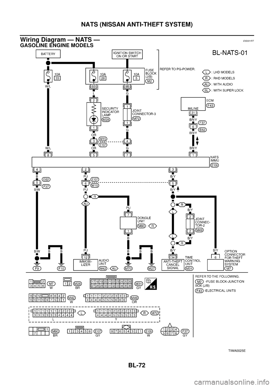
NATS (NISSAN ANTI-THEFT SYSTEM)
NATS (NISSAN ANTI-THEFT SYSTEM)
PFP:25386
Component Parts and Harness Connector LocationEIS001RQ
System DescriptionEIS001RR
NATS (Nissan Anti-Theft System) has the following immobilizer functions:
lSince only NATS ignition keys, whose ID nos. have been registered into the ECM and IMMU of NATS,
allow the engine to run, operation of a stolen vehicle without a NATS registered key is prevented by
NATS.
That is to say, NATS will immobilize the engine if someone tries to start it without the registered key of
NATS.
lThis version of NATS has dongle unit to improve its anti-theft performance (RHD models). Dongle unit has
its own ID which is registered into NATS IMMU. So if dongle unit is replaced, initialization must be carried
out.
lWhen malfunction of dongle unit is detected:
The security indicator lamp illuminates for about 15 minutes after ignition switch is turned to ON.
–When dongle unit has a malfunction and the indicator lamp is illuminated, engine can not be started. How-
ever engine can be started only one time when security indicator lamp turns off in about 15 minutes after
ignition switch is turned to ON.
lAll of the originally supplied ignition key IDs have been NATS registered.
If requested by the vehicle owner, a maximum of five key IDs can be registered into the NATS compo-
nents.
lThe security indicator blinks when the ignition switch is in “OFF” or “ACC” position. Therefore, NATS
warns outsiders that the vehicle is equipped with the anti-theft system.
lWhen NATS detects trouble, the security indicator lamp lights up as follows.
PIIA0586E
Condition IGN ON andWith dongle Without dongle
MIL Security indicator MIL Security indicator
NATS malfunction
(except dongle unit) is
detected—1. 6 times blinking
2. Staying ON after igni-
tion switch is turned
ON—StayingON
Only malfunction of don-
gle unit is detected.—Staying ON for about 15
minutes after ignition
switch is turned ON——
Page 815 of 3066

NATS (NISSAN ANTI-THEFT SYSTEM)
BL-71
C
D
E
F
G
H
J
K
L
MA
B
BL
lNATS trouble diagnoses, system initialization and additional registration of other NATS ignition key IDs
must be carried out using CONSULT-II hardware and CONSULT-II NATS software.
Regarding the procedures of NATS initialization and NATS ignition key ID registration, refer to CONSULT-
II operation manual, NATS.
lWhen servicing a malfunction of the NATS (indicated by lighting up of Security Indicator Lamp) or
registering another NATS ignition key ID no., it may be necessary to re-register original key iden-
tification. Therefore, be sure to receive ALL KEYS from vehicle owner.
System CompositionEIS001RS
The immobilizer function of the NATS consists of the following:
lNATS ignition key
lNATS immobilizer control unit (IMMU) located in the ignition key cylinder
lEngine control module (ECM)
lDongle unit (RHD models)
lSecurity indicator
Malfunction of NATS and
engine related parts are
detected.Stay ing ON1. 6 times blinking
2. Staying ON after igni-
tion switch is turned
ONStaying ON Staying ON
Only engine related part
malfunction is detected.Stay ing ON — Sta y in g ON —
Just after initialization of
NATS— 6 times blinking — — Condition IGN ON andWith dongle Without dongle
MIL Security indicator MIL Security indicator
SIIA1246E
Page 816 of 3066
BL-72
NATS (NISSAN ANTI-THEFT SYSTEM)
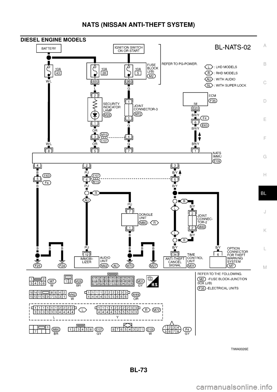
Wiring Diagram — NATS —
EIS001RT
GASOLINE ENGINE MODELS
TIWA0025E
Page 817 of 3066
NATS (NISSAN ANTI-THEFT SYSTEM)
BL-73
C
D
E
F
G
H
J
K
L
MA
B
BL
DIESEL ENGINE MODELS
TIWA0026E
Page 818 of 3066
BL-74
NATS (NISSAN ANTI-THEFT SYSTEM)
CONSULT-II
EIS001RW
CONSULT-II INSPECTION PROCEDURE
1. Turn ignition switch OFF.
2. Insert NATS program card into CONSULT-II.
3. Connect CONSULT-II to data link connector.
4. Turn ignition switch ON.
5. Touch “START”.
6. Select “NATS V.5.0”.
7. Perform each diagnostic test mode according to each service
procedure.
For further information, see the CONSULT-II Operation Manual,
NATS.
CONSULT-II DIAGNOSTIC TEST MODE FUNCTION
Program card : NATS (AEN00B)
SIIA1249E
SEL026X
SEL027X
SEL150X
CONSULT-II DIAGNOSTIC TEST
MODEDescription
C/U INITIALIZATIONWhen replacing any of the following components, C/U initialization and re-registration of all
NATS ignition keys are necessary.
[NATS ignition key/IMMU/ECM/Dongle unit]
SELF-DIAG RESULTSDetected items (screen terms) are as shown in the chart.
BL-75, "
NATS SELF-DIAGNOSTIC RESULTS ITEM CHART"
Page 819 of 3066

NATS (NISSAN ANTI-THEFT SYSTEM)
BL-75
C
D
E
F
G
H
J
K
L
MA
B
BL
NOTE:
lWhen any initialization is performed, all ID previously registered will be erased and all NATS igni-
tion keys must be registered again.
lThe engine cannot be started with an unregistered key. In this case, the system may show “DIFFERENCE
OF KEY” or “LOCK MODE” as a self-diagnostic result on the CONSULT-II screen.
lWhen initialization is performed for RHD models, security indicator will flash six times to demonstrate rec-
ognition of the dongle unit ID.
lIn rare case, “CHAIN OF ECM-IMMU” might be stored as a self-diagnostic result during key registration
procedure, even if the system is not malfunctioning.
HOW TO READ SELF-DIAGNOSTIC RESULTS
NATS SELF-DIAGNOSTIC RESULTS ITEM CHART
SEL151X
Detected items
(NATS program card screen terms)P No. Code
(Self-diagnostic
result of
“ENGINE”Malfunction is detected when.....Reference
page
ECM INT CIRC-IMMUNATS MAL-
FUNCTION
P1613The malfunction of ECM internal circuit of IMMU commu-
nication line is detected.BL-80
CHAIN OF ECM-IMMUNATS MAL-
FUNCTION
P1612Communication impossible between ECM and IMMU
(In rare case, “CHAIN OF ECM-IMMU” might be stored
during key registration procedure, even if the system is
not malfunctioning.)BL-80
DIFFERENCE OF KEYNATS MAL-
FUNCTION
P1615IMMU can receive the key ID signal but the result of ID
verification between key ID and IMMU is NG.BL-82
CHAIN OF IMMU-KEYNATS MAL-
FUNCTION
P1614IMMU cannot receive the key ID signal.BL-83
ID DISCORD, IMM-ECMNATS MAL-
FUNCTION
P1611The result of ID verification between IMMU and ECM is
NG. System initialization is required.BL-85
Page 820 of 3066
BL-76
NATS (NISSAN ANTI-THEFT SYSTEM)
LOCK MODENATS MAL-
FUNCTION
P1610When the starting operation is carried out five or more
times consecutively under the following conditions, NATS
will shift the mode to one which prevents the engine from
being started.
lUnregistered ignition key is used.
lIMMU or ECM's malfunctioning.BL-86
DON'T ERASE BEFORE CHECK-
ING ENG DIAG—All engine trouble codes except NATS trouble code has
been detected in ECM.BL-77
Detected items
(NATS program card screen terms)PNo.Code
(Self-diagnostic
result of
“ENGINE”Malfunction is detected when.....Reference
page
Trending: keyless entry, tailgate, catalytic converter, brake sensor, high beam, fuel cap release, turn signal bulb