NISSAN X-TRAIL 2003 Electronic Repair Manual
Manufacturer: NISSAN, Model Year: 2003, Model line: X-TRAIL, Model: NISSAN X-TRAIL 2003Pages: 3066, PDF Size: 51.47 MB
Page 1071 of 3066

COMBINATION METERS (LHD MODELS)
DI-17
C
D
E
F
G
H
I
J
L
MA
B
DI
4.CHECK HARNESS FOR SHORT CIRCUIT
1. Checking the following.
–Continuity between combination meter harness connector M46
terminal 51(G) and ground.
–Continuity between sub fuel level sensor harness connector
B125 terminal 3 (Y) and ground.
–Continuity between fuel level sensor unit harness connector
B31(Gasoline engine models) or B32 (Diesel engine models)
terminal 1(B/W) and ground.
OK or NG?
OK >> GO TO 5.
NG >> Repair or replace harnesses or connectors.
5.FUEL LEVEL SENSOR UNIT INSPECTION
Check the components. Refer toDI-19, "
Electrical Components Inspection".
OK or NG
OK >> GO TO 6.
NG >> Replace fuel level sensor unit or sub fuel level sensor unit.
6.CHECK INSTALLATION CONDITION
Check fuel level sensor unit installation, and check whether the float arm interferes or binds with any compo-
nents inside the arm.
OK or NG
OK >> Replace combination meter.
NG >> Install fuel level sensor unit or sub fuel sensor unit properly.
The Fuel Gauge Pointer Fluctuates·Indicator Wrong Value·or Varies.EKS002ZJ
1.CHECK THE FUEL GAUGE POINTER FOR FLUCTUATION
Does the indication value fluctuate during driving or before/after stop?
Does the indication value vary?
YES >> The pointer fluctuation may be caused by fuel level change in the fuel tank.
NO >> Ask the customer about the situation when the symptom occurs in detail, and Preform the trouble
diagnosis. Continuity should not exist.
SKIA0992E
SKIA1007E
Page 1072 of 3066

DI-18
COMBINATION METERS (LHD MODELS)
The Fuel Gauge Does Not Move to F-position.
EKS002ZK
1.QUESTIONNAIRE 1
Does it take a long time for the pointer to move to F-position?
YES?
YES >> GO TO 2.
NO >> GO TO 3.
2.QUESTIONNAIRE 2
Was the vehicle fueled with the ignition switch ON?
YES?
YES >> Be sure to fuel the vehicle with the ignition switch OFF. Otherwise it will take a long time to move
to F-position because of the characteristic of the fuel gauge.
NO >> GO TO 3.
3.QUESTIONNAIRE 3
Is the floor or the vehicle inclined?
YES?
YES >> It may not be filled fully.
NO >> GO TO 4.
4.QUESTIONNAIRE 4
During driving, does the fuel gauge pointer move gradually toward E-position?
YES?
YES >> Check the components. Refer toDI-19, "Electrical Components Inspection".
NO >> The float arm may interfere or bind with any of the components in the fuel tank.
The Fuel Gauge Does Not Work.EKS002ZL
1.HARNESS CONNECTOR INSPECTION
1. Turn the ignition switch OFF.
2. Check combination meter, fuel level sensor unit, sub fuel level sensor unit and terminals (meter-side,
module-side, and harness-side) for poor connection and bend.
OK or NG
OK >> GO TO 2.
NG >> Repair connector.
2.CHECK INSTALLATION CONDITION
Check fuel level sensor unit or sub fuel level sensor unit installation (refer toFL-4, "
FUEL LEVEL SENSOR
UNIT, FUEL FILTER AND FUEL PUMP ASSEMBLY"for QR engine models orFL-17, "FUEL LEVEL SEN-
SOR UNIT"for YD engine models, and check whether the float arm interferes or binds with any components
inside the arm.
OK or NG
OK >> Fuel level sensor unit is OK.
NG >> Check fuel level sensor unit or sub fuel level sensor unit. Refer toDI-19, "
Electrical Components
Inspection".
Page 1073 of 3066

COMBINATION METERS (LHD MODELS)
DI-19
C
D
E
F
G
H
I
J
L
MA
B
DI
Low Fuel Warning Lamp Illuminate or Not IlluminateEKS002ZM
1.DIAGNOSIS MODE INSPECTION
Preform combination meter diagnosis mode. Refer toDI-10, "
Meter/Gauge Operation and Odo/Trip Meter
Segment Check in Diagnosis Mode".
OK or NG
OK >> Check fuel level sensor unit or sub fuel level sensor unit. Refer toDI-19, "Electrical Components
Inspection".
NG >> Replace combination meter.
Electrical Components InspectionEKS002ZN
FUEL LEVEL SENSOR UNIT CHECK / GASOLINE ENGINE MODELS
For removal, refer toFL-4, "FUEL LEVEL SENSOR UNIT, FUEL FILTER AND FUEL PUMP ASSEMBLY"for
Gasoline engine models.
Fuel level sensor unit
Check the resistance between terminals 1 and 4.
*1 and *2: When float rod is in contact with stopper.
Sub fuel level sensor unit
Check the resistance between terminals 3 and 1.
*1 and *2: When float rod is in contact with stopper.
FUEL LEVEL SENSOR UNIT CHECK / DIESEL ENGINE MODELS EXCEPT FOR NORTHERN
EUROPE
For removal, refer toFL-17, "FUEL LEVEL SENSOR UNIT"for Diesel engine models.
Fuel level sensor unit
Check the resistance between terminals 1 and 4.
*1 and *2: When float rod is in contact with stopper.Ohmmeter
Float position mm (in)Resistance
valueW
(+) (-)
41*1 Full 24 (2.36) Approx. 4 - 6
*2 Empty 167 (6.57) Approx.79 - 84
SKIA0904E
Ohmmeter
Float position mm (in)Resistance
valueW
(+) (-)
13*1 Full 35 (1.50) Approx. 0.8 -1
*2 Empty 186 (6.38) Approx.79 - 84
SKIA1032E
Ohmmeter
Float position mm (in)Resistance
valueW
(+) (-)
41*1 Full 24 (2.38) Approx. 4 - 6
*2 Empty 170 (6.46) Approx. 79 - 84
SKIA0908E
Page 1074 of 3066

DI-20
COMBINATION METERS (LHD MODELS)
Sub fuel level sensor unit
Check the resistance between terminals 1 and 3.
*1 and *2: When float rod is in contact with stopper.
FUEL LEVEL SENSOR UNIT CHECK / DIESEL ENGINE MODELS FOR NORTHERN EUROPE
For removal, refer toFL-17, "FUEL LEVEL SENSOR UNIT"for Diesel engine models.
Fuel level sensor unit
Check the resistance between terminals 1 and 3.
*1 and *2: When float rod is in contact with stopper.
Sub fuel level sensor unit
Check the resistance between terminals 1 and 3.
*1 and *2: When float rod is in contact with stopper.
THERMAL TRANSMITTER CHECK
Check the resistance between the terminals of thermal transmitter
and body ground.
For removal, refer toFL-17, "
FUEL LEVEL SENSOR UNIT"for Die-
sel engine models.
Ohmmeter
Float position mm (in)Resistance
valueW
(+) (-)
13*1 Full 35 (1.50) Approx. 0.8 - 1.0
*2 Empty 186 (6.38) Approx. 38 - 42
SKIA1031E
Ohmmeter
Float position mm (in)Resistance
valueW
(+) (-)
14*1 Full 40 (1.57) Approx. 4 - 6
*2 Empty 171 (6.73) Approx. 80 - 83
SKIA0909E
Ohmmeter
Float position mm (in)Resistance
valueW
(+) (-)
13*1 Full 51 (2.01) Approx. 0.8 - 1.0
*2 Empty 162 (6.38) Approx. 38 - 42
SKIA0910E
Water temperature Resistance
60°C(140°F) Approx. 170 - 210W
100°C (212°F) Approx. 47 - 53W
MEL424F
Page 1075 of 3066

COMBINATION METERS (LHD MODELS)
DI-21
C
D
E
F
G
H
I
J
L
MA
B
DI
Removal and Installation for Combination MeterEKS002ZO
1. Remove the cluster lid A. Refer toIP-3, "INSTRUMENT PANEL
ASSEMBLY".
2. Remove the screws (4), and pull out combination meter.
3. Disconnect connectors and remove combination meter.
Disassembly and Assembly for Combination MeterEKS002ZP
1. Disengaged the tabs(8) to separate front cover.
2. Remove finisher.
3. Remove bulbs.
SKIA0036E
SKIA0044E
Page 1076 of 3066

DI-22
COMBINATION METERS (RHD MODELS)
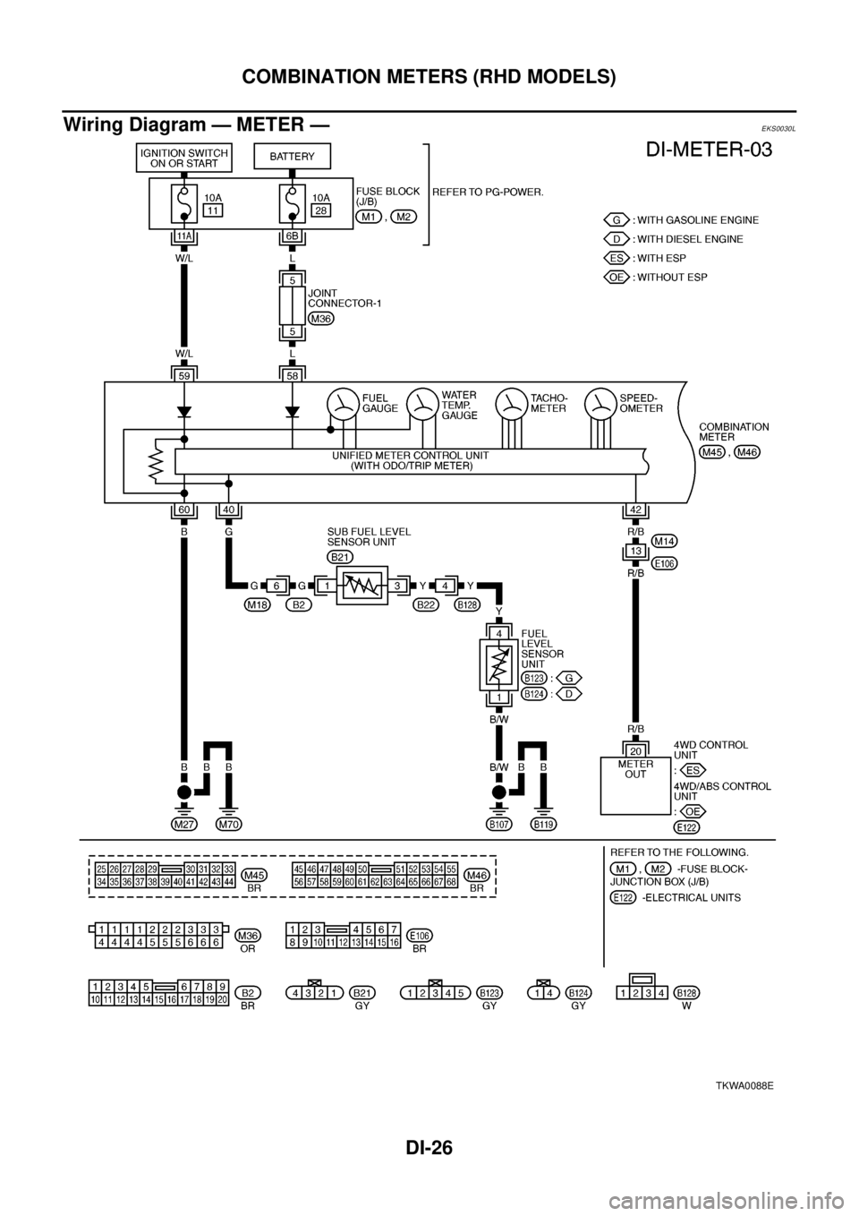
COMBINATION METERS (RHD MODELS)
PFP:24810
System DescriptionEKS0030H
UNIFIED CONTROL METER
lSpeedometer, odo/trip meter, tachometer, fuel gauge and water temperature gauge are controlled totally
by control unit built-in combination meter.
lDigital meter is adopted for odo/trip meter.*
*The record of the odo meter is kept even if the battery cable is disconnected. The record of the trip meter
is erased when the battery cable is disconnected.
lOdo/trip meter segment can be checked in diagnosis mode.
lMeter/gauge can be checked in diagnosis mode.
HOW TO CHANGE THE DISPLAY FOR ODO/TRIP METER
NOTE:
Turn ignition switch to the “ON” position to operate odo/trip meter.
POWER SUPPLY AND GROUND CIRCUIT
Power is supplied at all times
lthrough 10A fuse [No. 28, located in the fuse block (J/B)]
lto combination meter terminal 58.
With the ignition switch in the ON or START position, power is supplied
lthrough 10A fuse [No. 11, located in the fuse block (J/B)]
lto combination meter terminal 59.
Ground is supplied
lthrough body grounds M27 and M70
lto combination meter terminal 60.
WATER TEMPERATURE GAUGE
Gasoline engine models
The water temperature gauge indicates the engine coolant temperature. The reading on the gauge is received
engine coolant temperature signal from ECM. ECM is detected by water temperature sensor.
The water temperature gauge is received by a signal
lfrom ECM terminal 32
lto combination meter terminal 66.
The needle on the gauge moves from “C” to “H”
SKIA0896E
Page 1077 of 3066

COMBINATION METERS (RHD MODELS)
DI-23
C
D
E
F
G
H
I
J
L
MA
B
DI
Diesel engine models
The water temperature gauge indicates the engine coolant temperature. The reading on the gauge is based
on the resistance of the thermal transmitter.
As the temperature of the coolant increases, the resistance of the thermal transmitter decreases. A variable
ground is supplied to terminal 66 of the combination meter for the water temperature gauge. The needle on
the gauge moves from “C” to “H”.
TACHOMETER
The tachometer indicates engine speed in revolutions per minute (rpm).
The tachometer is regulated by a signal
lfrom terminal 36 (Gasoline engine models) or D1 (Diesel engine models) of the ECM
lto combination meter terminal 41 for the tachometer.
FUEL GAUGE
The fuel gauge indicates the approximate fuel level in the fuel tank.
The fuel gauge is regulated by a variable ground signal supplied
lfrom body grounds , B107 and B119
lthrough terminal 1 and 3 of the Sub fuel level sensor unit and
lthrough terminal 4 and 1 of the fuel level sensor unit
lto combination meter terminal 40 for the fuel gauge.
SPEEDOMETER
The combination meter provides a voltage signal to the vehicle speed signal from 4WD/ABS control unit (with-
out ESP) or 4WD control unit (with ESP).
The voltage is supplied
lfrom combination meter terminal 42 for the speedometer
lto terminal 20 of 4WD/ABS control unit (without ESP) or 4WD control unit (with ESP).
The speedometer converts the voltage into the vehicle speed displayed.
Component Parts and Harness Connector LocationEKS0030I
SKIA1030E
Page 1078 of 3066

DI-24
COMBINATION METERS (RHD MODELS)
Combination Meter
EKS0030J
CHECK
SKIA0897E
Page 1079 of 3066

COMBINATION METERS (RHD MODELS)
DI-25
C
D
E
F
G
H
I
J
L
MA
B
DI
SchematicEKS0030K
TKWA0131E
Page 1080 of 3066

DI-26
COMBINATION METERS (RHD MODELS)
Wiring Diagram — METER —
EKS0030L
TKWA0088E