NISSAN X-TRAIL 2003 Electronic Repair Manual
Manufacturer: NISSAN, Model Year: 2003, Model line: X-TRAIL, Model: NISSAN X-TRAIL 2003Pages: 3066, PDF Size: 51.47 MB
Page 1061 of 3066

COMBINATION METERS (LHD MODELS)
DI-7
C
D
E
F
G
H
I
J
L
MA
B
DI
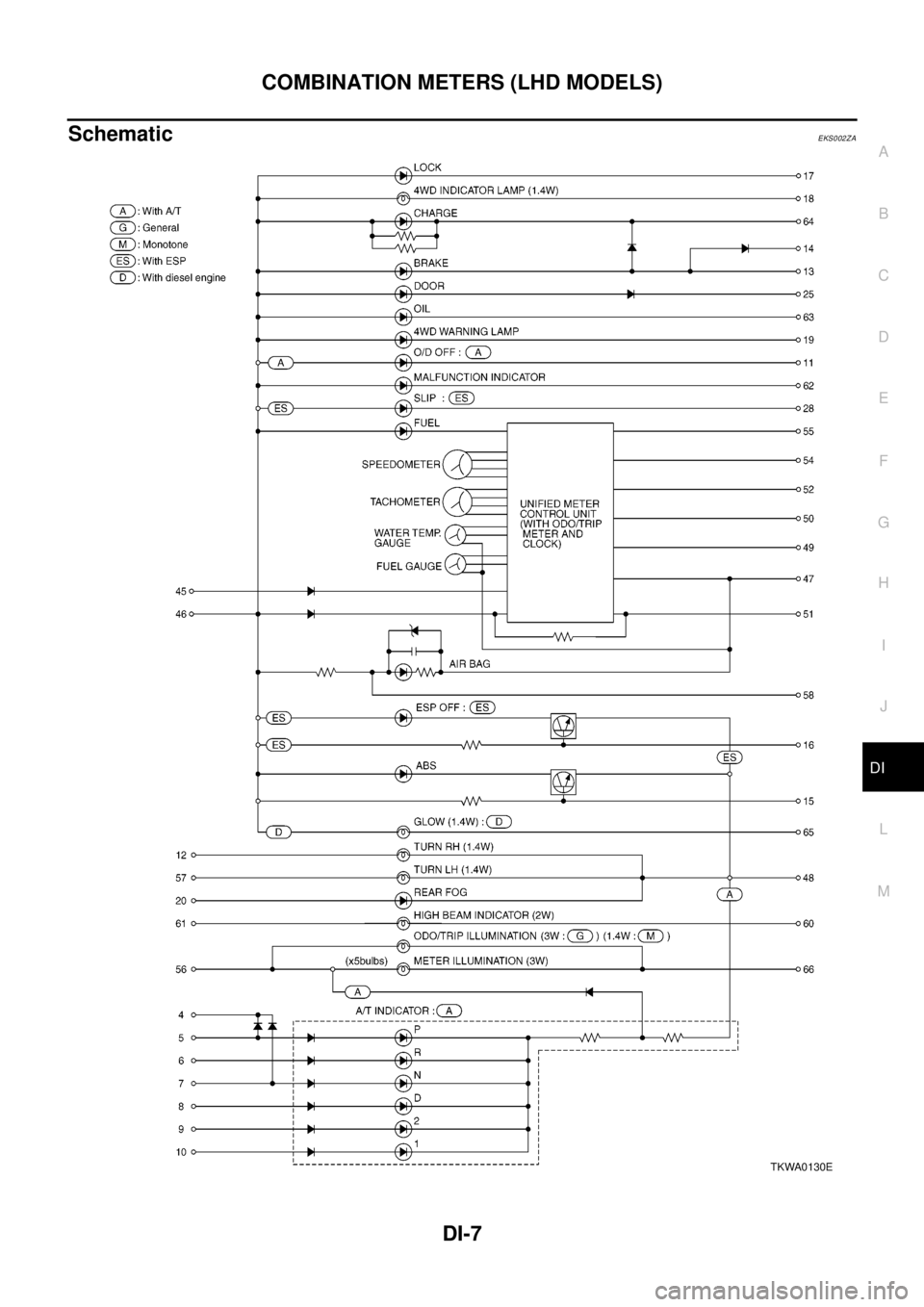
SchematicEKS002ZA
TKWA0130E
Page 1062 of 3066

DI-8
COMBINATION METERS (LHD MODELS)
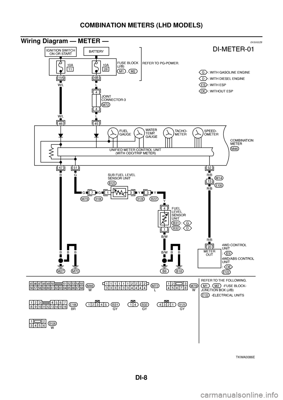
Wiring Diagram — METER —
EKS002ZB
TKWA0086E
Page 1063 of 3066

COMBINATION METERS (LHD MODELS)
DI-9
C
D
E
F
G
H
I
J
L
MA
B
DI
TKWA0087E
Page 1064 of 3066

DI-10
COMBINATION METERS (LHD MODELS)
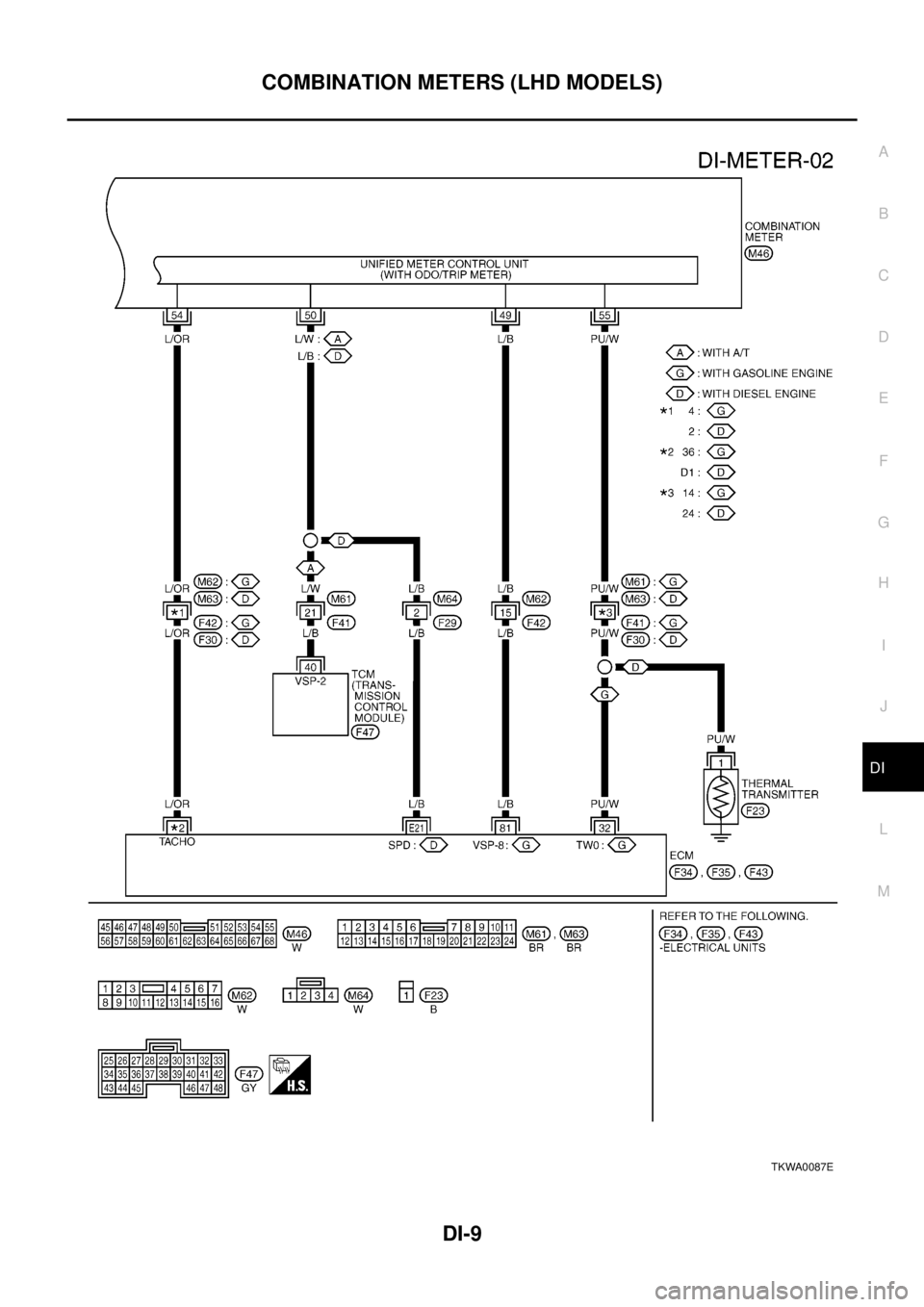
Meter/Gauge Operation and Odo/Trip Meter Segment Check in Diagnosis Mode
EKS002ZC
DIAGNOSIS FUNCTION
lOdo/trip meter segment can be checked in diagnosis mode.
lMeters/gauges can be checked in diagnosis mode.
HOW TO ALTERNATE DIAGNOSIS MODE
1. Turn ignition switch to ON and change odo/trip meter to “TRIP A” or “TRIP B”.
2. Turn ignition switch to OFF.
3. Turn ignition switch to ON when pushing odo/trip meter switch.
4. Confirm that trip meter indicates “000.0”.
5. Push odo/trip meter switch more than three times within 5 seconds.
6. All odo/trip meter segments should be turned on.
NOTE:
If some segments are not turned on, unified meter control unit
with odo/trip meter should be replaced.
At this point, the unified control meter is turned to diagnosis
mode.
7. Push odo/trip meter switch. Indication of each meter/gauge
should be as shown left during pushing odo/trip meter switch if it
is no malfunctioning.
NOTE:
It takes about a few seconds for indication of fuel gauge and
water temperature gauge to become stable.
Trouble DiagnosesEKS002ZD
PRELIMINARY CHECK
1.CHECK WARNING LAMPS
1. Turn ignition switch ON.
2. Warning lamps should illuminate (seat belt warning or door warning etc.).
Do warning lamps illuminate?
YES >> GO TO 2.
NO >> Power supply and ground circuit check. Refer toDI-12, "
Power Supply and Ground Circuit Check"
.
2.CHECK DIAGNOSIS MODE OPERATION
Preform diagnosis mode. Refer toDI-10, "
Meter/Gauge Operation and Odo/Trip Meter Segment Check in
Diagnosis Mode".
Can diagnosis mode be activated?
YES >> GO TO 3.
NO >> Power supply and ground circuit check. Refer toDI-12, "
Power Supply and Ground Circuit Check"
SKIA0899E
SKIA0900E
Page 1065 of 3066

COMBINATION METERS (LHD MODELS)
DI-11
C
D
E
F
G
H
I
J
L
MA
B
DI
3.SEGMENTS CHECK
Check odo / trip meter segment.
Do all segments illuminate?
YES >> GO TO 4.
NO >> Replace combination meter.
4.CHECK FUEL WARNING LAMP
Check fuel warning lamp in diagnosis mode. Refer toDI-12, "
Power Supply and Ground Circuit Check".
Do fuel warning lamp illuminate?
OK >> GO TO 5.
NG >> Replace combination meter.
5.CHECK METER CIRCUIT
Check indication of each meter/gauge in self-diagnosis mode. Refer toDI-12, "
Power Supply and Ground Cir-
cuit Check".
OK or NG?
OK >> Symptom chart
NG >> Replace combination meter.
SYMPTOM CHART
Symptom Possible cause Repair procedure
Fuel warning lamp is
malfunctioning.
1. Sensor Signal
–Engine revolution signal
–Fuel gauge
–Water temp gauge
2. Unified meter control unit1. Check the sensor for malfunctioning meter/gauge.
–INSPECTION/ENGINE SPEED SIGNAL (Refer toDI-12,
"Inspection/Engine Speed Signal".)
–INSPECTION/FUEL LEVEL SENSOR UNIT (Refer toDI-15,
"Inspection/Fuel Level Sensor Unit".)
–INSPECTION/THERMAL TRANSMITTER (Refer toDI-13,
"Inspection/Water Temperature Gauge /Gasoline Engine Models"
orDI-13, "Inspection/Water Temperature Gauge (Diesel Engine
Models)".)
2. Replace combination meter One of tachometer/fuel
gauge/water temp. gauge is
malfunctioning.
Speedometer and odo/trip
meter is malfunctioning.1. Sensor Signal
–Vehicle speed signal
2. Unified meter control unit1. Check the sensor for malfunctioning meter/gauge.–INSPECTION/VEHICLE SPEED SIGNAL (Refer toDI-12,
"Inspection/Engine Speed Signal".)
2. Replace combination meter
Multiple meter/gauge are
malfunctioning.
lUnified meter control unitlReplace combination meter.
Page 1066 of 3066
![NISSAN X-TRAIL 2003 Electronic Repair Manual DI-12
COMBINATION METERS (LHD MODELS)
Power Supply and Ground Circuit Check
EKS002ZE
1.POWER SUPPLY CIRCUIT CHECK
OK or NG?
OK >> GO TO 2.
NG >>
l10A fuse [No. 11, located in fuse block (J/B)].
l10A f NISSAN X-TRAIL 2003 Electronic Repair Manual DI-12
COMBINATION METERS (LHD MODELS)
Power Supply and Ground Circuit Check
EKS002ZE
1.POWER SUPPLY CIRCUIT CHECK
OK or NG?
OK >> GO TO 2.
NG >>
l10A fuse [No. 11, located in fuse block (J/B)].
l10A f](/img/5/57402/w960_57402-1065.png)
DI-12
COMBINATION METERS (LHD MODELS)
Power Supply and Ground Circuit Check
EKS002ZE
1.POWER SUPPLY CIRCUIT CHECK
OK or NG?
OK >> GO TO 2.
NG >>
l10A fuse [No. 11, located in fuse block (J/B)].
l10A fuse [No. 28, located in fuse block (J/B)].
lHarness for open or short between fuse and combination meter.
2.GROUND CIRCUIT CHECK
OK or NG?
OK >> Inspection end.
NG >> Harness for open ground circuit.
Inspection/Engine Speed SignalEKS002ZF
1.CHECK ECM OUTPUT
1. Start engine.
2. Check voltage between combination meter harness connector
M46 terminals 54 (L/OR) and ground at idle and 2,000 rpm.
OK or NG?
OK >> Engine speed signal is OK.
NG >> Harness for open or short between ECM and combina-
tion meter.
Terminals Ignition switch position
(+)
(-)OFF ACC ON
ConnectorTe r m i n a l
(wire
color)
M46 45 (L) GroundBattery
voltageBattery
voltageBattery
voltage
M46 46 (W/L) Ground 0V 0VBattery
voltage
SKIA0982E
Te r m i n a l s
Continuity (+)
(-)
Connector Terminal
M46 47 Ground Yes
SKIA0983E
Higher rpm = Higher voltage
Lower rpm = Lower voltage
Voltage should change with rpm.
SKIA0984E
Page 1067 of 3066

COMBINATION METERS (LHD MODELS)
DI-13
C
D
E
F
G
H
I
J
L
MA
B
DI
Inspection/Water Temperature Gauge /Gasoline Engine ModelsEKS002ZT
1.CHECK ECM OUTPUT
1. Disconnect combination meter.
2. Check voltage between combination meter harness connector
M46 terminal 55 (PU/W) and ground.
OK or NG?
OK >> GO TO 3.
NG >> GO TO 2.
2.CHECK HARNESS FOR OPEN OR SHORT
1. Disconnect ECM connector.
2. Check continuity between combination meter harness connector
M46 terminal 55 (PU/W) and ECM harness connector Terminal
32 (PU/W).
3. Check continuity between combination meter harness connector
M46 terminal 55 (PU/W) and ground.
OK or NG?
OK >> GO TO 3.
NG >> Repair harness or connector.
3.CHECK WATER TEMPERATURE OUTPUT SIGNAL
1. Connect combination meter connector and ECM connector.
2. Start engine.
3. Check output signal between combination meter harness con-
nector M46 terminal 55 (PU/W) and ground. (Use “SIMPLE
OSCILLOSCOPE” in “SUB MODE” with CONSULT-II.)
OK or NG?
OK >> Replace combination meter.
NG >> Check ECM.
Inspection/Water Temperature Gauge (Diesel Engine Models)EKS002ZG
1.CHECK THERMAL TRANSMITTER
Refer toDI-20, "
THERMAL TRANSMITTER CHECK".
OK or NG
OK >> GO TO 2.
NG >> Replace thermal transmitter.Battery voltage should exist.
SKIA0985E
Continuity should exist.
Continuity should not exist.
SKIA0986E
55 (PU/W) – ground
SKIA0987E
Page 1068 of 3066

DI-14
COMBINATION METERS (LHD MODELS)
2.CHECK HARNESS FOR OPEN OR SHORT
1. Disconnect combination meter connector and thermal transmit-
ter connector.
2. Check continuity between combination meter harness connector
M46 terminal 55 (PU/W) and thermal transmitter harness con-
nector F23 terminal 1 (PU/W).
3. Check continuity between combination meter harness connector
M46 terminal 55 (PU/W) and ground.
OK or NG?
OK >> Thermal transmitter is OK.
NG >> Replace harness or connector.
Inspection/Vehicle speed signalEKS002ZH
1.CHECK ABS WARNING LAMP
lTurntheignitionswitchON,thenABSwarninglampturnON.
OK or NG?
OK >> Check ABS system.
NG >> GO TO 2.
2.CHECK HARNESS FOR OPEN OR SHORT
1. Disconnect combination meter connector and 4WD/ABS control unit(without EPS) or 4WD control unit
(without EPS) connector.
2. Check continuity between combination meter harness connector
M46 terminal 52 (R/B) and 4WD/ABS control unit (without EPS)
or 4WD control unit (with EPS) harness connector E122 terminal
20.
3. Check continuity between combination meter harness connector
M46 terminal 52 (R/B) and ground.
OK or NG?
OK >> GO TO 3.
NG >> Replace combination meter.
3.CHECK 4WD/ABS CONTROL UNIT (EITHOUT EPS) OR 4WD CONTROL UNIT (WITH EPS) OUTPUT
1. Connect combination meter connector.
2. Check voltage between combination meter harness connector
M46 terminal 52 (R/B) and ground.
OK or NG?
OK >> GO TO 4.
NG >> Replace combination meter.Continuity should exist.
Continuity should not exist.
SKIA0988E
ABS warning lamp should illuminate.
Continuity should exist.
Continuity should not exist.
SKIA0989E
Apporox. 9V
SKIA1004E
Page 1069 of 3066

COMBINATION METERS (LHD MODELS)
DI-15
C
D
E
F
G
H
I
J
L
MA
B
DI
4.CHECK VEHICLE SPEED INPUT SIGNAL
1. Connect 4WD/ABS control unit (without EPS)or 4WD control
unit (with EPS) connector.
2. Lift up drive wheels.
3. Start engine.
4. Check voltage signal between combination meter harness con-
nector M46 terminal 52 (R/B) and ground.
OK or NG?
OK >> Replace combination meter.
NG >> Check ABS system.
Inspection/Fuel Level Sensor UnitEKS002ZI
FUEL LEVEL SENSOR UNIT
The following symptoms do not indicate a malfunction.
lDepending on vehicle posture or driving circumstance, the fuel level in the tank varies, and the pointer
may fluctuate.
lIf the vehicle is fueled with the ignition switch ON, the pointer will move slowly.
LOW-FUEL WARNING LAMP
Depending on vehicle posture or driving circumstance, the fuel level in the tank varies, and the warning lamp
ON timing may be changed.
1.DIAGNOSIS MODE INSPECTION
Preform the combination meter diagnosis mode. Refer toDI-10, "
Meter/Gauge Operation and Odo/Trip Meter
Segment Check in Diagnosis Mode".
OK or NG
OK >> GO TO 2.
NG >> Replace combination meter.
2.HARNESS CONNECTOR INSPECTION
1. Turn the ignition switch OFF.
2. Check combination meter, fuel level sensor unit and terminals (meter-side, module-side, and harness-
side) for poor connection and bend.
OK or NG
OK >> GO TO 3.
NG >> Repair or replace terminals or connectors.52 (R/B) – ground
SKIA0990E
Page 1070 of 3066

DI-16
COMBINATION METERS (LHD MODELS)
3.CHECK HARNESS FOR OPEN CIRCUIT
1. Disconnect combination meter connector, fuel level sensor unit
connector and sub fuel level sensor unit connector.
2. Check the following.
–Continuity between combination meter harness connector M46
terminal 51 (G) and sub fuel level sensor unit harness connector
B125 terminal 1 (G).
–Continuity between sub fuel level sensor unit harness connector
B125 terminal 3 (Y) and fuel level sensor unit harness connector
B31(Gasoline engine models) or B32 (Diesel engine models)
terminal 4 (Y).
OK or NG?
OK >> GO TO 4.
NG >> Repair or replace harnesses or connectors.Continuity should exist.
SKIA0991E
SKIA1005E