NISSAN X-TRAIL 2003 Electronic Repair Manual
Manufacturer: NISSAN, Model Year: 2003, Model line: X-TRAIL, Model: NISSAN X-TRAIL 2003Pages: 3066, PDF Size: 51.47 MB
Page 1111 of 3066

WARNING CHIME
DI-57
C
D
E
F
G
H
I
J
L
MA
B
DI
2.GROUND CIRCUIT CHECK
Check continuity between time control unit harness connector M31
terminal 16 (B) and ground.
OK or NG
OK >> Inspection end.
NG >> Check ground harness.
Lighting Switch Input Signal CheckEKS002XU
1.CHECK LIGHTING SWITCH INPUT SIGNAL
Check voltage between time control unit harness connector M31 ter-
minal 19 (R/L) and ground.
OK or NG
OK >> Lighting switch is OK.
NG >> Check the following.
l10A fuse (No. 31, located in the fuse and fusible link
box)
lHarness for open or short between time control unit and lighting switch/daytime light control unit
lLighting switch.
Key Switch Insert Signal CheckEKS002XT
1.CHECK KEY SWITCH INPUT SIGNAL
Check voltage between time control unit harness connector terminal
18 (W/L) and ground.
OK or NG
OK >>KeyswitchisOK.
NG >> GO TO 2.Continuity should exist.
SKIA0995E
Condition of switch Voltage [V]:
lighting switch: 1st or 2nd Approx 12V
lighting switch: OFF 0
SKIA0996E
Condition of key switch Voltage [V]
key switch inserted: Approx. 12
key switch removed: 0
SKIA0997E
Page 1112 of 3066
![NISSAN X-TRAIL 2003 Electronic Repair Manual DI-58
WARNING CHIME
2.CHECK KEY SWITCH (INSERT)
Check continuity between key switch connector M9 terminals 1 and
2.
OK or NG
OK >> Check the following.
l10A fuse [No. 28, located in fuse block (J/B)]
NISSAN X-TRAIL 2003 Electronic Repair Manual DI-58
WARNING CHIME
2.CHECK KEY SWITCH (INSERT)
Check continuity between key switch connector M9 terminals 1 and
2.
OK or NG
OK >> Check the following.
l10A fuse [No. 28, located in fuse block (J/B)]](/img/5/57402/w960_57402-1111.png)
DI-58
WARNING CHIME
2.CHECK KEY SWITCH (INSERT)
Check continuity between key switch connector M9 terminals 1 and
2.
OK or NG
OK >> Check the following.
l10A fuse [No. 28, located in fuse block (J/B)]
lHarness for open or short between key switch and
fuse.
lHarness for open or short between time control unit and key switch.
NG >> Replace key switch.
Door Unlock Sensor CheckEKS002YG
1.CHECK DOOR UNLOCK SENSOR INPUT SIGNAL
Check voltage between time control unit harness connector M31 ter-
minal 28 (Y/G) and ground.
OK or NG
OK >> Door unlock sensor is OK.
NG >> GO TO 2.
2.CHECK DOOR UNLOCK SENSOR
1. Disconnect door unlock sensor connector.
2. Check continuity between door unlock sensor harness connec-
tor D9 terminals 2 and 5.
OK or NG
OK >> Check the following.
lDoor unlock sensor ground circuit.
lHarness for open or short between time control unit
and door unlock sensor.
NG >> Replace door unlock sensor.Condition of key switch Continuity
key switch inserted: Yes
key switch removed: No
SKIA0998E
Te r m i n a l s
Condition
(Driver's door)Voltage [V]
(+) (–)
28 GroundLocked Approx. 5
Unlocked 0
SKIA0999E
Condition of unlock sensor Continuity
Locked : No
Unlocked : Yes
SKIA1000E
Page 1113 of 3066

WARNING CHIME
DI-59
C
D
E
F
G
H
I
J
L
MA
B
DI
Front Door Switch (driver side) CheckEKS002YH
1.CHECK DOOR SWITCH INPUT SIGNAL
Check voltage between time control unit harness connector M31 ter-
minal 30 (R) and ground.
OK or NG?
OK >> Inspection end.
NG >> GO TO 2.
2.CHECK FRONT DOOR SWITCH (DRIVER SIDE)
Check continuity between front door switch (driver side) B16 termi-
nal 2 and 3.
OK or NG?
OK >>lFront door switch (driver side) ground circuit and con-
dition.
lHarness for open or short between time control unit
and front door switch (driver side).
NG >> Replace front door switch (driver side).
Te r m i n a l s
Condition
(Driver's door)Voltag e [V ]
(+) (–)
30 GroundLocked Approx. 5
Unlocked 0
SKIA1001E
SKIA1002E
Page 1114 of 3066

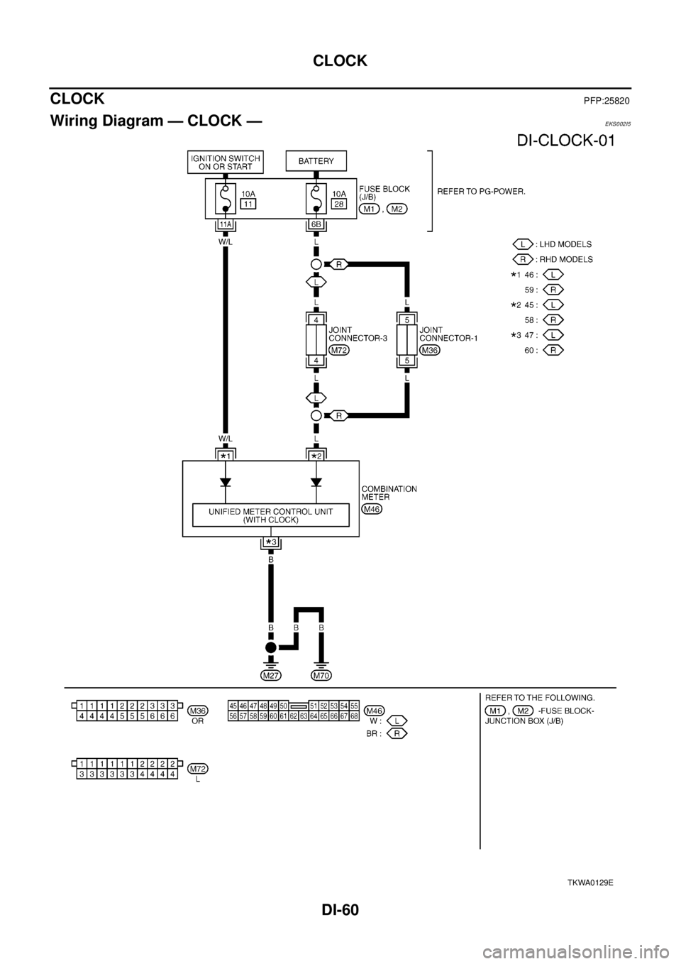
DI-60
CLOCK
CLOCK
PFP:25820
Wiring Diagram — CLOCK —EKS002I5
TKWA0129E
Page 1115 of 3066

EC-1
ENGINE CONTROL SYSTEM
B ENGINE
CONTENTS
C
D
E
F
G
H
I
J
K
L
M
SECTION
A
EC
ENGINE CONTROL SYSTEM
QR (WITH EURO-OBD)
INDEX FOR DTC ...................................................... 12
Alphabetical Index .................................................. 12
DTC No. Index ....................................................... 14
PRECAUTIONS ........................................................ 16
Precautions for Supplemental Restraint System
(SRS) “AIR BAG” and “SEAT BELT PRE-TEN-
SIONER” ................................................................ 16
On Board Diagnostic (OBD) System of Engine and
A/T .......................................................................... 16
Precaution .............................................................. 16
Wiring Diagrams and Trouble Diagnosis ................ 19
PREPARATION ......................................................... 20
Special Service Tools ............................................. 20
Commercial Service Tools ...................................... 20
ENGINE CONTROL SYSTEM .................................. 22
System Diagram ..................................................... 22
Vacuum Hose Drawing ........................................... 23
System Chart ......................................................... 24
Multiport Fuel Injection (MFI) System .................... 24
Electronic Ignition (EI) System ............................... 27
Air Conditioning Cut Control ................................... 27
Fuel Cut Control (at No Load and High Engine
Speed) .................................................................... 28
CAN communication .............................................. 28
BASIC SERVICE PROCEDURE .............................. 30
Idle Speed and Ignition Timing Check .................... 30
Throttle Valve Closed Position Learning ................ 31
Accelerator Pedal Released Position Learning ...... 31
Idle Air Volume Learning ........................................ 31
Fuel Pressure Check .............................................. 34
ON BOARD DIAGNOSTIC (OBD) SYSTEM ............ 36
Introduction ............................................................ 36
Two Trip Detection Logic ........................................ 36
Emission-related Diagnostic Information ................ 37
NATS (Nissan Anti-theft System) ........................... 48
Malfunction Indicator (MI) ....................................... 48
OBD System Operation Chart ................................ 51
TROUBLE DIAGNOSIS ............................................ 57
Trouble Diagnosis Introduction ............................... 57DTC Inspection Priority Chart ................................. 61
Fail-safe Chart ........................................................ 62
Basic Inspection ..................................................... 64
Symptom Matrix Chart ............................................ 69
Engine Control Component Parts Location ............ 73
Circuit Diagram ....................................................... 77
ECM Harness Connector Terminal Layout ............. 79
ECM Terminals and Reference Value ..................... 79
CONSULT-II Function ............................................. 86
Generic Scan Tool (GST) Function ......................... 96
CONSULT-II Reference Value in Data Monitor ....... 97
Major Sensor Reference Graph in Data Monitor
Mode .....................................................................100
TROUBLE DIAGNOSIS - SPECIFICATION VALUE. 103
Description ............................................................103
Testing Condition ..................................................103
Inspection Procedure ............................................103
Diagnostic Procedure ...........................................104
TROUBLE DIAGNOSIS FOR INTERMITTENT INCI-
DENT .......................................................................107
Description ............................................................107
Diagnostic Procedure ...........................................107
POWER SUPPLY CIRCUIT FOR ECM ...................108
Wiring Diagram .....................................................108
ECM Terminals and Reference Value ...................109
Diagnostic Procedure ...........................................109
Component Inspection ..........................................113
DTC U1000 CAN COMMUNICATION LINE ............114
Description ............................................................114
On Board Diagnosis Logic ....................................114
DTC Confirmation Procedure ...............................114
Wiring Diagram .....................................................115
Diagnostic Procedure ...........................................116
DTC P0011 IVT CONTROL .....................................117
Description ............................................................117
CONSULT-II Reference Value in Data Monitor Mode
.117
ECM Terminals and Reference Value ...................117
On Board Diagnosis Logic ....................................118
Page 1116 of 3066

EC-2
DTC Confirmation Procedure ...............................118
Diagnostic Procedure ...........................................119
DTC P0031, P0032 HO2S1 HEATER .....................120
Description ............................................................120
CONSULT-II Reference Value in Data Monitor Mode
.120
ECM Terminals and Reference Value ...................120
On Board Diagnosis Logic ....................................121
DTC Confirmation Procedure ...............................121
Wiring Diagram .....................................................122
Diagnostic Procedure ...........................................123
Component Inspection ..........................................124
Removal and Installation ......................................124
DTC P0037, P0038 HO2S2 HEATER .....................125
Description ............................................................125
CONSULT-II Reference Value in Data Monitor Mode
.125
ECM Terminals and Reference Value ...................125
On Board Diagnosis Logic ....................................125
DTC Confirmation Procedure ...............................126
Wiring Diagram .....................................................127
Diagnostic Procedure ...........................................128
Component Inspection ..........................................129
Removal and Installation ......................................129
DTC P0102, P0103 MAF SENSOR .........................130
Component Description ........................................130
CONSULT-II Reference Value in Data Monitor Mode
.130
ECM Terminals and Reference Value ...................130
On Board Diagnosis Logic ....................................131
DTC Confirmation Procedure ...............................131
Wiring Diagram .....................................................132
Diagnostic Procedure ...........................................133
Component Inspection ..........................................135
Removal and Installation ......................................135
DTC P0112, P0113 IAT SENSOR ...........................136
Component Description ........................................136
On Board Diagnosis Logic ....................................136
DTC Confirmation Procedure ...............................136
Wiring Diagram .....................................................138
Diagnostic Procedure ...........................................139
Component Inspection ..........................................140
Removal and Installation ......................................140
DTC P0117, P0118 ECT SENSOR ..........................141
Component Description ........................................141
On Board Diagnosis Logic ....................................141
DTC Confirmation Procedure ...............................142
Wiring Diagram .....................................................143
Diagnostic Procedure ...........................................144
Component Inspection ..........................................145
Removal and Installation ......................................145
DTC P0120 TP SENSOR ........................................146
Component Description ........................................146
CONSULT-II Reference Value in Data Monitor Mode
.146
ECM Terminals and Reference Value ...................146
On Board Diagnosis Logic ....................................147
DTC Confirmation Procedure ...............................147Wiring Diagram ..................................................... 149
Diagnostic Procedure ............................................ 150
Component Inspection .......................................... 152
Remove and Installation ....................................... 153
DTC P0121 APP SENSOR ...................................... 154
Component Description ........................................ 154
CONSULT-II Reference Value in Data Monitor Mode
. 154
ECM Terminals and Reference Value ................... 154
On Board Diagnosis Logic .................................... 155
DTC Confirmation Procedure ................................ 155
Wiring Diagram ..................................................... 156
Diagnostic Procedure ............................................ 157
Component Inspection .......................................... 159
Remove and Installation ....................................... 159
DTC P0132 HO2S1 ................................................. 160
Component Description ........................................ 160
CONSULT-II Reference Value in Data Monitor Mode
. 160
ECM Terminals and Reference Value ................... 160
On Board Diagnosis Logic .................................... 161
DTC Confirmation Procedure ................................ 161
Wiring Diagram ..................................................... 162
Diagnostic Procedure ............................................ 163
Component Inspection .......................................... 164
Removal and Installation ....................................... 165
DTC P0133 HO2S1 ................................................. 166
Component Description ........................................ 166
CONSULT-II Reference Value in Data Monitor Mode
. 166
ECM Terminals and Reference Value ................... 166
On Board Diagnosis Logic .................................... 167
DTC Confirmation Procedure ................................ 167
Overall Function Check ......................................... 168
Wiring Diagram ..................................................... 169
Diagnostic Procedure ............................................ 170
Component Inspection .......................................... 172
Removal and Installation ....................................... 173
DTC P0134 HO2S1 ................................................. 174
Component Description ........................................ 174
CONSULT-II Reference Value in Data Monitor Mode
. 174
ECM Terminals and Reference Value ................... 174
On Board Diagnosis Logic .................................... 175
DTC Confirmation Procedure ................................ 175
Overall Function Check ......................................... 176
Wiring Diagram ..................................................... 177
Diagnostic Procedure ............................................ 178
Component Inspection .......................................... 179
Removal and Installation ....................................... 180
DTC P0138 HO2S2 ................................................. 181
Component Description ........................................ 181
CONSULT-II Reference Value in Data Monitor Mode
. 181
ECM Terminals and Reference Value ................... 181
On Board Diagnosis Logic .................................... 181
DTC Confirmation Procedure ................................ 182
Overall Function Check ......................................... 182
Page 1117 of 3066

EC-3
C
D
E
F
G
H
I
J
K
L
M
ECA Wiring Diagram .................................................... 183
Diagnostic Procedure ........................................... 184
Component Inspection ......................................... 185
Removal and Installation ...................................... 186
DTC P0139 HO2S2 ................................................. 187
Component Description ........................................ 187
CONSULT-II Reference Value in Data Monitor Mode
. 187
ECM Terminals and Reference Value .................. 187
On Board Diagnosis Logic ................................... 187
DTC Confirmation Procedure ............................... 188
Overall Function Check ........................................ 189
Wiring Diagram .................................................... 190
Diagnostic Procedure ........................................... 191
Component Inspection ......................................... 192
Removal and Installation ...................................... 193
DTC P0171 FUEL INJECTION SYSTEM FUNCTION. 194
On Board Diagnosis Logic ................................... 194
DTC Confirmation Procedure ............................... 194
Wiring Diagram .................................................... 196
Diagnostic Procedure ........................................... 197
DTC P0172 FUEL INJECTION SYSTEM FUNCTION. 200
On Board Diagnosis Logic ................................... 200
DTC Confirmation Procedure ............................... 200
Wiring Diagram .................................................... 202
Diagnostic Procedure ........................................... 203
DTC P0300 - P0304 MULTIPLE CYLINDER MIS-
FIRE, NO. 1 - 4 CYLINDER MISFIRE ..................... 206
On Board Diagnosis Logic ................................... 206
DTC Confirmation Procedure ............................... 206
Diagnostic Procedure ........................................... 207
DTC P0327, P0328 KS ........................................... 212
Component Description ........................................ 212
ECM Terminals and Reference Value .................. 212
On Board Diagnosis Logic ................................... 212
DTC Confirmation Procedure ............................... 212
Wiring Diagram .................................................... 214
Diagnostic Procedure ........................................... 215
Component Inspection ......................................... 216
Removal and Installation ...................................... 216
DTC P0335 CKP SENSOR (POS) .......................... 217
Component Description ........................................ 217
CONSULT-II Reference Value in Data Monitor Mode
. 217
ECM Terminals and Reference Value .................. 217
On Board Diagnosis Logic ................................... 218
DTC Confirmation Procedure ............................... 218
Wiring Diagram .................................................... 219
Diagnostic Procedure ........................................... 220
Component Inspection ......................................... 221
Removal and Installation ...................................... 222
DTC P0340 CMP SENSOR (PHASE) ..................... 223
Component Description ........................................ 223
ECM Terminals and Reference Value .................. 223
On Board Diagnosis Logic ................................... 223
DTC Confirmation Procedure ............................... 224
Wiring Diagram .................................................... 225
Diagnostic Procedure ........................................... 226Component Inspection ..........................................228
Removal and Installation ......................................228
DTC P0420 THREE WAY CATALYST FUNCTION . 229
On Board Diagnosis Logic ....................................229
DTC Confirmation Procedure ...............................229
Overall Function Check ........................................230
Diagnostic Procedure ...........................................231
DTC P0444, P0445 EVAP CANISTER PURGE VOL-
UME CONTROL SOLENOID VALVE ......................233
Description ............................................................233
CONSULT-II Reference Value in Data Monitor Mode
.233
ECM Terminals and Reference Value ...................233
On Board Diagnosis Logic ....................................234
DTC Confirmation Procedure ...............................234
Wiring Diagram .....................................................235
Diagnostic Procedure ...........................................236
Component Inspection ..........................................237
Removal and Installation ......................................238
DTC P0500 VSS ......................................................239
Component Description ........................................239
ECM Terminals and Reference Value ...................239
On Board Diagnosis Logic ....................................239
DTC Confirmation Procedure ...............................239
Overall Function Check ........................................240
Wiring Diagram .....................................................241
Diagnostic Procedure ...........................................243
DTC P0550 PSP SENSOR .....................................244
Component Description ........................................244
CONSULT-II Reference Value in Data Monitor Mode
.244
ECM Terminals and Reference Value ...................244
On Board Diagnosis Logic ....................................244
DTC Confirmation Procedure ...............................244
Wiring Diagram .....................................................246
Diagnostic Procedure ...........................................247
Component Inspection ..........................................248
DTC P0605 ECM .....................................................249
Component Description ........................................249
On Board Diagnosis Logic ....................................249
DTC Confirmation Procedure ...............................249
Diagnostic Procedure ...........................................251
DTC P0650 MI .........................................................252
Component Description ........................................252
On Board Diagnosis Logic ....................................252
DTC Confirmation Procedure ...............................252
Wiring Diagram .....................................................253
Diagnostic Procedure ...........................................254
DTC P1065 ECM POWER SUPPLY .......................256
Component Description ........................................256
On Board Diagnosis Logic ....................................256
DTC Confirmation Procedure ...............................256
Wiring Diagram .....................................................257
Diagnostic Procedure ...........................................258
DTC P1102 MAF SENSOR .....................................260
Component Description ........................................260
CONSULT-II Reference Value in Data Monitor Mode
.260
Page 1118 of 3066

EC-4
ECM Terminals and Reference Value ...................260
On Board Diagnosis Logic ....................................261
DTC Confirmation Procedure ...............................261
Wiring Diagram .....................................................262
Diagnostic Procedure ...........................................263
Component Inspection ..........................................264
Removal and Installation ......................................265
D T C P 1111 I V T C ON T R OL S OL E N OI D VA LV E . .. ..266
Component Description ........................................266
CONSULT-II Reference Value in Data Monitor Mode
.266
ECM Terminals and Reference Value ...................266
On Board Diagnosis Logic ....................................266
DTC Confirmation Procedure ...............................267
Wiring Diagram .....................................................268
Diagnostic Procedure ...........................................269
Component Inspection ..........................................270
Removal and Installation ......................................270
DTC P1121 ELECTRIC THROTTLE CONTROL
ACTUATOR .............................................................271
Description ............................................................271
On Board Diagnosis Logic ....................................271
DTC Confirmation Procedure ...............................271
Diagnostic Procedure ...........................................272
DTC P1122 ELECTRIC THROTTLE CONTROL
FUNCTION ..............................................................273
Description ............................................................273
ECM Terminals and Reference Value ...................273
On Board Diagnosis Logic ....................................273
DTC Confirmation Procedure ...............................274
Wiring Diagram .....................................................275
Diagnostic Procedure ...........................................276
Component Inspection ..........................................277
DTC P1123 THROTTLE CONTROL MOTOR RELAY.279
Component Description ........................................279
CONSULT-II Reference Value in Data Monitor Mode
.279
ECM Terminals and Reference Value ...................279
On Board Diagnosis Logic ....................................279
DTC Confirmation Procedure ...............................279
Wiring Diagram .....................................................281
Diagnostic Procedure ...........................................282
Component Inspection ..........................................283
DTC P1143 HO2S1 .................................................284
Component Description ........................................284
CONSULT-II Reference Value in Data Monitor Mode
.284
ECM Terminals and Reference Value ...................284
On Board Diagnosis Logic ....................................285
DTC Confirmation Procedure ...............................285
Overall Function Check ........................................286
Diagnostic Procedure ...........................................286
Component Inspection ..........................................288
Removal and Installation ......................................289
DTC P1144 HO2S1 .................................................290
Component Description ........................................290
CONSULT-II Reference Value in Data Monitor Mode
.290ECM Terminals and Reference Value ................... 290
On Board Diagnosis Logic .................................... 291
DTC Confirmation Procedure ................................ 291
Overall Function Check ......................................... 292
Diagnostic Procedure ............................................ 292
Component Inspection .......................................... 294
Removal and Installation ....................................... 295
DTC P1146 HO2S2 .................................................. 296
Component Description ........................................ 296
CONSULT-II Reference Value in Data Monitor Mode
. 296
ECM Terminals and Reference Value ................... 296
On Board Diagnosis Logic .................................... 296
DTC Confirmation Procedure ................................ 297
Overall Function Check ......................................... 298
Wiring Diagram ..................................................... 299
Diagnostic Procedure ............................................ 300
Component Inspection .......................................... 301
Removal and Installation ....................................... 302
DTC P1147 HO2S2 .................................................. 303
Component Description ........................................ 303
CONSULT-II Reference Value in Data Monitor Mode
. 303
ECM Terminals and Reference Value ................... 303
On Board Diagnosis Logic .................................... 303
DTC Confirmation Procedure ................................ 304
Overall Function Check ......................................... 305
Wiring Diagram ..................................................... 306
Diagnostic Procedure ............................................ 307
Component Inspection .......................................... 308
Removal and Installation ....................................... 309
DTC P1212 ESP/TCS/ABS COMMUNICATION
LINE ......................................................................... 310
Description ............................................................ 310
On Board Diagnosis Logic .................................... 310
DTC Confirmation Procedure ................................ 310
Diagnostic Procedure ............................................ 310
DTC P1217 ENGINE OVER TEMPERATURE ........311
System Description ...............................................311
CONSULT-II Reference Value in Data Monitor Mode
.311
ECM Terminals and Reference Value ................... 312
On Board Diagnosis Logic .................................... 312
Overall Function Check ......................................... 312
Wiring Diagram ..................................................... 315
Diagnostic Procedure ............................................ 316
Main 12 Causes of Overheating ........................... 323
Component Inspection .......................................... 324
DTC P1706 PNP SWITCH ....................................... 325
Component Description ........................................ 325
CONSULT-II Reference Value in Data Monitor Mode
. 325
ECM Terminals and Reference Value ................... 325
On Board Diagnosis Logic .................................... 325
DTC Confirmation Procedure ................................ 325
Overall Function Check ......................................... 326
Wiring Diagram ..................................................... 327
Diagnostic Procedure ............................................ 328
Page 1119 of 3066

EC-5
C
D
E
F
G
H
I
J
K
L
M
ECA DTC P1805 BRAKE SWITCH ................................ 329
Description ........................................................... 329
CONSULT-II Reference Value in Data Monitor Mode
. 329
ECM Terminals and Reference Value .................. 329
On Board Diagnosis Logic ................................... 329
DTC Confirmation Procedure ............................... 329
Wiring Diagram .................................................... 330
Diagnostic Procedure ........................................... 331
Component Inspection ......................................... 332
IGNITION SIGNAL .................................................. 334
Component Description ........................................ 334
ECM Terminals and Reference Value .................. 334
Wiring Diagram .................................................... 335
Diagnostic Procedure ........................................... 337
Component Inspection ......................................... 341
Removal and Installation ...................................... 342
INJECTOR CIRCUIT ............................................... 343
Component Description ........................................ 343
CONSULT-II Reference Value in Data Monitor Mode
. 343
ECM Terminals and Reference Value .................. 343
Wiring Diagram .................................................... 344
Diagnostic Procedure ........................................... 345
Component Inspection ......................................... 347
Removal and Installation ...................................... 347
START SIGNAL ...................................................... 348
CONSULT-II Reference Value in Data Monitor Mode
. 348
ECM Terminals and Reference Value .................. 348
Wiring Diagram .................................................... 349
Diagnostic Procedure ........................................... 350
FUEL PUMP CIRCUIT ............................................ 352
Description ........................................................... 352
CONSULT-II Reference Value in Data Monitor Mode
. 352
ECM Terminals and Reference Value .................. 352
Wiring Diagram .................................................... 354
Diagnostic Procedure ........................................... 355
Component Inspection ......................................... 357
Removal and Installation ...................................... 358
REFRIGERANT PRESSURE SENSOR ................. 359
Component Description ........................................ 359
ECM Terminals and Reference Value .................. 359
Wiring Diagram .................................................... 360
Diagnostic Procedure ........................................... 361
Removal and Installation ...................................... 362
ELECTRICAL LOAD SIGNAL ................................ 363
CONSULT-II Reference Value in Data Monitor Mode
. 363
ECM Terminals and Reference Value .................. 363
Wiring Diagram .................................................... 364
Diagnostic Procedure ........................................... 366
DATA LINK CONNECTOR ..................................... 371
Wiring Diagram .................................................... 371
EVAPORATIVE EMISSION SYSTEM ..................... 372
Description ........................................................... 372
Component Inspection ......................................... 374POSITIVE CRANKCASE VENTILATION ...............375
Description ............................................................375
Component Inspection ..........................................375
SERVICE DATA AND SPECIFICATIONS (SDS) ....377
Fuel Pressure .......................................................377
Idle Speed and Ignition Timing .............................377
Calculated Load Value ..........................................377
Mass Air Flow Sensor ...........................................377
Intake Air Temperature Sensor .............................377
Engine Coolant Temperature Sensor ...................377
Heated Oxygen Sensor 1 Heater .........................377
Heated Oxygen sensor 2 Heater ..........................377
Crankshaft Position Sensor (POS) .......................377
Camshaft Position Sensor (PHASE) ....................377
Throttle Control Motor ...........................................378
Injector ..................................................................378
Fuel Pump ............................................................378
QR (WITHOUT EURO-OBD)
INDEX FOR DTC .....................................................379
Alphabetical Index ................................................379
DTC No. Index ......................................................380
PRECAUTIONS ......................................................381
Precautions for Supplemental Restraint System
(SRS) “AIR BAG” and “SEAT BELT PRE-TEN-
SIONER” ...............................................................381
On Board Diagnostic (OBD) System of Engine and
A/T ........................................................................381
Precaution ............................................................381
Wiring Diagrams and Trouble Diagnosis ..............384
PREPARATION .......................................................385
Special Service Tools ...........................................385
Commercial Service Tools ....................................385
ENGINE CONTROL SYSTEM ................................387
System Diagram ...................................................387
Vacuum Hose Drawing .........................................388
System Chart ........................................................389
Multiport Fuel Injection (MFI) System ...................389
Electronic Ignition (EI) System .............................392
Air Conditioning Cut Control .................................392
Fuel Cut Control (at No Load and High Engine
Speed) ..................................................................393
CAN communication .............................................393
BASIC SERVICE PROCEDURE .............................395
Idle Speed and Ignition Timing Check ..................395
Throttle Valve Closed Position Learning ...............396
Accelerator Pedal Released Position Learning ....396
Idle Air Volume Learning ......................................396
Fuel Pressure Check ............................................399
ON BOARD DIAGNOSTIC (OBD) SYSTEM ..........401
Introduction ...........................................................401
Two Trip Detection Logic ......................................401
Emission-related Diagnostic Information ..............401
NATS (Nissan Anti-theft System) .........................403
Malfunction Indicator (MI) .....................................404
TROUBLE DIAGNOSIS ..........................................407
Trouble Diagnosis Introduction .............................407
Page 1120 of 3066

EC-6
DTC Inspection Priority Chart ...............................410
Fail-safe Chart ......................................................411
Basic Inspection ...................................................412
Symptom Matrix Chart ..........................................417
Engine Control Component Parts Location ..........421
Circuit Diagram .....................................................425
ECM Harness Connector Terminal Layout ...........427
ECM Terminals and Reference Value ...................427
CONSULT-II Function ...........................................434
CONSULT-II Reference Value in Data Monitor .....443
Major Sensor Reference Graph in Data Monitor
Mode .....................................................................446
TROUBLE DIAGNOSIS - SPECIFICATION VALUE. 449
Description ............................................................449
Testing Condition ..................................................449
Inspection Procedure ............................................449
Diagnostic Procedure ...........................................450
TROUBLE DIAGNOSIS FOR INTERMITTENT INCI-
DENT .......................................................................453
Description ............................................................453
Diagnostic Procedure ...........................................453
POWER SUPPLY CIRCUIT FOR ECM ...................454
Wiring Diagram .....................................................454
ECM Terminals and Reference Value ...................455
Diagnostic Procedure ...........................................455
Component Inspection ..........................................459
DTC U1000 CAN COMMUNICATION LINE ............460
Description ............................................................460
On Board Diagnosis Logic ....................................460
DTC Confirmation Procedure ...............................460
Wiring Diagram .....................................................461
Diagnostic Procedure ...........................................462
DTC P0102, P0103 MAF SENSOR .........................463
Component Description ........................................463
CONSULT-II Reference Value in Data Monitor Mode
.463
ECM Terminals and Reference Value ...................463
On Board Diagnosis Logic ....................................464
DTC Confirmation Procedure ...............................464
Wiring Diagram .....................................................466
Diagnostic Procedure ...........................................467
Component Inspection ..........................................469
Removal and Installation ......................................469
DTC P0117, P0118 ECT SENSOR ..........................470
Component Description ........................................470
On Board Diagnosis Logic ....................................470
DTC Confirmation Procedure ...............................471
Wiring Diagram .....................................................472
Diagnostic Procedure ...........................................473
Component Inspection ..........................................474
Removal and Installation ......................................474
DTC P0120 TP SENSOR ........................................475
Component Description ........................................475
CONSULT-II Reference Value in Data Monitor Mode
.475
ECM Terminals and Reference Value ...................475
On Board Diagnosis Logic ....................................476
DTC Confirmation Procedure ...............................476Wiring Diagram ..................................................... 479
Diagnostic Procedure ............................................ 480
Component Inspection .......................................... 482
Remove and Installation ....................................... 483
DTC P0121 APP SENSOR ...................................... 484
Component Description ........................................ 484
CONSULT-II Reference Value in Data Monitor Mode
. 484
ECM Terminals and Reference Value ................... 484
On Board Diagnosis Logic .................................... 485
DTC Confirmation Procedure ................................ 485
Wiring Diagram ..................................................... 486
Diagnostic Procedure ............................................ 487
Component Inspection .......................................... 489
Remove and Installation ....................................... 489
DTC P0134 HO2S1 ................................................. 490
Component Description ........................................ 490
CONSULT-II Reference Value in Data Monitor Mode
. 490
ECM Terminals and Reference Value ................... 490
On Board Diagnosis Logic .................................... 491
Overall Function Check ......................................... 491
Wiring Diagram ..................................................... 492
Diagnostic Procedure ............................................ 493
Component Inspection .......................................... 494
Removal and Installation ....................................... 495
DTC P0327, P0328 KS ............................................ 496
Component Description ........................................ 496
ECM Terminals and Reference Value ................... 496
On Board Diagnosis Logic .................................... 496
DTC Confirmation Procedure ................................ 496
Wiring Diagram ..................................................... 498
Diagnostic Procedure ............................................ 499
Component Inspection .......................................... 500
Removal and Installation ....................................... 500
DTC P0335 CKP SENSOR (POS) .......................... 501
Component Description ........................................ 501
CONSULT-II Reference Value in Data Monitor Mode
. 501
ECM Terminals and Reference Value ................... 501
On Board Diagnosis Logic .................................... 502
DTC Confirmation Procedure ................................ 502
Wiring Diagram ..................................................... 503
Diagnostic Procedure ............................................ 504
Component Inspection .......................................... 505
Removal and Installation ....................................... 506
DTC P0340 CMP SENSOR (PHASE) ..................... 507
Component Description ........................................ 507
ECM Terminals and Reference Value ................... 507
On Board Diagnosis Logic .................................... 507
DTC Confirmation Procedure ................................ 508
Wiring Diagram ..................................................... 509
Diagnostic Procedure ............................................ 510
Component Inspection .......................................... 512
Removal and Installation ....................................... 512
DTC P0500 VSS ...................................................... 513
Component Description ........................................ 513
ECM Terminals and Reference Value ................... 513