NISSAN X-TRAIL 2003 Electronic Repair Manual
Manufacturer: NISSAN, Model Year: 2003, Model line: X-TRAIL, Model: NISSAN X-TRAIL 2003Pages: 3066, PDF Size: 51.47 MB
Page 1081 of 3066

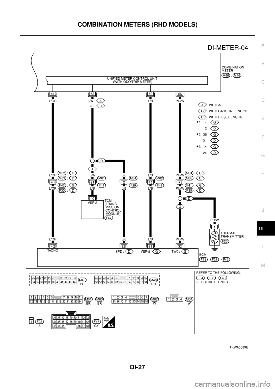
COMBINATION METERS (RHD MODELS)
DI-27
C
D
E
F
G
H
I
J
L
MA
B
DI
TKWA0089E
Page 1082 of 3066

DI-28
COMBINATION METERS (RHD MODELS)
Meter/Gauge Operation and Odo/Trip Meter Segment Check in Diagnosis Mode
EKS0030M
DIAGNOSIS FUNCTION
lOdo/trip meter segment can be checked in diagnosis mode.
lMeters/gauges can be checked in diagnosis mode.
HOW TO ALTERNATE DIAGNOSIS MODE
1. Turn ignition switch to ON and change odo/trip meter to “TRIP A” or “TRIP B”.
2. Turn ignition switch to OFF.
3. Turn ignition switch to ON when pushing odo/trip meter switch.
4. Confirm that trip meter indicates “000.0”.
5. Push odo/trip meter switch more than three times within 5 seconds.
6. All odo/trip meter segments should be turned on.
NOTE:
If some segments are not turned on, unified meter control unit
with odo/trip meter should be replaced.
At this point, the unified control meter is turned to diagnosis
mode.
7. Push odo/trip meter switch. Indication of each meter/gauge
should be as shown left during pushing odo/trip meter switch if it
is no malfunctioning.
NOTE:
It takes about a few seconds for indication of fuel gauge and
water temperature gauge to become stable.
Trouble DiagnosesEKS0030N
PRELIMINARY CHECK
1.CHECK WARNING LAMPS
1. Turn ignition switch ON.
2. Warning lamps should illuminate (seat belt warning or door warning etc.).
Do warning lamps illuminate ?
YES >> GO TO 2.
NO >> Power supply and ground circuit check. Refer toDI-30, "
Power Supply and Ground Circuit Check"
.
2.CHECK DIAGNOSIS MODE OPERATION
Preform diagnosis mode. Refer toDI-28, "
Meter/Gauge Operation and Odo/Trip Meter Segment Check in
Diagnosis Mode".
Can diagnosis mode be activated ?
YES >> GO TO 3.
NO >> Power supply and ground circuit check. Refer toDI-30, "
Power Supply and Ground Circuit Check"
.
SKIA0899E
SKIA0900E
Page 1083 of 3066

COMBINATION METERS (RHD MODELS)
DI-29
C
D
E
F
G
H
I
J
L
MA
B
DI
3.SEGMENTS CHECK
Check odo/trip meter segment.
Do all segments illuminate ?
YES >> GO TO 4.
NO >> Replace combination meter.
4.CHECK FUEL WARNING LAMP
Check fuel warning lamp in diagnosis mode. Refer toDI-28, "
Meter/Gauge Operation and Odo/Trip Meter
Segment Check in Diagnosis Mode".
Do fuel warning lamp illuminate?
OK >> GO TO 5.
NG >> Replace combination meter.
5.CHECK METER CIRCUIT
Check indication of each meter/gauge in diagnosis mode. Refer toDI-28, "
Meter/Gauge Operation and Odo/
Trip Meter Segment Check in Diagnosis Mode".
OK or NG ?
OK >> GO TO symptom chart.
NG >> Replace combination meter.
SYMPTOM CHART
Symptom Possible cause Repair procedure
Fuel warning lamp is
malfunctioning.
1. Sensor Signal
–Engine revolution signal
–Fuel gauge
–Water temp gauge
2. Unified meter control unit1. Check the sensor for malfunctioning meter/gauge.
–Inspection/Engine Speed Signal (Refer toDI-30, "Inspection/
Engine Speed Signal")
–Inspection/Fuel Level Sensor Unit (Refer toDI-33, "Inspection/
Fuel Level Sensor Unit")
–Inspection/Water Temperature Gauge (Refer toDI-31, "Inspec-
tion/Water Temperature Gauge /Gasoline Engine Models"or )
2. Replace combination meter One of tachometer/fuel
gauge/water temp. gauge is
malfunctioning.
Speedometer and odo/trip
meter is malfunctioning.1. Sensor Signal
–Vehicle speed signal
2. Unified meter control unit1. Check the sensor for malfunctioning meter/gauge.–Inspection/Vehicle Speed Signal (Refer toDI-32, "Inspection/
Vehicle speed signal")
2. Replace combination meter
Multiple meter/gauge are
malfunctioning.
lUnified meter control unitlReplace combination meter.
Page 1084 of 3066
![NISSAN X-TRAIL 2003 Electronic Repair Manual DI-30
COMBINATION METERS (RHD MODELS)
Power Supply and Ground Circuit Check
EKS0030O
1.POWER SUPPLY CIRCUIT CHECK
OK or NG ?
OK >> GO TO 2.
NG >>
l10A fuse [No. 11, located in fuse block (J/B)].
l10A NISSAN X-TRAIL 2003 Electronic Repair Manual DI-30
COMBINATION METERS (RHD MODELS)
Power Supply and Ground Circuit Check
EKS0030O
1.POWER SUPPLY CIRCUIT CHECK
OK or NG ?
OK >> GO TO 2.
NG >>
l10A fuse [No. 11, located in fuse block (J/B)].
l10A](/img/5/57402/w960_57402-1083.png)
DI-30
COMBINATION METERS (RHD MODELS)
Power Supply and Ground Circuit Check
EKS0030O
1.POWER SUPPLY CIRCUIT CHECK
OK or NG ?
OK >> GO TO 2.
NG >>
l10A fuse [No. 11, located in fuse block (J/B)].
l10A fuse [No. 28, located in fuse block (J/B)].
lHarness for open or short between fuse and combination meter.
2.GROUND CIRCUIT CHECK
OK or NG ?
OK >> Inspection end.
NG >> Harness for open ground circuit.
Inspection/Engine Speed SignalEKS0030P
1.CHECK ECM OUTPUT
1. Start engine.
2. Check voltage between combination meter harness connector
M46 terminals 41 (L/OR) and ground at idle and 2,000 rpm.
OK or NG ?
OK >> Engine speed signal is OK.
NG >> Harness for open or short between ECM and combina-
tion meter.
Terminals Ignition switch position
(+)
(-)OFF ACC ON
ConnectorTe r m i n a l
(wire
color)
M46 58(L) GroundBattery
voltageBattery
voltageBattery
voltage
M46 59(W/L) Ground 0V 0VBattery
voltage
SKIA1019E
Te r m i n a l s
Continuity (+)
(-)
Connector Terminal
M46 60 Ground Yes
SKIA1020E
Higher rpm = Higher voltage
Lower rpm = Lower voltage
Voltage should change with rpm.
SKIA1021E
Page 1085 of 3066

COMBINATION METERS (RHD MODELS)
DI-31
C
D
E
F
G
H
I
J
L
MA
B
DI
Inspection/Water Temperature Gauge /Gasoline Engine ModelsEKS0030Q
1.CHECK ECM OUT PUT
1. Disconnect combination meter
2. Check Voltage between combination meter harness connector
M46 terminal 66 (PU/W) and ground.
OK or NG ?
OK >> GO TO 3.
NG >> GO TO 2.
2.CHECK HARNESS FOR OPEN OR SHORT
1. Disconnect ECM connector.
2. Check continuity between combination meter harness connector
M46 terminal 66 (PU/W) and ECM harness connector Terminal
32 (PU/W).
3. Check continuity between combination meter harness connector
M46 terminal 66 (PU/W) and ground.
OK or NG ?
OK >> GO TO 3.
NG >> Repair harness or connector.
3.CHECK WATER TEMPERATURE OUTPUT SIGNAL
1. Connect combination meter connector and ECM connector.
2. Start engine.
3. Check output signal between combination meter harness con-
nector M46 terminal 66(PU/W) and ground. (Use “SIMPLE
OSCILLOSCOPE” in “SUB MODE” with CONSULT-II.)
OK or NG ?
OK >> Replace combination meter.
NG >> Check ECM.
Inspection/Water Temperature Gauge (Diesel Engine Models)EKS0030R
1.CHECK THERMAL TRANSMITTER
Refer toDI-38, "
THERMAL TRANSMITTER CHECK".
OK or NG
OK >> GO TO 2.
NG >> Replace.Battery voltage should exist
SKIA1022E
Continuity should exist
Continuity should not exist
SKIA1023E
66 (PU/W) – ground
SKIA0987E
Page 1086 of 3066

DI-32
COMBINATION METERS (RHD MODELS)
2.CHECK HARNESS FOR OPEN OR SHORT
1. Disconnect combination meter connector and thermal transmit-
ter connector.
2. Check continuity between combination meter harness connector
M46 terminal 66 (PU/W) and thermal transmitter harness con-
nector F23 terminal 1 (PU/W).
3. Check continuity between combination meter harness connector
M46 terminal 66 (PU/W) and ground.
OK or NG ?
OK >> Thermal transmitter is OK.
NG >> Replace harness or connector.
Inspection/Vehicle speed signalEKS0030S
1.CHECK ABS WARNING LAMP
lTurntheignitionswitchON,thenABSwarninglampturnON.
OK or NG?
OK >> Check ABS system.
NG >> GO TO 2.
2.CHECK HARNESS FOR OPEN OR SHORT
1. Disconnect combination meter connector and 4WD/ABS control
unit (without ESP) or 4WD control unit (with ESP) connector.
2. Check continuity between combination meter harness connector
M45 terminal 42 (R/B) and 4WD/ABS control unit (without ESP)
or 4WD control unit (with ESP) harness connector E122 terminal
20.
3. Check continuity between combination meter harness connector
M45 terminal 42 (R/B) and ground.
OK or NG ?
OK >> GO TO 3.
NG >> Replace combination meter.Continuity should exist.
Continuity should not exist.
SKIA1024E
ABS warning lamp should illuminate.
Continuity should exist.
Continuity should not exist.
SKIA1025E
Page 1087 of 3066

COMBINATION METERS (RHD MODELS)
DI-33
C
D
E
F
G
H
I
J
L
MA
B
DI
3.CHECK 4WD/ABS CONTROL UNIT OUTPUT
1. Connect combination meter connector.
2. Check voltage between combination meter harness connector
M45 terminal 42 (R/B) and ground.
OK or NG ?
OK >> GO TO 4.
NG >> Replace combination meter.
4.CHECK VEHICLE SPEED INPUT SIGNAL
1. Connect 4WD/ABS control unit connector(without ESP) or 4WD
control unit (with ESP).
2. Lift up drive wheels.
3. Start engine.
4. Check voltage signal between combination meter harness con-
nector M45 terminal 42 (R/B) and ground.
OK or NG ?
OK >> Replace combination meter.
NG >> Check ABS system.
Inspection/Fuel Level Sensor UnitEKS0030T
FUEL LEVEL SENSOR UNIT
The following symptoms do not indicate a malfunction.
lDepending on vehicle posture or driving circumstance, the fuel level in the tank varies, and the pointer
may fluctuate.
lIf the vehicle is fueled with the ignition switch ON, the pointer will move slowly.
LOW-FUEL WARNING LAMP
Depending on vehicle posture or driving circumstance, the fuel level in the tank varies, and the warning lamp
ON timing may be changed.
1.DIAGNOSIS MODE INSPECTION
Preform the combination meter diagnosis mode. Refer toDI-28, "
Meter/Gauge Operation and Odo/Trip Meter
Segment Check in Diagnosis Mode".
OK or NG
OK >> GO TO 2.
NG >> Replace combination meter.
2.HARNESS CONNECTOR INSPECTION
1. Turn the ignition switch OFF.
2. Check combination meter, fuel level sensor unit and terminals (meter-side, module-side, and harness-
side) for poor connection and bend.
OK or NG
OK >> GO TO 3.
NG >> Repair or replace terminals or connectors.Apporox. 9V
SKIA1026E
42 (R/B) – ground
SKIA0990E
Page 1088 of 3066

DI-34
COMBINATION METERS (RHD MODELS)
3.CHECK HARNESS FOR OPEN CIRCUIT
1. Disconnect combination meter connector, fuel level sensor unit connector and sub fuel level sensor unit
connector.
2. Check the following.
–Continuity between combination meter harness connector M45
terminal 40 (G) and sub fuel level sensor unit harness connector
B21 terminal 1 (G).
–Continuity between sub fuel level sensor unit harness connector
B21 terminal 3 (Y) and fuel level sensor unit harness connector
B123 (Gasoline engine models) or B124 (Diesel engine models)
terminal 4 (Y).
OK or NG ?
OK >> GO TO 4.
NG >> Repair or replace harnesses or connectors.Continuity should exist.
SKIA1027E
SKIA1005E
Page 1089 of 3066

COMBINATION METERS (RHD MODELS)
DI-35
C
D
E
F
G
H
I
J
L
MA
B
DI
4.CHECK HARNESS FOR SHORT CIRCUIT
1. Checking the following.
–Continuity between combination meter harness connector M45
terminal 40 (G) and ground.
–Continuity between sub fuel level sensor harness connector B21
terminal 3 (Y) and ground.
–Continuity between fuel level sensor unit harness connector
B123 (Gasoline engine models) or B124 (Diesel engine models)
terminal 1 (B/W) and ground.
OK or NG ?
OK >> GO TO 5.
NG >> Repair or replace harnesses or connectors.
5.FUEL LEVEL SENSOR UNIT INSPECTION
Check the components. Refer toDI-37, "
Electrical Components Inspection".
OK or NG
OK >> GO TO 6.
NG >> Replace fuel level sensor unit or sub fuel sensor unit.
6.CHECK INSTALLATION CONDITION
Check fuel level sensor unit installation, and check whether the float arm interferes or binds with any compo-
nents inside the arm.
OK or NG
OK >> Replace combination meter.
NG >> Install fuel level sensor unit or sub fuel sensor unit properly.
The Fuel Gauge Pointer Fluctuates·Indicator Wrong Value·or Varies.EKS0030U
1.CHECK THE FUEL GAUGE POINTER FOR FLUCTUATION
Does the indication value fluctuate during driving or before/after stop?
Does the indication value vary?
YES >> The pointer fluctuation may be caused by fuel level change in the fuel tank.
NO >> Ask the customer about the situation when the symptom occurs in detail, and Preform the trouble
diagnosis. Continuity should not exist.
SKIA1028E
SKIA1007E
Page 1090 of 3066

DI-36
COMBINATION METERS (RHD MODELS)
The Fuel Gauge Does Not Move to F-position.
EKS0030V
1.QUESTIONNAIRE 1
Does it take a long time for the pointer to move to F-position?
YES?
YES >> GO TO 2.
NO >> GO TO 3.
2.QUESTIONNAIRE 2
Was the vehicle fueled with the ignition switch ON?
YES ?
YES >> Be sure to fuel the vehicle with the ignition switch OFF. Otherwise it will take a long time to move
to F-position because of the characteristic of the fuel gauge.
NO >> GO TO 3.
3.QUESTIONNAIRE 3
Is the floor or the vehicle inclined?
YES?
YES >> It may not be filled fully.
NO >> GO TO 4.
4.QUESTIONNAIRE 4
During driving, does the fuel gauge pointer move gradually toward E-position?
YES ?
YES >> Check the components. Refer toDI-37, "Electrical Components Inspection".
NO >> The float arm may interfere or bind with any of the components in the fuel tank.
The Fuel Gauge Does Not Work.EKS0030W
1.HARNESS CONNECTOR INSPECTION
1. Turn the ignition switch OFF.
2. Check combination meter, fuel level sensor unit, sub fuel level sensor unit and terminals (meter-side,
module-side, and harness-side) for poor connection and bend.
OK or NG
OK >> GO TO 2.
NG >> Repair connector.
2.CHECK INSTALLATION CONDITION
Check fuel level sensor unit or sub fuel level sensor unit installation (refer toFL-4, "
FUEL LEVEL SENSOR
UNIT, FUEL FILTER AND FUEL PUMP ASSEMBLY"for QR engine models orFL-17, "FUEL LEVEL SEN-
SOR UNIT"for YD engine models, and check whether the float arm interferes or binds with any components
inside the arm.
OK or NG
OK >> Fuel level sensor unit is OK.
NG >> Check fuel level sensor unit or sub fuel level sensor unit. Refer toDI-37, "
Electrical Components
Inspection".