NISSAN X-TRAIL 2003 Electronic Repair Manual
X-TRAIL 2003
NISSAN
NISSAN
https://www.carmanualsonline.info/img/5/57402/w960_57402-0.png
NISSAN X-TRAIL 2003 Electronic Repair Manual
Trending: water pump, oil dipstick, air bleeding, transmission fluid, brake pads replacement, power steering fluid, fuel filter
Page 1101 of 3066
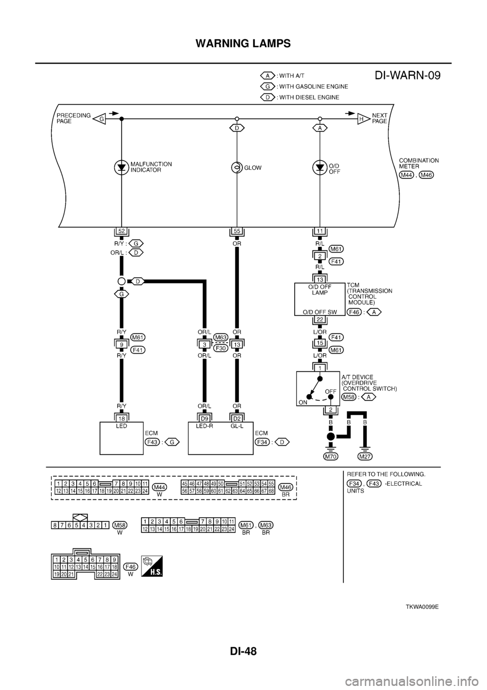
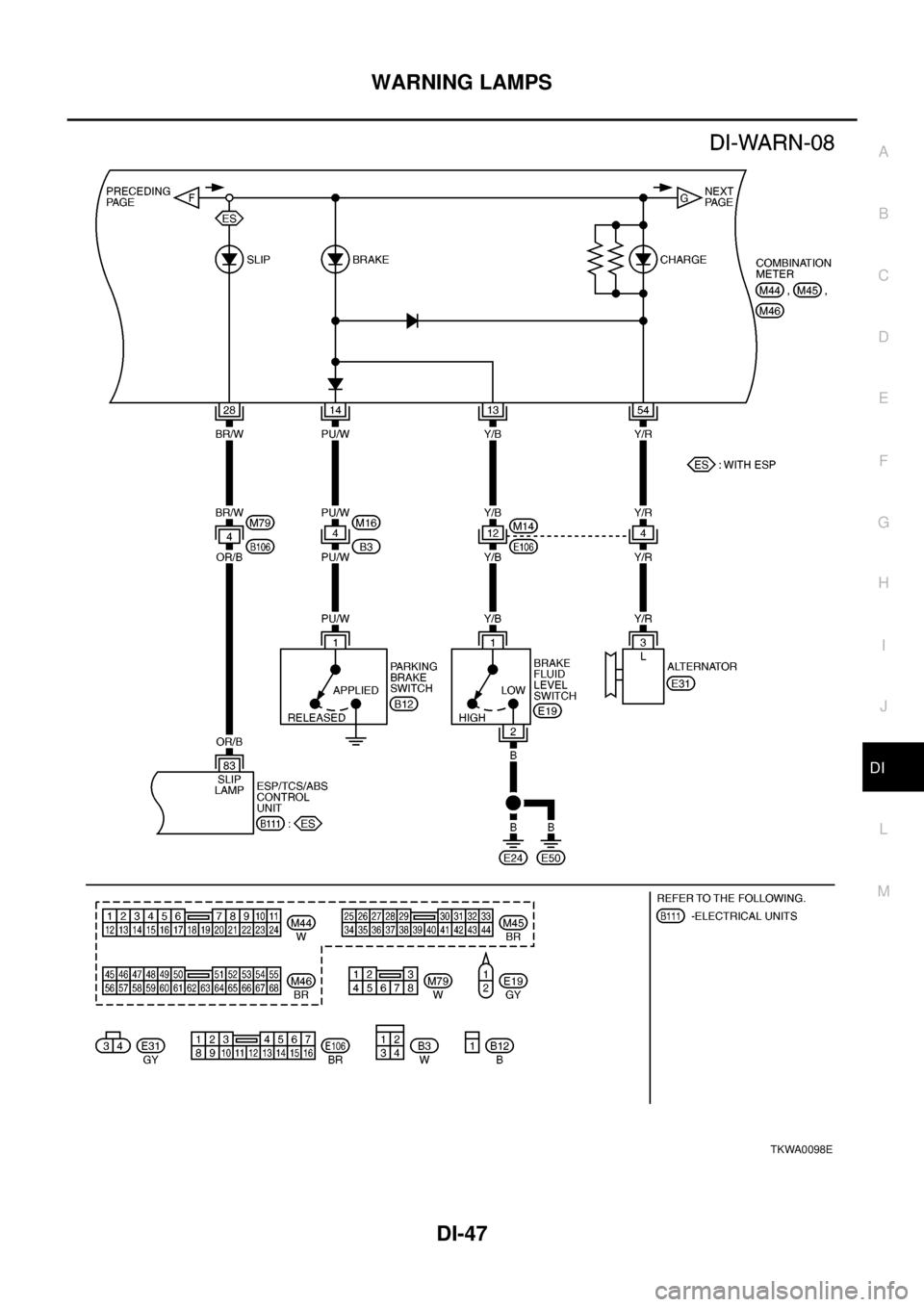
WARNING LAMPS
DI-47
C
D
E
F
G
H
I
J
L
MA
B
DI
TKWA0098E
Page 1102 of 3066
DI-48
WARNING LAMPS
TKWA0099E
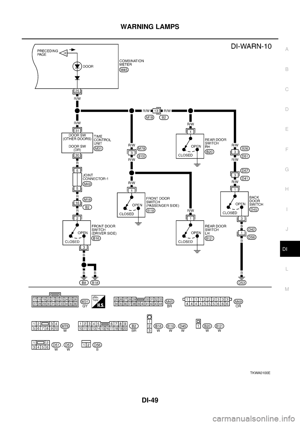
Page 1103 of 3066
WARNING LAMPS
DI-49
C
D
E
F
G
H
I
J
L
MA
B
DI
TKWA0100E
Page 1104 of 3066

DI-50
WARNING LAMPS
Electrical Components Inspection
EKS002HK
FUEL WARNING LAMP OPERATION CHECK
1. Turn ignition switch “OFF”.
2. Disconnect fuel level sensor unit harness connector B125.
3. Connect a resistor (80W) between fuel level sensor unit harness
connector terminal 1(G) and ground.
4. Turn ignition switch “ON”.
The fuel warning lamp should come on.
OIL PRESSURE SWITCH CHECK
Check the continuity between the terminals of oil pressure switch
and body ground.
DIODE CHECK
lCheck continuity using an ohmmeter.
lDiode is functioning properly if test results are as shown in the
figure at left.
lCheck diodes at the combination meter harness connector
instead of on the combination meter assembly. Refer toDI-40,
"Wiring Diagram—WARN—/LHDModels"orDI-45, "Wiring
Diagram—WARN—/RHDModels".
NOTE:
Specification may vary depending on the type of tester. Before
performing this inspection, be sure to refer to the instruction
manual for the tester to be used.
SKIA0993E
Oil pressure kPa (bar,
kg/cm2,psi)Continuity
Engine runningMore than 10 - 20 (0.10 -
0.20,0.1-0.2,1-3)No
Engine not runningLess than 10 - 20 (0.10 -
0.20,0.1-0.2,1-3)Ye s
MEL425F
SEL901F
Page 1105 of 3066
A/T INDICATOR
DI-51
C
D
E
F
G
H
I
J
L
MA
B
DI
A/T INDICATORPFP:24814
Wiring Diagram — AT/IND —EKS002HL
TKWA0103E
Page 1106 of 3066

DI-52
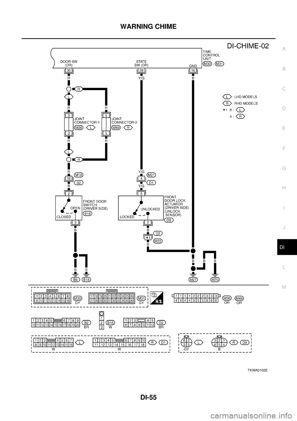
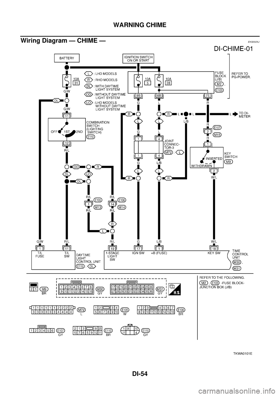
WARNING CHIME
WARNING CHIME
PFP:24814
System DescriptionEKS002XF
POWER SUPPLY AND GROUND CIRCUIT
Power is supplied at all times
lthrough 10A fuse (No.31, located in fuse and fusible link box)
lto combination switch terminal 11,and
lto daytime light control unit terminal 1(with daytime light control unit).
lthrough 10A fuse [No.28, located in the fuse block (J/B)]
lto key switch terminal 1 and
lto time control unit terminal 1.
With ignition switch in ON or START position, power is supplied
lthrough 10A fuse [No.5, located in the fuse block (J/B)]
lto time control unit terminal 17.
Ground is supplied
lto time control unit terminal 16
lthrough body grounds M27 and M70.
When a signal, or combination of signals, is received by the time control unit, the warning chime will sound.
IGNITION KEY WARNING CHIME
With ignition switch in OFF or ACC position, and the driver's door open and driver’s door locked, the warning
chime will sound. Power is supplied
lthrough key switch terminal 2
lto time control unit terminal 18 and
Ground is supplied
lto time control unit terminal 28
lthrough unlock sensor terminal 5
Unlock sensor terminal 2 is grounded through body grounds M27 and M70, and
Ground is supplied
lto time control unit terminal 30
lthrough front door (driver side) switch terminal 2.
Front door switch (driver side) terminal 3 is grounded through body grounds B8 and B18.
LIGHT WARNING CHIME
With ignition switch OFF position, driver's door open, and lighting switch in 1ST or 2ND position, warning
chime will sound. Power is supplied
lfrom the lighting switch terminal 12 or daytime light control unit terminal 10 (with daytime light system)
lto time control unit terminal 19.
Ground is supplied
lfrom Front door switch (driver side) terminal 2
lto time control unit terminal 30.
Front door switch (driver side) terminal 3 is grounded through body grounds B8 and B18.
Page 1107 of 3066
WARNING CHIME
DI-53
C
D
E
F
G
H
I
J
L
MA
B
DI
Component Parts and Harness Connector LocationEKS002XG
SKIA0978E
Page 1108 of 3066
DI-54
WARNING CHIME
Wiring Diagram — CHIME —
EKS002XJ
TKWA0101E
Page 1109 of 3066
WARNING CHIME
DI-55
C
D
E
F
G
H
I
J
L
MA
B
DI
TKWA0102E
Page 1110 of 3066

DI-56
WARNING CHIME
Symptom Chart
EKS002XQ
Power Supply and Ground Circuit CheckEKS002YF
1.POWER SUPPLY CIRCUIT CHECK
1. Disconnect time control unit connector.
2. Check the following.
OK or NG
OK >> GO TO 2
NG >>
l10A fuse [ NO.28, located in fuse block (J/B)].
l10A fuse [ NO.5, located in fuse block (J/B)].
lCheck harness for open or short between time control unit and fuse.
Symptom Diagnoses/ Service procedure Reference page
Light warning chime does not activate.
lPower supply and ground circuit checkDI-56, "
Power Supply
and Ground Circuit
Check"
lLighting switch checkDI-57, "Lighting Switch
Input Signal Check"
lFront door switch (driver side) checkDI-59, "
Front Door
Switch (driver side)
Check"
Key warning chime does not activate.
lPower supply and ground circuit checkDI-56, "
Power Supply
and Ground Circuit
Check"
lKey switch insert signal checkDI-57, "Key Switch Insert
Signal Check"
lDoor unlock sensor checkDI-58, "Door Unlock Sen-
sor Check"
lFront door switch (driver side) checkDI-59, "
Front Door
Switch (driver side)
Check"
All warning chimes do not activate.
lPower supply and ground circuit checkDI-56, "
Power Supply
and Ground Circuit
Check"
lFront door switch (driver side) checkDI-59, "
Front Door
Switch (driver side)
Check"
Terminals IgnitiOn switch position
(+)
(–) OFF ACC ON
ConnectorTe r m i n a l
(Wire color)
M46 1(L/B) GroundBattery
voltageBattery
voltageBattery
voltage
M46 17(G) Ground 0V 0VBattery
voltage
SKIA0994E
Trending: suspension, set clock, dimensions, oil viscosity, wheelbase, overheating, cruise control