MAZDA PROTEGE 1992 Workshop Manual
Manufacturer: MAZDA, Model Year: 1992, Model line: PROTEGE, Model: MAZDA PROTEGE 1992Pages: 1164, PDF Size: 81.9 MB
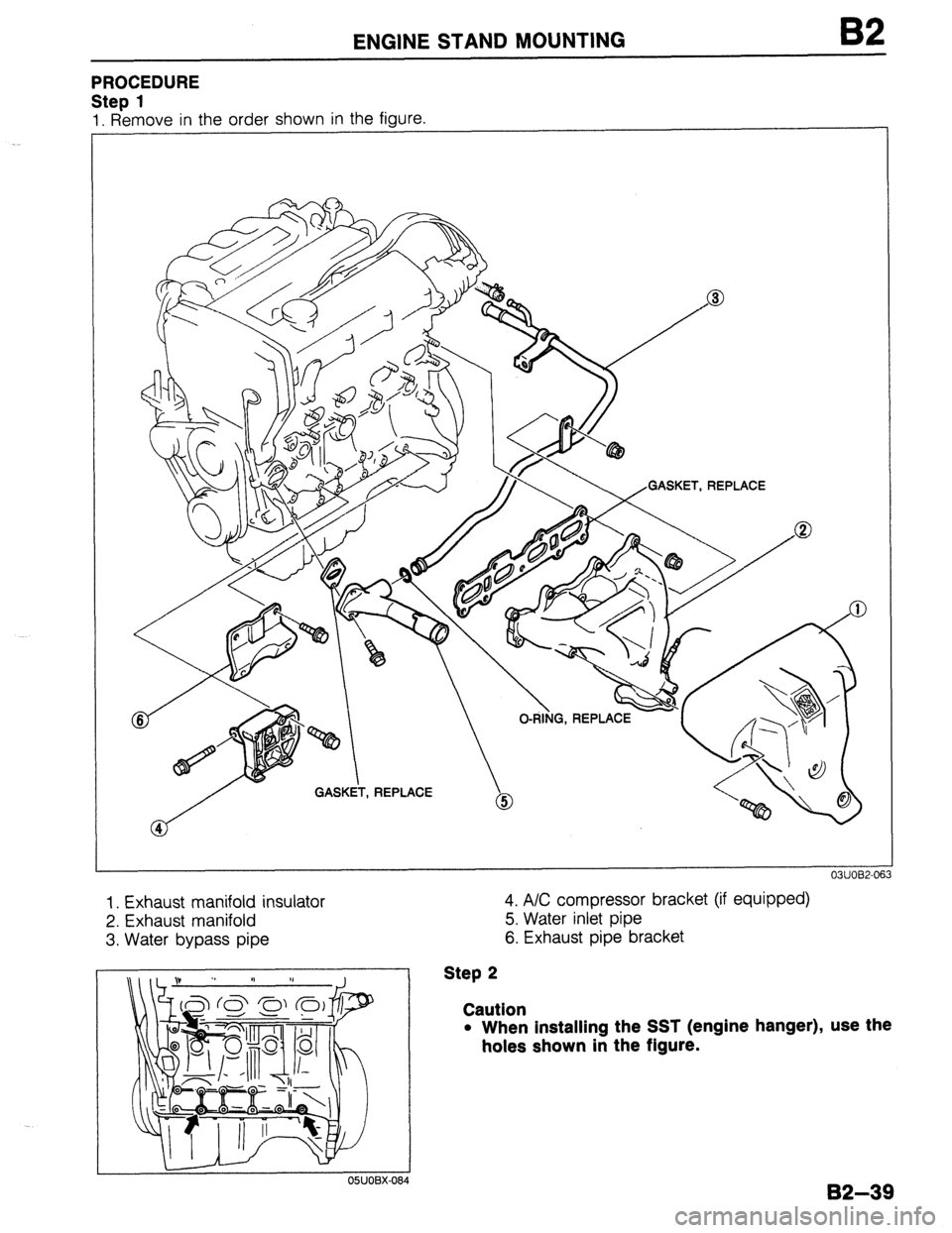
Page 171 of 1164

ENGINE STAND MOUNTING B2 
PROCEDURE 
Step 1 
1. Remove in the order shown in the figure. 
r 
GASKET, REPLACE 
1. Exhaust manifold insulator 
2. Exhaust manifold 
3. Water bypass pipe 
OSUOBX-084 
4. A/C compressor bracket (if equipped) 
5. Water inlet pipe 
6. Exhaust pipe bracket 
Step 2 
Caution 
l When installing the SST (engine hanger), use the 
holes shown in the figure. 
82-39  
Page 172 of 1164

B2 ENGINE STAND MOUNTING 
051JOBX-08 
05UOBX.086 
20mm (0.79 in  20mm (0.79 in 
05UOEX-OE 
05UOBX-01 
1. Install the SST (arms) to the holes as shown in the figure, 
and loosely tighten the 
SST (bolts). 
2. Assemble the SST (bolts and plate) in the specified po- 
sition. 
3. Assemble the 
SST (nuts, hooks, and bolts). 
4. Install the SST to the respective arms. 
Note 
l Adjust the SST (bolts) so that less than 20mm (0.79 
in) of thread is exposed. 
l Make the SST (plate and arms) parallel by adjust- 
ing the SST (bolts and nuts). 
5. Tighten the SST (bolts and nuts) to affix the SST firmly. 
6. Mount the engine on the 
SST (engine stand). 
82-40  
Page 173 of 1164

DISASSEMBLY B2 
DISASSEMBLY 
PREPARATION 
SST 
._ 
49 EOll 1AO 
Ring gear brake 
set 
49 EOll 104 
Collar 
(Part of 
49 EOI 1 1 AO) 
49 8012 OA2 
Pivot, valve 
spring lifter 
49 B021 013 
Foot 
(Part of 
49 B012 OA2) 
49 0636 IOOA 
Arm, valve spring 
lifer 
. 
Remover, valve 
seal For 
prevention of 
engine rotation 
For 
prevention of 
engine rotation 
For 
removal / 
installation of 
valves 
For 
removal / 
installation of 
valves 
For 
removal and 
installation of 
valves 
For 
removal of 
valve seals 49 EOll 103 
Shaft 
(Part of 
49 EOll 1AO) 
49 EOll 105  49 EOll 105 
Stopper  Stopper 0 
(Part of  (Part of 
49 E011 1AO  49 E011 1AO 
w 
49 B012 012 
Body 
(Part of 
49 8012 OA2) 
49 8012 014 
Locknut 
(Part of 
49 8012 OA2) 
49 0221 061A 
Remover & 
installer, piston 
pin For 
prevention of 
engine rotation 
For 
prevention of 
engine rotation 
For 
removal / 
installation of 
valves 
For 
removal / 
installation of 
valves 
For 
removal and 
installation of 
piston pins 
2311082.03 
1. Code all identical parts (such as piston, piston rings, connecting rods, and valve springs) so that they 
can be reinstalled in the cylinder from which they were removed. 
2. Clean the parts with a steam cleaner. Blow off any remaining water with compressed air. 
Note 
l During disassembly of any part or system, be sure to study its order of assembly. Also, note 
any deformation, wear, or damage. 
05UOBX-091 
B2-41  
Page 174 of 1164

B2 DISASSEMBLY 
AUXILIARY PARTS 
1, Drain the engine oil. 
2. Disassemble in the order shown in the figure 
GASKET, REPLACE ..______-. 
-___ - 
03UOB2-064 
1. Distributor and high-tension lead 7. Oil cooler 
2. Intake manifold assembly 8. Oil pressure switch 
3. Injector and distribution pipe assembly 9. Spark plug 
4. Alternator and drive belt 10. Oil level gauge 
5. No.3 engine mount bracket 11. Oil level gauge pipe stay 
6. Oil filter 12. Engine hanger 
82-42  
Page 175 of 1164

DISASSEMBLY 82 
TIMING BELT 
1. Disassemble in the order shown in the figure, referring to Disassembly Note. 
23UOB2-0: 
1. Water pump pulley 
2. Crankshaft pulley 
3. Timing belt cover, upper 
4. Timing belt cover, middle 
5. Timing belt cover, lower 
6. Pulley lock bolt 
7. Pulley boss 
8. Timing belt 
Disassembly Note . . . . . . . . . . . . . . . . . . . . page B2-44 
9. Tensioner and tensioner spring 
10. Idler 
Disassembly Note . . . . . . . . . . . . . . . . . . . . page B2-44 
B2-43  
Page 176 of 1164

B2 DISASSEMBLY 
23UOB2-055 
13EOB2-030 
Disassembly Note 
Pulley lock bolt 
1. Hold the flywheel (MTX) or drive plate (ATX) with the SST 
or equivalent. 
2. Loosen the pulley lock bolt. 
3. Remove the pulley lock bolt. 
Timing belt 
1. Loosen the tensioner lock bolt and using a suitable bar, pry 
the tensioner outward. 
Caution 
l Protect the tensioner with a rag before prying. 
2. Tighten the lock bolt with the tensioner spring fully extended. 
Note 
l Mark the timing belt rotation for proper reinstal- 
lation. 
3. Remove the timing belt. 
82-44  
Page 177 of 1164

DISASSEMBLY B2 
CYLINDER HEAD 
1. Disassemble in the order shown in the figure, referring to Disassembly Note. 
OIL SEAL, REPLACE 
GASKET, REPLACE 
1. Cylinder head cover 11. Cylinder head 
2. Camshaft pulley Inspection . . . . . . . . . . . . . . . . . . . . . . . . . . . . . . . . . page B2-54 
Disassembly Note . . . .., ,.... . . . . . . . . . page 82-46 12. Cylinder head gasket 
Inspection . . . . . . . . . . . . . . . .., . . . . . . . . . . . . . page 82-65 13. Valve keeper 
3. Seal plate Disassembly Note . . . . . . . . . . . . . . . . . . . . page B2-46 
4. Camshaft 14. Valve spring seat, upper 
Disassembly Note . . . . . . . . . . . . . . . . . . . . page 82-46 15. Valve spring 
Inspection . . . . . . . . . . . . . . . . . . . . . . . . . . . . . . . . . page B2-58 Inspection . . . . . . . . . . . . . . . . . . . . . . . . . . . . . . . . . page 82-58 
5. HLA 16. Valve spring seat, lower 
Disassembly Note . . . . . . . . . . . . . . . . . . . . page B2-46 17. Valve 
Inspection ,........,,..,.,....,..,,.,..,... page B2-60 Inspection ..,.............................. page 82-55 
6. Thermostat cover 18. Valve seal 
7. Thermostat Disassembly Note ..,................. page B2-47 
8. Water thermoswitch Inspect for wear or damage 
9. Heat gauge unit 19. Valve guide 
IO. Cylinder head bolt Inspection . . . . . . . . . . . . . . . . . . . . . . . . . . . . . . . . . page B2-55 
Disassembly Note . . . . . . . . . . . . . . . . . . . . page 82-46 Replacement . . . . . . . . . . . . . . . . . . . . . . . . . . . . page B2-56 
82-45  
Page 178 of 1164

82 DISASSEMBLY 
2311082-03 
r HLA 
r 
05UOBX-04! 
2311082-03 
I 
05UOBX-1C 
82-46 
Disassembly Note 
Camshaft pulley 
1, Hold the camshaft with a wrench at hexagonal portion. 
2. Remove the camshaft pulley lock bolt. 
3. Remove the camshaft pulley. 
Camshaft 
1. Loosen the camshaft cap bolts in two or three steps in the 
order shown in the figure. 
2. Remove the camshaft caps 
3. Remove the camshaft. 
4. Remove the camshaft oil seal from the camshaft. 
Caution 
l Mark the HLA with a felt pen so that they can be reln- 
stalled in the position from which they were 
removed. 
1. Remove the HLA from the cylinder head. 
Cylinder head bolts 
1. Loosen the cylinder head bolts in two or three steps in the 
order shown in the figure. 
2. Remove the cylinder head bolts. 
Valve keeper 
1. Set the SST against the upper valve spring seat as shown 
in the figure. 
2. Remove the valve keepers.  
Page 179 of 1164

DISASSEMBLY 82 
Valve seal 
1 I Remove the valve seal with the SST. 
02-47  
Page 180 of 1164

B2 DISASSEMBLY 
CYLINDER BLOCK (EXTERNAL PARTS) 
1. Disassemble in the order shown in the figure, referring to Disassembly Note. 
I 
@ma @a% GASST, REPLACE 
GASKET, 
REPLACE 
/ 
d I @REPLACE 
23UOB2-0 
1. Water pump 
Service ..,....,..,......,.,.,,.....,,.,.......... Section E 
2. Timing belt pulley and lock bolt 
Disassembly Note . . . . . ..,.,........,. page 82-49 
Inspection . . . . . . . . . . . . . . . . . . . . . . . . . . . . . . . . . page 82-65 
3. Clutch cover, clutch disc (MTX) 
Service . . . , , . . . . . . . . . . . . . . . . . . . . . . . . . . . . . . . . . . . . . Section H 
4. Flywheel (MTX) 
Disassembly Note ,.. . . . . . . . . . . . . . . . . . page 82-49 
Inspect for wear or damage 
5. Backing plate, drive plate, and adapter (ATX) 
Disassembly Note . . . . ,., ,..... . . . . . . . page B2-49 
6. End plate 7. Oil pan and gasket 
Disassembly Note .,.................. page 82-49 
Inspect for damage 
8. Oil strainer 
9. Main bearing support plate (MBSP) 
Disassembly Note . . . ., . . . . . ..,.... . . . page B2-50 
Inspect for damage 
10. Oil pump 
Service . . . , . . . . . . . . . . . . . . . . . . . . . . . . . . . . . . . . . . . . . . Section D 
11. Front oil seal 
Disassembly Note .,.................. page 82-50 
12. Rear cover 
13. Rear oil seal 
Disassembly Note . . . . . . . . . . . . . . . . . . . . page B2-50 
B2--48