NISSAN X-TRAIL 2003 Electronic Repair Manual
Manufacturer: NISSAN, Model Year: 2003, Model line: X-TRAIL, Model: NISSAN X-TRAIL 2003Pages: 3066, PDF Size: 51.47 MB
Page 731 of 3066

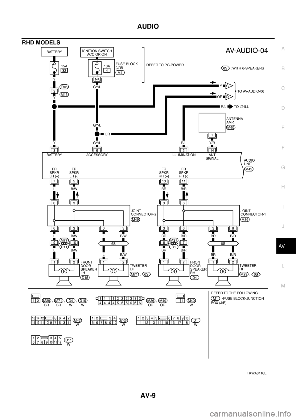
AUDIO
AV-9
C
D
E
F
G
H
I
J
L
MA
B
AV
RHD MODELS
TKWA0116E
Page 732 of 3066

AV-10
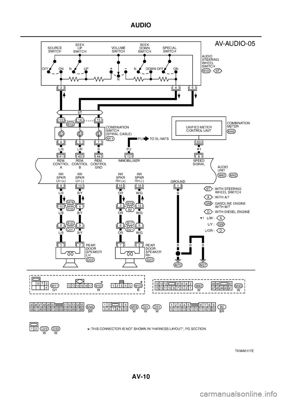
AUDIO
TKWA0117E
Page 733 of 3066

AUDIO
AV-11
C
D
E
F
G
H
I
J
L
MA
B
AV
TKWA0118E
Page 734 of 3066

AV-12
AUDIO
Trouble Diagnoses
EKS002F5
AUDIO UNIT
InspectionEKS002F6
AUDIO UNIT
All voltage inspections are made with:
lIgnition switch ON or ACC
lAudio unit ON
lAudio unit connected (If audio unit is removed for inspection, supply a ground to the case using a jumper
wire.)
ANTENNA
Using a jumper wire, clip an auxiliary ground between antenna and body.
lIf reception improves, check antenna ground (at body surface).
lIf reception does not improve, check main feeder cable for short circuit or open circuit.
Symptom Possible causes Repair order
Audio unit inoperative (no digital display
and no sound from speakers).1. 10A fuse
2. Poor audio unit case ground
3. Audio unit1. Check 10A fuse [No. 4, located
in fuse block (J/B)]. Turn ignition
switch ON and verify that battery
positive voltage is present at ter-
minal 6 of audio unit.
2. Check audio unit case ground.
3. Remove audio unit for repair.
Audio unit presets are lost when ignition
switch is turned OFF.1. 15A fuse
2. Audio unit1. Check 15A fuse [No. 32, located
in fuse block (J/B)] and verify
that battery positive voltage is
present at terminal 3 of audio
unit.
2. Remove audio unit for repair.
Individual rear speaker is noisy or inopera-
tive.1. Each speaker
2. Output circuit to each speaker1. Check speaker.
2. Check the output circuits to each
speaker between audio unit and
each speaker.
AM/FM stations are weak or noisy. 1. Roof antenna
2. Audio unit ground
3. Audio unit1. Check roof antenna.
2. Check audio unit ground condi-
tion.
3. Remove audio unit for repair.
Audio unit generates noise in AM and FM
modes with engine running.1. Poor audio unit ground
2. Loose or missing ground bonding straps
3. Ignition condenser or rear window defogger
noise suppressor condenser
4. Ignition coil or secondary wiring
5. Audio unit1. Check audio unit ground.
2. Check ground bonding straps.
3. Replace ignition condenser or
rear window defogger noise sup-
pressor condenser.
4. Check ignition coil and second-
ary wiring.
5. Remove audio unit for repair.
Audio unit generates noise in AM and FM
modes with accessories on (switch pops
and motor noise).1. Poor audio unit ground
2. Antenna
3. Accessory ground
4. Malfunctioning accessory1. Check audio unit ground.
2. Check antenna.
3. Check accessory ground.
4. Replace accessory.
Page 735 of 3066

AUDIO
AV-13
C
D
E
F
G
H
I
J
L
MA
B
AV
RemovalandInstallationofAudioUnitEKS002PU
1. Remove instrument cluster lid “C”.
lRefer toIP-7, "CLUSTER LID C"in “Instrument Panel (IP)” section.
2. Remove screws and connector, and then remove audio unit.
3. Remove screws, and then bracket.
Locking CD auto-changer mechanismEKS002GM
CAUTION:
lPrior to removing a malfunctioning CD auto-changer unit that will be shipped for repair, the
changer mechanism MUST BE LOCKED to prevent the mechanism from being damaged during
shipping.
lIf a CD is jammed or unable to be removed from the unit, do NOT lock the changer mechanism. If
the unit is to be shipped for repair, carefully package the unit to prevent vibration and shock.
DAMPER LOCK PROCEDURE
1. Eject and remove any CDs from the CD auto-changer unit.
2. Turn ignition switch OFF. Wait until CD auto-changer unit display is off and mechanism stops moving
(mecha-nism sound stops).
3. Press any one of the disc selection buttons once. When a display shows on the CD auto-changer unit,
press the same disc selection button again within 5 seconds.
lThe changer mechanism will lock itself within 10 seconds.
4. After mechanism stops moving (mechanism sound stops), disconnect negative battery terminal.
NOTE:
After installing a new or remanufactured CD auto-changer unit, switching the CD auto-changer unit ON will
automati-cally unlock the mechanism. A special unlocking procedure is not required.
Removal and Installation of CD Auto-ChangerEKS002UW
1. Perform damper lock. Refer toAV- 1 3 , "DAMPER LOCK PROCEDURE".
2. Remove cluster lid finishers (left and right).
lRefer toIP-7, "CLUSTER LID FINISHER"in “Instrument Panel (IP)” section.
SKIA0890E
SKIA0891E
Page 736 of 3066

AV-14
AUDIO
3. Remove screws, and then remove CD auto-changer with
bracket attached.
4. Remove screws, and then bracket.
Removal and Installation of SpeakersEKS002PV
1. Remove door finisher.
lRefer toEI-23, "DOOR FINISHER"in “Exterior/Interior (EI)”
section.
2. Remove speakers.
Removal and Installation of TweetersEKS002GO
1. Remove front speaker grille.
lRefer toIP-6, "FRONT SPEAKER GRILLE"in “Exterior/Inte-
rior (EI)” section.
2. Remove tweeters.
SKIA0892E
SKIA0893E
SKIA0001E
SKIA0002E
Page 737 of 3066

AUDIO ANTENNA
AV-15
C
D
E
F
G
H
I
J
L
MA
B
AV
AUDIO ANTENNAPFP:28200
Antenna RouteEKS002PW
Removal and Installation of Roof AntennaEKS002PX
1. Remove headlining.
lRefer toEI-29, "HEADLINING"in “Exterior/Interior (EI)” sec-
tion.
2. Remove roof antenna mounting nuts, antenna plug, and power
connector. Then remove roof antenna.
SKIA0894E
SKIA0895E
Page 738 of 3066

AV-16
AUDIO ANTENNA
SKIA0009E
Page 739 of 3066

BCS-1
BODY CONTROL SYSTEM
K ELECTRICAL
CONTENTS
C
D
E
F
G
H
I
J
L
M
SECTION
A
B
BCS
BODY CONTROL SYSTEM
PRECAUTIONS .......................................................... 2
Precautions for Supplemental Restraint System
(SRS) “AIR BAG” and “SEAT BELT PRE-TEN-
SIONER” .................................................................. 2
Wiring Diagrams and Trouble Diagnosis .................. 2
TIME CONTROL UNIT ............................................... 3Description ................................................................ 3
OUTLINE ............................................................... 3
INPUT/OUTPUT .................................................... 3
Schematic ................................................................. 4
Time Control Unit Inspection Table ........................... 5
Page 740 of 3066

BCS-2
PRECAUTIONS
PRECAUTIONS
PFP:00011
Precautions for Supplemental Restraint System (SRS) “AIR BAG” and “SEAT
BELT PRE-TENSIONER”
EKS00369
The Supplemental Restraint System such as “AIR BAG” and “SEAT BELT PRE-TENSIONER”, used along
with a front seat belt, helps to reduce the risk or severity of injury to the driver and front passenger for certain
types of collision. Information necessary to service the system safely is included in the SRS and SB section of
this Service Manual.
WAR NIN G:
lTo avoid rendering the SRS inoperative, which could increase the risk of personal injury or death
in the event of a collision which would result in air bag inflation, all maintenance must be per-
formed by an authorized NISSAN/INFINITI dealer.
lImproper maintenance, including incorrect removal and installation of the SRS, can lead to per-
sonal injury caused by unintentional activation of the system. For removal of Spiral Cable and Air
Bag Module, see the SRS section.
lDo not use electrical test equipment on any circuit related to the SRS unless instructed to in this
Service Manual. SRS wiring harnesses can be identified by yellow harness connectors.
Wiring Diagrams and Trouble DiagnosisEKS0036B
When you read wiring diagrams, refer to the followings:
lRefer toGI-14, "How to Read Wiring Diagrams"in GI section.
lRefer toPG-2, "POWER SUPPLY ROUTING"for power distribution circuit in PG section.
When you perform trouble diagnosis, refer to the followings:
lRefer toGI-11, "HOW TO FOLLOW TEST GROUPS IN TROUBLE DIAGNOSES"in GI section.
lRefer toGI-24, "How to Perform Efficient Diagnosis for an Electrical Incident"in GI section.