NISSAN X-TRAIL 2003 Electronic Repair Manual
Manufacturer: NISSAN, Model Year: 2003, Model line: X-TRAIL, Model: NISSAN X-TRAIL 2003Pages: 3066, PDF Size: 51.47 MB
Page 871 of 3066

BRC-3
C
D
E
G
H
I
J
K
L
MA
B
BRC noid Valve and Circuit ............................................ 97
Inspection 8 Actuator Motor, Motor Relay and Circuit
. 100
Inspection 9 Actuator Relay and Circuit ............... 102
Inspection 10 Stop Lamp Switch and Circuit ........ 104
Inspection 11 ESP/TCS/ABS Control Unit Power
Supply Circuit ....................................................... 104
Inspection 12 When “EMERGENCY BRAKE” is
indicated in the Self-Diagnosis Results ................ 106
Inspection 13 When “ST ANG SEN SIGNAL” is Indi-
cated in the Self-Diagnosis Results ..................... 106
Inspection 14 Brake Fluid Level of Reservoir Tank,
Communication Circuit between ESP/TCS/ABS
Control Unit and Brake Fluid Level Warning Switch. 107
Inspection 15 CAN Communication Circuit, ESP/
TCS/ABS Control Unit and Steering Angle Sensor. 108
Component Check ............................................... 109
ESP OFF SWITCH ............................................ 109
ESP/TCS/ABS RELAY BOX ............................. 109
ESP/TCS/ABS ACTUATOR ............................... 110
Symptom 1: ABS Works Frequently. ..................... 112
Symptom 2: Unexpected Pedal Action .................. 112
Symptom 3: Longer Stopping Distance ................. 113
Symptom 4: ABS Does Not Work. ........................ 114
Symptom 5: Pedal Vibration and Noise ................ 114
Symptom 6: ESP OFF Indicator Lamp Does Not Illu-minate ...................................................................115
Symptom 7: SLIP Indicator Lamp Does Not Illumi-
nate .......................................................................116
Symptom 8: During ESP/TCS/ABS Control, Vehicle
Behavior is Jerky. .................................................116
ESP/TCS/ABS CONTROL UNIT ............................118
Removal and Installation ......................................118
REMOVAL .........................................................118
INSTALLATION .................................................118
WHEEL SPEED SENSORS ....................................119
Removal and Installation ......................................119
SENSOR ROTOR ...................................................120
Removal and Installation ......................................120
REMOVAL .........................................................120
INSTALLATION .................................................120
ESP/TCS/ABS ACTUATOR AND RELAY BOX .....121
Removal and Installation ......................................121
YAW RATE/SIDE G SENSOR .................................122
Removal and Installation ......................................122
REMOVAL .........................................................122
INSTALLATION .................................................122
ESP OFF SWITCH ..................................................123
Removal and Installation ......................................123
REMOVAL .........................................................123
INSTALLATION .................................................123
Page 872 of 3066
![NISSAN X-TRAIL 2003 Electronic Repair Manual BRC-4
[4WD/ABS]
PRECAUTIONS
[4WD/ABS]PRECAUTIONSPFP:00001
Precautions for brake systemEFS001B6
lRecommended fluid is brake fluid “DOT 3 ”or “DOT 4”.
lNever reuse drained brake fluid.
lBe caref NISSAN X-TRAIL 2003 Electronic Repair Manual BRC-4
[4WD/ABS]
PRECAUTIONS
[4WD/ABS]PRECAUTIONSPFP:00001
Precautions for brake systemEFS001B6
lRecommended fluid is brake fluid “DOT 3 ”or “DOT 4”.
lNever reuse drained brake fluid.
lBe caref](/img/5/57402/w960_57402-871.png)
BRC-4
[4WD/ABS]
PRECAUTIONS
[4WD/ABS]PRECAUTIONSPFP:00001
Precautions for brake systemEFS001B6
lRecommended fluid is brake fluid “DOT 3 ”or “DOT 4”.
lNever reuse drained brake fluid.
lBe careful not to splash brake fluid on painted areas.
lTo clean or wash all parts of master cylinder, disc brake caliper and wheel cylinder, use clean brake fluid.
lNever use mineral oils such as gasoline or kerosene. They will ruin rubber parts of the hydraulic system.
lUse flare nut wrench when removing and installing brake tube.
lAlways torque brake lines when installing.
lBurnish the brake contact surfaces after refinishing or replacing
drums or rotors, after replacing pads or linings, or if a soft pedal
occurs at very low mileage. Refer toBR-10, "
Brake Burnishing
Procedure".
lBefore working, turn OFF ignition switch. Disconnect connectors
for ABS actuator and control module or battery terminals.
WAR NIN G:
lClean brake pads and shoes with a waste cloth, then wipe
with a dust collector.
Precautions for brake controlEFS001B7
lIf malfunction is indicated by 4WD warning lamp and/or ABS warning lamp, collect necessary information
from customer (what symptoms are present under what conditions). Find out possible causes before start-
ing service. Besides electrical system inspection, check operation of ABS actuator.
lIf malfunction is detected, proceed to trouble diagnosis after checking tire pressure and tire wear.
lStopping distance or steering stability may be deteriorated by the following conditions. Tire size and type
are in improper combination. Brake pads are not Nissan genuine parts.
lFitting tires of different size on vehicle can be cause of longitudinal vibration. Always use tires of the same
size and brand. Exchange front and rear tires on the following conditions: Longitudinal vibration occurs in
vehicle with tires of the same size and brand. After replacement, perform trouble diagnosis. 1580|None
l4WD/ABS function may have a failure or error under following condition: There is radio, antenna, or
antenna lead-in wire (including wiring) near control module.
lIf aftermarket parts (e.g. Car stereo equipment, CD player) have been installed, check electrical har-
nesses for pinches, open, and improper wiring.
SBR686C
Page 873 of 3066
![NISSAN X-TRAIL 2003 Electronic Repair Manual PREPARATION
BRC-5
[4WD/ABS]
C
D
E
G
H
I
J
K
L
MA
B
BRC
PREPARATIONPFP:00002
Special Service ToolsEFS001B8
Tool name Description
Electronic system diagnosis tester
CONSULT-II
EG1187 0000
Program card f NISSAN X-TRAIL 2003 Electronic Repair Manual PREPARATION
BRC-5
[4WD/ABS]
C
D
E
G
H
I
J
K
L
MA
B
BRC
PREPARATIONPFP:00002
Special Service ToolsEFS001B8
Tool name Description
Electronic system diagnosis tester
CONSULT-II
EG1187 0000
Program card f](/img/5/57402/w960_57402-872.png)
PREPARATION
BRC-5
[4WD/ABS]
C
D
E
G
H
I
J
K
L
MA
B
BRC
PREPARATIONPFP:00002
Special Service ToolsEFS001B8
Tool name Description
Electronic system diagnosis tester
CONSULT-II
EG1187 0000
Program card for diagnosis
EG1187 0100Checking and diagnosing the system
1Flarenutcrowfoot
2 Torque wrenchRemoving and installing each brake
piping
a:10mm (0.39 in)
Brake fluid pressure gauge Measuring brake fluid pressure
ZZA1207D
S-NT360
S-NT151
Page 874 of 3066
![NISSAN X-TRAIL 2003 Electronic Repair Manual BRC-6
[4WD/ABS]
ALL MODE 4X4 SYSTEM
ALL MODE 4X4 SYSTEM
PFP:47850
System DescriptionEFS001CJ
ABS FUNCTION
lDuring ABS operation, brake pedal lightly vibrates and its mechanical noise may be heard. Thi NISSAN X-TRAIL 2003 Electronic Repair Manual BRC-6
[4WD/ABS]
ALL MODE 4X4 SYSTEM
ALL MODE 4X4 SYSTEM
PFP:47850
System DescriptionEFS001CJ
ABS FUNCTION
lDuring ABS operation, brake pedal lightly vibrates and its mechanical noise may be heard. Thi](/img/5/57402/w960_57402-873.png)
BRC-6
[4WD/ABS]
ALL MODE 4X4 SYSTEM
ALL MODE 4X4 SYSTEM
PFP:47850
System DescriptionEFS001CJ
ABS FUNCTION
lDuring ABS operation, brake pedal lightly vibrates and its mechanical noise may be heard. This is a nor-
mal condition.
lWhen starting engine, or just after starting vehicle, brake pedal may vibrate. Also motor operating noise
may be heard from engine compartment. This is a normal status of operation check.
lWhen vehicle drives on rough, gravel, or snowy (fresh deep snow) road, the following conditions occur.
Stopping distance may be longer than that of vehicles without ABS.
4WD FUNCTION
lElectronically controlled 4WD is controlled by the same control module as that for ABS (4WD/ABS control
unit). 4WD/ABS control unit controls both electronically-controlled 4WD and ABS, based on input signals
from several sensors.
lIf electrical system-related malfunction occurred in 4WD/ABS system, control unit illuminates the following
lamps: 4WD warning lamp and/or ABS warning lamp on meter control unit assembly. This notifies driver of
malfunction. At the same time, control unit indicates malfunctioning part detected by self-diagnosis with
flashing pattern of LED. Indication on electronic system diagnosis tester (CONSULT) corresponds to this
flashing pattern as shown below.
Control System DiagramEFS001CK
Self-diagnostic test mode Remarks
Result of self-diagnosis Conformable to 4WD/ABS
Data monitor Conformable to 4WD/ABS
Active testChecks ABS solenoid valve ON/OFF, ABS motor ON/OFF, 4WD sole-
noid
Control unit part No. 4WD/ABS control unit
SFIA0350E
Page 875 of 3066
![NISSAN X-TRAIL 2003 Electronic Repair Manual TROUBLE DIAGNOSIS
BRC-7
[4WD/ABS]
C
D
E
G
H
I
J
K
L
MA
B
BRC
TROUBLE DIAGNOSISPFP:00004
Fail-safe FunctionEFS001BB
lIf a malfunction occurs in 4WD/ABS electrical system, and control unit detects the m NISSAN X-TRAIL 2003 Electronic Repair Manual TROUBLE DIAGNOSIS
BRC-7
[4WD/ABS]
C
D
E
G
H
I
J
K
L
MA
B
BRC
TROUBLE DIAGNOSISPFP:00004
Fail-safe FunctionEFS001BB
lIf a malfunction occurs in 4WD/ABS electrical system, and control unit detects the m](/img/5/57402/w960_57402-874.png)
TROUBLE DIAGNOSIS
BRC-7
[4WD/ABS]
C
D
E
G
H
I
J
K
L
MA
B
BRC
TROUBLE DIAGNOSISPFP:00004
Fail-safe FunctionEFS001BB
lIf a malfunction occurs in 4WD/ABS electrical system, and control unit detects the malfunction, 4WD
warning light on gauge turns ON to inform driver of system malfunction.
lWhen 4WD and ABS warning lamp is ON, vehicle is in 2WD.
How to Proceed with Trouble DiagnosisEFS001BC
BASIC CONCEPT
lThe most important point to perform trouble diagnosis is to understand vehicle systems (control and
mechanism) thoroughly.
lIt is also important to clarify customer complaints before inspec-
tion.
First of all, reproduce symptom, and understand it fully.
Ask customer about his/her complaints carefully. In some cases,
it will be necessary to check symptoms by driving vehicle with
customer.
CAUTION:
Customers are not professional. It is dangerous to make an
easy guess like “maybe the customer means that...,” or
“maybe the customer mentions this symptom”.
lIt is essential to check symptoms right from the beginning in
order to repair a malfunction completely.
For intermittent malfunction, reproduce symptom based on inter-
view with customer and past examples. Do not perform inspec-
tion on ad hoc basis. Most intermittent malfunctions are caused
by poor contacts. In this case, it will be effective to shake sus-
pected harness or connector by hand. When repairing without
any symptom diagnosis, you can not judge if malfunction has
actually been eliminated.
lAfter completing diagnosis, always erase diagnostic memory.
Refer toBRC-23, "
CONSULT-II Functions".
lFor intermittent malfunction, move harness or harness connector by hand. Then check poor contact or
false open circuit.
lAlways read “GI General Information” to check general to confirm general precautions.
SEF234G
SEF233G
Page 876 of 3066
![NISSAN X-TRAIL 2003 Electronic Repair Manual BRC-8
[4WD/ABS]
TROUBLE DIAGNOSIS
DIAGNOSIS FLOW
SFIA0293E NISSAN X-TRAIL 2003 Electronic Repair Manual BRC-8
[4WD/ABS]
TROUBLE DIAGNOSIS
DIAGNOSIS FLOW
SFIA0293E](/img/5/57402/w960_57402-875.png)
BRC-8
[4WD/ABS]
TROUBLE DIAGNOSIS
DIAGNOSIS FLOW
SFIA0293E
Page 877 of 3066
![NISSAN X-TRAIL 2003 Electronic Repair Manual TROUBLE DIAGNOSIS
BRC-9
[4WD/ABS]
C
D
E
G
H
I
J
K
L
MA
B
BRC
ASKING COMPLAINTS
lComplaints against malfunction vary depending on each person.
It is important to clarify customer complaints.
lAsk custo NISSAN X-TRAIL 2003 Electronic Repair Manual TROUBLE DIAGNOSIS
BRC-9
[4WD/ABS]
C
D
E
G
H
I
J
K
L
MA
B
BRC
ASKING COMPLAINTS
lComplaints against malfunction vary depending on each person.
It is important to clarify customer complaints.
lAsk custo](/img/5/57402/w960_57402-876.png)
TROUBLE DIAGNOSIS
BRC-9
[4WD/ABS]
C
D
E
G
H
I
J
K
L
MA
B
BRC
ASKING COMPLAINTS
lComplaints against malfunction vary depending on each person.
It is important to clarify customer complaints.
lAsk customer about what symptoms are present under what
conditions. Use information to reproduce symptom while driving.
lIt is also important to use diagnosis sheet so as not to miss infor-
mation.
TROUBLE DIAGNOSIS SHEET - EXAMPLE
SBR339B
SFIA0029E
Page 878 of 3066
![NISSAN X-TRAIL 2003 Electronic Repair Manual BRC-10
[4WD/ABS]
TROUBLE DIAGNOSIS
Component Parts Location
EFS001BD
SFIA0344E NISSAN X-TRAIL 2003 Electronic Repair Manual BRC-10
[4WD/ABS]
TROUBLE DIAGNOSIS
Component Parts Location
EFS001BD
SFIA0344E](/img/5/57402/w960_57402-877.png)
BRC-10
[4WD/ABS]
TROUBLE DIAGNOSIS
Component Parts Location
EFS001BD
SFIA0344E
Page 879 of 3066
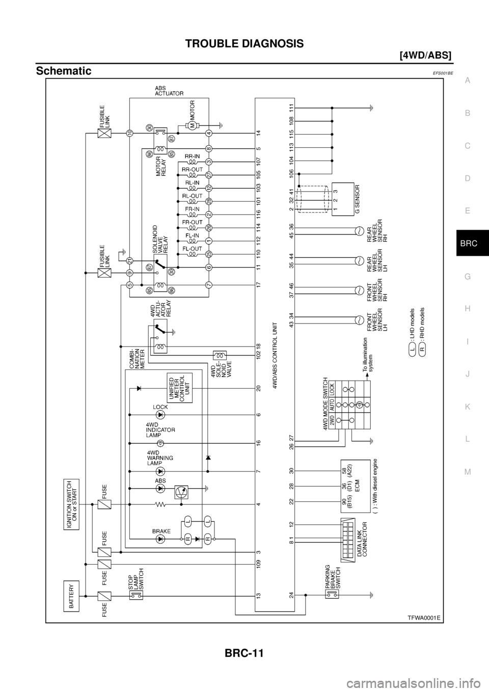
![NISSAN X-TRAIL 2003 Electronic Repair Manual TROUBLE DIAGNOSIS
BRC-11
[4WD/ABS]
C
D
E
G
H
I
J
K
L
MA
B
BRC
SchematicEFS001BE
TFWA0001E NISSAN X-TRAIL 2003 Electronic Repair Manual TROUBLE DIAGNOSIS
BRC-11
[4WD/ABS]
C
D
E
G
H
I
J
K
L
MA
B
BRC
SchematicEFS001BE
TFWA0001E](/img/5/57402/w960_57402-878.png)
TROUBLE DIAGNOSIS
BRC-11
[4WD/ABS]
C
D
E
G
H
I
J
K
L
MA
B
BRC
SchematicEFS001BE
TFWA0001E
Page 880 of 3066
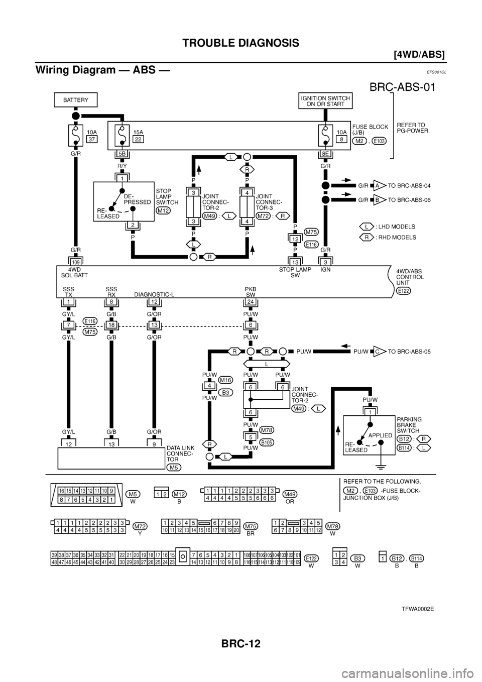
![NISSAN X-TRAIL 2003 Electronic Repair Manual BRC-12
[4WD/ABS]
TROUBLE DIAGNOSIS
Wiring Diagram — ABS —
EFS001CL
TFWA0002E NISSAN X-TRAIL 2003 Electronic Repair Manual BRC-12
[4WD/ABS]
TROUBLE DIAGNOSIS
Wiring Diagram — ABS —
EFS001CL
TFWA0002E](/img/5/57402/w960_57402-879.png)
BRC-12
[4WD/ABS]
TROUBLE DIAGNOSIS
Wiring Diagram — ABS —
EFS001CL
TFWA0002E